Главная Случайная страница


Полезное:

Как сделать разговор полезным и приятным Как сделать объемную звезду своими руками Как сделать то, что делать не хочется? Как сделать погремушку Как сделать так чтобы женщины сами знакомились с вами Как сделать идею коммерческой Как сделать хорошую растяжку ног? Как сделать наш разум здоровым? Как сделать, чтобы люди обманывали меньше Вопрос 4. Как сделать так, чтобы вас уважали и ценили? Как сделать лучше себе и другим людям Как сделать свидание интересным?


Категории:

АрхитектураАстрономияБиологияГеографияГеологияИнформатикаИскусствоИсторияКулинарияКультураМаркетингМатематикаМедицинаМенеджментОхрана трудаПравоПроизводствоПсихологияРелигияСоциологияСпортТехникаФизикаФилософияХимияЭкологияЭкономикаЭлектроника






Теплоиспользование в технологии





 

Теплоносители. Теплообменные аппараты. Классификация и выбор схемы выпарной установки. Тепловой расчет выпарной установки.

Дистилляционные и опреснительные установки. Установки предельного выпаривания. Принципиальные схемы ИОУ. Принципиальные схемы опреснительных установок мгновенного вскипания. ОУ Саудовской Аравии, Италии, Японии. Сушилки механические и термические. Сушка сухим воздухом, термоизлучением. Аккумуляция теплоты. Использование теплоты фазового перехода. Химические аккумуляторы тепла.

 

 

Методические указания

В данном разделе изучаются теплоэнергетические аппараты и процессы в технологии. Следует обратить внимание на многообразие устройств и на различные цели в деле создания ТИУ. Особое внимание следует уделить аккумуляторам теплоты.

 

 

Контрольные вопросы.

 

44. Какова классификация теплообменных аппаратов?

 

45. Каков принцип действия выпарных установок?

46. Приведите методику теплового расчета выпарного аппарата?

47. Каков принцип действия опреснительной установки?

48. Как работают термические сушилки?

49. Приведите классификацию аккумуляторов теплоты?

50. Как работают опреснительные установки ТЭС и АЭС?

 

 

8. Электроиспользование в технологии и городах.

 

Электроэнергетика России и Мира. Применение электрической энергии в народном хозяйстве. Потребление электрической энергии. Электропривод. Понятие об электроэнергетической системе. Передача энергии на расстояние. Преимущества и недостатки объединения энергетических систем. Управление энергетическими системами. Аккумулирование электрической энергии.

 

 

Методические указания.

При изучении раздела следует обратить внимание на многообразие целей и устройств электроиспользования.

 

 

Контрольная работа

 

А) Определить мощность и конечное давление турбины ГеоТЭС, которая включена по схеме № 1.

Расход пароводяной смеси Dc; давление смеси Рс и сухость хс даны в табл. 1.

 

 

Таблица 1.

 

Параметр Последняя цифра шифра студента
                     
Dc, кг/c                    
Рс, МПа                    
хс 0,5 0,4 0,3 0,5 0,4 0,3 0,6 0,7 0,5 0,4

 

Конечная сухость пара за турбиной хк = 0,88;

Внутренний относительный КПД hое = 0,8; механический КПД hм= 0,98; КПД генератора hг=0,98; сухость за сепаратором хс= 1.

 

 

Рис. 2. Схема ГеоТЭС с выхлопом пара в атмосферу (схема 1)

 

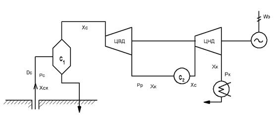
Б). Для условий задачи А) определить мощность, конечное давление и разделительное давление Рр турбины ГеоТЭС, которая включена по схеме 2.

 

 

Рис. 3. Схема ГеоТЭС с внутритурбинной сепарацией (схема 2)

 

 

В). Для тех же условий работы определить мощность и Рк турбины, включенной по схеме 3, Dt = 20К.

 

 

Рис. 4. Схема ГеоТЭС с промперегревом (схема 3)

 

Г) При тех же исходных данных определить Wэ турбины двух давлений, хс=1. Схема на рис.4.

 

 

Рис. 5. Схема ГеоТЭС двух давлений (схема 4)

 

Д). При тех же условиях работы определить Wэ турбины двух давлений, включенной по схеме 5, Dt = 20К.

 

 

Полученные результаты расчетов Wэ, Рр, Рк для всех пяти схем свести в таблицу.

Е). Дать письменные ответы на вопросы в соответствии с таблицей 2.

Таблица 2

 

  Последняя цифра шифра студента  
                       
  Номер вопроса 1,11, 21,31, 2,12, 22,32, 3,13, 23,33, 4,14, 24,34, 5,15, 25,35, 6,16, 26,36, 7,17, 27,37, 8,18, 28,38, 9,19, 29,39, 10,20, 30,40,
                                       

 

Методические указания к выполнению контрольной работы

Для каждого типа схемы ГеоТЭС следует построить процесс расширения пара в турбине насыщенного пара в H-S –диаграмме. Процесс расширения привести в письменной работе.

 

Предостережение

Поскольку предельная влажность в турбине не может превышать 12%, то и процесс в турбине должен заканчиваться при хк ³ 0,88.


При подготовке ответов ответе на вопросы следует пользоваться не только рекомендуемой литературой, но и журнальными статьями.







Date: 2015-05-22; view: 468; Нарушение авторских прав



mydocx.ru - 2015-2026 year. (0.879 sec.) Все материалы представленные на сайте исключительно с целью ознакомления читателями и не преследуют коммерческих целей или нарушение авторских прав - Пожаловаться на публикацию