Главная Случайная страница


Полезное:

Как сделать разговор полезным и приятным Как сделать объемную звезду своими руками Как сделать то, что делать не хочется? Как сделать погремушку Как сделать так чтобы женщины сами знакомились с вами Как сделать идею коммерческой Как сделать хорошую растяжку ног? Как сделать наш разум здоровым? Как сделать, чтобы люди обманывали меньше Вопрос 4. Как сделать так, чтобы вас уважали и ценили? Как сделать лучше себе и другим людям Как сделать свидание интересным?


Категории:

АрхитектураАстрономияБиологияГеографияГеологияИнформатикаИскусствоИсторияКулинарияКультураМаркетингМатематикаМедицинаМенеджментОхрана трудаПравоПроизводствоПсихологияРелигияСоциологияСпортТехникаФизикаФилософияХимияЭкологияЭкономикаЭлектроника






Методы изучения колебательных движений





Для изучения колебательных движений используются различные методы: геодезический, исторический, геоморфологический, геологический.

Геодезические измерения позволяют изучать те колебательные движения коры, которые происходят сейчас. Исторический метод основан на использовании исторических памятников или свидетельств, которые указывают на то, что когда-то раньше, в течение исторического времени, высота того или иного участка над уровнем моря отличалась от современной. Геоморфологический метод состоит в использовании форм современного рельефа для восстановления истории тех вертикальных движений земной коры, которые участвовали в его образовании. Поскольку современный рельеф земной поверхности образовывался преимущественно в неоген-четвертичное время, эти методы пригодны для изучения колебательных движений, приуроченных к этим двум самым молодым геологическим периодам. Геологические методы включают изучение осадочных толщ, в составе и мощности которых отразились опускания и поднятия коры.

Колебательные движения по возрасту делят на три категории: современные, новейшие и древние.

Современные колебательные движения. В 1620 г. в глубине Ботнического залива была построена гавань Торнео. Через сто лет она настолько обмелела, что стала непригодной для использования. Обмеление идёт вокруг всей Скандинавии. Скорость падения уровня воды близка к 1 см/год (т.е. идёт поднятие, воздымание суши).

Жители прибрежных районов Голландии, начиная с X-XI вв. строят и надстраивают дамбы. Здесь опускание территории происходит со скоростью 0,25 см/год. В течение последних столетий опускание ускорилось до 0,7 см/год.

В Сухумской бухте найдены значительные постройки древнегреческой колонии Диоскурии. В Северной Италии старые мостовые в г. Равенна (Адриатическое побережье) погружены на 45 см в море за первую половину XX столетия.

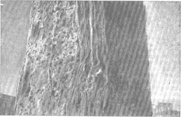
Следы переодического затопления и осушения морем ясно видны на колоннах древнеримского сооружения (II в. до н.э.) в г. Поццуоли (близ Неаполя).

Археологические раскопки на Херсонесе в Крыму также свидетельствуют о переодических затоплениях в VI-V вв. до н.э., в I в. до н.э. – I в. н.э., IV-V вв.; X-XI вв. продолжительность одного цикла колебательных движений равнялось 5-6 векам.

Наиболее точно измеряются современные колебательные движения с помощью геодезических приборов и методов. К таковым относятся водомеры (мореографы, фудштоки), повторное нивелирование, наклономеры.

Водомеры используются преимущественно на берегах морей. Сотни их установлены вдоль побережий континентов. Уже с 1649 г. был установлен водомерный прибор на берегу Ботнического залива в г. Ратан, через сто лет такой же прибор начал работать в г. Питео.

Наиболее универсальный метод – повторное нивелирование. Выполняется в любых районах. Надёжные результаты получаются через 10-20 лет.

 

    Рис. 7.2. Следы периодического затопления. Пицуоли.   Рис. 7.3. Периодически затопляемые морем колонны древнего Херсонеса.

 

По результатам сравнения нивелировок с 1913 по 1932 г. с нивелировками 1945-1950 г. Ю.А. Мещеряков составил карту современных движений европейской части СССР. В дальнейшем такие карты совершенствовались. По ним отмечалось, что Подмосковный бассейн опускается. В Главном Кавказском хребте идёт подъём до 10-12 мм/год. В Карпатах также наблюдается подъём. Большие скорости современного поднятия (около 1 см/год) наблюдаются в областях последнего покровного оледенения (Балтийский и Канадский щиты).

В 70% наблюдается совпадение современных движений и древних движений, в 30% современные движения «наложены» на древние.

Новейшие колебательные движения. Они явились причиной формирования крупных черт современного рельефа: материков, хребтов, впадин, равнин (поздний миоцен).

Длительность этих движений – неоген и четвертичный период (10-15 млн. лет).

Для изучения этой категории движений используются геоморфологический и геологический методы.

Геологический метод: осадки в областях опускания накапливаются постепенно, слой за слоем, по мере того, как развивается прогибание. Мощность накопленных осадков обычно близка амплитуде прогибания и может быть использована для измерения последней.

Чередование эпох усиления и ослабления эрозии отражается на склонах поднятий образованием террас. Оно выражено в областях прогибания чередованием слоёв с более и менее грубыми осадками.

На материках нет участков которые бы были свободны от новейших движений.

Академик В.А. Обручев в одной из своих работ предложил назвать современные движения «неотектоникой».

 







Date: 2015-05-19; view: 1833; Нарушение авторских прав



mydocx.ru - 2015-2026 year. (0.389 sec.) Все материалы представленные на сайте исключительно с целью ознакомления читателями и не преследуют коммерческих целей или нарушение авторских прав - Пожаловаться на публикацию