Главная Случайная страница


Полезное:

Как сделать разговор полезным и приятным Как сделать объемную звезду своими руками Как сделать то, что делать не хочется? Как сделать погремушку Как сделать так чтобы женщины сами знакомились с вами Как сделать идею коммерческой Как сделать хорошую растяжку ног? Как сделать наш разум здоровым? Как сделать, чтобы люди обманывали меньше Вопрос 4. Как сделать так, чтобы вас уважали и ценили? Как сделать лучше себе и другим людям Как сделать свидание интересным?


Категории:

АрхитектураАстрономияБиологияГеографияГеологияИнформатикаИскусствоИсторияКулинарияКультураМаркетингМатематикаМедицинаМенеджментОхрана трудаПравоПроизводствоПсихологияРелигияСоциологияСпортТехникаФизикаФилософияХимияЭкологияЭкономикаЭлектроника






Исходные данные для построения карт охвата вытеснением многопластового объекта





Как было показано, при разработке много­пластового эксплуатационного объекта обеспечение доста­точно полного охвата пластов процессом вытеснения пред­ставляет более сложную задачу, чем при разработке однопластового объекта.

Значительные трудности представляет и количественная оценка фактического охвата многопластового объекта про­цессом вытеснения. Как уже отмечалось, для этого необхо­димо определить для каждого пласта в отдельности и затем перейти к оценке этого показателя для объекта в це­лом. Однако показатели работ скважин в этих условиях от­ражают работу какой-то суммы пластов — всех пластов объ­екта или их части, обычно неизвестно какой. Следовательно, показатели работы скважины в целом в подавляющем большинстве не могут быть использованы для характеристики охвата разработкой отдельных пластов.

В связи с этим при изучении охвата вытеснением много­пластового объекта необходимо использовать всевозможные наблюдения в возможно большем количестве скважин, отно­сительно равномерно размещенных по площади объекта, ко­торые при комплексном использовании позволяют получить дифференцированную оценку работы пластов.

В первую очередь необходимо организовать систематичес­кие наблюдения за работой тех нагнетательных и добываю­щих скважин, в которых вскрыт перфорацией только один из пластов (в связи с отсутствием в разрезе скважины других пластов-коллекторов, расположением скважины в зоне ВНК, где нижние пласты водоносны, и т.д., а также наличием спе­циально подготовленных для контроля за работой отдельных пластов). Таких скважин бывает немного, но они дают наи­более надежную информацию и поэтому на протяжении все­го периода разработки должны находиться в центре внима­ния промыслового геолога.

В скважинах, как нагнетательных, так и добывающих, в которых перфорацией вскрыты два пласта или более, долж­ны проводиться глубинные исследования, главная цель кото­рых — выявить работающие и бездействующие пласты и дать количественную оценку показателей эксплуатации каж­дого из работающих пластов. Поскольку охват залежи вы­теснением обеспечивается за счет нагнетания воды, в первую очередь выявляются и оцениваются пласты, принимающие воду в нагнетательных скважинах, затем (или параллельно) ведут соответствующие исследования пластов в добывающих скважинах. Ниже дается краткая характеристика методов исследования скважин, с помощью которых решается эта задача.

Метод радиоактивных изотопов. Для выявления пластов, принимающих воду в нагнетательных скважинах, одним из первых стали использовать метод радиоактивных изотопов. В нагнетаемую воду добавляют радиоактивное вещество, часть которого адсорбируется на породе принимающих ее пластов. В результате на диаграммах гамма-каротажа, снятых после закачки изотопов, эти пласты выделяются резкими радиоак­тивными аномалиями. Сравнивая диаграммы гамма-каротажа, снятые до и после закачки изотопов, можно с большой сте­пенью надежности выделять такие пласты.

На рис. 96 приведены результаты исследования методом изотопов одной из нагнетательных скважин Ромашкинского месторождения. В скважине перфорированы четыре продук­тивных пласта, в которые производится совместная закачка воды. На диаграмме гамма-каротажа видно, что воду прини­мают только два из этих пластов — верхний и нижний, в то же время в связи с некачественным цементированием колон­ны часть воды поступает в два нижезалегающих, частично или полностью водоносных неперфорированных пласта (такие нежелательные случаи не единичны, и их выявление позволяет устранять непроизводительную закачку воды).

 

Рис. 96. Результаты исследования нагнетательной скважины радиоактивны­ми изотопами.

Пласты: 1 — работающие, 2 — неработающие; 3 — интервал перфорации

 

По тому же принципу принимающие воду пласты можно выделять путем закачки вместе с водой веществ, обладающих аномально высоким сечением захвата тепловых нейтронов и фиксируемых в пластах методом импульсного нейтронного каротажа.

Недостаток метода заключается в том, что он, обеспечивая качественную картину, количественного выражения приемис­тости пластов не дает. Поэтому, а главное в интересах охра­ны недр, метод радиоактивных изотопов на практике широ­кого применения не наплел.

Метод механической потокометрии. Работу пластов в на­гнетательных и добывающих скважинах изучают с помощью глубинных расходомеров-дебитомеров, фиксирующих скорость потока по стволу скважины. Основной узел прибо­ра — датчик турбинного типа (вертушка), реже поплавково­го, дискового или других типов. Частота вращения вертушки пропорциональна расходу жидкости, проходящей через сече­ние скважины в точке установки прибора. Перемещая при­бор по стволу скважины и замеряя частоту вращения вер­тушки, устанавливают количество жидкости, перемещающей­ся на разных глубинах. Данные замеров представляются в виде интегральных кривых, показывающих изменение по глубине ствола скважины суммарного дебита (расхода), или в виде дифференциальных профилей притока (расхода), пока­зывающих дебиты (приемистость) каждого пласта.


На рис. 97 показан профиль притока по добывающей скважине, в которой перфорированы три пласта. В этой скважине дебитомер фиксирует приток жидкости только из двух верхних пластов. Дебит верхнего пласта составляет око­ло 52 м3/сут, в том числе из самой верхней его части посту­пает примерно 5, из средней части 15, из нижней около 32 м3/сут. Средний пласт работает с дебитом около 47 м3/сут, в том числе из его верхней части поступает приблизительно 20 м3/сут, из нижней около 27 м3/сут, а из средней части приток не фиксируется.

На рис. 98 приведен профиль приемистости нагнетатель­ной скважины, в которой перфорированы три пласта. Из них воду принимает только нижний, наиболее мощный вы­сокопроницаемый пласт. Суммарная приемистость его около 500 м3/сут, причем по толщине она неравномерна.

Метод механической потокометрии применяется весьма широко на практике.

 

 

 

Рис. 97. Профиль притока в добывающей скважине по данным исследова­ния глубинным дебитомером. Условные обозначения см. на рис. 96

 

Рис. 98. Профиль приемистости нагнетательной скважины по данным исследования глубинным расходомером.

Условные обозначения см. на рис. 96

Метод термокондуктивной потокометрии. Он основан на зависимости температуры специального датчика глубинного прибора от скорости проходящего потока жидкости. Термо­датчиком служит резистор, нагреваемый током до температуры выше окружающей среды.

Результаты измерений в скважинах, проводимых термокондуктивными дебитомерами-расходомерами, также пред­ставляются обычно в виде кривых, характеризующих про­филь притока (расхода) в интервале продуктивного разреза скважины.

Этот метод в отличие от метода механической потокомет­рии менее точен. Его можно использовать главным образом для качественных оценок, т.е. для выделения работающих и неработающих пластов.

При использовании методов механической и термокондук­тивной потокометрии необходимо учитывать, что выделяе­мые ими интервалы часто оказываются меньше фактически работающей толщины пласта. Этот факт установлен на ос­новании многочисленных прямых и косвенных наблюдений. Так, коэффициент охвата для горизонта Д1 Ромашкинского месторождения, определяемый в соответствии с работающей толщиной, полученной по данным потокометрии, оказался меньше заводненной части горизонта, где охваченный вы­теснением (т.е. уже заводненный!) объем надежно выделен другими методами.

Занижение глубинными дебитомерами-расходомерами ра­ботающей толщины пластов связано с недостаточной чувствительностью приборов, а также с неучетом ими особеннос­тей потоков жидкости между скважинами.


Из сказанного следует, что данные дебитометрии-расходометрии следует использовать в комплексе с другими данными.

С помощью информации, получаемой методом потокометрии, можно надежно определять, какие из перфорирован­ных пластов не включены в работу в данной скважине и ка­ков дебит (приемистость) каждого пласта, работающего в скважине.

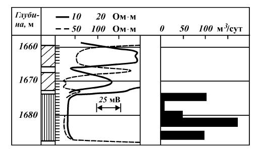
Термометрический метод. Использование метода предус­матривает снятие температурных кривых в продуктивной части разреза, что позволяет выделять работающие и нерабо­тающие пласты. Особенно результативен он в нагнетатель­ных скважинах.

В стволе действующей нагнетательной скважины устанав­ливается наведенный тепловой режим, отличающийся от при­родного, и температурная кривая приобретает вид почти вер­тикальной линии с характерным изломом против подошвы нижнего поглощающего пласта. После прекращения закачки против не принимающих воду интервалов разреза происхо­дит быстрое восстановление температуры, против поглоща­ющих интервалов температура длительное время остается сниженной. На температурной кривой, снятой при остановке скважины, поглощающие пласты четко фиксируются отрица­тельными аномалиями температуры.

На рис. 99 приведена термограмма нагнетательной скважины, снятая через некоторое время после прекращения за­качки. На термограмме видно, что из трех перфорированных пластов в скважине воду принимает только один — средний.

 

Выделение работающих пластов по термограммам в добы­вающих скважинах, полученным при их работе, менее на­дежно, так как распределение температуры по стволу сква­жины определяется рядом факторов: дроссельным эффектом, калориметрическим смешиванием жидкости, поступающей в скважину из пластов с разной температурой, теплообменом восходящего потока с окружающими ствол скважины гор­ными породами.

Термограмма действующей скважины с одним работаю­щим пластом имеет простой вид: против подошвы работаю­щего пласта за счет проявления дроссельного эффекта на­блюдается сдвиг температурной кривой Т на величину по сравнению с естественной геотермой То (рис. 100). Кровля работающего пласта на термограмме не выделяется.


В добывающей скважине с несколькими работающими пластами поступление жидкости из верхних пластов отмеча­ется скачкообразным изменением угла наклона термограммы к оси глубин, связанным с калориметрическим смешиванием двух потоков жидкости (восходящего и притекающего из пластов) (рис. 101).

Метод фотоколориметрии нефти. Основан метод на опре­делении коэффициента светопоглощения нефти , который зависит от содержания в нефти окрашенных веществ (смол и асфальтенов). нефти определяют путем исследования про­бы нефти, отобранной на устье скважины, с помощью фо­токолориметрии. Обычно его значение изменяется в доста­точно широких пределах по площади залежи и по толщине горизонта: из скважин добывается "меченая" нефть, имею­щая определенные свойства в каждой точке пласта.


 


Рис. 100. Проявление дроссельного эффекта на термограмме действующей добывающей скважине: 1 – интервал перфорации, Т0 – геотерма, Г – термограмма.

 

 

Рис. 101. Термограмма дейст­вующей добывающей сква­жины с дроссельным эффектом против нижнего пласта и эффектом калориметрическо­го смешивания жидкости против двух верхних плас­тов.

Условные обозначения см. на рис. 100

 


Значение увеличивается от свода к периферии залежи и от кровли к подошве пласта. Так, нефти горизонта Д1 Бавлинского месторождения возрастает от 192 ед. в присводовой части залежи до 450 ед. вблизи внешнего контура неф­теносности. В процессе разработки этого однопластового относительно монолитного эксплуатационного объекта с применением законтурного заводнения происходит стягива­ние контуров нефтеносности. В результате нефть из перифе­рийных частей залежи перемещается к скважинам внутрен­них ее частей. Соответственно добываемой из этих сква­жин нефти возрастает.

Периодически строя карты значений нефти в изолини­ях и сопоставляя их, можно судить о направлении линий то­ка жидкости в пласте и скорости ее движения.

Многопластовые объекты нередко характеризуются рез­ким изменением значений нефти по разрезу, в результа­те чего пласты или группы пластов имеют разные диапазоны значений . Так, в пласте Б1 на Западно-Сургутском место­рождении в Западной Сибири нефти изменяется от 300 до 543 ед., а в разрабатываемом совместно с ним пласте Б10 — в диапазоне 120 — 310 ед.

Учитывая резкое различие нефтей разных пластов, по значению нефти, получаемой из скважины, можно судить, какие пласты в ней работают на дату замера.

При точно установленных закономерностях изменения нефти по толщине объекта разработки и по площади каждо­го пласта молено рассчитать количественное распределение дебита скважины между совместно работающими пластами. Так, при двухпластовом объекте доли пластов в общем деби­те скважины соответственно равны:

(XIV. 8)

где , — относительные дебиты соответственно первого и второго пластов; Ксп1, Ксп2 — значения нефти соответст­венно первого и второго пластов; — смеси нефти двух пластов, полученной из скважины.

Кроме описанных выше методов, для выделения работа­ющих и неработающих пластов могут привлекаться и другие виды исследования, такие, как нейтронный каротаж: резистивиметрия и т.п. Выделение неработающих пластов ней­тронными методами основано на том, что в их призабойной зоне остается фильтрат промывочной жидкости, попавшей при бурении или при ремонте скважин, и на диаграммах ме­тодов НГМ —ННМт они выделяются как водоносные. Если скважина дает безводную нефть, значит, эти пласты не участвуют в работе скважины.

Рис. 102. Определение неработающих пластов в добывающей скважине по данным комплекса НГМ-ННМт.

Условные обозначения см. на рис. 96

 

 

На рис. 102 приведен пример выделения работающих и неработающих пластов в безводной эксплуатационной сква­жине нейтронными методами. Здесь верхние три прослоя по комплексу НГМ —ННМт выделяются как нефтеносные, сле­довательно, они работают. Нижний, нефтеносный по данным электрометрии, перфорированный пласт, видимо, не работа­ет, так как на диаграммах радиометрии он выделяется как водоносный. Поскольку скважина работает безводной неф­тью, можно полагать, что этот пласт загрязнен фильтратом раствора, а это в свою очередь указывает на то, что приток из него не вызван.

Как уже указывалось, важную информацию о степени ох­вата пласта процессом вытеснения дают данные о пластовом давлении. Однако в условиях совместной работы пластов в скважине фиксируется давление, соответствующее наиболее активно работающему пласту. Данные о пластовом давлении в каждом из пластов можно получить косвенным способом — путем исследования скважины методом установившихся от­боров с определением дебита пластов глубинным потокомером и замером забойного давления, общего для всех пластов. Построение по этим данным индикаторных диаграмм и экс­траполяция их до оси давлений позволяют найти значения пластового давления для каждого пласта в отдельности (см. § 4 главы XIII).

Для построения карт охвата пластов многопластового объ­екта воздействием проводят систематизацию и обобщение в комплексе всей имеющейся промыслово-геологической ин­формации об особенностях геологического строения объекта разработки, применяемой системы разработки, о работе каждого пласта в скважинах, взаимодействии добывающих и нагнетательных скважин.

Обобщение данных проводят примерно в такой последо­вательности.

Вначале обобщают все данные о строении объекта разра­ботки: для каждого пласта многопластового объекта строят карты, характеризующие его макро- и микронеоднородность по площади, — карты распространения коллекторов в целом и коллекторов разных типов. Эти карты используются в ка­честве геологической основы для анализа.

Затем обобщают все имеющиеся данные о работе пластов в каждой действующей нагнетательной и добывающей сква­жине: выделяют работающие и неработающие пласты, опре­деляют приемистость и дебиты работающих пластов.

При обобщении информации о работе пластов полезно разделить ее по степени надежности на несколько групп.

К группе самых достоверных данных следует относить информацию, полученную по скважинам, в которых перфо­рирован только один пласт. В этом случае все данные о ра­боте скважины (дебит или приемистость, обводненность, пластовое давление, газовый фактор и др.) соответствуют данным о работе именно этого пласта. Обработка такой ин­формации наиболее проста и не требует специальных при­емов.

Ко второй группе данных, менее достоверных, следует от­носить информацию по скважинам, в которых перфориро­вано два-три пласта или более, но работает только один пласт. В этом случае дебит (приемистость), замеренный на поверхности, а также пластовое давление могут быть отнесе­ны только к работающему пласту. Достоверность материалов этой группы зависит от степени надежности доказательств того, что в данной скважине действительно работает только один конкретный пласт. Прямыми доказательствами служат данные глубинной потокометрии, термометрии, нефти и др.

При большом фонде скважин, при механизированной эксплуатации и т.д. количество таких доказательств часто оказывается ограниченным. В таких случаях привлекают кос­венные данные. Скважины, в которых охвачен вытеснением лишь один из перфорированных пластов, могут быть доста­точно надежно выделены путем тщательного сопоставления перфорированных пластов в нагнетательных и ближайших добывающих скважинах и изучения характера их взаимодей­ствия. При этом исходят из следующих рассуждений. Допус­тим, в нагнетательной и ближайшей добывающей скважине в связи с макронеоднородностью перфорированы одноимен­ный пласт и по одному разноименному пласту. При явной реакции добывающей скважины на закачку воды можно уве­ренно считать, что в нагнетательной скважине воду принима­ет (т.е. в районе этой скважины охвачен вытеснением) пласт, имеющийся в обеих скважинах. При значительной приемис­тости нагнетательной скважины, но при отсутствии влияния на добывающую скважину (если нет оснований для предпо­ложения о наличии литологического или другого экрана меж­ду скважинами) можно сделать вывод о том, что в нагнета­тельной скважине воду принимает лишь пласт, отсутствую­щий в рассматриваемой добывающей скважине.

Поясним изложенный методический прием на конкретном более сложном примере (рис. 103). Закачка воды ведется через скв. 2, в которой перфорированы пласты, а, б, в и д. В соседней добывающей скв. 1, которая устойчиво фонтаниру­ет при неизменном пластовом давлении, перфорированы три идентичных интервала — пласты а, б и в, а также пласт г, отсутствующий в нагнетательной скв. 2. В этом случае молено уверенно сказать, что в скв. 2 воду принимает один или не­сколько из пластов а, б и в, но какой из них (или какие), неизвестно. В другой эксплуатационной скв. 3 перфорирова­ны пласты а, б, г и д. Скв. 3 на закачку воды в скв. 2 не реа­гирует (прекратила фонтанирование, пластовое давление снижено). Следовательно, в нагнетательной скв. 2 воду при­нимает лишь пласт, в котором и взаимодействуют скв. 2 и 1. Остальные пласты в районе этих скважин процессом вытес­нения не охвачены — пласты а, б, д в связи с тем, что они не принимают воду, а пласт г потому, что он отсутствует в разрезе нагнетательной скважины.

 


Рис. 103. Выделение работающих пластов по взаимодействию скважин:

А — работает только пласт в; А — работает только пласт г; пласты: 1 — перфорированные, 2 — работающие, 3 — неработающие; скважины: 4 — нагнетательные, 5 — добывающие, хорошо реагирующие на закачку, 6 — добывающие, не реагирующие на закачку; а —д — индексы пластов

 

 

В другом примере (рис. 103, ■) в нагнетательной скв. 5 перфорированы пласты а, б и г. В добывающей скв. 4 пер­форированы пласты а и б, а также пласт д; в добывающей скв. 6 — пласты а и г, а также пласт в. Если из этих двух добывающих скважин на закачку воды реагирует только скв. 6, то воду принимает пласт г. Подбирая таким путем добы­вающие скважины с разными перфорированными пластами и анализируя их взаимодействие с нагнетательными, можно выявить скважины, в которых работает только один пласт, и использовать данные о работе скважины в целом для характеристики этого пласта.

К третьей группе данных следует относить информацию по наиболее значительным по размерам участкам эксплуата­ционного объекта, где одновременно работают два или не­сколько пластов. Эта информация в целом оказывается наи­менее достоверной вследствие недостаточного количества ис­следованных скважин, а также из-за погрешностей в измере­ниях.

Для выделения работающих пластов и распределения деби­та (приемистости) между ними следует использовать все пря­мые и косвенные данные. В первую очередь анализируют все имеющиеся данные исследования пластов в скважинах. На участках, не имеющих информации, но прилегающих к ис­следованным скважинам с несколькими работающими плас­тами и к участкам, освещенным информацией первой и вто­рой групп, применяют косвенный прием, используемый для выделения одного работающего пласта, но позволяющий вы­делить здесь два и более одновременно работающих пласта. При распределении дебита (приемистости) между пластами учитывают соотношение значений толщины и проницаемос­ти пластов в каждой рассматриваемой скважине. Правиль­ность распределения оценивают, сравнивая анализируемую часть участка с другими его частями с близкой характеристи­кой, хорошо освещенными глубинными исследованиями, и при необходимости вносят коррективы.

Всю информацию о работе каждого пласта в добывающих и нагнетательных скважинах наносят на карты распростра­нения коллекторов. Затем по аналогии с однопластовым объ­ектом в пределах каждого пласта многопластового объекта выделяют зоны, охваченные и не охваченные процессом вы­теснения.


Глава XV КОНТРОЛЬ ВНЕДРЕНИЯ НАГНЕТАЕМОЙ ВОДЫ В ПРОДУКТИВНЫЕ ПЛАСТЫ







Date: 2015-04-23; view: 2407; Нарушение авторских прав



mydocx.ru - 2015-2026 year. (0.341 sec.) Все материалы представленные на сайте исключительно с целью ознакомления читателями и не преследуют коммерческих целей или нарушение авторских прав - Пожаловаться на публикацию