Главная Случайная страница


Полезное:

Как сделать разговор полезным и приятным Как сделать объемную звезду своими руками Как сделать то, что делать не хочется? Как сделать погремушку Как сделать так чтобы женщины сами знакомились с вами Как сделать идею коммерческой Как сделать хорошую растяжку ног? Как сделать наш разум здоровым? Как сделать, чтобы люди обманывали меньше Вопрос 4. Как сделать так, чтобы вас уважали и ценили? Как сделать лучше себе и другим людям Как сделать свидание интересным?


Категории:

АрхитектураАстрономияБиологияГеографияГеологияИнформатикаИскусствоИсторияКулинарияКультураМаркетингМатематикаМедицинаМенеджментОхрана трудаПравоПроизводствоПсихологияРелигияСоциологияСпортТехникаФизикаФилософияХимияЭкологияЭкономикаЭлектроника






Явление внешнего фотоэффекта





Внешним фотоэффектом, называется испускание электронов веществом под действием света. Это явление было открыто Г. Герцем в 1887 г. Он заметил, что если один из шариков разрядника осветить ультрафиолетовыми лучами, то искра проскакивает между шариками при меньшем напряжении, чем при отсутствии ультрафиолетового излучения.

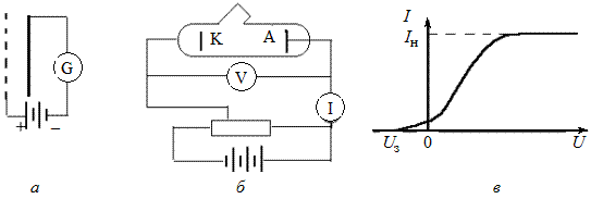
В 1888–1889 гг. А. Г. Столетов провел систематическое исследование явления внешнего фотоэффекта. Исследования выполнялись на установке, схема которой показана на рис 5.1, а. Свет, проходя через сетку, падал на сплошную металлическую пластину. В результате в цепи возникал ток, который регистрировался гальванометром.

Рис. 5.1

На основе полученных экспериментальных результатов Столетов сделал следующие выводы: 1) эффект наблюдается под действием ультрафиолетового излучения; 2) сила тока возрастает с увеличением освещенности пластины; 3) испускаемые под действием света частицы имеют отрицательный заряд.

Спустя 10 лет Ленард и Дж. Дж. Томсон, измерив заряд испускаемых под действием света частиц, установили, что это электроны. Установка была усовершенствована (рис. 5, б). Полученная вольт-амперная характеристика приведена на рис. 5, в. Зависимость тока от напряжения нелинейная, и при некотором напряжении фототок достигает насыщения, т. е. все электроны, испущенные катодом, попадают на анод. Следовательно, сила тока насыщения определяется количеством электронов, испускаемых катодом в единицу времени под действием света.

Пологий ход кривой указывает на то, что электроны вылетают из катода с различными скоростями. Часть электронов, которые определяют силу тока при U = 0, обладают скоростями достаточными для того, чтобы долететь до анода без помощи ускоряющего поля. Для снижения силы тока до нуля необходимо приложить задерживающее напряжение . При таком напряжении ни одному из электронов, даже обладающему при вылете из катода наибольшей скоростью , не удается преодолеть задерживающее поле и достичь анода. Поэтому можно записать:

, (5.1)

где – масса электрона. Таким образом, измерив задерживающее напряжение , можно определить максимальную скорость фотоэлектронов.

К 1905 г. было выяснено, что максимальная скорость фотоэлектронов не зависит от интенсивности света, а зависит только от его частоты – увеличение частоты приводит к возрастанию скорости. Установленные экспериментально зависимости не укладывались в рамки классических представлений. Например, по классическим понятиям, скорость фотоэлектронов должна возрастать с интенсивностью падающего света.

В 1905 г. Альберт Эйнштейн показал, что все закономерности фотоэффекта можно объяснить, если предположить, что свет поглощается такими же порциями (квантами), какими он, по предположению Планка, испускается. Энергия, полученная электроном, доставляется ему в виде кванта h n. Часть этой энергии, равная работе выхода А, затрачивается на то, чтобы электрон мог покинуть тело. Напомним, что работой выхода называется наименьшая энергия, которую необходимо сообщить электрону для того, чтобы удалить его из твердого тела в вакуум. Если электрон освобождается светом не у самой поверхности, а на некоторой глубине, то часть энергии, равная , может быть потеряна вследствие случайных столкновений в веществе. Остаток энергии есть кинетическая энергия электрона, покинувшего вещество. Энергия будет максимальна, если . В этом случае выполняется соотношение

, (5.2)

которое называется формулой Эйнштейна.

Из формулы (5.2) вытекает, что в случае, когда работа выхода А превышает энергию кванта h n, электроны не могут покинуть металл. Следовательно, для возникновения фотоэффекта необходимо выполнение условия h n ³ A или ; , или для длины волны

.

Частота () или длина волны называется красной границей фотоэффекта.

Число высвобождаемых вследствие фотоэффекта электронов пропорционально числу падающих на поверхность квантов света. Вместе с тем, световой поток Ф определяется количеством квантов света, падающих на поверхность в единицу времени. В соответствии с этим ток насыщения пропорционален падающему световому потоку: ~ Ф. Эта зависимость также подтверждается экспериментально. Заметим, что лишь малая часть квантов передает свою энергию фотоэлектронам. Энергия остальных квантов затрачивается на нагревание вещества, поглощающего свет.

 







Date: 2015-05-18; view: 1212; Нарушение авторских прав



mydocx.ru - 2015-2026 year. (0.528 sec.) Все материалы представленные на сайте исключительно с целью ознакомления читателями и не преследуют коммерческих целей или нарушение авторских прав - Пожаловаться на публикацию