Главная Случайная страница


Полезное:

Как сделать разговор полезным и приятным Как сделать объемную звезду своими руками Как сделать то, что делать не хочется? Как сделать погремушку Как сделать так чтобы женщины сами знакомились с вами Как сделать идею коммерческой Как сделать хорошую растяжку ног? Как сделать наш разум здоровым? Как сделать, чтобы люди обманывали меньше Вопрос 4. Как сделать так, чтобы вас уважали и ценили? Как сделать лучше себе и другим людям Как сделать свидание интересным?


Категории:

АрхитектураАстрономияБиологияГеографияГеологияИнформатикаИскусствоИсторияКулинарияКультураМаркетингМатематикаМедицинаМенеджментОхрана трудаПравоПроизводствоПсихологияРелигияСоциологияСпортТехникаФизикаФилософияХимияЭкологияЭкономикаЭлектроника






Описание лабораторного стенда и измерительного комплекса





На рисунке 11 представлена электрическая схема лабораторной установки, а на рисунке 12 – ее общий вид. В лабораторный стенд входят (рис.12):

– электромагнит постоянного тока с наборными полюсами, ярмом, полюсными наконечниками и обмотки, состоящей из двух одинаковых последовательно соединенных катушек (рис. 1); суммарное число витков обмотки ; размеры магнитной системы электромагнита постоянного тока соответствуют размерам расчетной модели, построенной в комплексе программ ;

– выпрямитель для получения постоянного тока в обмотке электромагнита;

Измерительная часть включает в себя:

– амперметр для измерения тока в обмотке электромагнита;

– миллитесламетр типа ЭМ4305, предназначенный для измерения постоянных значений индукции магнитного поля;

– датчик Холла, представляющий собой тонкую полупроводниковую пластину малых размеров (рис.13), расположенную на конце длинной тонкой диэлектрической полоски и помещенную в точку измерения магнитной индукции.

 

 

Рис. 11. Электрическая схема лабораторной установки: 1 - выпрямитель;

2 – электромагнит постоянного тока с двумя полюсными наконечниками

 

 

Рис. 12. Внешний вид лабораторного стенда: 1 – межполюсный зазор; 2 - электромагнит;

3- датчик Холла; 4 – миллитесламетр; 5 – выпрямитель

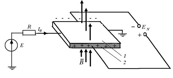
Эффект Холла заключается в следующем (рис. 13). По тонкой пластине полупроводникового материала протекает ток . При наличии магнитного поля на движущиеся носители заряда (электроны) действует сила Лоренца. Эта сила искривляет траекторию движения электронов, что приводит к перераспределению объемных зарядов в полупроводниковой пластине. Вследствие этого на краях пластины, параллельных протеканию тока возникает ЭДС , называемая ЭДС Холла. Эта ЭДС пропорциональна векторному произведению магнитной индукции на плотность тока. В качестве материала для датчика Холла применяют полупроводники - кремний, арсенид галлия и др. Для прямоугольной полупроводниковой пластины с током , находящейся в однородном магнитном поле, ЭДС Холла равна

(8)

где – постоянная Холла, зависящая от размеров и свойств полупроводниковой пластины;

– магнитная индукция, пронизывающая пластину в исследуемой точке.

 

 

Рис. 13. Иллюстрация эффекта Холла: 1 – полупроводниковая тонкая пластина, расположенная перпендикулярно силовым линиям поля вектора магнитной индукции ; 2 – боковые металлизированные грани: - источник постоянного напряжения; - токоограничивающее сопротивление

 







Date: 2015-05-18; view: 704; Нарушение авторских прав



mydocx.ru - 2015-2026 year. (1.437 sec.) Все материалы представленные на сайте исключительно с целью ознакомления читателями и не преследуют коммерческих целей или нарушение авторских прав - Пожаловаться на публикацию