Главная Случайная страница


Полезное:

Как сделать разговор полезным и приятным Как сделать объемную звезду своими руками Как сделать то, что делать не хочется? Как сделать погремушку Как сделать так чтобы женщины сами знакомились с вами Как сделать идею коммерческой Как сделать хорошую растяжку ног? Как сделать наш разум здоровым? Как сделать, чтобы люди обманывали меньше Вопрос 4. Как сделать так, чтобы вас уважали и ценили? Как сделать лучше себе и другим людям Как сделать свидание интересным?


Категории:

АрхитектураАстрономияБиологияГеографияГеологияИнформатикаИскусствоИсторияКулинарияКультураМаркетингМатематикаМедицинаМенеджментОхрана трудаПравоПроизводствоПсихологияРелигияСоциологияСпортТехникаФизикаФилософияХимияЭкологияЭкономикаЭлектроника






Лабораторная работа №8





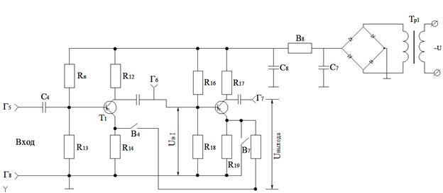
Исследование полупроводникового усилителя с резистивно-емкостной связью.

Цель работы: изучение работы схемы и определение основных технических показателей усилителя низкой частоты на транзисторе амплитудных и частотных характеристик, снятых с обратной положительной связью и без нее.

Прежде чем проводить испытание усилителя, к нему присоединяются необходимые радиоизмерительные приборы.

Далее все элементы схемы включаются в сеть и стабилизируются в течение 5-10 мин., после чего можно приступить к проведению эксперимента.

Снятие амплитудной характеристики.

Амплитудная хар-ка без обратной связи. Uвых = f (Uвх) при fвх = 1кГц = const
Uвх мВ              
Uвых 1 каскада В              
Uвых усилителя В              
Амплитудная хар-ка c обратной связью. Uвых = f (Uвх) при fвх = 1кГц = const
Uвх мВ          
Uвых 1 каскада В          
Uвых усилителя В          

Измерить напряжения на гнездах Г6 и Г7 с помощью вольтметра ЛВ2. Изменяя амплитуду входного сигнала в пределах 1-10 мВ измерить напряжения на выходах первого и второго каскадов.

 







Date: 2015-05-09; view: 592; Нарушение авторских прав



mydocx.ru - 2015-2026 year. (0.618 sec.) Все материалы представленные на сайте исключительно с целью ознакомления читателями и не преследуют коммерческих целей или нарушение авторских прав - Пожаловаться на публикацию