Главная Случайная страница


Полезное:

Как сделать разговор полезным и приятным Как сделать объемную звезду своими руками Как сделать то, что делать не хочется? Как сделать погремушку Как сделать так чтобы женщины сами знакомились с вами Как сделать идею коммерческой Как сделать хорошую растяжку ног? Как сделать наш разум здоровым? Как сделать, чтобы люди обманывали меньше Вопрос 4. Как сделать так, чтобы вас уважали и ценили? Как сделать лучше себе и другим людям Как сделать свидание интересным?


Категории:

АрхитектураАстрономияБиологияГеографияГеологияИнформатикаИскусствоИсторияКулинарияКультураМаркетингМатематикаМедицинаМенеджментОхрана трудаПравоПроизводствоПсихологияРелигияСоциологияСпортТехникаФизикаФилософияХимияЭкологияЭкономикаЭлектроника






Устройство и принцип работы интерферометра Маха-Цендера





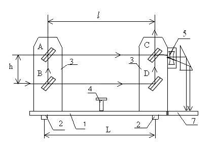
Лабораторная работа выполняется на оптическом комплексе ЛКО-4 (рис.2). Основным элементом комплекса является интерферометр Маха-Цендера (рис.3). Основание (1) устанавливается на оптическую скамью на опорах (2). Расстояние между опорами L= 250 мм. На основании установлены кронштейны (3) для зеркал интерферометра и поворотный столик (4). Зеркала A и D – глухие, зеркала B и С – полупрозрачные. Все зеркала установлены в двух осевых держателях, обеспечивающих юстировку прибора. Входящий лазерный пучок (λ = 0,652 мкм) расщепляется полупрозрачным зеркалом B на два пучка равной интенсивности, которые после отражения от зеркал А и D сводятся вместе вторым полупрозрачным зеркалом С и интерферируют.

Рис.2. Лабораторный комплекс ЛКО-4: 1 – лазер полупроводниковый (λ = 0,652 мкм); 2 – регулятор тока лазера; 3 – интер­ерометр Маха - Цендера; 4 – поворотный столик; 5 – кювета для воздуха (5-2 – груша, 5-1 – манометр,); 6 – набор грузов; 7 – экран для наблюдения интерференционных полос; 8 – линза; 9 – выносной блок питания.

 

 

Рис. 3 Оптическая схема интерферометра

 

 

Если зеркала установлены так, что на выходе из зеркала С выходя­щие пучки параллельны, то в этом случае волны будут находиться в про­тивофазе, и результирующая интенсивность будет равна нулю. Обычно выходящие пучки не являются строго параллельными, и поэтому на экране 7 (рис.3) наблюдается интерференционная картина в виде системы параллельных полос. Диаметр световых пучков мал (менее 1 мм), поэтому увидеть картину невооруженным глазом невозможно. Для увеличения размеров интерференционной картины на пути двух пучков помещают рассеивающую или собирающую линзу (5) с малым фокусным расстоянием. Линза устанавливается на подвижном кронштейне, позволяющем вводить линзу в пучок излучения и подбирать её положение. Таким образом, на экране (7) получается интерференционная картина приемлемых размеров (размер пятна на экране относится к диаметру пучка, так же как расстояние до экрана относится к фокусному расстоянию линзы).

 







Date: 2015-05-09; view: 862; Нарушение авторских прав



mydocx.ru - 2015-2026 year. (0.899 sec.) Все материалы представленные на сайте исключительно с целью ознакомления читателями и не преследуют коммерческих целей или нарушение авторских прав - Пожаловаться на публикацию