Главная Случайная страница


Полезное:

Как сделать разговор полезным и приятным Как сделать объемную звезду своими руками Как сделать то, что делать не хочется? Как сделать погремушку Как сделать так чтобы женщины сами знакомились с вами Как сделать идею коммерческой Как сделать хорошую растяжку ног? Как сделать наш разум здоровым? Как сделать, чтобы люди обманывали меньше Вопрос 4. Как сделать так, чтобы вас уважали и ценили? Как сделать лучше себе и другим людям Как сделать свидание интересным?


Категории:

АрхитектураАстрономияБиологияГеографияГеологияИнформатикаИскусствоИсторияКулинарияКультураМаркетингМатематикаМедицинаМенеджментОхрана трудаПравоПроизводствоПсихологияРелигияСоциологияСпортТехникаФизикаФилософияХимияЭкологияЭкономикаЭлектроника






Защитные цепи силовых модулей





 

Силовые модули благодаря своей компактности позволяют получать конструкцию преобразовательных схем с минимальной паразитной индуктивностью.

Такие схемы обеспечивают внешние индуктивности монтажа менее 100 нГн, что все равно считается слишком большой величиной для уровней, преобразуемых токов. Поэтому и в данном случае прибегают к помощи защитных цепочек.

Обычные RСD-цепи, включаемые параллельно отдельному силовому ключу, хотя и обеспечивают безопасную траекторию переключения, приводят к высоким дополнительным потерям (рис. 3.29).

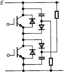
Применение таких схем ограничено низкой частотой переключения силовых ключей и используется в основном для модулей биполярного типа на частоте коммутации 1...2 кГц [6]. Для уменьшения дополнительных потерь в преобразователях на рабочие токи 10...100 А можно подключить защитную цепь параллельно отдельному плечу мостовой схемы, или параллельно всей схеме, если она выполнена на основе единого модуля (рис. 3.30). При этом потери в схеме будут определяться только всплесками напряжения из-за влияния паразитных индуктивностей монтажа, поскольку защитный конденсатор не разряжается через отдельный ключ на каждом такте коммутации. Для силовых схем на токи 150...300 А, в которых применяются двухэлементные модули, для защиты от перенапряжений к выходу модуля подключают отдельный высокочастотный конденсатор. Данный элемент выполняет ту же защитную функцию, что и стандартная RCD-цепочка при двухтактном режиме работы схемы. При этом также не происходит разряда конденсатора через отдельный ключ (рис. 3.31).

 

Рис. 3.29

 

Рис. 3.30

Недостатком рассматриваемого варианта является возможность возникновения резонансных колебаний между защитным конденсатором и паразитными индуктивностями монтажных соединений.

При рабочих токах более 400 А силовые модули выполняются в виде отдельных ключей.

Используются также параллельные сборки модулей. Для схем мостовой конфигурации в данном случае применяют защитные RCD-цепи, в которых резисторы подключаются перекрестно, т.е. к противоположным монтажным шинам схемы (рис. 3.32). При параллельном соединении модулей данные цепи подключаются к каждому отдельному плечу схемы.

Рис. 3.31 Рис. 3.32

Осциллограмма напряжения на запираемом ключе для представленных схем защиты (кроме стандартной RCD-схемы рис. 3.29) показана на рис. 3.33.

Начальный всплеск напряжения V1 определяется величиной паразитной индуктивности в контуре защитной цепи LS2. Поcлe этого выходное напряжение увеличивается за счет заряда защитного конденсатора энергией, накопленной в паразитных индуктивностях монтажных шин LS1.

Если установить допустимые значения всплесков напряжения ΔV1 и ΔV2 можно рассчитать параметры защитных цепей.

 

Рис. 3.33

 

Индуктивность цепи снаббера определяется выражением:

(3.11)

где (di/dt) — скорость нарастания тока в открывающемся ключе, или скорость спада тока в противофазном диоде.

Например, для IGBT-модулей данную скорость оценивают как произведение постоянного коэффициента к = 0.02 А/нс на класс ключа по току. Для модуля на силовой ток 400 А получаем скорость изменения тока 8 А/нс.

При этом минимально допустимая паразитная индуктивность LS2 =12.5 нГн (для допустимого всплеска Шл = 100 В).

Величина защитной емкости определяется по величине энергии, накопленной в паразитной индуктивности LS1:

(3.12)

где Io — номинальный ток нагрузки в силовой схеме.

При допустимой паразитной индуктивности монтажа IS1 = 50 нГн для токов нагрузки 400 А и всплеске ΔV2 =100 В получаем величину Со = 0.8 мкФ.

Ограничение скорости нарастания тока при включении силовых ключей модулей осуществляется либо по входной цепи управления для транзисторных вариантов, либо с применением защитных индуктивных цепочек, например, как это показано для полумостовой схемы GTO-тиристоров (рис. 3.34).

В преобразователе мощностью 60 кВт потери в дополнительных защитных цепях стандартной конфигурации составляют 1300... 1500 Вт. По этой причине используют также схемы с рекуперацией энергии в источник питания, например, как в варианте рис. 3.35.

Рис. 3.34 Рис. 3.35

В представленной схеме энергия из защитного конденсатора передается в источник питания при промежуточном накоплении в индуктивности резонансного LC-контура. Для данного энергообмена приходится использовать дополнительные ключи, что значительно усложняет схему, но является оправданным, поскольку потери в дополнительных цепях снижаются во много раз (до 50...75 Вт).

 

 







Date: 2015-05-09; view: 1729; Нарушение авторских прав



mydocx.ru - 2015-2026 year. (0.767 sec.) Все материалы представленные на сайте исключительно с целью ознакомления читателями и не преследуют коммерческих целей или нарушение авторских прав - Пожаловаться на публикацию