Главная Случайная страница


Полезное:

Как сделать разговор полезным и приятным Как сделать объемную звезду своими руками Как сделать то, что делать не хочется? Как сделать погремушку Как сделать так чтобы женщины сами знакомились с вами Как сделать идею коммерческой Как сделать хорошую растяжку ног? Как сделать наш разум здоровым? Как сделать, чтобы люди обманывали меньше Вопрос 4. Как сделать так, чтобы вас уважали и ценили? Как сделать лучше себе и другим людям Как сделать свидание интересным?


Категории:

АрхитектураАстрономияБиологияГеографияГеологияИнформатикаИскусствоИсторияКулинарияКультураМаркетингМатематикаМедицинаМенеджментОхрана трудаПравоПроизводствоПсихологияРелигияСоциологияСпортТехникаФизикаФилософияХимияЭкологияЭкономикаЭлектроника






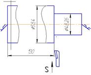
Сверлить центровые отверстия с двух сторон одновременно





Принимаем центровочное сверло d=5мм, D=15 мм, Р18 [3, стр. 610] t=d/2=2.5мм; i=1

Для Ш группы подач S=0.07 мм/об [3, стр. 906]

Для группы обрабатываемости 7 [3, стр. 1098]

VP= 30 м/мин [3, стр. 907]

np=1000*30/(3,14*10)=955 мин-1

nп=1000 мин-1

Vп=3,14*10*1000/1000=31,4 м/мин

lвр =2,5мм; l0=11мм; і = 1; lп =0 мм

l= 11+2,5=13,5 мм

Т02=13,5*1/(1000*0,07)=0,19 мин

Т005= Т0102=0,23+0,19=0,42 мин

 

Операция 010 (станок 16К20- на все токарные операции).

Токарно-черновая обработка промежуточного вала.

Резец 2103-0057 Т15К6 ГОСТ 18879-73- токарный проходной правый упорный.

t= 2,18мм

При черновой обработке величину подачи

S=0,25 мм/об.

VP= 120 м/мин [3, стр. 854]

np=1000*120/(3,14*85,08)=449,2 мин-1

По паспортным данным станка 16К20 [1] наибольшая частота вращения шпинделя 500 мин-1, поэтому nп=500 мин-1

Vп=3,14*85,08*500/1000=133,6м/мин

lвр =2мм; l0=60мм; і = 1; lп =0 мм

l= 60+2=62 мм

Т01=62*1/(500*0,25)=0,49мин

Токарно-черновая подрезка опорной шейки.

Резец 2112-0057 Т15К6 ГОСТ 18880-73- токарный подрезной правый отогнутый.

t= 2,0мм (см. табл. 6.2)

При черновой обработке величину подачи S=0,25 мм/об.

VP= 120 м/мин [3, стр. 854]

np=1000*120/(3,14*98,2)=389,2 мин-1

nп=400 мин-1

Vп=3,14*98,2*400/1000=123,3м/мин

lвр =2мм; l0=30мм; і = 1; lп =0 мм

l= 30+2=32 мм

Т02=32*1/(400*0,25)=0,32мин







Date: 2015-05-09; view: 735; Нарушение авторских прав



mydocx.ru - 2015-2026 year. (1.932 sec.) Все материалы представленные на сайте исключительно с целью ознакомления читателями и не преследуют коммерческих целей или нарушение авторских прав - Пожаловаться на публикацию