Главная Случайная страница


Полезное:

Как сделать разговор полезным и приятным Как сделать объемную звезду своими руками Как сделать то, что делать не хочется? Как сделать погремушку Как сделать так чтобы женщины сами знакомились с вами Как сделать идею коммерческой Как сделать хорошую растяжку ног? Как сделать наш разум здоровым? Как сделать, чтобы люди обманывали меньше Вопрос 4. Как сделать так, чтобы вас уважали и ценили? Как сделать лучше себе и другим людям Как сделать свидание интересным?


Категории:

АрхитектураАстрономияБиологияГеографияГеологияИнформатикаИскусствоИсторияКулинарияКультураМаркетингМатематикаМедицинаМенеджментОхрана трудаПравоПроизводствоПсихологияРелигияСоциологияСпортТехникаФизикаФилософияХимияЭкологияЭкономикаЭлектроника






Атомные электростанции





Атомные электростанции по принципу своей работы также можно

отнести к ТЭС, с тем лишь отличием, что в качестве топлива используется

радиоактивное топливо (обогащенный уран). АЭС проектируются и

сооружаются с реакторами различного типа на тепловых и быстрых нейтронах

по одноконтурной, двухконтурной или трехконтурной схеме. АЭС могут

производить как электрическую, так и тепловую энергию.

 

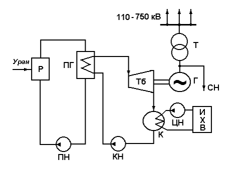
Упрощенная схема двухконтурной АЭС.

Процесс полураспада радиоактивного топлива сопровождается выделением

большого количества тепловой энергии, которая и используется для получения

перегретого пара. Для обеспечения радиационной изоляции используются

раздельные контуры теплоносителей. Теплоноситель, соприкасающийся с

радиоактивным топливом, в первом контуре не вступает в непосредственный

контакт с водой циркулирующей во втором контуре. Передача теплоты

происходит в теплообменных аппаратах.

Оборудование второго контура включает турбину Тб и конденсатор К и

является аналогичным основному оборудованию ТЭС. Первый радиоактивный

контур содержит реактор Р, парогенератор ПГ и питательный насос ПН. В

качестве расщепляющего материала на АЭС обычно используют уран 235U в виде

концентрата закиси-окиси урана U3О8. Поглощая один нейтрон, уран 235U делится

на две части с выделением энергии. При расщеплении 1 кг урана 235U выделяется

энергия эквивалентная энергии, выделяющейся при сгорании примерно 2900 тонн

угля.

Особенности АЭС:

1. Могут сооружаться в любом географическом месте, в том числе и

труднодоступном.

2. Требуют малого количества топлива.

3. Слабо загрязняют атмосферу.







Date: 2015-05-09; view: 610; Нарушение авторских прав



mydocx.ru - 2015-2026 year. (0.802 sec.) Все материалы представленные на сайте исключительно с целью ознакомления читателями и не преследуют коммерческих целей или нарушение авторских прав - Пожаловаться на публикацию