Главная Случайная страница


Полезное:

Как сделать разговор полезным и приятным Как сделать объемную звезду своими руками Как сделать то, что делать не хочется? Как сделать погремушку Как сделать так чтобы женщины сами знакомились с вами Как сделать идею коммерческой Как сделать хорошую растяжку ног? Как сделать наш разум здоровым? Как сделать, чтобы люди обманывали меньше Вопрос 4. Как сделать так, чтобы вас уважали и ценили? Как сделать лучше себе и другим людям Как сделать свидание интересным?


Категории:

АрхитектураАстрономияБиологияГеографияГеологияИнформатикаИскусствоИсторияКулинарияКультураМаркетингМатематикаМедицинаМенеджментОхрана трудаПравоПроизводствоПсихологияРелигияСоциологияСпортТехникаФизикаФилософияХимияЭкологияЭкономикаЭлектроника






Прилади для проектування знаків





Групою приладів, призначених для пред'явлення знаків-тестів при дослідженні гостроти зору, що розвивається, є проектори. Проекційні прилади є діапроекторами, за допомогою яких тестові знаки, виконані у вигляді діапозитивів, проектуються на екран, розташований на відстані 5 (6) м від проектора.

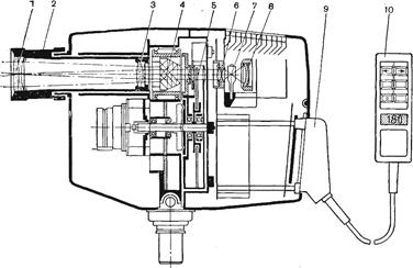
Принципова схема проектора знаків для дослідження гостроти зору представлена на рис. 1.4.

Проекційна система для діапроекції складається з джерела світла, освітлювальної системи, кадрового вікна і проекційного об'єктиву. Призначення світлооптичної системи полягає в тому, що можливо велика частина світлового потоку від джерела світла потрапляє через об'єктив на екран. Проектуючий об'єктив створює зображення діапозитива на екрані.

У світлооптичній схемі діапроектора можливі 2 варіанти:

- освітлювальна система утворює зображення джерела світла у вхідній зіниці проектуючого об'єкту (або поблизу нього);

- освітлювальна система утворює зображення джерела світла в кадровому вікні, тобто на діапозитиві (або поблизу нього).

Внаслідок того що в 2-м варіанті на екрані проектується діапозитив та нитка лампи, то потрібне використання джерела світла з суцільним рівномірним випромінювачем (стрічкова лампа, вугільна дуга).

Рис. 1.4. Принципова схема проектора знаків для дослідження гостроти зору

 

У діапроекторах частіше застосовується 1-й варіант. Схема проектора передбачає блок освітлення, що складається з джерела світла 7, дзеркального відбивача 8 і конденсора 6. Діапозитиви із знаками 5, розміщеними в диску, знаходяться в площині кадрового вікна. Проекційний об'єктив встановлений в рухливому тубусі 2. Колективна додаткова лінза 3 встановлена в нерухомому тубусі. Призматичний блок 4 при обертанні забезпечує необхідний кут повороту знаків.

 
 

Джерело світла 7 з дзеркалом 8 проектується освітлювальною системою 4 у вхідну зіницю об'єктиву 1, а зображення його, утворене об'єктивом, збігається з площиною вихідної зіниці. Промені світла після конденсора 6 освітлюють кадрове вікно, в якому знаходиться діапозитив із знаком 5. Останній знаходиться у фокальній площині проекційного об'єктиву 1 і зображення його проектується на екран як би з нескінченності. Налаштування на різкість здійснюється переміщенням тубуса 2. Колективна додаткова лінза 3 забезпечує зменшення діаметру освітлювальної системи.

Вся конструкція проектора поміщена в корпус, на задній стінці якого встановлюється роз’їм 9, що пов'язує прилад з ручним пультом дистанційного керування 10 та електричним живленням.

Фокусна відстань проектуючого об'єктиву визначається із заданого збільшення β і відстані до екрану р', тоді:

,(1.3)

де х' - відстань від задньої фокальної площини проекційного об'єктиву до екрану.

У свою чергу , а pF'f', тобто зіниці в об'єктиві лежать близько до головних площин. Після перетворення отримаємо:

(1.4)

При відстані від проекційного об'єктиву до екрану р'=5 м і збільшенні β=20 крат f' приблизно дорівнює 250 мм. У перших проекторах для дослідження гостроти зору переміщення знаків здійснювалося вручну. Представником таких проекторів може служити проектор знаків ПЗ-1 (рис. 1.5). Він містить набір тестів для дослідження гостроти зору, дихромний тест, променисту фігуру й фігури у вигляді хреста та стріли, що обертаються, для діагностики астигматизму, чотирьохточковий тест для визначення характеру зору і тест Шобера для дослідження гетерофорії. Прилад має три легко змінювані круглі касети. Одна з них містить діапозитиви з кільцями Ландольта, відповідними гостроті зору від 0,04 до 2, інша - з шаховими фігурами від 0,1 до 1,4, третя - з групами букв від 0,1 до 1,4 та дитячими картинками. У кожній касеті, окрім вказаних знаків, є інші - перераховані вище. Зміна знаків виконується поворотом рукоятки на тильній стороні проектора. Інформація про пред'явлену величину знаку для дослідження гостроти зору спостерігається у віконці на бічній стороні касети. При необхідності змінити орієнтацію знаку (хреста, кільця Ландольта), що пред'являється на екрані, виконують поворот кільця з накаткою, усередині якого знаходиться призматичний блок.







Date: 2015-05-09; view: 681; Нарушение авторских прав



mydocx.ru - 2015-2026 year. (1.198 sec.) Все материалы представленные на сайте исключительно с целью ознакомления читателями и не преследуют коммерческих целей или нарушение авторских прав - Пожаловаться на публикацию