Главная Случайная страница


Полезное:

Как сделать разговор полезным и приятным Как сделать объемную звезду своими руками Как сделать то, что делать не хочется? Как сделать погремушку Как сделать так чтобы женщины сами знакомились с вами Как сделать идею коммерческой Как сделать хорошую растяжку ног? Как сделать наш разум здоровым? Как сделать, чтобы люди обманывали меньше Вопрос 4. Как сделать так, чтобы вас уважали и ценили? Как сделать лучше себе и другим людям Как сделать свидание интересным?


Категории:

АрхитектураАстрономияБиологияГеографияГеологияИнформатикаИскусствоИсторияКулинарияКультураМаркетингМатематикаМедицинаМенеджментОхрана трудаПравоПроизводствоПсихологияРелигияСоциологияСпортТехникаФизикаФилософияХимияЭкологияЭкономикаЭлектроника






Описание лабораторной установки. Исследуемый образец магнитного материала представляет собой тороид феррита марки 6000НН с намотанной на него обмоткой





Исследуемый образец магнитного материала представляет собой тороид феррита марки 6000НН с намотанной на него обмоткой. Образцы помещены в муфельную (или печь), внутри которой температура контролируется по датчику цифрового термометра, вставленному c тыльной сто­роны печи. Выводы обмоток образца соединены с измерителем индуктивности типа Е12-1. Начальная магнитная проницаемость определяется
на основании выражения (5.1) по формуле

(5.3)

где μ 0 = 4π × 10–7 Гн/м; L – индуктивность катушки, Гн; S = (R – r)×h – площадь поперечного сечения сердечника, м; lср – средняя длина магнитопровода, которая считается как

(5.4)

Здесь R = 12,5 мм – внешний радиус тороида; r = 7,5 мм – внутренний радиус тороида; W = 250 – количество витков на магнитопроводах.

Толщина тороида h = 5 мм (рис. 5.2).

Рис. 5.2. Размеры сердечника

 

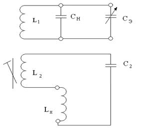
Методика измерения индуктивности образцов основана на использовании нулевых биений двух генераторов, которые имеются в приборе Е7-5а (Е12-1). В колебательный контур одного генератора (рис. 5.3) включен эталонный конденсатор СЭ переменной емкости.

Рис. 5.3. Принципиальная электрическая схема измерений индуктивности
методом нулевых биений

 

В контур второго генератора последовательно с индуктивностью L 2 включается измеряемая индуктивность LХ. СH – начальная емкость эталонного конденсатора СЭ. Электрические колебания двух генераторов подаются на смеситель (на рис. 5.3 не показан), на выходе которого при неравенстве частот получаются биения. Эти биения подаются на стрелочный индикатор, расположенный на лицевой панели измерителя. При равенстве частот в колебательных контурах имеют место нулевые биения, т. е. биения с частотой, близкой к нулю.

Перед началом измерений клеммы LX закорачиваются (соединяются проводником), а емкость СЭ устанавливается на нуль. Затем добиваются нулевых биений подстройкой индуктивности второго контура L 2 при помощи ручки «начальная установка». При этом:

(5.5)

Затем к клеммам LX подключают измеряемую индуктивность, что приводит к изменению частоты второго генератора. Равенство восстанавливается изменением емкости СЭ. При нулевых биениях:

(5.6)

С учетом (5.5) получим:

(5.7)

Так как L 1 и С 2 постоянны, то LX пропорциональна только СЭ. Это дает возможность проградуировать шкалу СЭ в единицах измерения индуктивности.







Date: 2015-05-08; view: 790; Нарушение авторских прав



mydocx.ru - 2015-2026 year. (1.092 sec.) Все материалы представленные на сайте исключительно с целью ознакомления читателями и не преследуют коммерческих целей или нарушение авторских прав - Пожаловаться на публикацию