Главная Случайная страница


Полезное:

Как сделать разговор полезным и приятным Как сделать объемную звезду своими руками Как сделать то, что делать не хочется? Как сделать погремушку Как сделать так чтобы женщины сами знакомились с вами Как сделать идею коммерческой Как сделать хорошую растяжку ног? Как сделать наш разум здоровым? Как сделать, чтобы люди обманывали меньше Вопрос 4. Как сделать так, чтобы вас уважали и ценили? Как сделать лучше себе и другим людям Как сделать свидание интересным?


Категории:

АрхитектураАстрономияБиологияГеографияГеологияИнформатикаИскусствоИсторияКулинарияКультураМаркетингМатематикаМедицинаМенеджментОхрана трудаПравоПроизводствоПсихологияРелигияСоциологияСпортТехникаФизикаФилософияХимияЭкологияЭкономикаЭлектроника






Мета роботи





Замовлення Тираж 25

Дніпропетровськ: Академія митної служби України (свідоцтво про видавничу діяльність ДК №10 від 24.02.2000р.) 49030, м. Дніпропетровськ, вул. Рогальова, 8

Вступ

 

Комп’ютерна схемотехніка складає основу електронно-обчислювальної техніки та інформаційно-вимірювальної техніки, а також пристроїв автоматики.

До неї належать пристрої одержання, опрацювання та зберігання інформації, пристрої керування різними об’єктами та технологічними процесами.

Мета даної курсової роботи – поглиблене знайомство з фізичними основами, будовою та параметрами напівпровідникових приладів, набуття навичок побудови й аналізу електронних пристроїв та систем, їх застосування при вирішенні виробничих завдань в митній службі.

Наслідком повинно бути вміння грамотно формулювати технічні завдання на розробку електронних пристроїв для вирішення конкретних задач та забезпечувати заявки на сучасне електронне устаткування; вміння експлуатувати технологічне електронне устаткування; проектувати найпростіші електроні пристрої.

 

1.РОЗРАХУНОК ІМПУЛЬСНИХ ПРИСТРОЇВ ТА ПОБУДОВА ЛІЧИЛЬНИКІВ ІМПУЛЬСІВ

Мета роботи

 

Метою даної роботи є набуття навиків розрахунку параметрів еле­ментів мультивібраторів (MB) на ІМС операційних підсилювачів (ОП), цифрових ІМС та ІМС таймера К1006ВИ1 (555), а також отримання лічильника імпульсів (ЛІ) з потрібним значенням коефіцієнта перерахунку зі стандартного послідовного двійкового.

 

1.2. Теоретичні відомості, необхідні для виконання роботи

 

Для виконання роботи необхідно знати призначення, основні пара­метри і характеристики, а також принципи побудови:

1) MB (див. розділ 3), побудованих на ОП (див, розділ 4), на логічних елементах і тригерах (див. розділ 5), на ІМС таймера К1006ВИ1 (див. розділ 6);

2) ЛІ (див. розділ 7.).

 

1.З. Вихідні дані

 

Вихідними даними для розрахунку MB є:

1) f, кГц - частота надходження генерованих імпульсів;

2) тип ІМС - пропонується один з наступних:

А-140УД7; Б-К561ЛА7; В-К561ТМ2; Г-К1006ВИ1;

3) обмеження на значення параметрів елементів (залежать, у тому числі і від заданого чи обраного типу ІМС).

Вихідними даними для побудови ЛІ є:

1) К- необхідне значення коефіцієнта перерахунку (відповідає числу можливих станів ЛІ);

2) тип ІМС послідовного двійкового ЛІ - пропонується чотирирозрядний лічильник К561ИЕ10;

3) типи допоміжних логічних елементів - пропонуються на вибір K561ЛА7, К561ЛА8, K561ЛА9.

Варіанти вихідних даних наведені в табл. 1.1.


Таблиця 1.1 – Вихідні дані для розрахунку МВ і побудови ЛІ

Приклад вибору варіанта для номера залікової книжки 77732:

з колонки 3 маємо — Г (тип ІМС для побудови MB - К1006ВИ1);

з колонки 2 – f = 2,6 кГц, К = 13.

Додаткові дані:

1) умовне позначення і схему вмикання ІМС ОП 140УД7 наведено на рис. 1.1 (мінімальне значення опору навантаження становить 2 кОм, напруга живлення задається рівною Uж= ±12 В), а схему MB на ОП – на рис. 1.2;

 


Рис. 1.1 - Схема вмикання ОП типу 140УД7


а) б)

Рис. 1.2- Мультивібратор на ОП

 

2) напруга живлення ІМС К561 та К1006ВИ1 задається рівною Uж= ±12 В;

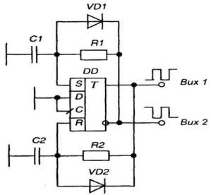
3) ІМС К561ТМ2, позначення якої наведено на рис. 1.3, містить у собі два синхронних RSD- тригери (для виконання завдання достатньо одного тригера), а схема MB на RSD-тригері - на рис. 1.4 (він тут, власне, використовується як RS-тригер);

 


Рис. 1.3 - ІМС К561ТМ2 Рис. 1.4 - Мультивібратор на RSD-тригері

 

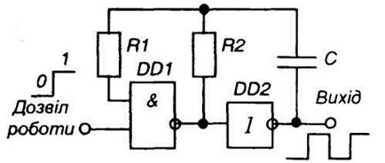
4) позначення ІМС К561ЛА7 (чотири елементи 2І-НІ), К561ЛА8 (два елементи 4І-НІ), К561ЛА9 (три елементи ЗІ-НІ) наведено відповідно на рис. 1.5, а-в, а схему MB на логічних елементах – на рис. 1.6.



Рис 1.5 - Деякі ІМС логічних елементів серії К561

Рис. 1.6 - Мультивібратор на логічних елементах

5) IMC К561ИЕ10, позначення якої наведено на рис. 1.7, а, містить у собі два чотирирозрядних послідовних двійкових ЛІ (для виконання завдання достатньо одного з них), а їх таблиця переходів наведена на рис. 1.7, б;


а) б)

Рис 1.7 – ІМС К561ИЕ10

 

6) Величина опорів RС-ланцюжків у схемах на ІМС серії К561 не повинна бути меншою за 10 кОм;

7) схему MB на ІМС К1006ВИ1 наведено на рис. 1.8.


 

Рис. 1.8 - Мультивібратор на IMC К1006ВИ1

 

 

1.4. Зміст пояснювальної записки

Пояснювальна записка - це документ, що вміщує опис будови та принципу дії електронного пристрою, який розробляється, а також обґрунтування прийнятих при його розробці технічних та техніко-економічних рішень.


Пояснювальна записка містить:

1) титульний лист, на якому необхідно вказати:

а) адміністративну підпорядкованість навчального закладу;

б) назву навчального закладу (повну та скорочену);

в) назву кафедри, що проводить заняття;

г) номер варіанту завдання;

д) слово "РОЗРАХУНОК", після якого повинна йти назва електронного пристрою;

є) вид документу - "пояснювальна записка";

и) номер курсу і групи, прізвище та ініціали виконавця;

к) підпис виконавця та дата здачі розрахунку;

л) вчене звання (посада), вчена ступінь, прізвище та ініціали викладача;

2) назва міста та рік складання документа

3) вступ, у якому наводяться короткі (до 1200 друкованих знаків) загальні відомості про пристрій;

4) власне розрахунок, у якому наводяться розрахункові формули з поясненнями змінних, що до них входять, результати обчислень, положення щодо вибору параметрів елементів і режимів роботи та інші необхідні для розуміння отриманих результатів дані;

5) графічну частину, до якої входить схема електрична принципова електронного пристрою та, за необхідності, його вузлів, графіки залежностей, що були використані при обчисленнях або є результатами обчислень (схеми необхідно виконувати згідно з вимогами державних стандартів і з застосуванням креслярського знаряддя - рекомендується використання радіотехнічного трафарета).

 

1.5. Теоретичні пояснення

При виконанні роботи зверніть увагу на простоту побудови генератора імпульсів прямокутної форми, яким є MB, на ІМС різного типу порівняно з MB на дискретних елементах.

Обмеження на величину параметрів елементів часозадаючих RC-ланцюжків в реальних імпульсних пристроях (не тільки в MB) виникають з наступних причин.

Так, величини ємностей конденсаторів не повинні бути дуже малими (десь меншими за 100 пФ), щоб не виявлявся вплив на роботу пристрою паразитних ємностей (наприклад, ємності монтажу - ємності між провідниками, що з'єднують елементи пристрою).

Важливим є вибір типу конденсаторів: слід брати до уваги величину допустимих відхилень ємності від номінального значення як техно­логічних (для електролітичних конденсаторів вони можуть складати, наприклад, мінус 20... +50 %), так і температурних.

Величина опору резисторів, з одного боку, повинна забезпечувати неперевищення навантажувальної здатності ІМС (для ІМС ОП, це, як правило, одиниці міліампер, а для цифрових К-МОН типу, якими є ІМС серії К561, -десяті долі міліампера). При цьому забезпечується також виключення впливу опору внутрішніх ланцюгів ІМС (становить до сотень Ом у ІМС К-МОН) на часові параметри генерованих імпульсів.

З другого боку, вибрані величини опорів резисторів повинні зводити до мінімуму вплив опору діелектричної основи, на якій змонтовано пристрій, а також вплив оточуючого середовища (наприклад, вологості повітря).

З огляду на сказане, опір резисторів часозадаючих RC-ланцюжків не повинен бути меншим за 1...2 кілооми і бажано, щоб він не перевищував значень у сотні кілоом.

2. ПРИКЛАД ПОПЕРЕДНЬОГО РОЗРАХУНКУ MB ТА ПОБУДОВИ ЛІ

 

Вихідні дані:


1) нехай треба розрахувати MB з частотою надходження імпульсів = 5 кГц на ОП типу 140УД7 та ЛІ з коефіцієнтом перерахунку К= 10 на основі ІМС К561ИЕ10;

2) при побудові пристроїв можна застосовувати логічні елементи, наведені на рис. 11.6.2;

3) напруга живлення ІМС ОП 140УД7 = ±12 В, а ІМС серії К561 U =+12В;

4) величина опорів у колах ІМС 140УД7 не повинна бути меншою за 2 кОм, а в колах ІМС серії К561 - 10 кОм іне перевищувати 100 кОм.

Необхідно:

1) розрахувати елементи схеми MB;

2) виконати побудову ЛІ;

3) навести таблицю переходів ЛІ;

4) навести часові діаграми роботи ЛІ;

5) навести електричну принципову схему пристрою, що складається з MB і підімкненого до його виходу ЛІ.







Date: 2015-05-08; view: 1468; Нарушение авторских прав



mydocx.ru - 2015-2026 year. (0.522 sec.) Все материалы представленные на сайте исключительно с целью ознакомления читателями и не преследуют коммерческих целей или нарушение авторских прав - Пожаловаться на публикацию