Главная Случайная страница


Полезное:

Как сделать разговор полезным и приятным Как сделать объемную звезду своими руками Как сделать то, что делать не хочется? Как сделать погремушку Как сделать так чтобы женщины сами знакомились с вами Как сделать идею коммерческой Как сделать хорошую растяжку ног? Как сделать наш разум здоровым? Как сделать, чтобы люди обманывали меньше Вопрос 4. Как сделать так, чтобы вас уважали и ценили? Как сделать лучше себе и другим людям Как сделать свидание интересным?


Категории:

АрхитектураАстрономияБиологияГеографияГеологияИнформатикаИскусствоИсторияКулинарияКультураМаркетингМатематикаМедицинаМенеджментОхрана трудаПравоПроизводствоПсихологияРелигияСоциологияСпортТехникаФизикаФилософияХимияЭкологияЭкономикаЭлектроника






Порядок выполнения работы и описание лабораторного стенда





ИССЛЕДОВАНИЕ ИНТЕГРАЛЬНОГО БИПОЛЯРНОГО

ТРАНЗИСТОРА

 

Цель работы: исследование параметров интегрального биполярного транзистора и их зависимости от температуры.

Порядок выполнения работы и описание лабораторного стенда.

 

Стенд включает в себя лабораторный пульт, генератор стандартных сигналов Г4-102, частотомер Ч3-35, милливольтметр В3-39, вольтметр универсальный В7-26 и цифровой мультиметр M-838. На лабораторном пульте (рис. 1) монтируются сменные панели, на которых расположены макеты лабораторных работ.

 

 
 
 
 

Рис. 1

В верхней части пульта находятся органы управления пультом и измерительные приборы: миллиамперметр 1 и измеритель температуры 2. Под головкой миллиамперметра расположена ручка установки нуля 3, а с правой стороны – переключатель полярности измеряемого тока 4 «Iпр – Iобр» и переключатель пределов измерения миллиамперметра 5. Под головкой термометра расположены тумблер включения термостата 6 и ручка регулировки температуры 7. Предел измерения температуры от 0 до 100°С. Тумблером «Сеть» включается лабораторный пульт, функционирование которого контролируется лампочкой 8. Напряжение на лабораторную панель подается тумблером 9 «Номер работ».

 

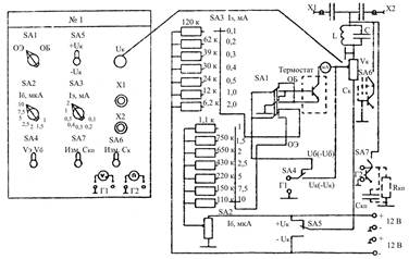
Перед выполнением работы необходимо изучить принципиальную схемы лабораторного макета и расположение органов управления на передней панели, приведенных на рис. 2.


 

 

Рис. 2

 







Date: 2015-05-08; view: 627; Нарушение авторских прав



mydocx.ru - 2015-2026 year. (0.817 sec.) Все материалы представленные на сайте исключительно с целью ознакомления читателями и не преследуют коммерческих целей или нарушение авторских прав - Пожаловаться на публикацию