Главная Случайная страница


Полезное:

Как сделать разговор полезным и приятным Как сделать объемную звезду своими руками Как сделать то, что делать не хочется? Как сделать погремушку Как сделать так чтобы женщины сами знакомились с вами Как сделать идею коммерческой Как сделать хорошую растяжку ног? Как сделать наш разум здоровым? Как сделать, чтобы люди обманывали меньше Вопрос 4. Как сделать так, чтобы вас уважали и ценили? Как сделать лучше себе и другим людям Как сделать свидание интересным?


Категории:

АрхитектураАстрономияБиологияГеографияГеологияИнформатикаИскусствоИсторияКулинарияКультураМаркетингМатематикаМедицинаМенеджментОхрана трудаПравоПроизводствоПсихологияРелигияСоциологияСпортТехникаФизикаФилософияХимияЭкологияЭкономикаЭлектроника






Укажите номер рисунка с условным графическим обозначением стабилитрона






1. 5;

2. 6;

3. 7;

4. 8.


16. В усилительных устройствах отношение выходного сигнала к входному называют:

a) коэффициентом преобразования;

b) коэффициентом частотных искажений;

c) коэффициентом усиления.

17. В оптроне происходят следующие преобразования энергии:


1. электрическая - в энергию некогерентного светового излучения;

2. электрическая в световую - световая в электрическую;

3. световая в электрическую;

4. электрическая - в энергию когерентного светового излучения.


18. Параметры фототранзисторов в значительной степени зависит от…

1. температуры;

2. влажности;

3. давления;

4. другое.

19. На рисунке изображено условное обозначение элемента, выполняющего логическую операцию:


a) сложения (ИЛИ);

b) умножения (И);

c) инверсии (НЕ);

d) стрелка Пирса (ИЛИ-НЕ).


20. Микропроцессорная система, в качестве обязательного элемента содержит:

a) триггер;

b) арифметико-логическое устройство;

c) микро ЭВМ;

d) операционный усилитель.

 

 

Ключ к В-9:

 

№ вопроса Правильный ответ № вопроса Правильный ответ
       
       
       
       
       
       
       
       
       
       

 

Вариант №10

1. Какие виды проводимости бывают?

a) электронная и дырочная;

b) электрическая и неэлектрическая;

c) дырочная и недырочная.

2. На рисунке изображено условно-графическое обозначение…

a)биполярного транзистора;

b) тиристора;

c)выпрямительного диода.

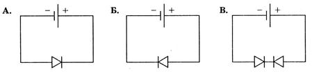
3. На рисунке представлены три варианта включения полупроводниковых диодов в электрическую цепь с одним и тем же источником тока. В каком случае сила тока в цепи будет иметь максимальное значение?

a) в случае А;

b) в случае В;

c) в случае Б.

 

4. В схеме выпрямителя стабилитрон выполняет задачу…

a) L-фильтра;

b) С-фильтра;

c) стабилизатора.

5. На рисунке представлено условно-графическое обозначение…

a) варикапа;

b) стабилитрона;

c) тиристора.

6. Схеме включения транзистора с общей базой соответствует рисунок…

а) с)

 

в)

 

7. На рисунке изображена временная диаграмма напряжения на выходе выпрямителя…


a) двухполупериодного мостового;

b) однополупериодного;

c) двухполупериодного с выводом средней точки обмотки трансформатора.

8. Обычно все контакты полевых транзисторов соединены между собой и рассоединяются только перед самой пайкой, паяльник должен быть заземлён, и тот, кто паяет, должен иметь на руке...

a) браслет;

b) перчатки;

c) заземлённый браслет.

9. Триггером называют устройство, имеющее ………. устойчивых состояния равновесия и способное скачком переходить из одного состояния в другое под воздействием внешнего управляющего сигнала.

a) 1;

b) 2;

c) 3.

10. Главное преимущество микроэлектроники - это надежность (интенсивность отказов) главным образом определяется именно…

a) количеством контактов;

b) интенсивностью;

c) надежностью.

11. Полупроводниковые материалы имеют удельное сопротивление:

a) больше, чем проводники;

b) больше, чем диэлектрики;

c) меньше, чем проводники;

d) равное диэлектрикам.

12. Тиристором называют полупроводниковый прибор с тремя или более p-n переходами, вольт-амперная характеристика которого имеет участок с отрицательным дифференциальным сопротивлением и который используется в электронных цепях для:

a) генерации;

b) переключения;

c) выпрямления;

d) усиления.

13. На рисунке изображена структура:


a) тиристора;

b) выпрямительного диода;

c) полевого транзистора;

d) биполярного транзистора.


14. На рисунке приведено условное обозначение:


a) выпрямительного диода;

b) биполярного транзистора;

c) тиристора;

d) полевого транзистора.

 


15. На рисунке изображена схема:


a) емкостного фильтра;

b) индуктивного фильтра;

c) активно-емкостного фильтра;

d) активно-индуктивного фильтра.








Date: 2015-05-08; view: 2247; Нарушение авторских прав



mydocx.ru - 2015-2026 year. (1.213 sec.) Все материалы представленные на сайте исключительно с целью ознакомления читателями и не преследуют коммерческих целей или нарушение авторских прав - Пожаловаться на публикацию