Главная Случайная страница


Полезное:

Как сделать разговор полезным и приятным Как сделать объемную звезду своими руками Как сделать то, что делать не хочется? Как сделать погремушку Как сделать так чтобы женщины сами знакомились с вами Как сделать идею коммерческой Как сделать хорошую растяжку ног? Как сделать наш разум здоровым? Как сделать, чтобы люди обманывали меньше Вопрос 4. Как сделать так, чтобы вас уважали и ценили? Как сделать лучше себе и другим людям Как сделать свидание интересным?


Категории:

АрхитектураАстрономияБиологияГеографияГеологияИнформатикаИскусствоИсторияКулинарияКультураМаркетингМатематикаМедицинаМенеджментОхрана трудаПравоПроизводствоПсихологияРелигияСоциологияСпортТехникаФизикаФилософияХимияЭкологияЭкономикаЭлектроника






Указание





Справочные данные п/п диодов приведены в общих сведениях по лабораторной работе. (см. Примеры решения задач на составление схем выпрямителей.)

3. Убедиться в исправности п\п диодов с помощью авометра.

4. Собрать схему однополупериодного выпрямителя, приведенную на рис. 1, показать собранную схему преподавателю.

рис. 1. Однофазный однополупериодный выпрямитель.

 

После проверки схемы преподавателем, подать на схему питание и снять показания приборов:

· Iн, mА - ток протекающий через нагрузку, показания миллиамперметра PA,

· Uн, В - напряжение на нагрузке, показания вольтметра PV.

По лабораторному стенду определитьU2, В – действующее значение напряжения на вторичной обмотке трансформатора.

Вычислить:

· Мощность выделяемая в нагрузке:

Pн = Uн*Iн

· Значение величины средневыпрямленного напряжения для данной схемы U0, зная величину действующего напряжения на вторичной обмотке трансформатора.

С помощью осциллографа пронаблюдайте форму электрического сигнала на входе и выходе выпрямителя (по возможности).

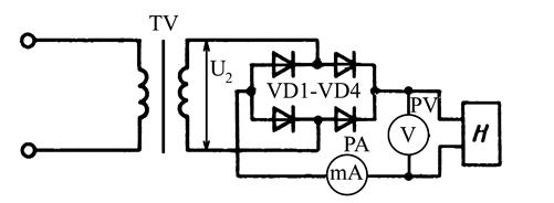
5. Собрать схему мостового выпрямителя, приведенную на рис. 2, показать собранную схему преподавателю.

рис.2. Однофазный мостовой выпрямитель.

 

После проверки схемы преподавателем, подать на схему питание и снять показания приборов:

· Iн, mА - ток протекающий через нагрузку, показания миллиамперметра PA,

· Uн, В - напряжение на нагрузке, показания вольтметра PV.

По лабораторному стенду определитьU2, В – действующее значение напряжения на вторичной обмотке трансформатора.

Вычислить:

· Мощность выделяемая в нагрузке:

Pн = Uн*Iн

· Значение величины средневыпрямленного напряжения для данной схемы U0, зная величину действующего напряжения на вторичной обмотке трансформатора.

С помощью осциллографа пронаблюдайте форму электрического сигнала на входе и выходе выпрямителя (по возможности).

6. Результаты проведенных опытов и расчетов оформите в виде таблицы. Примерный вид таблицы приведен ниже.

Таблица 1. Результаты лабораторной работы.

Выпрямитель Iн, mA Uн, В Pн, Вт U0, В
Однополупериодный        
Мостовой        

7. Пользуясь общими сведениями по лабораторной работе, учебником, справочной литературой определите допустимую мощность потребителя, который может быть подключен к собираемым схемам выпрямителей (т.е. какие максимальные значения Pн, Iн, Uн можно получить используя предложенные диоды).

 







Date: 2015-05-05; view: 2047; Нарушение авторских прав



mydocx.ru - 2015-2026 year. (2.365 sec.) Все материалы представленные на сайте исключительно с целью ознакомления читателями и не преследуют коммерческих целей или нарушение авторских прав - Пожаловаться на публикацию