Главная Случайная страница


Полезное:

Как сделать разговор полезным и приятным Как сделать объемную звезду своими руками Как сделать то, что делать не хочется? Как сделать погремушку Как сделать так чтобы женщины сами знакомились с вами Как сделать идею коммерческой Как сделать хорошую растяжку ног? Как сделать наш разум здоровым? Как сделать, чтобы люди обманывали меньше Вопрос 4. Как сделать так, чтобы вас уважали и ценили? Как сделать лучше себе и другим людям Как сделать свидание интересным?


Категории:

АрхитектураАстрономияБиологияГеографияГеологияИнформатикаИскусствоИсторияКулинарияКультураМаркетингМатематикаМедицинаМенеджментОхрана трудаПравоПроизводствоПсихологияРелигияСоциологияСпортТехникаФизикаФилософияХимияЭкологияЭкономикаЭлектроника






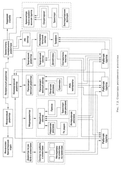
Структура рекламного агентства





Функциональная схема работы рекламного агентства

Структура рекламного агентства полностью отражает и подчиняет­ся целям работы агентства. Многообразие агентств, о котором го­ворилось выше, предопределяет и такое же разнообразие организа­ционных структур каждого агентства. В отдельных случаях на структуре агентства сказываются традиция или обычаи страны, где оно работает. Однако несмотря на различия существуют и единые общие методологические подходы к организации работы любого Рекламного агентства. Мы рассмотрим общую структуру рекламного агентства полного цикла, так называемый костяк структуры, ко­торый в отдельных конкретных ситуациях может быть либо расши­рен, либо урезан. Такое агентство, как мы знаем, выполняет весь Рекламный заказ, как говорится «под ключ»: от зарождения идеи до Учения рекламного продукта.

Структура и функциональная схема работы приведена на рис. 7.2. (за основу взята схема рекламного агентства «С-Медиа (Соверо Медиа)».

Анализ структурного состава рекламного агентства

В таблице 7.3. даны характеристики подразделениям, входящим в структуру рекламного агентства. Условно подразделения делятся на основные (функциональные) и вспомогательные.

 

Таблица 7.3. Характеристики основных подразделений рекламного агентства

Наименование* Функции
Отдел по работе с клиентами Структурно отдел разбит на рабочие группы, каждая из которых ведет дела конкретного клиента. В состав рабочих групп для выполнения конкретного заказа клиентов включаются представители творческого, производственного отделов и отдела маркетинга. После постановки задачи рабочая группа готовит предложения по бюджету для его представления клиенту. Затем ее сотрудники во взаимодействии с другими отделами разрабатывают концепцию рекламного обращения, план рекламной кампании и т.п. Концепция утверждается клиентом и представителями руководства агентства, а иногда экспертным советом агентства. После этого начинается процесс окончательной доработки рекламного обращения и уточнения деталей производства. Руководитель группы («экаунт экзекьютив», или контактор) представляет интересы агентства на переговорах с клиентом и интересы клиента внутри своего агентства. Он координирует всю работу по выполнению заказа от начала до его реализации и подчинен директору по работе с клиентами
Творческий отдел Роль работников творческого отдела чрезвычайно вы- сока. От их профессионализма и таланта зависти сила воздействия создаваемой рекламы на потреби- теля. Они осуществляют генерирование идей рекламного обращения, находят окончательные варианты средств их реализации. Творческий отдел объединяет текстовиков (копирайтеров), арт-директоров, рекламных дизайнеров. Иногда в состав включаются режиссеры, редакторы и другие творческие работники. Отдел подчиняется творческому директору
Медийный отдел Отдел занимается медиапланированием и медиазакупками, отвечает за выбор каналов распространения рекламы, проводит исследования СМИ, других видов рекламоносителей, осуществляет покупку рекламного пространства. В задачу отдела входит также контроль за ходом и исполнением рекламных кампаний, проверка реаль­ных результатов распространения рекламных обраще­ний. Отдел готовит фотомониторинг для клиентов, осу­ществляет всю работу с подрядчиками (владельцами сетей наружной рекламы, редакциями СМИ или их агентствами)
Производственный отдел Отдел занимается изготовлением разработанной агентством рекламы. С этой целью он поддерживает постоянные деловые контакты с обслуживающими фирмами и организациями, владеющими мощностями, такими как типографии, фирмы по производству ме­таллических и пластмассовых конструкций, по произ­водству сувенирной продукции и др. Производствен­ный отдел при необходимости заказывает у соответст­вующих компаний фотомодели, производство теле- и кинороликов, аудиозаписи для радио и т.д. В обязан­ности отдела входит также подготовка POS-материалов

* Наименование подразделений в различных агентствах может быть различным: отделы, департаменты, сектора, службы и др.

Иногда в структуре агентства выделяется отдел маркетинга, ко­торый осуществляет маркетинговые исследования (сам или зака­зывает исследование у специализированных фирм), производит анализ рынков рекламируемых товаров и рекламного рынка, орга­низует сбор информации о фирме-клиенте и ее товарах, контроли­рует эффективность рекламных кампаний.

В дополнение к указанным подразделениям в агентстве может существовать также наблюдательный совет, состоящий из автори­тетных людей агентства, которые анализируют и дают оценку всем Разрабатываемым в агентстве рекламным кампаниям.

К вспомогательным подразделениям рекламного агентства отно­сятся такие, как финансовый, хозяйственный отделы, бухгалтерия, курьерская служба.

В крупных агентствах при наличии большого числа клиентов вводится должность трафик менеджера, который ежедневно отсле­живает ход выполнения заказов клиентов, координирует работу всех участков, вовлеченных в разработку и выполнение рекламных кампаний.







Date: 2015-06-08; view: 934; Нарушение авторских прав



mydocx.ru - 2015-2026 year. (1.041 sec.) Все материалы представленные на сайте исключительно с целью ознакомления читателями и не преследуют коммерческих целей или нарушение авторских прав - Пожаловаться на публикацию