Главная Случайная страница


Полезное:

Как сделать разговор полезным и приятным Как сделать объемную звезду своими руками Как сделать то, что делать не хочется? Как сделать погремушку Как сделать так чтобы женщины сами знакомились с вами Как сделать идею коммерческой Как сделать хорошую растяжку ног? Как сделать наш разум здоровым? Как сделать, чтобы люди обманывали меньше Вопрос 4. Как сделать так, чтобы вас уважали и ценили? Как сделать лучше себе и другим людям Как сделать свидание интересным?


Категории:

АрхитектураАстрономияБиологияГеографияГеологияИнформатикаИскусствоИсторияКулинарияКультураМаркетингМатематикаМедицинаМенеджментОхрана трудаПравоПроизводствоПсихологияРелигияСоциологияСпортТехникаФизикаФилософияХимияЭкологияЭкономикаЭлектроника






Расчет усилительного каскада

Дано:

 

 

 

 

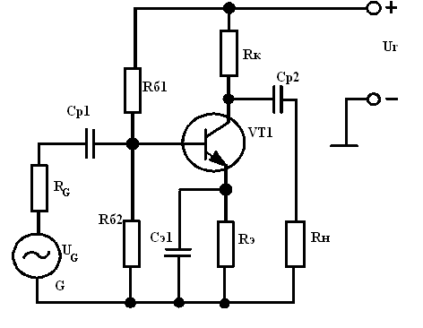
Рис. 1 – Принципиальная электрическая схема усилительного каскада

 


Рассчитаем сопротивление резистора в цепи коллектора транзистора:

 

 

Выбираем номинал сопротивления резистора Ом

 

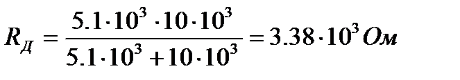
Определим эквивалентное сопротивление нагрузки каскада:

 

 

 

Найдем амплитуду коллекторного тока:

 

 

 

Рассчитаем ток покоя транзистора:

k3 – коэффициент запаса,

k3 =0,7÷0,95

 

Определим минимальное напряжение коллектор – эмиттер в рабочей точке транзистора:

 

т.к. меньше типового значения , принимаем

 

Рассчитываем напряжение источника питания:

 

Выбираем напряжение питания

 

Определяем сопротивление резистора:

Ом

принимаем номинал резистора Ом

 

Выбираем транзистор КТ315Б:

 

 

 

Точка А: ,

Точка В: ,

 

Нанесем рабочую точку С на нагрузочную прямую с координатой , уточним напряжение в точке покоя.

 

Рассчитаем мощность в точке покоя транзистора:

 

 

 

Определим наибольшую мощность рассеивания транзистора при максимальной рабочей температуре:

 

 

 

, следовательно, транзистор КТ315Б выбран правильно.

 

Находим координаты рабочей точки С на входной характеристике транзистора:

,

 

Определим ток базового делителя , :

 

 

 

Рассчитаем сопротивление резистора базового делителя:

 

 

 

принимаем номинал сопротивления резистора

 

Определяем сопротивление резистора базового делителя:

 

 

 

принимаем номинал резистора

 

 

Найдем эквивалентное сопротивление базового делителя:

 

 

Определим , в рабочей точке транзистора:

 

 

По входным характеристикам найдем в рабочей точке:

 

Ом

 

Найдем входное сопротивление каскада:

 

 

 

Рассчитаем выходное сопротивление каскада:

 

 

Построим на выходных характеристиках транзистора нагрузочную прямую по переменному току, проходящею через рабочую точку С и имеющую наклон:

 

 

Находим амплитуду тока базы по выходным характеристикам:

 

Определим по выходным характеристикам амплитуду входного напряжения транзистора:

 

 

Определим коэффициент усиления каскада по току:

 

Найдем коэффициент усиления каскада по напряжению:

 

 

 

Рассчитаем коэффициент усиления по мощности:

 

 

Определим амплитуду напряжения источника сигнала:

 

 

 

Распределим частотные искажения в области нижних частот, вносимые емкостями конденсаторов , , , равномерно между ними:

 

 

 

Рассчитаем емкость разделительного конденсатора:

 

 

 

выбираем номинал электролитического конденсатора

 

Определим емкость разделительного конденсатора:

 

 

выбираем номинал емкости электролитического конденсатора

 

Найдем емкость блокировочного конденсатора:

 

 

 

принимаем емкость блокировочного конденсатора

 



<== предыдущая | следующая ==>
Философия сердца | Характеристика учреждения





Date: 2015-09-22; view: 939; Нарушение авторских прав



mydocx.ru - 2015-2026 year. (0.677 sec.) Все материалы представленные на сайте исключительно с целью ознакомления читателями и не преследуют коммерческих целей или нарушение авторских прав - Пожаловаться на публикацию