Главная Случайная страница


Полезное:

Как сделать разговор полезным и приятным Как сделать объемную звезду своими руками Как сделать то, что делать не хочется? Как сделать погремушку Как сделать так чтобы женщины сами знакомились с вами Как сделать идею коммерческой Как сделать хорошую растяжку ног? Как сделать наш разум здоровым? Как сделать, чтобы люди обманывали меньше Вопрос 4. Как сделать так, чтобы вас уважали и ценили? Как сделать лучше себе и другим людям Как сделать свидание интересным?


Категории:

АрхитектураАстрономияБиологияГеографияГеологияИнформатикаИскусствоИсторияКулинарияКультураМаркетингМатематикаМедицинаМенеджментОхрана трудаПравоПроизводствоПсихологияРелигияСоциологияСпортТехникаФизикаФилософияХимияЭкологияЭкономикаЭлектроника






Описание установки





 

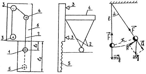
Установка представляет собой тело 1, подвешенное на двух нерастяжимых нитях 2. Нить перекинута через барабан 3 и кронштейн 4. Два барабана и кронштейн смонтированы на деревянной планке 6 (рис. 5.1, 5.2).

Рис 5.1 Рис 5.2 Рис 5.3

 

В положении равновесия сила тяжести и сила натяжения нити уравновешивают друг друга. При отклонении маятника от положения равновесия на угол α сила тяжести и сила не уравновешивают друг друга (рис. 5.3). В таком случае силу уравновесит только часть силы тяжести – ее составляющая Q, направленная вдоль нити. Вторая же составляющая силы тяжести , направленная перпендикулярно нити, будет возвращать маятник к положению равновесия. Под действием этой возвращающей квазиупругой силы маятник приходит в колебательное движение, период которого определяется по формуле

. (5.1)

Этой формулой пользуются для определения ускорения силы земного тяготения в данном географическом месте. Но в нашем случае маятник подвешен на двух нитях, следовательно, вычислить длину нити достаточно точно не представляется возможным.

Если определить периоды колебаний двух маятников с различными длинами, то можно записать:

, , (5.2)

откуда . (5.3)

Таким образом, чтобы определить ускорение силы тяжести, достаточно знать разность длин двух математических маятников и периоды их колебаний.

 







Date: 2015-09-24; view: 351; Нарушение авторских прав



mydocx.ru - 2015-2026 year. (0.495 sec.) Все материалы представленные на сайте исключительно с целью ознакомления читателями и не преследуют коммерческих целей или нарушение авторских прав - Пожаловаться на публикацию