Главная Случайная страница


Полезное:

Как сделать разговор полезным и приятным Как сделать объемную звезду своими руками Как сделать то, что делать не хочется? Как сделать погремушку Как сделать так чтобы женщины сами знакомились с вами Как сделать идею коммерческой Как сделать хорошую растяжку ног? Как сделать наш разум здоровым? Как сделать, чтобы люди обманывали меньше Вопрос 4. Как сделать так, чтобы вас уважали и ценили? Как сделать лучше себе и другим людям Как сделать свидание интересным?


Категории:

АрхитектураАстрономияБиологияГеографияГеологияИнформатикаИскусствоИсторияКулинарияКультураМаркетингМатематикаМедицинаМенеджментОхрана трудаПравоПроизводствоПсихологияРелигияСоциологияСпортТехникаФизикаФилософияХимияЭкологияЭкономикаЭлектроника






Теоретичні положення. Широке застосування в електроустановках високої напруги ізоляторів різних типів, що працюють у газовому ізоляційному середовищі





 

Широке застосування в електроустановках високої напруги ізоляторів різних типів, що працюють у газовому ізоляційному середовищі, викликає необхідність дослідження електричної міцності газів з урахуванням впливу діелектричних поверхонь. На електричну міцність повітря при поверхневому розряді впливають конфігурація електричного поля, довжина міжелектродного проміжку, стан поверхні діелектрика, частота прикладеної напруги.

Характер розряду і розрядні напруги по поверхні твердого діелектрика в умовах неоднорідного електричного поля в значній мірі визначаються впливом тангенціальної і нормальної складової напруженості електричного поля.

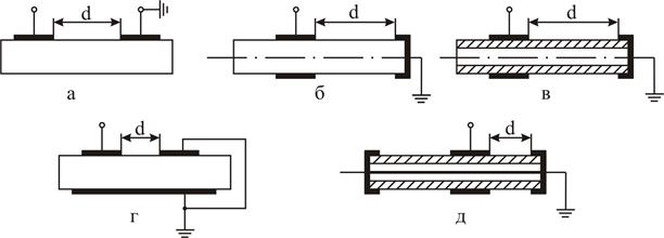
Якщо переважає тангенціальна складова напруженості електричного поля (рис. 2.1, а,в), то розрядні напруги по поверхні близькі до пробивних напруг повітряних проміжків між аналогічними за формою електродами.

У випадку значної нормальної складової напруженості електричного поля (рис. 2.1, г,д) розряд по поверхні має ряд особливостей. При відносно невеликих напругах спостерігається корона біля електродів. Ріст напруги супроводжується появою каналів (стримерів), які слабо світяться і при подальшому підвищенні напруги перетворяться в ковзні розряди, що характеризуються інтенсивним світінням. У ковзних розрядах протікає значний струм, обумовлений процесом іонізації повітря і залежний від ємності каналу ковзного розряду стосовно протилежного електрода.

Рис. 2.1. Іскрові проміжки для дослідження нормальної (а,б,в) та тангенційної (г,д) складової перекриття по поверхні твердого діелектрика

 

За Теплером ковзний розряд, що являє собою неповний поверхневий розряд, виникає при напрузі (кВ):

Uc=1,355х104п0,44, (2.1)

де Сп –питома поверхнева ємність, тобто ємність 1 см2 поверхні, по якій розвивається розряд, стосовно протилежного електрода, Ф/см2.

При невеликій товщині діелектрика питома поверхнева ємність для випадку плоского конденсатора (Ф/см2):

Сп= e0e /D, (2.2)

де D – товщина діелектрика, см;

e – відносна діелектрична проникність діелектрика;

e0 – відносна діелектрична проникність у вакуумі.

Звідси формула (2.1) перетвориться до виду:

Uс=74,8(D /e)0,45. (2.3)

Завдяки малим опорові і падінню напруги на каналах ковзних розрядів потенціал електрода виноситься всередину проміжку, і розвиток розряду полегшується.

Подальше підвищення прикладеної напруги приводить до швидкого подовження ковзних розрядів, і процес завершується повним перекриттям проміжку між електродами. Напруга поверхневого перекриття завжди нижче напруги пробою повітряного проміжку того ж розміру.

Приблизно розрядна напруга по поверхні виражається так:

Uр=k(D/e)md n, (2.4)

де d – відстань між електродами по поверхні, cм;

k, m, n – коефіцієнти, що залежать від особливостей конструкції ізоляційного проміжку і діапазону зміни відстані d.

Зволоження і забруднення поверхні діелектрика різко знижують величину розрядної напруги.

В ізоляційних конструкціях для підвищення розрядної напруги збільшують розрядну відстань по поверхні за рахунок спідниць і ребер на ізоляторі.







Date: 2015-09-24; view: 608; Нарушение авторских прав



mydocx.ru - 2015-2026 year. (1.382 sec.) Все материалы представленные на сайте исключительно с целью ознакомления читателями и не преследуют коммерческих целей или нарушение авторских прав - Пожаловаться на публикацию