Главная Случайная страница


Полезное:

Как сделать разговор полезным и приятным Как сделать объемную звезду своими руками Как сделать то, что делать не хочется? Как сделать погремушку Как сделать так чтобы женщины сами знакомились с вами Как сделать идею коммерческой Как сделать хорошую растяжку ног? Как сделать наш разум здоровым? Как сделать, чтобы люди обманывали меньше Вопрос 4. Как сделать так, чтобы вас уважали и ценили? Как сделать лучше себе и другим людям Как сделать свидание интересным?


Категории:

АрхитектураАстрономияБиологияГеографияГеологияИнформатикаИскусствоИсторияКулинарияКультураМаркетингМатематикаМедицинаМенеджментОхрана трудаПравоПроизводствоПсихологияРелигияСоциологияСпортТехникаФизикаФилософияХимияЭкологияЭкономикаЭлектроника






Учебно-методическое и информационное обеспечение дисциплины. Студент 4-фддо- __ ___ «___»__2014

КОНТРОЛЬНАЯ РАБОТА

 

по дисциплине «ОСНОВЫ ТЕХНОЛОГИИ ПРОИЗВОДСТВА УГЛЕГОДНЫХ МАТЕРИАЛОВ» _

тема работы: ____________________________________________________

________________________________________________________________

________________________________________________________________

________________________________________________________________

 

 

  Студент 4-ФДДО-     __________________ _______________________   «___»______________2014  
  Преподаватель   __________________   Доцент каф. ХТПНГ   __ Е.О.Жилкина _   «___»______________2014  

 

 

САМАРА 2014

СОДЕРЖАНИЕ и правила оформления И СОДЕРЖАНИЕ КОНТРОЛЬНОЙ РАБОТЫ

При изучении дисциплины «Основы производства углеродных материалов» студенты заочной (дистанционной) формы обучения выполняют контрольную работу.

 

Темы контрольных работ представлены ниже. Выбор варианта контрольной работы осуществляется по номеру студента в списке группы (узнать у методиста).

Объем контрольной работы должен составлять не менее 10-15 листов и иметь следующую структуру:

1) титульный лист с темой задания;

2) содержание;

3) введение (содержит информацию о значимости раскрываемой темы;

4) основная часть (основная часть должна быть структурирована так, что бы полностью раскрыть тему, т.е. должна содержать рисунки, таблицы, схемы, формулы, диаграммы, позволяющие наиболее наглядно представить материал);

5) заключение (необходимо сделать выводы по представленному в работе материалу);

6) список использованных источников.

Выполненную контрольную работу необходимо в распечатанном виде предоставить для проверки преподавателю до сдачи зачета. Консультации по выполнению контрольной работы студенты могут получить в течение семестра в соответствии с графиком консультаций студентов заочной формы обучения (информация о днях консультаций имеется на кафедре и в деканате).

Выполнение контрольной работы является необходимым условием для получения зачета. Контрольная работа не должна копировать материал лекционного курса.

Материал для выполнения контрольной работы выбирается из литературных и интернет-данных (список представлен ниже).

Контрольная работа выполняется на листах белой бумаги формата А4(210´297) без рамки. При наборе текста на компьютере: межстрочный интервал – одинарный; 14 (Times New Roman) для основного текста и шрифт 12 при оформлении таблиц. Размещение заголовков по центру, выравнивание текста по ширине. Размер полей составляет:

- левое - не менее 30 мм;

- правое - не менее 10 мм;

- верхнее - не менее 15 мм;

- нижнее - не менее 20 мм;

Размер абзацного отступа должен быть 10 мм.

Нумерация страниц документа должна быть сквозная по всему тексту. Номера страниц набираются шрифтом 13 и проставляются в правом верхнем углу без точки в конце. Нумерация страниц осуществляется с титульного листа до последней страницы.

Иллюстрации следует нумеровать в пределах раздела. Слово “Рис.” помещают в низу иллюстрации (рисунка), затем идет название иллюстрации (рисунка), затем, после двоеточия размещаются пояснительные данные. Пояснительные данные набирают используя 12 шрифт. Позиции пояснительного текста отделяют от текста с помощью тире. Текст пояснений начинается со строчной буквы. Позиции пояснения разделяются точкой с запятой, в конце пояснений точку не ставят. Нумерация и название рисунка не должна выходить за его границы. Отбивка рисунка от текста должна быть два интервала.

Таблицы обязательно должны иметь заголовки.

Таблица в пояснительной записке ограничивается со всех сторон.

Надпись «Таблица…..» с указанием номера таблицы помещают выше уровня заголовка таблицы справа. Название таблицы помещают над таблицей строчными буквами кроме первой прописной и выравнивается по середине страницы. Таблицы следует нумеровать в пределах раздела.

Список использованных источников оформляется аналогично списку литературы, представленному в данных методических указаниях.

Примеры оформления таблиц и рисунков:

Таблица 1.2

Выход продуктов коксования из компонентов гудрона.

Наименование Выход продуктов, % мас.
кокс дистиллят газ + потери
масла 3-7 85-90 7-8
смолы 25-30 50-60 10-13
асфальтены 55-70 13-22 20-22

 

 

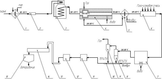
Рис. 2. 1 Принципиальная схема печного способа получения сажи:


теплообменник; 2 – фильтр; 3 – печь; 4 – реактор; 5 – воздухоподогреватель; 6 – коллектор; 7 – холодильник; 8 – циклоны; 9 – фильтры; 10 – распределительный шнек; 11 – уплотнители с мешалками; 12 – грануляционные барабаны; 13 – элеватор; 14 – вибрационное сито; 15 – бункер сборный.

 

 


УЧЕБНО-МЕТОДИЧЕСКОЕ И ИНФОРМАЦИОННОЕ ОБЕСПЕЧЕНИЕ ДИСЦИПЛИНЫ

· Основная литература:

1. Мановян А.К. Технология переработки природных энергоносителей. М.: Химия, Колос С, 2004.-456 с.

2. Заботин Л.И. Химическая технология топлив и углеродных материалов Ч. 1. Химия и технология процессов глубокой переработки нефти. Учебное пособие. Самара: Самар. гос. тех. ун-т, 2010.-180 с.

3. Заботин Л.И. Химия и технология вторичных процессов переработки Учебное пособие. Самара: Самар. гос. тех. ун-т, 2014.-332 с.

4. Технология переработки нефти учеб.пособие: в 2 ч. / сост.: В. М. Капустин, А. А. Гуреев. - М.: КолосС. Ч. 2: Деструктивные процессы. - 2008. - 334 с

5. Жилкина Е.О. Основы технологии производства углеродных материалов: Лабораторный практикум. – Самара: Самар.гос.техн.ун-т, 2007.-26 с.

 

· Дополнительная литература:

· Походенко Н.Т., Брондз Б.И. Получение и обработка нефтяного кокса. М.: Химия, 1986.

· Красюков А.Ф. Нефтяной кокс (Производство, свойства). М.: Химия, 1966.

· Зуев В.П., Михайлов В.В. Производство сажи. М.: Химия,1970.

· Сюняев З.И. Облагораживание и применение нефтяного кокса. М.: Химия, 1973.

· Сюняев З. И. Замедленное коксование нефтяных остатков. М.: Химия, 1967.

· Бендеров Д.И., Походенко Н.Т. Процесс замедленного коксования в необогреваемых камерах. М.: Химия, 1976.

· Магарил Р.З. Образование углерода при термических превращениях индивидуальных углеводородов и нефтепродуктов. М.: Химия, 1973

· Печковская К.Л. Сажа как усилитель каучуков.М.: Химия, 1998.

· Башлей З.И. Оборудование цехов улавливания и переработки продуктов коксования/Справочник. М.: Металлургия, 1992.

· Журналы: «Нефтепереработка и нефтехимия», «Химия и технология топлив и масел»

11.Ахметов С.А. Технология глубокой переработки нефти и газа.Уфа:Гилем, 2002, 672 с.

1. http://www2.viniti.ru/

2. http://www.sciencedirect.com/

3. http://ogbus.ru/pererabotka.shtml

 


 

ТЕМЫ (ВАРИАНТЫ) КОНТРОЛЬНЫХ РАБОТ

  1. Нефтяной кокс. Состав, строение, применение для производства анодов и электродов, углеграфитовых материалов, карбидов и ферросплавов.
  2. Характеристика сырья коксования. Сырье первичного и вторичного происхождения. Особенности сырья вторичного происхождения. Компонентный состав гудронов. Строение и свойства масел, смол и асфальтенов, входящих в состав гудронов.
  3. Превращения в условиях коксования отдельных классов углеводородов (нафтеновых, парафиновых, ароматических).
  4. Три этапа процесса коксования. Основные химические реакции и изменение молекулярной массы компонентов сырья в ходе процессов коксования.
  5. Структура сырого и прокаленного кокса. Изменение структуры сырого кокса в процессе прокаливания.
  6. Показатели качества сырья коксования. Влияние состава сырья на качество и выход кокса.
  7. Производство кокса в кубах. Назначение процесса, материальный баланс, технологическая схема, режим работы, номенклатура получаемых коксов.
  8. Производство кокса в кубах. Назначение процесса, материальный баланс, технологическая схема, режим работы. Основные аппараты, применяемые на установке.
  9. Термоконтактное коксование. Назначение процесса, материальный баланс, технологическая схема, режим работы.
  10. Термоконтактное коксование. Назначение процесса, материальный баланс, основные аппараты установки.
  11. Процесс замедленного коксования. Назначение процесса, материальный баланс, технологическая схема, режим работы.
  12. Процесс замедленного коксования. Назначение процесса, материальный баланс, технологическая схема, режим работы, номенклатура получаемых коксов.
  13. Процесс замедленного коксования. Причины нарушения нормальной работы установки замедленного коксования и способы их устранения.
  14. Процесс замедленного коксования. Оборудование установки замедленного коксования: реакционная камера, переключающая аппаратура, аппаратура для гидровыгрузки кокса.Характеристика, отличительные особенности и дальнейшее использование газообразных продуктов и жидких дистиллятов, получаемых в процессе коксования.
  15. Сажа, состав, строение, области применения.
  16. Классификация и марки саж. Физико-химические свойства и усиливающее действие саж.ъ
  17. Разнообразные виды и требования к сырью для производства технического углерода. Показатели качества сырья для производства сажи.
  18. Печной способ получения сажи. Назначение, технологическая схема, режим работы.
  19. Печной способ получения сажи. Технологическая схема, основное оборудование, используемое в данном способе.
  20. Печной способ получения сажи. Технологическая схема. Влияние технологических параметров на свойства печных саж.
  21. Канальный способ получения саж. Технологическая схема, сырье, выход целевого продукта.
  22. Канальный способ получения саж. Технологическая схема, Аппаратура для получения канальной сажи.
  23. Получение сажи путем термического расщепления. Технологическая схема, сырье, выход целевого продукта.
  24. Получение сажи путем термического расщепления. Технологическая схема, режим работы, основное оборудование.
  25. Оборудование для улавливания сажи из газового потока, гранулирования и подготовки сажи к транспортировке.



<== предыдущая | следующая ==>
Противовоспалительная терапия | Е издание. Grace J. Craig, Don Baucum





Date: 2015-09-23; view: 685; Нарушение авторских прав



mydocx.ru - 2015-2026 year. (0.199 sec.) Все материалы представленные на сайте исключительно с целью ознакомления читателями и не преследуют коммерческих целей или нарушение авторских прав - Пожаловаться на публикацию