Главная Случайная страница


Полезное:

Как сделать разговор полезным и приятным Как сделать объемную звезду своими руками Как сделать то, что делать не хочется? Как сделать погремушку Как сделать так чтобы женщины сами знакомились с вами Как сделать идею коммерческой Как сделать хорошую растяжку ног? Как сделать наш разум здоровым? Как сделать, чтобы люди обманывали меньше Вопрос 4. Как сделать так, чтобы вас уважали и ценили? Как сделать лучше себе и другим людям Как сделать свидание интересным?


Категории:

АрхитектураАстрономияБиологияГеографияГеологияИнформатикаИскусствоИсторияКулинарияКультураМаркетингМатематикаМедицинаМенеджментОхрана трудаПравоПроизводствоПсихологияРелигияСоциологияСпортТехникаФизикаФилософияХимияЭкологияЭкономикаЭлектроника






Больше о транзисторных усилителях





В разделе "Поговорим о транзисторах" вам была предоставлена возможность почувствовать вкус работы с усилителями на транзисторах; теперь неплохо было бы отведать всего разнообразия этого блюда, не правда ли? Однако эта глава предназначена лишь для ознакомлении с транзисторами – чтобы раскрыть все особенности транзисторных усилителей, нь хватило бы места даже во всей книге. Если вас действительно заинтересовали усилители на транзисторах и принципы их работы, и, глядя на схему, вы теперь сможете хоть приблизительно понять, как работают имеющиеся там транзисторы, значит, вы не зря прочли главу. Тем же, кто неожиданно печувствовал себя начинающими Эйнштейнами от электроники, будет действительно полезно прочесть пару хороших книг, например "Искусство схемотехники" Хоровица и Хилла. Эта книга недешево стоит, но она — библии электронщика.

 

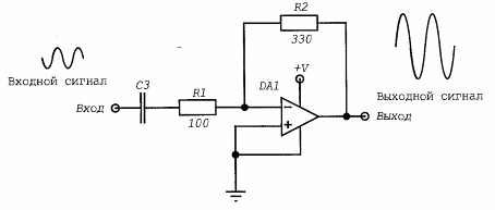
Операционный усилитель

Если один транзистор — хорошо, то два — лучше: не правда ли такой вывод напрашивался сам? Операционный усилитель представляет собой ИС, содержащую сразу десяток или больше транзисторов и других элементов. Такой усилитель, его еще сокращенно называют ОУ, работает значительно эффективнее, чем усилитель, собранный на одном транзисторе. К примеру, ОУ может усиливать сигнал с единичным коэффициентом усиления в много более широком частотном диапазоне, чем каскад с общим эмиттером.

Базовый пример включения в схему операционного усилителя приведен на рис. 7.13.

Как видно из схемы, достаточно подать на вход ОУ сигнал (скажем, с микрофона), и он появится на выходе ИС, усиленный в заданное число раз. Усиленный выходной сигнал может управлять, например, колонками. Коэффициент усиления операционного усилителя (напомним— так называется параметр, характеризующий, во сколько раз усилится сигнал при прохождении усилительного каскада) зависит от соотношения сопротивлений резисторов R1 и R2:

 

Ку = R2 / R1

 

Таким образом, если R2 будет в 10 раз больше, чем R1, то коэффициент усиления будет равен 10. Это означает, что сигнал с амплитудой 1 В, поданный на вход ОУ, на выходе усилится до 10 В.

Операционные усилители часто требуют питания как от положительного источника, так и от отрицательного. (На самом деле сейчас в основном применяются однополярные ОУ, т.е. с питанием от одного источника. — Примеч. ред.) Положительный источник питания обычно должен обеспечивать напряжение +8...+12 В, отрицательный, соответственно, -8..-12 В.

В схеме, показанной на рис. 7.13, операционный усилитель используется в инвертирующем режиме; это значит, что входной сигнал меняет свою полярность перед тем, как попасть на выход. Такой режим работы используется потому, что в неинвертирующем режиме часто можно столкнуться с проблемами появления паразитных шумов.

 

Упрощение устройств при помощи интегральных схем

 

Если кто-то говорит, что меньше иногда бывает больше, он либо глупец, либо ярый сторонник применения ИМС в электронике. Использование интегральных схем позволяет заменять сразу несколько дискретных компонентов благодаря тому, что ИМС содержит сразу все их в одном корпусе. В этом коротком разделе речь пойдет о том, как же можно подключить ИС в схему, правильно соединяя входы и выходы, землю, питание и некоторые дискретные элемент к ее выводам. Пример такого включения ИС показан на рис. 7.14.

 

Номера выводов, используемых для подключения к другим компонентам, зависят от того, в каком корпусе изготовлена микросхема. Эти выводы можно легко идентифицировать, заглянув в спецификацию на конкретную ИМС или принципиальную схему данного проекта.

На рис. 7.14:

 

> положительное питание подключено к выводу 8 ИМС (питание ИС) и выводу 4 (сброс микросхемы);

> земля подключена к выводу 1 (общий вывод ИМС);

> выходной сигнал снимается с вывода 3;

> выводы 2 и 6 называются соответственно триггерным и пороговым входами и подключены к точке между конденсатором и резистором R1;

> вывод 7, разрядный, присоединен к точке между резисторами R1 и R2.

 

При включении ИС таймера 555 таким образом, как показано на рис. 7.14, на его выводе формируется цифровой прямоугольный сигнал. (В таком включении таймер 555 работает в качестве мультивибратора — генератора прямоугольных колебаний. — Примеч. ред.) Частота выходных колебаний зависит от скорости заряда и разряда конденсатора. Вычислить эту скорость можно при помощи уравнения для расчета постоянной времени RC-цепи, предполагая, что заряд конденсатора завершается при достижении емкости двух третей от максимальной, а разряд прекращается при достижении ею же одной третьей от максимальной емкости (уравнение постоянной времени и вообще понятие RC-цепочки обсуждалось ранее в этой же главе в разделе "Включение и выключение схем при помощи RC-цепи"). Постоянная времени RC-цепочки при заряде конденсатора равна


 

Tl = (R1 x R2) x C.

 

Постоянная времени RC-цепи при его разряде составляет

 

T2 = R1 х С.

 

В данной схеме времена заряда и разряда конденсатора определяют сопротивления резисторов R1 и R2. Предел, до которого конденсатор заряжается, определяет напряжения на триггерном и пороговом входах ИС. Когда напряжение на конденсаторе достигает двух третей от напряжения питания +U, ИМС переключает сигнал на своем выходе в противоположное состояние — с +U в 0 В и позволяет конденсатору начать разряжаться через разрядный вход. Как только заряд конденсатора настолько уменьшится, что напряжение на триггерном и пороговом входах ИС упадет до одной третьей от напряжения питания схемы, ИМС переключится вновь, и сигнал на выходе изменит свое состояние до напряжения +U. При этом конденсатор начнет заряжаться опять вплоть до двух третей от максимального напряжения схемы, начиная, таким образом, новый цикл.

Эта последовательность все время повторяется, в результате чего на выходе ИМС можно наблюдать прямоугольный сигнал, как показано на рис. 7.14. Подбирая значения сопротивлений R1 и R2, можно изменять постоянную времени RC-цепочки и, следовательно, вид выходного сигнала. О том, как использовать такую возможность на практике, речь пойдет в главе 14.

Часть IV

Закатаем рукава

 

 







Date: 2015-09-26; view: 485; Нарушение авторских прав



mydocx.ru - 2015-2026 year. (0.467 sec.) Все материалы представленные на сайте исключительно с целью ознакомления читателями и не преследуют коммерческих целей или нарушение авторских прав - Пожаловаться на публикацию