Главная Случайная страница


Полезное:

Как сделать разговор полезным и приятным Как сделать объемную звезду своими руками Как сделать то, что делать не хочется? Как сделать погремушку Как сделать так чтобы женщины сами знакомились с вами Как сделать идею коммерческой Как сделать хорошую растяжку ног? Как сделать наш разум здоровым? Как сделать, чтобы люди обманывали меньше Вопрос 4. Как сделать так, чтобы вас уважали и ценили? Как сделать лучше себе и другим людям Как сделать свидание интересным?


Категории:

АрхитектураАстрономияБиологияГеографияГеологияИнформатикаИскусствоИсторияКулинарияКультураМаркетингМатематикаМедицинаМенеджментОхрана трудаПравоПроизводствоПсихологияРелигияСоциологияСпортТехникаФизикаФилософияХимияЭкологияЭкономикаЭлектроника






Устройство электродвигателя





При консольном исполнении ротор электродвигателя насаживается на выступающий конец вала компрессора и закрепляется стопорными сегментами. Устройство электродвигателя изображено на рисунке 17.

Рисунок 17. Устройство синхронного электродвигателя СДК2-16-24-12 КУ4:

 

Статор 3. Станина статора стальная, сварная, неразъемная. Активная сталь статора состоит из штампованных сегментов листовой электротехнической стали, имеющих пазы открытой формы. Сердечник статора собран из сегментов в виде кольцевых пакетов, между которыми для образования радиальных вентиляционных каналов установлены вентиляционные распорки. В пазы статора уложена двухслойная обмотка 4, состоящая из катушек -секций. Изоляция обмотки – термореактивная типа «Монолит 2» класса нагревостойкости «В», с допустимой температурой нагрева +1300.

Обмотка статора. Обмотка статора в пазовой части закреплена клиньями, в лобовой части – бандажными кольцами. выводные концы обмотки статора смонтированы на изоляторах в вводном устройстве.

Ротор 5. Ротор электродвигателя состоит из стального магнитного колеса, на ободе которого с помощью шпилек закреплены полюса. Сердечники полюсов собраны из штампованных листов, стянутых заклепками. Обмотка 6 ротора состоит из отдельных катушек, намотанных на ребро из голой меди. Витки катушки изолированы друг от друга асбестовой бумагой. Запеченные катушки насажены на изолированные сердечники полюсов. Изоляция обмотки ротора – класса нагревостойкости «В».

На полюсах расположена пусковая обмотка, состоящая из медных стержней, замкнутых между собой медными сегментами.

Щиты 1,2. Щиты 1,2 состоят из штампованных сегментов, крепятся к станине с помощью болтов.

Фундаментные плиты 9. Электродвигатель консольного исполнения устанавливается на две консольные плиты, сваренные из листовой стали.

Контактные кольца 8 изготавливаются из стали и насаживаются на втулку, изолированную стеклотканью. Втулка крепится к ступице магнитного колеса ротора.

Траверса и щеткодержатели. Траверса для крепления щеткодержателей представляет собой держатель, к которому привернуты две изолированные шпильки. На шпильках собраны две стальные луженные шины, к которым крепятся щеткодержатели. Щеткодержатели снабжены регулируемыми пружинами, обеспечивающими удельное давление щеток на кольца. Щеткодержатель установлен на кронштейне, который крепится к станине.

Вентиляция. Электродвигатель имеет согласную аксиальную систему вентиляции. Охлаждающий воздух входит в электродвигатель через защитную сетку в щите со стороны защитных колец. Часть входящего воздуха отбрасывается лопатками ротора на лобовые участки обмотки статора. Большая часть воздуха входит в ротор и разделяется на две струи: радиальную и аксиальную. Воздух радиальной струи проходит через каналы статора и выбрасываются из двигателя через окна в обшивке статора. Воздух аксиальной струи проходит между полюсным каналом через лопатки и выбрасывается из электродвигателя через окна в щите со стороны компрессора.

Возбуждение. Возбуждение электродвигателя осуществляется статическим возбудителем серии ТЕ8-320/48Т-5У4. Расшифровка обозначения возбудителя:

Т– тиристорный; Е- естественное воздушное охлаждение, 8 - класс перегрузки, 320 - номинальный выпрямленный ток в амперах; 48- номинальное выпрямленное напряжение в вольтах, Т- питание от трансформатора, 5 - номер модификации, У-умеренный климат, 4 - категория размещения.

Возбудитель предназначен для питания обмотки возбуждения и управления током возбуждения синхронного двигателя при прямом пуске от сети.

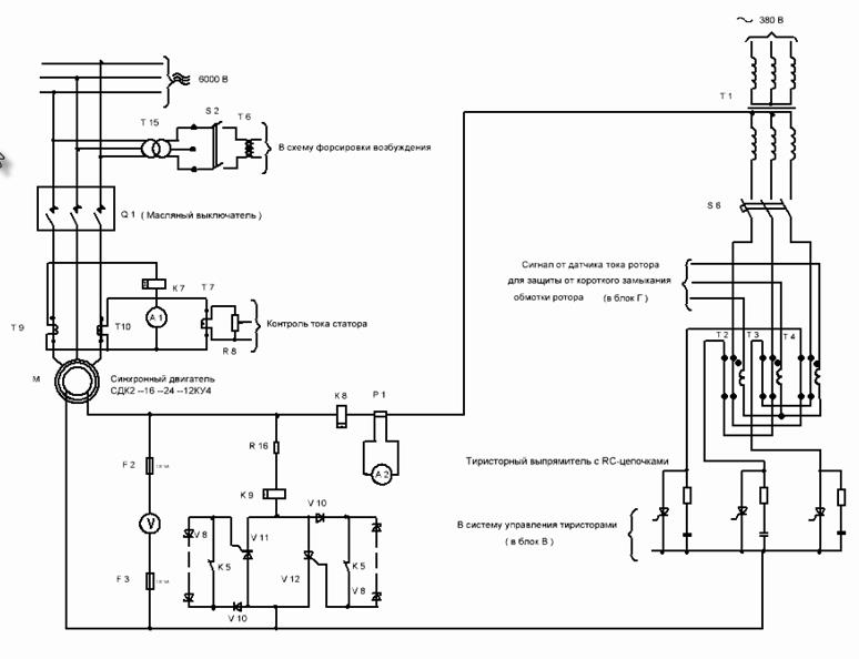
Возбудитель конструктивно выполнен в виде металлического шкафа двухстороннего обслуживания и отдельно устанавливаемого силового трансформатора типа ТСЗВ. Рассмотрим работу синхронного электропривода компрессора 2ВМ-10-50/8 по рисунку 18.

Статор синхронного двигателя получает питание от сети переменного тока напряжением 6 кВ через масляный выключатель камеры 1дв РУ-6 кВ (рисунок 16). Обмотка возбуждения синхронного двигателя подключается к возбудителю. Узловым элементом возбудителя является тиристорный выпрямитель.

Тиристор, будучи включен в цепь переменного напря­жения (рисунок 10, а), может пропускать ток в том случае если потенциал его анода А выше потен­циала катода К и на управляющий электрод УЭ тиристора подано управляющее напряже­ние Uу, обеспечиваю­щее ток управления Iу, достаточный для от­крытия тиристора.

Рисунок 18. Регулирование напряжения на нагрузке с помощью одного тиристора (а) и диаграмма напряжения (б).


При этих условиях для открытия тиристора достаточно крат­ковременного импульса тока. Открытый тиристор мо­жет закрыться лишь тогда, когда протекающий через него ток уменьшится практически до нуля.

Напряжение сети изменяется во времени по синусо­идальному закону (рисунок 18 б). Условились считать верх­нюю полуволну напряжения положительной, а нижнюю отрицательной. Применительно к рисунку 18, а, это озна­чает, что при положительной полуволне напряжения ле­вый зажим сети положителен по отношению к правому. Длительность периода напряжения измеряется в радиа­нах или градусах и составляет 2π радиан, длительность одной полуволны равна π радиан. 2 π радиан соответ­ствуют 360°.

Импульс, открывающий тиристор, может быть подан в любой точке интервала 0 — π положительной полуволны напряжения. Интервал между началом положитель­ной полуволны и моментом подачи отпирающего импуль­са называют углом управления α (рисунок 18, б). В однофазных схемах угол α может изменяться от нуля до π. При α = 0 напряжение на нагрузке и ток в ней имеют наибольшую величину. С ростом угла управления напряжение и ток нагрузки уменьшаются и при α = π напряжение на нагрузке рано нулю.

Тиристорный выпрямитель собран по схеме трехфазного выпрямителя с нулевым выводом и состоит из трех тиристоров типа Т500, защищенных R-C цепочками. Питание выпрямителя осуществляется от сети переменного тока напряжением 380 В, 50 Гц через автоматический выключатель S6 и согласующий трансформатор Т1 от щита 0,4 кВ РУ6 кВ смотри рисунок 16. Согласующий трансформатор Т1 преобразует напряжение 380 В в необходимое для работы тиристорного выпрямителя напряжение 160 В.

Параллельно обмотке возбуждения синхронного двигателя через тиристорный ключ V11, V12 подключено пусковое сопротивление R16, последовательно с обмоткой возбуждения включено токовое реле К8, последовательно с пусковым сопротивление включено токовое реле К9.

В возбудителе предусмотрено автоматический, ручной и аварийный режимы управления током возбуждения. При работе в режиме ручного управления возбудитель обеспечивает:

– пуск синхронного двигателя с автоматической подачей возбуждения в функции тока статора;

– плавную регулировку тока возбуждения от 0,3 до 1,4 номинального тока;

– ограничение напряжения возбуждения по минимуму в пределах 0÷0,5 номинального значения;

– ограничение тока возбуждения по максимуму в пределах 0,8÷1,75 номинального значения;

– защиту ротора от длительной перегрузки по току;

– форсировку возбуждения при падении напряжения сети статора на 15-20% от номинального значения;

– форсированное гашение тока ротора при отключении двигателя.

Возбудитель имеет следующие защиты:

– от внутренних коротких замыканий;

– от внешних коротких замыканий со стороны постоянного тока;

– от перегрева пускового сопротивления и длительного асинхронного хода двигателя.

 


Рисунок 19. Схема силовых цепей синхронного электропривода компрессора 2ВМ-10-50/8


Расположение органов управления и контроля работы на передней двери возбудителя изображено на рисунке 20.

Рисунок 20. Лицевая панель возбудителя ТЕ8-320/48Т-5У4.


 

Расположение элементов возбудителя с передней стороны обслуживания представлено на рисунке 21.

Расположение элементов возбудителя с задней стороны обслуживания представлено на рисунке 22.

Схема пуска осуществляет пуск синхронного двигателя и подачу возбуждения после окончания процесса пуска. Команда на включение масляного выключателя Q1 поступает из системы автоматизации компрессора. Блок-контакты Q1 масляного выключателя (рисунок 22) включает реле К2, которая своими замыкающими контактами включает блок питания электроники. Одновременно размыкающие контакты масляного выключателя Q1 отключают реле инвертирования К3, которое отпадает с выдержкой времени. За время отпадания реле К3 ток статора успевает дорасти до величины, достаточной для срабатывания реле тока К7 (рисунок 19).

Реле тока К7 подключается ко вторичной обмотке трансформатора тока Т9, расположенного в камере 1дв РУ-6 кВ. После включения реле К7 срабатывает реле К4 (рисунок 22) по цепи замыкающий контакт К7 - замыкающий контакт К3 и блокируется замыкающим контактом К4. Пока процесс пуска не закончен и реле К4 включено поступление импульсов управления в тиристорный выпрямитель не происходит. При пуске при синхронной скорости ток статора снижается до величины, достаточной для отпадания реле К7. Цепь реле К4 размыкается, реле К4 отпадает и разрешает подачу управляющих импульсов. Во время пуска параллельно ротору включается пусковой резистор R16, который предназначен для асинхронного пуска синхронного двигателя и снижения напряжения и перенапряжения на выпрямителе до допустимой величины. Блок включения и отключения пускового сопротивления состоит из тиристора V11, V12, диодно-стабилитронных цепей V8, V10, реле К9 и К5 (рисунок 19).

Во время пускового режима после включения масляного выключателя в цепи ротора индуктируется переменное напряжение с частотой скольжения, импульсы управления не поступают в выпрямитель и по обмотке реле К8 ток не протекает. Во время пуска реле К5 включено замыкающими контактами реле К4 (смотри рисунок 23). При этом тиристоры V11, V12 периодически открываются напряжением, индуктированным в обмотке ротора и в цепи резистора R16 протекает ток. После подачи возбуждения остается включенным тиристор V12, а тиристор V11 отключается. После подачи возбуждения реле К5 остается включенным за счет замыкающей цепи контакта герконового реле К8, включенного последовательно в выходную цепь выпрямителя.

Рисунок 21. Расположение элементов возбудителя в шкафу с передней стороны обслуживания.

 

Устройство схемы опробования имеет кнопку S10 (рисунок 23), это дает возможность проверить работоспособность возбудителя при отключенной статорной цепи электродвигателя. Реле К1 (рисунок 23) выполняет защитную функцию: при срабатывании одной из защит от системы управления выпрямителем оно включается, блокируется своим блок-контактом и отключает реле К2 питания электроники. Одновременно контактом реле К1 подается сигнал на отключение масляного выключателя. Кнопка S9 служит для деблокировки защит (для отключения реле К1).


Рисунок 22. Расположение элементов возбудителя в шкафу с задней стороны обслуживания.

 

Индикаторная лампа Н4 сигнализирует о срабатывании защиты от асинхронного хода.

Электронная система управления состоит из ряда отдельных блоков, расположенных в шкафу возбудителя в кассете, (рисунок 21). В комплект системы управления входят следующие блоки:

- блок А - автоматический регулятор возбуждения АРВ;

-блок Б - блок управления, ограничения и защит;

-блок В - фазоимпульсный блок;

-блок Г - блок питания.

Управление тиристорами выпрямителя осуществляется от импульсных каналов фазоимпульсного блока В.

Схема защиты от асинхронного хода срабатывает при протекании тока через пусковое сопротивление, сигнал на включение схемы защиты подаётся герконным реле К9. Протекание тока через пусковое сопротивление происходит в режиме асинхронного хода под воздействием переменного напряжения, наведенного при пуске в цепи ротора. Амплитуда напряжения, необходимая для срабатывания тиристорного ключаV11;V12, замыкающего ротор на пусковое сопротивление, зависит от состояния реле К5 и резко уменьшается при отключении К5.

 

 


 

 

Рисунок 23. Схема релейной части управления возбудителем


 

Схема защиты от короткого замыкания питается от датчика тока ротора. Датчик тока ротора состоит из трёх трансформаторов тока Т2÷Т4, первичные обмотки которых включены во вторичную цепь трансформатора Т1, и диодного выпрямителя в блоке Г.Схема срабатывает при превышении заданной уставки тока преобразователя, т. е. при любых видах коротких замыканий в силовых цепях возбудителя. Срабатывание схемы приводит к исчезновению импульсов, поступающих из блока В в преобразователь, и к отключению масляного выключателя.

Схема пуска осуществляет автоматическую подачу возбуждения при пуске синхронного двигателя. Схема питается от трансформатора тока Т9 в статорной цепи двигателя. Пока ток статора превышает заданную уставку, импульсы из фазоимпульсного блока не поступают.

Схема форсировки предназначена для осуществления форсировки возбуждения при падении напряжения в статорной цепи двигателя. Схема питается от трансформатора напряжения Т15. Этот трансформатор (6000 В/100В) находится в камере РУ 6 кВ, см. рис.16. Его вторичное напряжение 100 В поступает в схему возбудителя через автоматический выключатель S2, см. рис. 19; 21. Напряжение питания привода масляного выключателя 220 В постоянного тока поступает в схему возбудителя через автоматический выключатель S4, см. рис. 21, одновременно оно является напряжением питания релейной части схемы управления возбудителя (рисунок 23).

Управление компрессором осуществляется со шкафа с системой автоматизации компрессора 2ВМ10-50/8. Рассмотрим фрагмент схемы управления пуском и остановом синхронного двигателя, см. рис. 24. Возможен один из трёх режимов управления: автоматический, программный, кнопочный (выбор режима управления осуществляется переключателем УП1). Кнопочный режим управления предусматривает включение главного электродвигателя и электродвигателей агрегатов смазки, задвижками в атмосферу, в систему – индивидуальными элементами-кнопками. При всех режимах управления автоматически запрещается пуск, если предварительно не подан предпусковой сигнал и валоповоротный механизм не выведен из зацепления с шестернёй вала, контроль осуществляется конечным выключателем

ВК.

Предпусковая сигнализация ППС предназначена для предупреждения от несчастных случаев и подготовки обслуживающего персонала к пуску. ППС осуществляется схемой, в состав которой входят реле Р1, Р2; реле времени РВ1 и в качестве исполнительного органа звонок Зв. Предпусковой сигнал подается при кнопочном управлении кнопкой Кн1, при этом поступает напряжение на обмотку реле Р1 через контакт конечного выключателя ВК (валоповоротный механизм выведен из зацепления) и замкнутый контакт реле Р20 (реле аварийной защиты Р20 выключено). Реле Р1 срабатывает и блокируется по цепи 13-61. Реле Р1 своими нормально-открытыми контактами обеспечивает питание звонка Зв и реле времени РВ1. Через установленную выдержку времени замыкается временной контакт РВ1 и включается реле Р2, которое своими нормально замкнутыми контактами размыкает цепь питания звонка Зв, а нормально открытым контактом готовит цепь включения электромагнитного привода масляного выключателя в оперативных цепях постоянного тока 220 В.

Рисунок 24. Схема управления пуском и остановом синхронного двигателя компрессора 2ВМ10 -50/8.

 

Команда на включение масляного выключателя подаётся нажатием кнопки Кн2 (рисунок 24). При этом замыкается цепь 1–3 схемы управления масляным выключателем камеры КСО–272 и включается контактор КП. Контактор КП своими контактами рисунок 25) включает электромагнит ЭВ электромагнитного привода ПЭ–11. Срабатывает механизм привода и подвижные контакты масляного выключателя подают высокое напряжение 6000 В в статор синхронного двигателя. В конце хода подвижных контактов масляного выключателя блок–контактами КБП и КВВ отключается контактор КП, а блок–контактами КБО готовится цепь включения отключающего электромагнита ЭО.

 

Рисунок 25. Схема электромагнитного привода ПЭ–11 камеры КСО–272 (расположены в помещении РУ–6кВ).

 

Команда на отключение масляного выключателя подаётся нажатием кнопки Кн3 (рисунок 24). При этом замыкается цепь 1–33 схемы управления масляным выключателем и срабатывает отключающий электромагнит ЭО, масляный выключатель отключается, высокое напряжение 6000 В со статора синхронного двигателя снимается. Такая же команда может быть подана из схемы тиристорного возбудителя контактом реле К1 или из схемы автоматизации компрессора контактами реле Р19 (реле аварийной сигнализации и отключения). Команда на отключение масляного выключателя может поступить и при отключении одного из реле К1 или К2. Реле К1 контролирует наличие напряжения оперативных цепей = 220 В, а реле К2 –наличие высокого напряжения ~6000 В (через трансформатор 6000/100 В в камере трансформатора напряжения). Масляный выключатель в этом случае отключается за счёт энергии заряженного конденсатора С1.

Неотъемлемой частью электропривода компрессора 2ВМ10-50/8 является высоковольтное распределительное устройство РУ­ 6кВ. В нём смонтированы камеры сборные одностороннего обслуживания разработки 1972 года типа КСО­272. Камера представляет собой металлоконструкцию, сваренную из гнутых стальных профилей (см. рис.26). Внутри размещена аппаратура первичных соединений (масляные выключатели, разъединители, предохранители, измерительные трансформаторы), на фасаде– приводы выключателей и разъединителей, а также аппаратура вторичных соединений – на двери зоны масляного выключателя.

Доступ в камеры обеспечивают две двери, верхняя– в зону масляного выключателя или трансформатора напряжения, нижняя– в зону линейного разъединителя РВЗ и кабельных присоединений. Обе двери имеют застеклённые смотровые окна для обзора внутренней части камер без снятия напряжения. Рукоятки приводов и аппаратов управления, реле защиты, управления, сигнализации, приборы учёта и измерения расположены с фасадной стороны камер КСО.

Во избежание ошибочных операций при обслуживании и ремонте в камерах выполнены следующие механические блокировки:

– блокировка масляного выключателя с шинным и линейным разъединителями, обеспечивающая невозможность включать и отключать приводы разъединителей при включённом масляном выключателе;

– блокировка главных и заземляющих ножей разъединителей РВЗ, обеспечивающая невозможность их одновременного включения;

– приводы заземляющих ножей в обоих положениях можно запереть с фасада висячим замком.

В помещении распределительного устройства камеры КСО–272 соединяются между собой болтовым соединением, электросваркой и располагаются согласно схеме (см. рис.27), а силовые электрические цепи соединяются шинным мостом. Шинный мост представляет собой металлоконструкцию, собранную из двух рам с установленными на них изоляторами, шинами и шинодержателями.

 

 

 
 
 
 
 
 
 
 
 
 
 
 
 
 
 
 
 
 
 
 
 
 
 
 
 
 
 
 
 
 
 
 

 

Рис. 26. Конструкция камеры КСО–272 с масляным выключателем ВМГ–10 и электромагнитным приводом ПЭ–11.

1 – дверь отсека линейного разъединителя РВЗ и кабельного присоединения;

2– блок конденсаторов С1 (см. рис. 24);

3 – дверь отсека масляного выключателя ВМГ–10;

4;24 – рычажный привод ПР–10 шинного разъединителя РВЗ;

5;25 – рычажный привод ПР–10 заземляющих ножей шинного разъединителя РВЗ;

6 – токовые реле РТ–80;

7 – шинный мост;

8, 29 – сетчатое ограждение;

9, 28 –короб – канал для магистральных шинок оперативных цепей питания электромагнитов включения, сигнализации и цепей управления;

10 – промежуточное реле и автоматический выключатель 2АВ;

11 – тяга привода масляного выключателя ВМГ–10;

12 – рычажный привод ПР–10 заземляющих ножей линейного разъединителя РВЗ;

13 – рычажный привод ПР–10 линейного разъединителя РВЗ;

14 – сигнальные реле;

15 – автоматический выключатель 1АВ;

16 – линейный разъединитель РВЗ;

17, 22 – контактор КП;

18 – ключ управления КУ, (см. рис. 24);

19 – выходной вал электромагнитного привода ПЭ–11;

20, 21 – электромагнитный привод ПЭ–11;

23 – трансформатор тока;

26 – масляный выключатель ВМГ–10;

27 – тяга рычажного привода ПР–10 шинного разъединителя РВЗ;

30 – шинный разъединитель РВЗ;

 


Рисунок 27. Схема силовых электрических цепей РУ–6кВ компрессора 2ВМ–50/8.


 







Date: 2015-09-05; view: 3604; Нарушение авторских прав



mydocx.ru - 2015-2026 year. (1.065 sec.) Все материалы представленные на сайте исключительно с целью ознакомления читателями и не преследуют коммерческих целей или нарушение авторских прав - Пожаловаться на публикацию