Главная Случайная страница


Полезное:

Как сделать разговор полезным и приятным Как сделать объемную звезду своими руками Как сделать то, что делать не хочется? Как сделать погремушку Как сделать так чтобы женщины сами знакомились с вами Как сделать идею коммерческой Как сделать хорошую растяжку ног? Как сделать наш разум здоровым? Как сделать, чтобы люди обманывали меньше Вопрос 4. Как сделать так, чтобы вас уважали и ценили? Как сделать лучше себе и другим людям Как сделать свидание интересным?


Категории:

АрхитектураАстрономияБиологияГеографияГеологияИнформатикаИскусствоИсторияКулинарияКультураМаркетингМатематикаМедицинаМенеджментОхрана трудаПравоПроизводствоПсихологияРелигияСоциологияСпортТехникаФизикаФилософияХимияЭкологияЭкономикаЭлектроника






Краткие методические указания





Перед выполнением задания необходимо ознакомиться с материалом теоретической части данной работы.

Если входной сигнал задан в виде источника тока, то в схему устройства необходимо включить преобразователь «ток-напряжение» с сопротивлением в цепи обратной связи R = 1 кОм.

Начальные фазы входных напряжений пилообразной и прямоугольной форм принять согласно рис. 2.21 и 2.22.

При наличии в схеме дифференциального усилителя принять, что верхний (по рис. 2.1-2.20) входной вывод соответствует инвертирующему входу, а нижний - неинвертирующему входу этого усилителя. Для суммирующего усилителя: верхний входной вывод соответствует первому входу (коэффициент передачи KΣ1), а нижний - второму входу (коэффициент передачи KΣ2).

Принципиальные схемы узлов (условные обозначения и размеры элементов) должны быть выполнены согласно ЕСКД [2]. При выборе параметров элементов схем необходимо помнить, что минимальное сопротивление резисторов при их использовании с ОУ обычно составляет не менее 1000 Ом (1 кОм).

При определении выходных напряжений узлов нужно вначале записать математическое выражение для напряжения. Графики рекомендуется строить с использованием вычислительной техники и соответствующих программ (например, интегрированной системы программирования МATLAB). Временной интервал при построении графиков не должен быть менее большего периода двух заданных напряжений. При наличии экспоненциального (непериодического) воздействия временной интервал наблюдения должен составлять (3-4) а при отрицательном и примерно равен а при положительном показателях степени экспоненты.

 


Пример

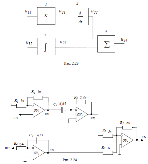
Для примера рассмотрим схему соединения узлов на основе ОУ, которая приведена на рис. 2.23. Она содержит неинвертирующий, дифференцирующий, интегрирующий и суммирующий усилители. Пусть на её вход поданы пилообразное (u11) и прямоугольное (u12) напряжения согласно рис. 2.21 и 2.22. В качестве варианта параметров выберем вариант 1 из таблицы 2.2.

Принципиальная схема заданного устройства приведена на рис. 2.24.

 

 

2.3.1. Определение параметров элементов схемы

Коэффициент передачи неинвертирующего усилителя (он собран на ОУ1, рис. 2.24) равен 2. Поэтому, задаваясь R1 =3 кОм, определяем R2 =3 кОм (см. формулу (1.3)).

Коэффициент передачи дифференциатора (он собран на основе ОУ2, рис.2.24) на частоте входного сигнала равен 1, поэтому задаваясь R3= 2,4 кОм и учитывая, что , определяем (из соотношения ) значение емкости конденсатора дифференцирующего усилителя: мкФ.

Поскольку коэффициент передачи интегрирующего усилителя (он собран на основе ОУ3) также равен 1 и период Т входного сигнала прямоугольной формы также равен 0,1 с, то параметры его элементов можно выбрать такими же, как параметры дифференциатора.

Коэффициенты передачи суммирующего усилителя (на основе ОУ4) по обоим входам равны 2, поэтому, выбирая R5=R6=3 кОм, определяем R7 =2´3кОм=6кОм.

Рассчитанные параметры элементов показаны на схеме рис.2.24.

 

2.3.2. Определение выходных напряжений

Выходное напряжение неинвертирующего усилителя u21= 2 u11, поэтому максимальное значение этого напряжения равно 2В. В интервале 0... t1 (рис.2.21) оно равно

(-Um1+ kt), а в интервале t1... t2 равно (Um1- kt). Таким образом,

, (2.1)

где постоянный коэффициент k, определяется выражением

. (2.2)

График напряжения u21 представлен на рис. 2.25.

 

 

Выходное напряжение дифференцирующего усилителя равно: , что, на основании (2.1) и (2.2), даёт

(2.3)

График напряжения представлен на рис.2.26.

 

Входное напряжение u21 имеет прямоугольную форму (рис. 2.22). На протяжении периода его математическая запись имеет вид:

(2.4)

Выходное напряжение интегрирующего усилителя в интервале времени 0... 0,05 с (t1 =0,05 с) равно

(2.5)

В момент времени t=t1 оно равно -6,284 В, поэтому в интервале времени 0,05...0,1 с (t2 =0,1 с)

(2.6)

В момент времени t =0,1 с напряжение u23 =0. График выходного напряжения интегратора, согласно (2.5) и (2.6), представлен на рис.2.27.

 

 

Суммирующий усилитель суммирует напряжения u22 и u23. График его выходного напряжения u24 = -2 u22 - 2 u23 приведен на рис. 2.28.

 

 

СПИСОК ЛИТЕРАТУРЫ

1. Аналоговые интегральные микросхемы: Справочник / Б.П.Кудряшов, Ю.В.Назаров. Б.В.Тарабрин. В.А.Ушибышев.- М.: Радио и связь. 1981.

2. Единая система конструкторской документации: Справочное пособие /С.С.Борушек. А.А.Волков, М.М.Ефимова и др - 2 изд. - М.: Издательство стандартов, 1989. -352с.








Date: 2015-09-05; view: 499; Нарушение авторских прав



mydocx.ru - 2015-2026 year. (0.746 sec.) Все материалы представленные на сайте исключительно с целью ознакомления читателями и не преследуют коммерческих целей или нарушение авторских прав - Пожаловаться на публикацию