Главная Случайная страница


Полезное:

Как сделать разговор полезным и приятным Как сделать объемную звезду своими руками Как сделать то, что делать не хочется? Как сделать погремушку Как сделать так чтобы женщины сами знакомились с вами Как сделать идею коммерческой Как сделать хорошую растяжку ног? Как сделать наш разум здоровым? Как сделать, чтобы люди обманывали меньше Вопрос 4. Как сделать так, чтобы вас уважали и ценили? Как сделать лучше себе и другим людям Как сделать свидание интересным?


Категории:

АрхитектураАстрономияБиологияГеографияГеологияИнформатикаИскусствоИсторияКулинарияКультураМаркетингМатематикаМедицинаМенеджментОхрана трудаПравоПроизводствоПсихологияРелигияСоциологияСпортТехникаФизикаФилософияХимияЭкологияЭкономикаЭлектроника






Подбор крана





 

 

Выбор крана производят:

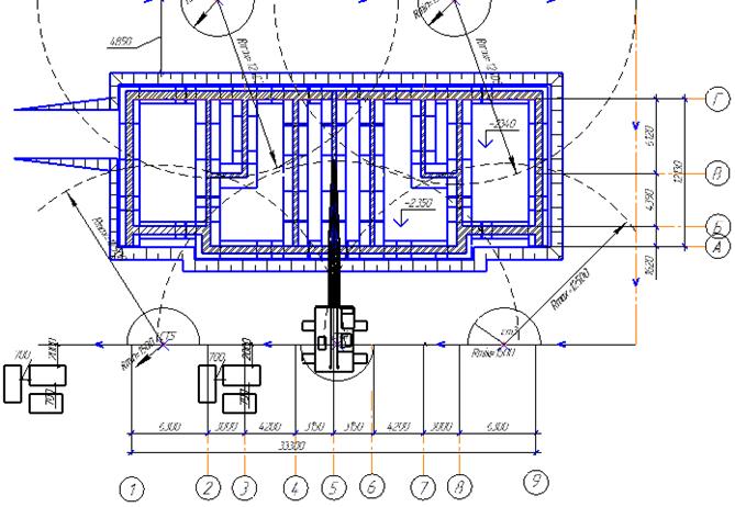
1. Исходя из конфигурации котлована, его размеров, а также массы и размеров монтируемых элементов, определяются требуемые параметры крана.

2. По технической характеристики кранов, приведенных в справочнике «Краны автомобильные, пневмоколесные, гусеничные» подбираем кран с параметрами равными требуемым (расчетным) или несколько большими.

3. По расчетам можно подобрать несколько кранов, путем сравнения технико-экономических показателей этих кранов выбираем наиболее подходящий.

 

По данным параметрам подбираем кран МКГ-25 со стрелой L=17,5м.

1. Максимальная высота подъема крюка, обусловлена котлованом и конструкцией такелажных приспособлений:

Нкрзапэлстр=2,3+0,6+4=7(м)

2. Максимальная масса монтируемого элемента:

М=Мдетт.п.=5,+0,037=5,037(т)

М – требуемая оптимальная грузоподъемность крана

Мдет – максимальная масса монтируемого элемента

Мт.п. – масса такелажных приспособлений

3. Максимальный вылет крюка при подаче наиболее удаленного элемента (определяется графически):

lкр=6,0+1,0+0,6+4,0+2,0=13,5(м)

Схема движения крана

Расчет степени использования крана

 

1. Коэффициент использования крана по времени:

Квр=N·Hвр/8=39·0,2038/8=0,99

N – количество поднимаемых за наиболее нагруженную смену конструкций (по календарному плану) N=39 (фундаментные блоки)

Hвр – норма времени для соответствующих грузов Hвр=20,38/100=0,2038

 

2. Коэффициент использования крана по грузоподъемности:

Кгр=Р/Qмах=5,137/20,0=0,26

Р – вес наиболее тяжелой конструкции

Qмах – максимальная грузоподъемность крана

 

3. Общий коэффициент: Кобщ= Квр·Кгр=0,99·0,26=0,26

 







Date: 2015-09-05; view: 1859; Нарушение авторских прав



mydocx.ru - 2015-2026 year. (1.273 sec.) Все материалы представленные на сайте исключительно с целью ознакомления читателями и не преследуют коммерческих целей или нарушение авторских прав - Пожаловаться на публикацию