Главная Случайная страница


Полезное:

Как сделать разговор полезным и приятным Как сделать объемную звезду своими руками Как сделать то, что делать не хочется? Как сделать погремушку Как сделать так чтобы женщины сами знакомились с вами Как сделать идею коммерческой Как сделать хорошую растяжку ног? Как сделать наш разум здоровым? Как сделать, чтобы люди обманывали меньше Вопрос 4. Как сделать так, чтобы вас уважали и ценили? Как сделать лучше себе и другим людям Как сделать свидание интересным?


Категории:

АрхитектураАстрономияБиологияГеографияГеологияИнформатикаИскусствоИсторияКулинарияКультураМаркетингМатематикаМедицинаМенеджментОхрана трудаПравоПроизводствоПсихологияРелигияСоциологияСпортТехникаФизикаФилософияХимияЭкологияЭкономикаЭлектроника






Информация для преподавателя





Лабораторная работа №6

Масса и энергия связи атомных ядер.

I. Цель работы: 1. Ознакомление с основными массовыми и энергетическими

характеристиками атомных ядер.

2. Изучение зависимости энергии связи ядер как функция

массового числа А и заряда Z (формула Бете – Вайцзеккера)

3. Оценка некоторых параметров стабильных, ядер а также

активных ядер.

 

II. Теоретическая часть.

2.1. Основные понятия и определения:

Как известно, все стабильные и долгоживущие (t >10-10с) атомные ядра состоят из протонов (p) и нейтронов (n), которые называют иногда нуклонами. Укажем основные параметры нуклонов и, для сравнения, электрона (е) в виде таблицы 1:

 

Таблица 1. Основные характеристики нуклонов и электрона.

 

  частица   Масса (mо)   mос2 (МэВ)   электр. зар. (Кл)
  (кг)   (в един. mе)   (в а.е.м.)
  протон (р)   1,6726 10-27   1836,15   1,007276   938,279   +1,602 10-19
  нейтрон (n)   1,6749 10-27   1838,68   1,008665   939,573  
  электрон (е)   9,1105 10-31     5,48 10-4   0,511   -1,602 10-19

 

В таблице указана одна из внесистемных единиц измерения массы микрочастиц - атомная единица массы (а.е.м.). За 1 а.е.м. принимается 1/12 часть массы нейтрального атома изотопа углерода МэВ.

Если в состав ядра входит Z протонов и N нейтронов, то их общее число А=Z+N называется массовым числом или барионным зарядом. Каждое ядро обозначается в виде , где X – символ соответствующего химического элемента.().Ядра с одинаковыми и разными А называются изотопами; ядра с одинаковыми А и разными - изобарами; ядра с одинаковыми N и разными - изотонами. Два изобарных ядра, отличающие заменой р n называются зеркальными ( F).

Важнейшим параметром ядра характеризующим его прочность, является энергия связи Есв (Z,A).

Энергия связи ядра ( относительно всех нуклонов) называется минимальная энергия, которую необходимо сообщить ядру, чтобы полностью расщепить его на составляющие его нуклоны. Заметим, что внутренняя энергия ядра Евн отличается от энергии связи знаком Евн=-Есв. Знание энергий связи ядер позволяет рассчитать энергетический баланс не только для процесса полного расщепления, но и для любых процессов распадов и взаимных превращений ядер. Например, энергия отделения протона Ер от ядра равна:

Ерсв(Z, A) - Есв(Z-1, А-1). (1)

Энергия «прилипания» нейтрона к ядру Еn равна:

Еnсв(Z, А) – Есв(Z, А+1). (2)

Для выбивания из ядра -частицы (ядро ) нужна энергия:

Е2св(Z, A) - Ecв(Z-2, A-4) – Есв(). (3)

Удельной энергией связи ядра называется отношение .

В силу известного соотношения между массой и энергией (Е=Мс2) Есв можно записать в виде:

Есв=[ZMр+NMn-M(Z,A) ] c2, (4)

если масса выражена в кг..Если масса выражена в энергетических еденицах (когда указана фактически энергия покоя М0с2), то равенство (4) запишется в виде:

Есв=ZMp+NMn-M(Z,A) (5)

Массы заряженных частиц экспериментально измеряют с помощью масс-спектрографов, с относительной точностью 10-5-10-6 (или по энергии связи ~ 0,01%).

Для практических целей важно отметить, что в справочных таблицах приводятся не массы ядер, а массы соответствующих нейтральных атомов. Поэтому для удобства вычислений в (5) добавим и вычтем массу Z электронов атома и, пренебрегая разницей энергий связи электронов в Z атомах водорода и в атоме , получаем:

Есв(Z,A)=ZMaт()+NMn-Mат(). (6)

Из соотношения (4) и (5) следует, что масса стабильного ядра (Есв 0) меньше суммы масс отдельных нуклонов на величину Есв (либо ), которая определяется путём введения понятия дефекта массы ядра.

Дефектом массы ядра в ядерной физике называется разность между массой ядра, выраженной в а.е.м. и соответствующим массовым числом:

∆(Z,A)=Mя(Z,A)-A (7)

В частности, из таблицы 1 дефект массы р и n равны ∆р=0,007276а.е.м.=6,77761МэВ

n=0,008665а.е.м.=8,07146МэВ

Для -частицы (по справочным данным) ∆ =0,001506=1,40284МэВ.

Для установления зависимости дефекта массы и энергии связи ядра учтем условие (6), где массы выражены в а.е.м., и соотношение (7), т.е. Mя=∆+A, Mр=∆р+1, Mк=∆к+1.

Есв=Z(∆р+1)+N(∆n+1)-(∆+A)= Z∆р+N∆n-∆(Z,A). (8)


Например, для -частицы () имеем:

Есв=2 (0,007276+0,008665)-0,001506=0,0030 а..е.м.=28,38МэВ.

В справочных таблицах обычно приводятся не массы ядер, а массы (дефекты массы) нейтральных атомов, которые больше масс ядер на массы электронных оболочек. Естественно дефекты массы нейтральных атомов определить соотношением:

δ(Z,A)= Mаг(Z,A)-А. (9)

Например δ()=∆ +2 е=0,001506+2 0,000549=0,002604 а.е.м.=2,42563МэВ

Очевидно, формула (8) остается справедливой, если дефекты масс ядер заменить на дефекты масс нейтральных атомов:

Есв = Zδм + Nδn –δ(Z,А) (10)

(здесь δn = ∆n). Дефекты масс всех атомов с 0 Z 94 приведены в приложении 1.

 

 

2.2. Полуэмпирическая формула Бете-Вайцзеккера (БВ):

Важнейшей задачей ядерной физики является получение зависимость Есв= Есв (Z,A) из всей совокупности ядерно-физических данных. Для получения этой зависимости важнейшими являются пять признаков.

1. Для не слишком легких ядер (А 20) удельная энергия связи примерно постоянна и составляет около 8 МэВ/нуклон. Этот т.н. объемный член можно записать в виде:

Е1 = а1 А (11)

Эта линейная зависимость от А свидетельствует о свойстве насыщения ядерных сил и их короткодействующем характере. С насыщением ядерных сил связано и то обстоятельство, что плотность ядерного вещества для не слишком легких ядер приблизительно постоянна. Для грубых оценок можно записать:

.

Отсюда находим зависимость “радиуса” ядра от А:

R = R0 А⅓, (12)

где по разным данным R0 = (1,2-1,5) 10-15 м.

 

2. Спад зависимости Есв(A) при малых А можно качественно объяснить в т.н. жидко-капельной модели, в которой атомное ядро рассматривается как капля несжимаемой положительно заряженной “жидкости”. Нуклоны на “поверхности” этой капли испытывают меньшее притяжение, чем внутри объема, что должно приводить к уменьшению энергии связи Епов = - σ S ~ R2 ~ A2/3, где σ – “коэффициент поверхностного натяжения” ядерной материи, S – площадь поверхности ядра. Таким образом, поверхностная энергия должна описываться формулой вида:

E2 = -a2 A2/3 (13)

 

3. Небольшое уменьшение энергии связи (~1Мэв/нукл) в области тяжелых элементов можно объяснить возрастанием роли кулоновского отталкивания между протонами. Эта кулоновская энергия должна зависеть от Z и A следующим образом:

Екул ~ или Ез = - а3 (14)

4. Из таблицы Менделеева следует, что для легких и средних ядер (А 40) число протонов и нейтронов в ядре совпадает, т.е. N=Z (A-2Z=0), а тяжелые ядра перегружены нейтронами, так что в области трансурановых элементов N=1,6Z, А=2,6 Z. Считается установленным, что в отсутствии кулоновских сил, наиболее прочными были бы ядра при равном числе протонов и нейтронов. качественно это можно объяснить действием принципа запрета Паули. Эта энергия симметрии может быть приближенно описана членом вида:

Е4 = - a4 (15)

5. Прочность атомного ядра в значительной степени зависит от четности числа протонов и нейтронов в ядре. Достаточно указать распространенность стабильных ядер в природе (см. табл. 2).


Табл. 2 Распространенность стабильных ядер в природе:

 

Z N A= Z+N Число ядер
Четное Четное Нечетное Нечетное Четное Нечетное Четное Нечетное Четное Нечетное Нечетное Четное  

 


Этот факт свидетельствует о спаривании одинаковых нуклонов в ядре, при этом энергия связи возрастает на 2-3 МэВ. Разумеется эффект спаривания становится относительно менее существенным в области тяжелых ядер ~ A-1/3. Энергию спаривания качественно можно описать зависимостью вида:

Е5 = + a5 δ/ A1/3 (16)

-1 (нечетно-нечетные ядра)

где δ = 0 (нечетные А)

+1 (четно-четные ядра)

 

Таким образом, приближенно зависимость Есв(Z,А) можно записать в виде:

Есв = a1А – a2A2/3 - а3 - a4 + a5 δ/ A1/3 (17)

Полученная зависимость называется полуэмпирической формулой Бете-Вайцзеккера (БВ). Сравнивая (17) с опытными данными можно определить постоянны a i [1]:

a1 = 15,75 МэВ; a2 = 17,80 МэВ; a3 = 0,71 МэВ; a4 = 23,7 МэВ; a5 = 12 МэВ.

3. Задания:

1. Изучить теорию. Дать ответы на контрольные вопросы.

2. Решить следующие задачи:

2.1. Дефект массы атома равен δ (Z,А)= δ (4,9) = 11,3484 МэВ. Определить энергию связи ядра относительно распада его на две -частицы и нейтрон. Как можно использовать полученный результат для практических целей?

2.2 Используя дефекты масс δ (1,2) = 13,13627 МэВ, δ (1,3) = 14,95038 МэВ, δ (2,3) = 14,93173 МэВ, вычислить энергию Q, выделяющуюся в следующих термоядерных реакциях:

a) + + ; б) + + ;

в) + + ; г) + + .

Пренебрегая кинетической энергией частиц до реакции, определить, какую энергию уносит каждая частица после реакции. Какая из указанных реакций является наиболее оптимальной с практической точки зрения?

2.3. Ядро , имеющее удельную энергию связи 7,6 МэВ/нуклон, делится на два осколка одинаковой массы, расположенные в середине периодической системы элементов, имеющие удельную энергию связи 8,5 МэВ/нуклон. Определить освободившуюся при этом кинетическую энергию.

3. Учитывая, что в легких ядрах (Z 20) число протонов и нейтронов совпадает (А=2Z), а средние и тяжелые ядра перегружены нейтронами, так что зависимость А(Z) при Z > 20 можно интерполировать линейной функцией:

A=KZ+C.

Найти параметры К и С, используя в качестве опорных ядра кальция () и ртути . На основании полученных результатов, и используя данные периодической таблицы Менделеева (Приложение № 2), составить таблицу с указанием параметров Z, AЭ, NЭ, АТ, ∆A и NЭ/Z для ядер с 10 Z 90 и шагом ∆Z=10, где AЭ, NЭ - экспериментальные значения А и N, ∆A = АТ - АЭ.

Построить график зависимости от Z, на котором отметить такие соответствующие экспериментальные значения (диаграмма Сегре).

4. Используя экспериментальные данные по дефектам масс атомов (приложение № 1), вычислить полную и удельную энергию связи дважды магических ядер: , , , , .


5. Рассмотреть ряд самых легких ядер: , , , , каждое из которых получается из предыдущего присоединением одного нуклона. Используя данные по дефектам масс соответствующих атомов, приведенные в таблице, оценить энергию присоединения нуклона к предыдущему ядру. Какие выводы можно сделать из сравнения полученных данных?

 

Таблица 3. Дефекты масс легчайших атомов.

Атом
δ(Z,A) 13,136 14,932 2,425 11,680

 

6. Ядра, перегруженные протонами или нейтронами, являются и испытывают или .

()

().

Используя формулу Бете-Вайцзеккера, определить заряд Z0 изобарных ядер (А=const), которые являются стабильными относительно , т.е. обладают максимальной энергией связи для данного А. Для этого необходимо решить уравнение = 0. Определить характер атомных ядер серебра , олова и цезия .

 

Контрольные вопросы.

1. В каких единицах измеряется масса атомных ядер в ядерной физике?

2. Дать определения понятия изотопов, изобаров, изотонов и зеркальных ядер.

3. Дать определение энергии связи (удельной энергии связи) ядра. Какую энергию необходимо затратить, чтобы выбить -частицу из ядра ?

4. Что такое дефект массы ядра? Записать формулу для энергии связи ядра через дефекты масс.

5. Записать формулу Бете-Вайцзеккера и пояснить физический смысл каждого слагаемого.

6. Почему выделяется энергия при слияние легких ядер и деление тяжелых.

7. Какие эффекты говорят в пользу жидкокапеельной модели ядра.

8. Получить связь между массой и энергией связи ядра.

 

Литература.

 

1. Широков Ю.М., Юдин Н.П. Ядерная физика. М. Наука 1980.

2. Сивухин Д.В. Общий курс физики. Атомная и ядерная физика. Т. 5, часть 2, М. Наука 1989.

 

Информация для преподавателя.

2.1. Есв = 2∆(2,4) + ∆n - ∆(4,9) = 2×2,42485 + 8,07162 – 11,3484 = 1,5729 МэВ

Т.к. Есв мала, то при облучении -частицами ядра легко выбивается нейтрон.

2.2. а) Q = 2∆(1,2) - ∆(1,1) - ∆(1,3) = 4,033 МэВ.

Е(р) = 3,025 МэВ; Е(т) = 1,008 МэВ.

б) Q = 3,27 МэВ; E(n) = 2,453 МэВ; E() = 0,817 МэВ;

в) Q = 17,59 МэВ; E(n) = 14,07 МэВ; E() = 3,52 МэВ;

г) Q = 18,35 МэВ; E(р) = 14,68 МэВ; E() = 3,67 МэВ.

Наиболее оптимальными с энергетической точки зрения являются реакции (в-г). Однако на практике наиболее важной является реакция (в).

2.3. -238 × 7,6 – (-238×8,5) = 214 МэВ.

3. А = КZ + C = 2.6833 × Z - 13.6667

 

Z                  
AЭ                  
NЭ                  
АТ                  
∆A                 -4
NЭ/Z     1,17 1,28 1,38 1,4 1,47 1,51 1,58

4. Есв=[Zδн + Nδn - δ(Z,A) ] (МэВ)

 

Ядро
Есв МэВ 28,297 127,625 342,066 416,018 1636,513
, МэВ/нуклон 7,074 7,976 8,552 8,667 7,867

5. Есв=Zδн + Nδn - δ(Z,A)

En = Есв(Z,А) - Есв(Z,А-1)

Eр = Есв(Z,А) - Есв(Z-1,А-1)

 

Ядро n p
Дефекты массы атома, (МэВ) 8,072 7,289 13,136 14,932 2,425 11,680
Есв, (МэВ)     2,225 7,718 28,297 26,331
Энергия присоединения En, Eр, (МэВ)     2,225 5,493 20,579 -1,966

 

Происходит формирование замкнутых оболочек ядра .

Ядро не может быть стабильным, т.к. Eр < 0

 

A = 103 => Zo = 45; Z = 47 =>

A = 127 => Zo = 54; Z = 50 =>

A = 141=> Zo = 60; Z = 55 =>


 

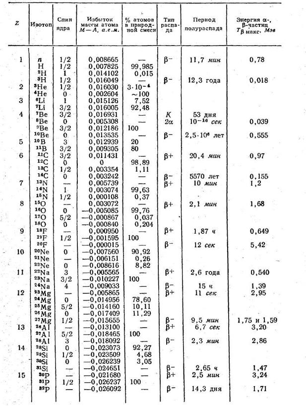
Приложение 1

ТАБЛИЦА СВОЙСТВ ИЗОТОПОВ

 
 


 

 

 


 
 

ПЕРИОДИЧЕСКАЯ СИСТЕМА ХИМИЧЕСКИХ ЭЛЕМЕНТОВ







Date: 2015-09-05; view: 754; Нарушение авторских прав



mydocx.ru - 2015-2026 year. (0.785 sec.) Все материалы представленные на сайте исключительно с целью ознакомления читателями и не преследуют коммерческих целей или нарушение авторских прав - Пожаловаться на публикацию