Главная Случайная страница


Полезное:

Как сделать разговор полезным и приятным Как сделать объемную звезду своими руками Как сделать то, что делать не хочется? Как сделать погремушку Как сделать так чтобы женщины сами знакомились с вами Как сделать идею коммерческой Как сделать хорошую растяжку ног? Как сделать наш разум здоровым? Как сделать, чтобы люди обманывали меньше Вопрос 4. Как сделать так, чтобы вас уважали и ценили? Как сделать лучше себе и другим людям Как сделать свидание интересным?


Категории:

АрхитектураАстрономияБиологияГеографияГеологияИнформатикаИскусствоИсторияКулинарияКультураМаркетингМатематикаМедицинаМенеджментОхрана трудаПравоПроизводствоПсихологияРелигияСоциологияСпортТехникаФизикаФилософияХимияЭкологияЭкономикаЭлектроника






Министерство образования и науки Российской Федерации. Кафедра машиностроения





 

НАЦИОНАЛЬНЫЙ МИНЕРАЛЬНО-СЫРЬЕВОЙ УНИВЕРСИТЕТ «ГОРНЫЙ»

 

Кафедра машиностроения

 

 

ЛАБОРАТОРНАЯ РАБОТА

 

по дисциплине: «Станочное и инструментальное обеспечение автоматизированного производства»

 

 

Выполнил: Синельников П.В.

Группа: ТТПз-10

Специальность: 151001.65

Шифр: 9306130054

Проверил преподаватель: Халимоненко А.Д.

 

 

Санкт-Петербург

Лабораторная работа №1

Сборка и предварительная настройка инструмента для токарной обработки на станке мод. 1727Ф6

 

Цель работы:

 

• Изучение процесса наладки станка с ЧПУ

• Приобретение навыков по предварительной настройке инструмента для токарной обработки.

 

 

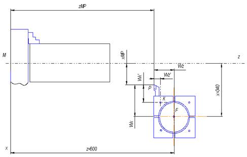
Схема взаимосвязи системы координат станка с инструментом

 

 

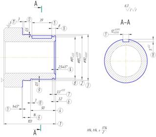
Эскиз токарно-фрезерной операции

 

 

Схема наладки станка 1727Ф6

 

 

РТК перехода 2, установ А

 

Лабораторная работа №2







Date: 2015-08-22; view: 486; Нарушение авторских прав



mydocx.ru - 2015-2026 year. (0.553 sec.) Все материалы представленные на сайте исключительно с целью ознакомления читателями и не преследуют коммерческих целей или нарушение авторских прав - Пожаловаться на публикацию