Главная Случайная страница


Полезное:

Как сделать разговор полезным и приятным Как сделать объемную звезду своими руками Как сделать то, что делать не хочется? Как сделать погремушку Как сделать так чтобы женщины сами знакомились с вами Как сделать идею коммерческой Как сделать хорошую растяжку ног? Как сделать наш разум здоровым? Как сделать, чтобы люди обманывали меньше Вопрос 4. Как сделать так, чтобы вас уважали и ценили? Как сделать лучше себе и другим людям Как сделать свидание интересным?


Категории:

АрхитектураАстрономияБиологияГеографияГеологияИнформатикаИскусствоИсторияКулинарияКультураМаркетингМатематикаМедицинаМенеджментОхрана трудаПравоПроизводствоПсихологияРелигияСоциологияСпортТехникаФизикаФилософияХимияЭкологияЭкономикаЭлектроника






Исследование искажений в цепи второго порядка





Аналогично 12.2.1. исследуйте искажения и снимите осциллограммы на-

 


 

пряжений и при прохождении прямоугольного импульса длительностью мкс через цепь, схема которой показана на рис.12.1,б (L=360 мкГн, С=200 пФ) для случаев: а) кОм; б) кОм; в) кОм.

На основании (12.2.) вычислите собственные частоты цепи в каждом из указанных случаев, запишите выражения для переходной характеристики цепи (постоянные интегрирования и не вычисляйте)

 

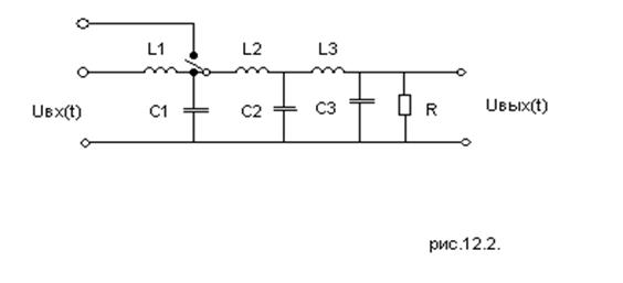
3. Исследование искажений в цепи высокого порядка.

По указанию преподавателя соберите схему четвертого или шестого порядка рис.12.2 ( 700 мкГн, 360 мкГн, 4400 пФ, 3000 пФ, 200 пФ, )

Снимите осциллограммы напряжений и при длительности сигналов прямоугольной формы на входе 10 мкс.

Затем, для заданной цепи откройте Bode plotter и снимите АЧХ и ФЧХ функции передачи цепи по напряжению в диапазоне частот от 20 кГц до 500 кГц. Опытные данные занесите в таблицу, приведенную ниже.

 

f, кГц
   

 

Постройте график АЧХ и, используя (12.5.) и (12.6.), графики амплитудных спектров входных сигналов (вычисления проведите только при и ).

Определите полосу пропускания цепи согласно (12.4.) и ширину спектра согласно (12.6.) для каждого из входных импульсов. Сопоставляя и согласно (12.7.), оцените ожидаемую степень искажений.

 







Date: 2015-08-07; view: 335; Нарушение авторских прав



mydocx.ru - 2015-2026 year. (1.465 sec.) Все материалы представленные на сайте исключительно с целью ознакомления читателями и не преследуют коммерческих целей или нарушение авторских прав - Пожаловаться на публикацию