Главная Случайная страница


Полезное:

Как сделать разговор полезным и приятным Как сделать объемную звезду своими руками Как сделать то, что делать не хочется? Как сделать погремушку Как сделать так чтобы женщины сами знакомились с вами Как сделать идею коммерческой Как сделать хорошую растяжку ног? Как сделать наш разум здоровым? Как сделать, чтобы люди обманывали меньше Вопрос 4. Как сделать так, чтобы вас уважали и ценили? Как сделать лучше себе и другим людям Как сделать свидание интересным?


Категории:

АрхитектураАстрономияБиологияГеографияГеологияИнформатикаИскусствоИсторияКулинарияКультураМаркетингМатематикаМедицинаМенеджментОхрана трудаПравоПроизводствоПсихологияРелигияСоциологияСпортТехникаФизикаФилософияХимияЭкологияЭкономикаЭлектроника






Электростатические электронно-лучевые трубки





Общие сведения

В электронно-лучевых приборах создается тонкий пучок электронов (луч), который управляется электрическим или магнитным полем либо обоими полями. К этим приборам относятся электроннолучевые трубки индикаторных устройств радиолокаторов, для осциллографии, приема телевизионных изображений (кинескопы), передачи телевизионных изображений, а также запоминающие трубки, электронно-лучевые переключатели, электронные микроскопы, электронные преобразователи изображений и др. Большинство электронно-лучевых приборов служит для получения видимых изображений на люминесцентном экране; их называют электронно-графическими. Рассматриваются наиболее распространенные осциллографические и приемные телевизионные трубки, к которым также близки индикаторные трубки радиолокационных и гидроакустических станций.

Трубки могут быть с фокусировкой электронного луча электрическим или магнитным полем и с электрическим или магнитным отклонением луча. В зависимости от цвета изображения на люминесцентном экране бывают трубки с зеленым, оранжевым или желто-оранжевым свечением — для визуального наблюдения, синим — для фотографирования осциллограмм, белым или трехцветным — для приема телевизионных изображений. Кроме того, трубки изготовляются с различной длительностью свечения экрана после прекращения ударов электронов (так называемым послесвечением). Трубки различаются также по размерам экрана, материалу баллона (стеклянные или металлостеклянные) и другим признакам.

 

Электростатические электронно-лучевые трубки

Электронно-лучевые трубки (ЭЛТ) с электростатическим управлением, т. е. с фокусировкой и отклонением луча электрическим полем, называемые для краткости электростатическими трубками, особенно широко применяют в осциллографах.

Рис. 20.1. Принцип устройства (а) и условное графическое обозначение (б) электростатической электронно-лучевой трубки

 

На рис. 20.1 показаны принцип устройства электростатической трубки простейшего типа и ее изображение на схемах. Баллон трубки имеет цилиндрическую форму с расширением в виде конуса или в виде цилиндра большего диаметра. На внутреннюю поверхность основания расширенной части нанесен люминесцентный экран ЛЭ — слой веществ, способных излучать свет под ударами электронов. Внутри трубки расположены электроды, имеющие выводы, как правило, на штырьки цоколя (для упрощения на рисунке выводы проходят непосредственно через стекло баллона).

Катод К обычно бывает оксидный косвенного накала в виде цилиндра с подогревателем. Вывод катода иногда совмещен с одним выводом подогревателя. Оксидный слой нанесен на донышко катода. Вокруг катода располагается управляющий электрод, называемый модулятором (М), цилиндрической формы с отверстием в донышке. Этот электрод служит для управления плотностью электронного потока и для предварительной фокусировки его. На модулятор подается отрицательное - напряжение (обычно десятки вольт). С увеличением этого напряжения все больше электронов возвращается на катод. При некотором отрицательном напряжении модулятора трубка запирается.

Следующие электроды, также цилиндрической формы, являются анодами. В простейшем случае их два. На втором аноде А 2 напряжение бывает от 500 В до нескольких киловольт (иногда 10 — 20 кВ), а на первом аноде А 1 напряжение в несколько раз меньше. Внутри анодов перегородки с отверстиями (диафрагмы). Под действием ускоряющего поля анодов электроны приобретают значительную скорость. Окончательная фокусировка электронного потока осуществляется с помощью неоднородного электрического поля в пространстве между анодами, а также благодаря диафрагмам. Более сложные фокусирующие системы содержат большее число цилиндров.

Система, состоящая из катода, модулятора и анодов, называется электронным прожектором (электронной пушкой) и служит для создания электронного луча, т. е. тонкого потока электронов, летящих с большой скоростью от второго анода к люминесцентному экрану.

На пути электронного луча поставлены под прямым углом друг к другу две пары отклоняющих пластин П х и П y. Напряжение, подведенное к ним, создает электрическое поле, отклоняющее электронный луч в сторону положительно заряженной пластины. Поле пластин является для электронов поперечным. В таком поле электроны движутся по параболическим траекториям, а, выйдя из него, далее движутся по инерции прямолинейно, т. е. электронный луч получает угловое отклонение. Чем больше напряжение на пластинах, тем сильнее отклоняется луч и тем больше смещается на люминесцентном экране светящееся, так называемое электронное пятно, возникающее от ударов электронов.


Пластины П y отклоняют луч по вертикали и называются пластинами вертикального отклонения (пластинами «игрек»), а пластины П х — пластинами горизонтального отклонения (пластинами «икс»). Одна пластина каждой пары иногда соединяется с корпусом аппаратуры (шасси), т. е. имеет нулевой потенциал. Такое включение пластин называется несимметричным. Для того чтобы между вторым анодом и корпусом не создавалось электрическое поле, влияющее на полет электронов, второй анод обычно также бывает соединен с корпусом. Тогда при отсутствии напряжения на отклоняющих пластинах между ними и вторым анодом не будет никакого поля, действующего на электронный луч.

Рис. 20.2. Питание электростатической трубки от двух источников

 

Поскольку второй анод соединен с корпусом, то катод, имеющий высокий отрицательный потенциал, равный напряжению второго анода, должен быть хорошо изолирован от корпуса. При включенном питании прикосновение к проводам катода, модулятора и цепи накала опасно. Так как на электронный луч могут влиять посторонние электрические и магнитные поля, то трубку часто помещают в экранирующий чехол из мягкой стали.

Свечение люминесцентного экрана объясняется возбуждением атомов вещества экрана. Электроны, ударяя в экран, передают свою энергию атомам экрана, в которых один из электронов переходит на более удаленную от ядра орбиту. При возвращении электрона обратно, на свою орбиту, выделяется квант лучистой энергии (фотон) и наблюдается свечение. Это явление называется катодолюминесценцией, а вещества, светящиеся под ударами электронов, называются катодолюминофорами или просто люминофорами.

Электроны, попадающие на экран, могут зарядить его отрицательно и создать тормозящее поле, уменьшающее их скорость. От этого уменьшится яркость свечения экрана и может вообще прекратиться попадание электронов на экран. Поэтому необходимо снимать отрицательный заряд с экрана. Для этого на внутреннюю поверхность баллона наносится проводящий слой. Он обычно бывает графитовым и называется аквадагом. Аквадаг соединяется со вторым анодом. Вторичные электроны, выбиваемые из экрана ударами первичных электронов, летят к проводящему слою. После ухода вторичных электронов потенциал экрана обычно близок к потенциалу проводящего слоя. В некоторых трубках имеется вывод от проводящего слоя (ПС на рисунке), который можно использовать в качестве дополнительного анода с более высоким напряжением. При этом электроны дополнительно ускоряются после отклонения в системе отклоняющих пластин (так называемое послеускорение).

Проводящий слой исключает также образование на стенках баллона отрицательных зарядов от попадающих туда электронов. Эти заряды могут создавать дополнительные поля, нарушающие нормальную работу трубки. Если в трубке проводящего слоя нет, то вторичные электроны уходят с экрана на отклоняющие пластины и второй анод.

Все электроды трубки обычно монтируют с помощью металлических держателей и изоляторов на стеклянной ножке трубки.

Цепи питания. Цепи питания электростатической трубки показаны на рис. 20.2. Постоянные напряжения подаются на электроды от двух выпрямителей E 1 и Е 2. Первый должен давать высокое напряжение (сотни и тысячи вольт) при токе в единицы миллиампер, источник Е 2 напряжение, в несколько раз меньшее. От этого же источника питаются и другие каскады, работающие совместно с трубкой. Поэтому он рассчитан на ток в десятки миллиампер.


Питание электронного прожектора осуществляется через делитель, состоящий из резисторов R 1 R 2, R 3 и R 4. Их сопротивление обычно большое (сотни килоом), чтобы делитель потреблял небольшой ток. Сама трубка также потребляет малый ток: в большинстве случаев десятки или сотни микроампер.

Переменный резистор R 1 является регулятором яркости. Он регулирует отрицательное напряжение модулятора, которое снимается с правого участка R 1 Увеличение этого напряжения по абсолютному значению уменьшает число электронов в луче и, следовательно, яркость свечения.

Для регулирования фокусировки луча служит переменный резистор R 3, с помощью которого изменяют напряжение первого анода. При этом изменяется разность потенциалов, а следовательно, и напряженность поля между анодами. Если, например, понижать потенциал первого анода, то разность потенциалов между анодами возрастет, поле станет сильнее и его фокусирующее действие увеличится. Поскольку напряжение первого анода U а1 не следует уменьшать до нуля или увеличивать до напряжения второго анода U a2, в делитель введены резисторы R 2 и R 4

Напряжение второго анода U a2 лишь немного меньше, чем напряжение Е 1 (разница — падение напряжения на резисторе R 1 ). Следует помнить, что скорость электронов, вылетающих из прожектора, зависит только от напряжения второго анода, но не от напряжения модулятора и первого анода. Некоторое число электронов попадает на аноды, особенно если аноды с диафрагмами. Поэтому в цепях анодов протекают токи в доли миллиампера и замыкаются через источник Е 1. Например, электроны тока первого анода движутся в направлении от катода к аноду, затем через правый участок резистора R 3 и через резистор R 4 к плюсу источника Е 1 далее внутри него и через резистор R 1 к катоду.

Для начальной установки светящегося пятна на экране служат переменные резисторы R 5 и R 6, подключенные к источнику Е 2. Движки этих резисторов через резисторы R 7 и R 8 с большим сопротивлением подключены к отклоняющим пластинам. Кроме того, с помощью резисторов R 9 и R 10, имеющих одинаковое сопротивление, устанавливается точка нулевого потенциала, соединенная с корпусом. У резисторов R 5 и R 6 на концах получаются потенциалы +0,5 Е 2 и —0,5 Е 2, а их средние точки имеют нулевой потенциал. Когда движки резисторов R 5, R 6 находятся в среднем положении, то на отклоняющих пластинах напряжение равно нулю. Смещая движки от среднего положения, можно подавать на пластины различные напряжения, отклоняющие электронный луч по вертикали или горизонтали и устанавливающие светящееся пятно в любой точке экрана.


На отклоняющие пластины через разделительные конденсаторы C 1 и С 2 подается также переменное напряжение, например исследуемое напряжение при использовании трубки для осциллографии. Без конденсаторов отклоняющие пластины шунтировались бы по постоянному напряжению внутренним сопротивлением источника переменного напряжения. При малом внутреннем сопротивлении постоянное напряжение на отклоняющих пластинах резко уменьшилось бы. С другой стороны, источник переменного напряжения иногда дает и постоянное напряжение, которое нежелательно подавать на отклоняющие пластины. Во многих случаях недопустимо также, чтобы в источник переменного напряжения попадало постоянное напряжение, имеющееся в цепях отклоняющих пластин.

Резисторы R 7 и R 8 включают для того, чтобы увеличить входное сопротивление отклоняющей системы для источников переменного напряжения. Без таких резисторов эти источники были бы нагружены на значительно меньшее сопротивление, создаваемое только резисторами R 5, R 6 и резисторами R 9, R 10. При этом резисторы R 7 и R 8 не понижают постоянное напряжение, подаваемое на отклоняющие пластины, так как через них не протекают постоянные токи.

Полезным током является ток электронного луча. Электроны этого тока движутся от катода к люминесцентному экрану и выбивают из последнего вторичные электроны, которые летят на проводящий слой и далее движутся в направлении к плюсу источника Е 1, затем через его внутреннее сопротивление и резистор R 1 к катоду.

Рис. 20.3. Первая линза электронного прожектора

 

Питание электродов трубки может быть выполнено и по другим вариантам, например от одного источника высокого напряжения.

Электронные прожекторы. Электронный прожектор представляет собой электронно-оптическую систему, состоящую из нескольких электростатических электронных линз. Каждая линза образована неоднородным электрическим полем, которое вызывает искривление траекторий электронов (напоминающее преломление световых лучей в оптических линзах), а также ускоряет или тормозит электроны.

Простейший прожектор содержит две линзы. Первая линза, или линза предварительной фокусировки, образована, катодом, модулятором и первым анодом. На рис. 20.3 изображено поле в этой части прожектора. Эквипотенциальные поверхности показаны сплошными линиями, а силовые линии — штрихами. Как видно, часть силовых линий от первого анода идет к объемному заряду около катода, а остальные к модулятору, который имеет более низкий отрицательный потенциал, нежели катод. Линия ББ´ условно делит поле на две части. Левая часть поля фокусирует поток электронов и придает им скорость. Правая часть поля дополнительно ускоряет электроны и несколько рассеивает их. Но рассеивающее действие слабее фокусирующего, так как в правой части поля электроны движутся с большей скоростью.

Рис. 20.4. Траектории электронов в первой линзе электронного прожектора

 

Рассматриваемое поле аналогично системе двух линз — собирающей и рассеивающей. Собирающая линза сильнее рассеивающей, и в целом система является фокусирующей. Однако движение электронных потоков происходит по иным законам, нежели преломление световых лучей в линзах.

На рис. 20.4 показаны траектории электронов для крайних электронных пучков, выходящих из катода. Электроны движутся по криволинейным траекториям. Их потоки фокусируются и пересекаются в небольшой области, которая называется первым пересечением или скрещением и в большинстве случаев находится между модулятором и первым анодом.

Первая линза короткофокусная, так как скорость электронов в ней сравнительно невелика, и их траектории искривляются достаточно сильно.

С увеличением отрицательного напряжения модулятора по абсолютному значению повышается потенциальный барьер около катода и все меньшее число электронов способно его преодолеть. Уменьшается катодный ток, а следовательно, ток электронного луча и яркость свечения экрана. Потенциальный барьер повышается в меньшей степени у центральной части катода, так как здесь сильнее влияет ускоряющее поле, проникающее от первого анода через отверстие модулятора. При некотором отрицательном напряжении модулятора потенциальный барьер у краев катода повышается настолько, что электроны уже не могут его преодолеть. Рабочей остается только центральная часть катода. Дальнейшее увеличение отрицательного напряжения уменьшает площадь рабочей части катода и в конце концов сводит ее к нулю, т. е. трубка запирается. Таким образом, регулирование яркости связано с изменением площади рабочей поверхности катода.

Рис. 20.5. Вторая фокусирующая линза электронного прожектора

 

Рис. 20.6. Электронный прожектор с ускоряющим (экранирующим) электродом

 

Рассмотрим фокусировку электронного луча во второй линзе, т. е. в системе двух анодов (рис. 20.5, а). Линия ББ´ делит поле между анодами на две части. В левую часть поля поступает расходящийся электронный поток, который фокусируется, а в правой части поля происходит рассеивание потока. Рассеивающее действие слабее фокусирующего, так как скорость электронов в правой части поля выше, чем в левой. Все поле подобно оптической системе, состоящей из собирающей и рассеивающей линз (рис. 20.5, б). Поскольку скорости электронов в поле между анодами высокие, то система оказывается длиннофокусной. Это и требуется, так как необходимо сфокусировать электронный пучок на экран, находящийся довольно далеко.

При повышении разности потенциалов между анодами (уменьшении напряжения первого анода) напряженность поля увеличивается и фокусирующее действие усиливается. Принципиально можно регулировать фокусировку изменением напряжения второго анода, но это неудобно, так как будет изменяться скорость электронов, вылетающих из прожектора, что приведет к изменению яркости свечения на экране и повлияет на отклонение луча отклоняющими пластинами.

Недостаток описанного прожектора — взаимное влияние регулирования яркости и фокусировки. Изменение потенциала первого анода влияет на яркость, так как этот анод своим полем воздействует на потенциальный барьер около катода. А изменение напряжения модулятора сдвигает вдоль оси трубки область первого пересечения электронных траекторий, что нарушает фокусировку. Кроме того, регулирование яркости изменяет ток первого анода, а так как в его цепь включены резисторы с большими сопротивлениями, то меняется напряжение на нем, что приводит к расфокусировке. Изменение тока второго анода не влияет на фокусировку, так как в цепь этого анода не включены резисторы и, следовательно, напряжение на нем не может изменяться.

В настоящее время применяют прожекторы, в которых между модулятором и первым анодом поставлен дополнительный, ускоряющий (экранирующий) электрод (рис. 20.6). Он соединен со вторым анодом, и напряжение на нем постоянно. Благодаря экранирующему действию этого электрода изменение потенциала первого анода при регулировании фокусировки практически не изменяет поле у катода.

Фокусирующая система, состоящая из ускоряющего электрода и двух анодов, работает следующим образом. Поле между первым и вторым анодом такое же, как показано на рис. 20.5, а. Оно осуществляет фокусировку так, как было объяснено ранее. Между ускоряющим электродом и первым анодом имеется неоднородное поле, подобное полю между анодами, но не ускоряющее, а тормозящее. Электроны, влетающие в это поле расходящимся потоком, в левой половине поля рассеиваются, а в правой — фокусируются. При этом фокусирующее действие сильнее рассеивающего, так как в правой половине поля скорость электронов меньше. Таким образом, на участке между ускоряющим электродом и первым анодом также происходит фокусировка. Чем ниже напряжение первого анода, тем выше напряженность поля и сильнее фокусировка.

Рис. 20.7. Электростатическое отклонение луча

 

Чтобы регулирование яркости меньше влияло на фокусировку, первый анод делают без диафрагм (рис. 20.6). На него электроны не попадают, т. е. ток первого анода равен нулю. Современные электронные прожекторы дают на экране светящееся пятно с диаметром, не превышающим 0,002 диаметра экрана.

Электростатическое отклонение луча. Отклонение электронного луча и светящегося пятна на экране пропорционально напряжению на отклоняющих пластинах. Коэффициент пропорциональности в этой зависимости называется чувствительностью трубки. Если обозначить отклонение пятна по вертикали через у, а напряжение на пластинах «игрек» через U y, то

y = S y U y, (20.1)

где S y — чувствительность трубки для пластин «игрек».

Подобно этому отклонение пятна по горизонтали

x = S x U x. (20.2)

Таким образом, чувствительность электростатической трубки есть отношение отклонения светящегося пятна на экране к соответствующему отклоняющему напряжению:

S x = x / U x и S y = y / U y. (20.3)

Другими словами, чувствительность есть отклонение светящегося пятна, приходящееся на 1 В отклоняющего напряжения. Выражают чувствительность в миллиметрах на вольт. Иногда под чувствительностью понимают величину, обратную S x или S y, и выражают ее в вольтах на миллиметр.

Формулы (20.3) не означают, что чувствительность обратно пропорциональна отклоняющему напряжению. Если увеличить в несколько раз U y, то во столько же раз возрастет у, а значение S y останется без изменения. Следовательно, S y не зависит от U y. Чувствительность бывает в пределах 0,1 — 1,0 мм/В. Она зависит от режима работы и некоторых геометрических размеров трубки (рис. 20.7):

S = l пл l /(2 dU a2), (20.4)

где l пл — длина отклоняющих пластин; l — расстояние от середины пластин до экрана; d — расстояние между пластинами; U a2 напряжение второго анода.

Эту формулу нетрудно объяснить. С увеличением l пл электрон дольше летит в отклоняющем поле и получает большее отклонение. При одном и том же угловом отклонении смещение светящегося пятна на экране возрастает с увеличением расстояния l. Если увеличить d, то напряженность поля между пластинами, а следовательно, отклонение уменьшится. Повышение напряжения U a2 приводит к уменьшению отклонения, поскольку возрастает скорость, с которой электроны пролетают поле между пластинами.

Рассмотрим возможность повышения чувствительности исходя из формулы (20.4). Увеличение расстояния l нежелательно, так как чрезмерно длинная трубка неудобна в эксплуатации. Если увеличить l пл или уменьшить d, то нельзя получить значительного отклонения луча, так как он будет попадать на пластины. Чтобы этого не произошло, пластины изгибают и располагают относительно друг друга так, как показано на рис. 20.8. Можно увеличить чувствительность, понижая напряжение U a2. Но это связано с уменьшением яркости свечения, что во многих случаях недопустимо, особенно при большой скорости движения луча по экрану. Понижение анодного напряжения ухудшает также фокусировку. При более высоком напряжении U a2 электроны движутся с большими скоростями, меньше сказывается взаимное отталкивание электронов. Их траектории в электронном прожекторе располагаются под малым углом к оси трубки. Такие траектории называются параксиальными. Они обеспечивают лучшую фокусировку и меньшие искажения изображения на экране.

Уменьшение яркости свечения при понижении анодного напряжения U a2 компенсируется в трубках с послеускорением. В этих трубках электронный прожектор сообщает электронам энергию не более 1,5 кэВ. С такой энергией они пролетают между отклоняющими пластинами, а затем попадают в ускоряющее поле, созданное третьим анодом. Последний представляет собой проводящий слой перед экраном, отделенный от остального слоя, соединенного со вторым анодом (рис. 20.9, а). При этом U a3 > U a2. Поле между этими двумя слоями образует линзу, которая ускоряет электроны. Но вместе с тем происходит некоторое искривление траекторий электронов. Вследствие этого чувствительность снижается и возникают искажения в изображении. Эти недостатки в значительной степени устраняются при многократном послеускорении, когда имеется несколько проводящих колец с постепенно возрастающим напряжением: U a4 > U a3 >U a2 > U a1 (рис. 20.9, б).

Рис. 20.8. Отклоняющие пластины

 

Рис. 20.9. Дополнительные аноды для послеускорения

 

Чтобы уменьшить паразитные емкости между пластинами П х и П у, выводы от них иногда делают непосредственно через стекло баллона и между парами пластин ставят экран. Из тех же соображений не размещают обе пары пластин в одном месте трубки. За счет неодинакового расстояния пластин П х и П у до экрана чувствительность по осям х и у несколько различна.

Если отклоняющее напряжение изменяется с очень высокой частотой, то в изображении возникают искажения, так как время пролета электронов в поле отклоняющих пластин становится соизмеримым с периодом колебаний отклоняющего напряжения. За это время напряжение на пластинах заметно изменяется (даже может изменить свой знак). Для уменьшения таких искажений отклоняющие пластины делают короткими и применяют более высокие ускоряющие напряжения. С повышением частоты, кроме того, все больше сказывается влияние собственной емкости отклоняющих пластин.

В настоящее время для осциллографии на СВЧ применяют специальные трубки с более сложными отклоняющими системами.

Измерение и наблюдение переменных напряжений. Если к отклоняющим пластинам «игрек» подведено переменное напряжение, то электронный луч совершает колебания и на экране видна вертикальная светящаяся черточка (рис. 20.10, а) Ее длина пропорциональна двойной амплитуде подведенного напряжения 2U m. Зная чувствительность трубки и измерив у, можно определить U m по формуле

U m = y /(2 S y). (20.5)

Рис. 20.10. Измерение переменного напряжения с помощью ЭЛТ

 

Рис. 20.11. Пилообразное напряжение для линейной развертки

 

Рис. 20.12. Осциллограммы синусоидального напряжения при кратном соотношении частот

 

Например, если S y = 0,4 мм/В, а у = 20 мм, то U m = 20/(2 • 0,4) = 25 В.

Если чувствительность трубки неизвестна, ее определяют. Для этого нужно подвести к пластинам известное переменное напряжение и измерить длину светящейся черточки. Напряжение можно подвести от сети и измерить вольтметром. Следует помнить, что вольтметр покажет действующее значег ние напряжения, которое надо пересчитать в амплитуду, умножив на 1,4.

Как видно, ЭЛТ можно использовать в качестве амплитудного вольтметра. Достоинство такого измерительного устройства — большое входное сопротивление и возможность измерений на весьма высоких частотах.

Описанный метод позволяет измерять пиковые значения несинусоидальных напряжений, а также амплитуды положительной и отрицательной полуволн переменного напряжения. Для этого запоминают положение светящегося пятна при отсутствии измеряемого напряжения, затем его подают и измеряют расстояния у 1 и у 2 от начального положения пятна до концов светящейся черточки (рис. 20.10, б). Амплитуды полуволн при этом

U m1 = у 1/ S y и U m2 = у 2/ S y. (20.6)

Для наблюдения переменных напряжений к пластинам П у подводят исследуемое напряжение, а к пластинам П хнапряжение разверткиU разв, имеющее пилообразную форму (рис. 20.11) и получаемое от специального генератора. Это напряжение осуществляет временную развертку. В течение времени t 1 когда напряжение растет, электронный луч равномерно движется по горизонтали в одном направлении, например слева направо, т. е. делает прямой, или рабочий, ход. При резком уменьшении напряжения в течение времени t 2 луч делает быстрый обратный ход. Все это повторяется с частотой напряжения развертки.

Когда исследуемое напряжение отсутствует, на экране видна горизонтальная светящаяся черточка, играющая роль оси времени. Если подать исследуемое переменное напряжение на пластины П у, то пятно на экране одновременно будет совершать колебание по вертикали и повторяющееся равномерное движение с обратным ходом по горизонтали. В результате наблюдается светящаяся кривая исследуемого напряжения (рис. 20.12). На рисунке показаны осциллограммы синусоидального напряжения, но можно наблюдать напряжение любой формы.

Чтобы кривая была неподвижной, период развертывающего напряжения Т разв должен быть равен периоду исследуемого напряжения Т или в целое число раз больше его:

Т разв = nТ, (20.7)

где п — целое число.

Рис. 20.13. Осциллограммы синусоидального напряжения при дробном соотношении частот

 

Соответственно частота развертки УразВ должна быть в целое число раз меньше частоты исследуемого напряжения:

f разв = f / n. (20.8)

Тогда за время Т разв пройдет целое число колебаний исследуемого напряжения и в конце обратного хода пятно на экране окажется в том месте, откуда оно начало двигаться во время прямого хода. На рисунке показаны наблюдаемые осциллограммы при п = 1, или Т разв = Т, и п = 2, т. е. Т разв = 2 Т Время обратного хода t 2 желательно иметь возможно меньшим, так как за счет него часть кривой не воспроизводится (штрихи на рисунке). Кроме того, чем меньше t 2, тем быстрее обратный ход луча и тем слабее он виден. Следует установить п не менее 2, чтобы было видно полностью хотя бы одно целое колебание. Подбор значения п производится изменением частоты генератора развертки. Если п не будет целым числом, то осциллограмма не остается неподвижной и вместо одной кривой наблюдается несколько, что неудобно. На рис. 20.13 показаны осциллограммы синусоидального напряжения при п = 1/2 и п = 3/4. Для упрощения здесь принято, что время обратного хода t 2 = 0. Стрелки с цифрами на рисунке указывают последовательность движения пятна на экране.

Подобранное целое число п обычно сохраняется лишь короткое время, так как генератор развертки имеет нестабильную частоту, да и частота исследуемого напряжения также может изменяться. Для сохранения выбранного п в течение длительного времени применяют синхронизацию генератора развертки исследуемым напряжением. Синхронизация состоит в том, что исследуемое напряжение подводится к генератору развертки и он генерирует пилообразное напряжение с частотой, меньшей в целое число раз, нежели частота исследуемого.

Исследуемые напряжения обычно подают на отклоняющие пластины через разделительные конденсаторы (см. рис. 20.2). Поэтому на пластины не попадает постоянная составляющая и наблюдается лишь переменная. Ось времени (нулевая ось) этой составляющей представляет собой ту горизонтальную линию, которая остается на экране, если прекратить подачу исследуемого напряжения. Для получения истинной осциллограммы напряжения, содержащего постоянную составляющую, его необходимо подавать на пластины непосредственно, а не через конденсаторы.

Если нужно наблюдать осциллограмму тока, то в его цепь включают резистор R. Напряжение на нем, пропорциональное исследуемому току, подводят к пластинам П у. По известной чувствительности трубки определяют это напряжение. Разделив его на сопротивление R, находят ток. Чтобы ток заметно не изменился при включении резистора R, последний должен иметь относительно малое сопротивление. Если напряжение будет недостаточным, то его придется подавать через усилитель с известным коэффициентом усиления.

Искажения изображений. В электростатических трубках искажения осциллограмм наблюдаются главным образом при несимметричном включении отклоняющих пластин, т. е. когда одна пластина каждой пары соединена со вторым анодом (см. рис. 20.2). Пусть при таком включении на пластины П у подано переменное напряжение с амплитудой U m. Тогда на одной пластине потенциал равен нулю относительно корпуса, а на другой пластине он меняется от + U m до - U m (рис. 20.14, а). Соответственно меняются и потенциалы различных точек в пространстве между пластинами. При положительной полуволне напряжения электроны пролетают через точки с потенциалами более высокими, чем U а2. За счет этого скорость их увеличивается, а чувствительность трубки уменьшается. При отрицательной полуволне электроны уменьшают скорость, так как потенциалы точек между пластинами ниже U а2. Это приведет к увеличению чувствительности трубки. В результате отклонение y 1 при положительной полуволне будет меньше, чем отклонение у 2 при отрицательной полуволне. Осциллограмма синусоидального напряжения станет несинусоидальной, т. е. возникнут нелинейные искажения.

Рис. 20.14. Отклонение электронного луча при несимметричном (а) и симметричном (б) включении отклоняющих пластин

 

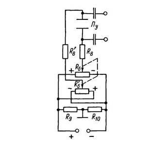
При симметричном включении ни одна из отклоняющих пластин не соединяется непосредственно с корпусом и вторым анодом, а точки нулевого потенциала находятся в средней плоскости между пластинами (рис. 20.14, б). Потенциалы пластин в любой момент одинаковы по значению и противоположны по знаку. На одной пластине потенциал принимает крайние значения ±0,5 U m, а на другой соответственно − + 0,5 U m. Отклонение электронного луча к любой из пластин происходит в одинаковых условиях, и поэтому у 1 = у 2. На рис. 20.15 показан вариант симметричного включения отклоняющих пластин. Постоянное напряжение для начальной установки пятна снимается со сдвоенного резистора R 6, R 6 ´. При одновременном перемещении их движков с помощью одной ручки потенциалы отклоняющих пластин изменяются одинаково по значению, но противоположно по знаку.

Рис. 20.15. Симметричное включение отклоняющих пластин

 

Симметричные включение пластин уменьшает и другие неприятные явления, например ухудшение фокусировки при смещении пятна к краю экрана.

Несимметричное включение пластин, более удаленных от прожектора, создает трапецеидальные искажения. Они возникают вследствие наличия поля на пути электронов от одной пары пластин к другой. Пусть, например, на ближайшие к прожектору пластины П у, включенные любым образом, подано переменное напряжение, а на пластинах П х, включенных несимметрично, напряжение равно нулю. Тогда на экране видна вертикальная светящаяся черточка 1 (рис. 20.16).

Рис. 20.16. Трапецеидальные искажения

 

Рис. 20.17. Принцип устройства и условное графическое обозначение магнитной электронно-лучевой трубки

 

Если подать на пластину П х, не соединенную с корпусом, положительный потенциал, то черточка сместится в сторону этой пластины (линия 2), но станет несколько короче. Это объясняется тем, что между положительно заряженной пластиной П х и пластинами П уобразовалось дополнительное ускоряющее поле, которое несколько искривляет траектории электронов и уменьшает их отклонение, вызванное напряжением на пластинах П у. При отрицательном потенциале той же пластины П х на электроны, вылетевшие из пластин П у, действует дополнительное тормозящее поле, которое несколько увеличит их отклонение; черточка на экране сместится влево и станет длиннее (линия 3). Рассмотренные светящиеся черточки образуют фигуру в виде трапеции, что объясняет название данных искажений. Для уменьшения искажений устанавливают экраны между пластинами П х и П у и придают более удаленным от прожектора пластинам специальную форму.

В настоящее время применяют, как правило, симметричное включение пластин, так как оно уменьшает многие виды искажений. Несимметричное включение можно применять в том случае, когда отклонение луча будет производиться только в одну сторону.

 







Date: 2015-08-06; view: 791; Нарушение авторских прав



mydocx.ru - 2015-2026 year. (2.492 sec.) Все материалы представленные на сайте исключительно с целью ознакомления читателями и не преследуют коммерческих целей или нарушение авторских прав - Пожаловаться на публикацию