Главная Случайная страница


Полезное:

Как сделать разговор полезным и приятным Как сделать объемную звезду своими руками Как сделать то, что делать не хочется? Как сделать погремушку Как сделать так чтобы женщины сами знакомились с вами Как сделать идею коммерческой Как сделать хорошую растяжку ног? Как сделать наш разум здоровым? Как сделать, чтобы люди обманывали меньше Вопрос 4. Как сделать так, чтобы вас уважали и ценили? Как сделать лучше себе и другим людям Как сделать свидание интересным?


Категории:

АрхитектураАстрономияБиологияГеографияГеологияИнформатикаИскусствоИсторияКулинарияКультураМаркетингМатематикаМедицинаМенеджментОхрана трудаПравоПроизводствоПсихологияРелигияСоциологияСпортТехникаФизикаФилософияХимияЭкологияЭкономикаЭлектроника






Электрические схемы





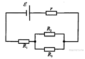
1. A 12 № 1404. Как из­ме­нит­ся со­про­тив­ле­ние участ­ка цепи АВ, изоб­ра­жен­но­го на ри­сун­ке, если ключ К разо­мкнуть?

 

Со­про­тив­ле­ние каж­до­го ре­зи­сто­ра равно 4 Ом.

1) умень­шит­ся на 4 Ом
2) умень­шит­ся на 2 Ом
3) уве­ли­чит­ся на 2 Ом
4) уве­ли­чит­ся на 4 Ом

2. A 12 № 1408. На фо­то­гра­фии — элек­три­че­ская цепь.

 

По­ка­за­ния вольт­мет­ра даны в воль­тах.Чему будут равны по­ка­за­ния вольт­мет­ра, если его под­клю­чить па­рал­лель­но ре­зи­сто­ру 2 Ом? Вольт­метр счи­тать иде­аль­ным.

1) 0,3 В
2) 0,6 В
3) 1,2 В
4) 1,8 В

3. A 12 № 1409. На ри­сун­ке по­ка­зан уча­сток цепи по­сто­ян­но­го тока.

 

Ка­ко­во со­про­тив­ле­ние этого участ­ка, если ?

1) 7 Ом
2) 2,5 Ом
3) 2 Ом
4) 3 Ом

4. A 12 № 1410. На фо­то­гра­фии — элек­три­че­ская цепь.

По­ка­за­ния вклю­чен­но­го в цепь ам­пер­мет­ра даны в ам­пе­рах. Какое на­пря­же­ние по­ка­жет иде­аль­ный вольт­метр, если его под­клю­чить па­рал­лель­но ре­зи­сто­ру 3 Ом?

1) 0,8 В
2) 1,6 В
3) 2,4 В
4) 4,8 В

5. A 12 № 1411. На участ­ке цепи, изоб­ра­жен­ном на ри­сун­ке, со­про­тив­ле­ние каж­до­го из ре­зи­сто­ров равно R.

Пол­ное со­про­тив­ле­ние участ­ка при за­мкну­том ключе К равно

1)
2) R
3) 2R
4) 3R

6. A 12 № 1412. На участ­ке цепи, изоб­ра­жен­ном на ри­сун­ке, со­про­тив­ле­ние каж­до­го из ре­зи­сто­ров равно R.

Пол­ное со­про­тив­ле­ние участ­ка при за­мкну­том ключе К равно

1)
2) R
3) 2 R
4) 3 R

7. A 12 № 1413. На участ­ке цепи, изоб­ра­жен­ном на ри­сун­ке, со­про­тив­ле­ние каж­до­го из ре­зи­сто­ров равно R.

Пол­ное со­про­тив­ле­ние участ­ка при за­мкну­том ключе K равно

1)
2) R
3) 2 R
4) 3 R

8. A 12 № 1414. На участ­ке цепи, изоб­ра­жен­ном на ри­сун­ке, со­про­тив­ле­ние каж­до­го из ре­зи­сто­ров равно R.

Пол­ное со­про­тив­ле­ние участ­ка при за­мкну­том ключе K равно

1)
2) R
3) 2 R
4) 3 R

9. A 12 № 1415. На участ­ке цепи, изоб­ра­жен­ном на ри­сун­ке, со­про­тив­ле­ние каж­до­го из ре­зи­сто­ров равно R.

Пол­ное со­про­тив­ле­ние участ­ка при за­мкну­том ключе К равно

1) 0
2) R
3) 2 R
4) 3 R

10. A 12 № 1417. Уча­сток цепи со­сто­ит из трех по­сле­до­ва­тель­но со­еди­нен­ных ре­зи­сто­ров, со­про­тив­ле­ния ко­то­рых равны r, 2r и 3r Со­про­тив­ле­ние участ­ка умень­шит­ся в 1,5 раза, если убрать из него

1) пер­вый ре­зи­стор
2) вто­рой ре­зи­стор
3) тре­тий ре­зи­стор
4) пер­вый и вто­рой ре­зи­сто­ры

11. A 12 № 1419. На ри­сун­ке по­ка­зан уча­сток цепи по­сто­ян­но­го тока, со­дер­жа­щий 3 ре­зи­сто­ра.

Если со­про­тив­ле­ние каж­до­го ре­зи­сто­ра21 Ом, то со­про­тив­ле­ние всего участ­ка цепи

1) 63 Ом
2) 42 Ом
3) 14 Ом
4) 7 Ом

12. A 12 № 1421. На участ­ке цепи, изоб­ра­жен­ном на ри­сун­ке, со­про­тив­ле­ние каж­до­го из ре­зи­сто­ров равно R.

Пол­ное со­про­тив­ле­ние участ­ка при за­мкну­том ключе К равно

1) 0
2)
3)
4)

13. A 12 № 1422. На участ­ке цепи, изоб­ра­жен­ном на ри­сун­ке, со­про­тив­ле­ние каж­до­го из ре­зи­сто­ров равно R.

Пол­ное со­про­тив­ле­ние участ­ка при за­мкну­том ключе К равно

1)
2) R
3) 2 R
4) 0

14. A 12 № 1423. На участ­ке цепи, изоб­ра­жен­ном на ри­сун­ке, со­про­тив­ле­ние каж­до­го из ре­зи­сто­ров равно R.

Пол­ное со­про­тив­ле­ние участ­ка при за­мкну­том ключе К равно

1)
2) R
3) 2 R
4) 0

15. A 12 № 1424. На участ­ке цепи, изоб­ра­жен­ном на ри­сун­ке, со­про­тив­ле­ние каж­до­го из ре­зи­сто­ров равно R.

Пол­ное со­про­тив­ле­ние участ­ка при за­мкну­том ключе К равно

1)
2) R
3) 2 R
4) 3 R

16. A 12 № 1425. На участ­ке цепи, изоб­ра­жен­ном на ри­сун­ке, со­про­тив­ле­ние каж­до­го из ре­зи­сто­ров равно R.

Пол­ное со­про­тив­ле­ние участ­ка при за­мкну­том ключе К равно

1)
2) R
3) 2 R
4) 0

17. A 12 № 1426. Рас­счи­тай­те общее со­про­тив­ле­ние элек­три­че­ской цепи, пред­став­лен­ной на ри­сун­ке.

 

1) 6 Ом
2) 4 Ом
3) 3 Ом
4) 0,25 Ом

18. A 12 № 1427. Со­про­тив­ле­ние цепи на ри­сун­ке равно

1) 11 Ом
2) 6 0м
3) 4 Ом
4) 1 0м

19. A 12 № 1436. Каким будет со­про­тив­ле­ние участ­ка цепи (см. ри­су­нок), если ключ К за­мкнуть? (Каж­дый из ре­зи­сто­ров имеет со­про­тив­ле­ние R.)

1) 2 R
2) 0
3) 3 R
4) R

20. A 12 № 3230. На ри­сун­ке пред­став­ле­на элек­три­че­ская цепь. Ам­пер­метр и вольт­метр счи­тай­те иде­аль­ны­ми. Вольт­метр по­ка­зы­ва­ет на­пря­же­ние 2 В. Ам­пер­метр по­ка­зы­ва­ет силу тока

1) 0,2 А
2) 0,5 А
3) 0,8 А
4) 1,2 А


21. A 12 № 3231. На ри­сун­ке пред­став­ле­на элек­три­че­ская цепь. Вольт­метр по­ка­зы­ва­ет на­пря­же­ние 2 В. Счи­тая ам­пер­метр и вольт­метр иде­аль­ны­ми, опре­де­ли­те по­ка­за­ния ам­пер­мет­ра.

1) 0,2 А
2) 0,5 А
3) 0,8 А
4) 1,2 А

22. A 12 № 3232. На ри­сун­ке пред­став­ле­на элек­три­че­ская цепь. Ам­пер­метр и вольт­метр счи­тай­те иде­аль­ны­ми. Вольт­метр по­ка­зы­ва­ет на­пря­же­ние 12 В. Ам­пер­метр по­ка­зы­ва­ет силу тока

1) 0,2 А
2) 0,5 А
3) 0,8 А
4) 1,2 А

23. A 12 № 3233. На ри­сун­ке пред­став­ле­на элек­три­че­ская цепь. Ам­пер­метр и вольт­метр счи­тай­те иде­аль­ны­ми. Вольт­метр по­ка­зы­ва­ет на­пря­же­ние 12 В. Ам­пер­метр по­ка­зы­ва­ет силу тока

1) 0,2 А
2) 0,5 А
3) 0,8 А
4) 1,2 А

24. A 12 № 3331. Ка­ко­во со­про­тив­ле­ние изоб­ражённого на ри­сун­ке участ­ка цепи, если со­про­тив­ле­ние каж­до­го ре­зи­сто­ра r?

1)
2)
3) 4 r
4)

25. A 12 № 3332. Два ре­зи­сто­ра вклю­че­ны в элек­три­че­скую цепь па­рал­лель­но, как по­ка­за­но на ри­сун­ке. Зна­че­ния силы тока в ре­зи­сто­рах , . Для со­про­тив­ле­ний ре­зи­сто­ров спра­вед­ли­во со­от­но­ше­ние

1)
2)
3)
4)

26. A 12 № 3379. На ри­сун­ке при­ве­де­на фо­то­гра­фия элек­три­че­ской цепи, со­бран­ной уче­ни­ком для ис­сле­до­ва­ния за­ви­си­мо­сти силы тока, про­хо­дя­ще­го через ре­зи­стор, от на­пря­же­ния на нем. Для того чтобы через ре­зи­стор про­те­кал ток силой 1 А, на­пря­же­ние на нем долж­но быть равно

 

1) 0,2 В
2) 3,4 В
3) 5,7 В
4) 7,6 В

27. A 12 № 3381.

Уче­ник со­брал элек­три­че­скую цепь, изоб­ра­жен­ную на ри­сун­ке. Какая энер­гия вы­де­лит­ся во внеш­ней части цепи при про­те­ка­нии тока в те­че­ние 10 мин? Не­об­хо­ди­мые дан­ные ука­за­ны на схеме. Ам­пер­метр счи­тать иде­аль­ным.

1) 600 Дж
2) 21 600 Дж
3) 36 кДж
4) 3600 Дж

A 12 № 3394.

Уча­сток цепи со­сто­ит из двух оди­на­ко­вых па­рал­лель­но со­еди­нен­ных ре­зи­сто­ров и , каж­дый с со­про­тив­ле­ни­ем 2 Ом, и ре­зи­сто­ра с со­про­тив­ле­ни­ем 3 Ом. Общее со­про­тив­ле­ние участ­ка цепи равно

1) 1 Ом
2) 2 Ом
3) 31 Ом
4) 4 Ом

29. A 12 № 3421. Два ре­зи­сто­ра вклю­че­ны в элек­три­че­скую цепь по­сле­до­ва­тель­но. Как со­от­но­сят­ся по­ка­за­ния иде­аль­ных вольт­мет­ров, изоб­ра­жен­ных на ри­сун­ке

1)
2)
3)
4)

30. A 12 № 3422. Схема элек­три­че­ской цепи по­ка­за­на на ри­сун­ке. Когда ключ К разо­мкнут, иде­аль­ный вольт­метр по­ка­зы­ва­ет 8 В. При за­мкну­том ключе вольт­метр по­ка­зы­ва­ет 7 В. Со­про­тив­ле­ние внеш­ней цепи равно 3,5 Ом. Чему равно ЭДС ис­точ­ни­ка тока?

1) 7 В
2) 8 В
3) 15 В
4) 24,5 В

31. A 12 № 3424. На ри­сун­ке изоб­ра­же­на схема элек­три­че­ской цепи. Что про­изой­дет с общим со­про­тив­ле­ни­ем цепи при за­мы­ка­нии ключа К? Со­про­тив­ле­ние цепи

1) уве­ли­чит­ся при любых зна­че­ни­ях и
2) умень­шит­ся при любых зна­че­ни­ях и
3) умень­шит­ся, толь­ко если
4) уве­ли­чит­ся, толь­ко если

32. A 12 № 3471. На ри­сун­ке при­ве­де­на элек­три­че­ская цепь. Чему равна ра­бо­та элек­три­че­ско­го тока за 5 мин про­те­ка­ния тока?

 

 

1) 6300 Дж
2) 630 Дж
3) 10,5 Дж
4) 0,3 Дж

33. A 12 № 3522. Чему равно со­про­тив­ле­ние элек­три­че­ской цепи между точ­ка­ми и , если каж­дый из ре­зи­сто­ров имеет со­про­тив­ле­ние ?


 

1)
2)
3)
4)

34. A 12 № 3529.

Какое из не­ра­венств верно отоб­ра­жа­ет со­от­вет­ствие между мощ­но­стя­ми, вы­де­ля­ю­щи­ми­ся на ре­зи­сто­рах ; ; ; ?

1)
2)
3)
4)

A 12 № 3537.

Ис­точ­ник тока имеет ЭДС , внут­рен­нее со­про­тив­ле­ние , , . Какой силы ток течет через ис­точ­ник?

1) 1 А
2) 2 А
3) 4 А
4) 1,63 А

A 12 № 3538.

Ис­точ­ник тока имеет ЭДС , внут­рен­нее со­про­тив­ле­ние , , . Какой силы ток течет через ис­точ­ник?

1) 1 А
2) 2 А
3) 4 А
4) 1,63 А

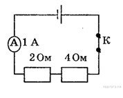
37. A 12 № 3587. На ри­сун­ке по­ка­за­на схема элек­три­че­ской цепи. Через какой ре­зи­стор течет наи­боль­ший ток?

1) 1
2) 2
3) 3
4) 4

38. A 12 № 3603. На ри­сун­ке по­ка­за­на схема элек­три­че­ской цепи.

Через какой ре­зи­стор течет наи­мень­ший ток?

1) 1
2) 2
3) 3
4) 4

39. A 12 № 3794. Со­про­тив­ле­ние каж­до­го ре­зи­сто­ра в цепи, по­ка­зан­ной на ри­сун­ке, равно 100 Ом. Уча­сток под­ключён к ис­точ­ни­ку по­сто­ян­но­го на­пря­же­ния вы­во­да­ми и . На­пря­же­ние на ре­зи­сто­ре равно 12 В. На­пря­же­ние между вы­во­да­ми схемы равно

1) 12 В
2) 18 В
3) 24 В
4) 36 В

40. A 12 № 5365. На ри­сун­ке по­ка­за­на схема участ­ка элек­три­че­ской цепи. По участ­ку АВ течёт по­сто­ян­ный ток А. Какое на­пря­же­ние по­ка­зы­ва­ет иде­аль­ный вольт­метр, если со­про­тив­ле­ние Ом?

1) 1В
2) 2 В
3) 0
4) 4 В

41. A 12 № 5400. На ри­сун­ке по­ка­за­на схема участ­ка элек­три­че­ской цепи. По участ­ку АВ течёт по­сто­ян­ный ток А. Какое на­пря­же­ние по­ка­зы­ва­ет иде­аль­ный вольт­метр, если со­про­тив­ле­ние Ом?

1) 1В
2) 2 В
3) 3 B
4) 0







Date: 2015-07-27; view: 1895; Нарушение авторских прав



mydocx.ru - 2015-2026 year. (2.424 sec.) Все материалы представленные на сайте исключительно с целью ознакомления читателями и не преследуют коммерческих целей или нарушение авторских прав - Пожаловаться на публикацию