Главная
Случайная страница
Полезное:
Как сделать разговор полезным и приятным
Как сделать объемную звезду своими руками
Как сделать то, что делать не хочется?
Как сделать погремушку
Как сделать так чтобы женщины сами знакомились с вами
Как сделать идею коммерческой
Как сделать хорошую растяжку ног?
Как сделать наш разум здоровым?
Как сделать, чтобы люди обманывали меньше
Вопрос 4. Как сделать так, чтобы вас уважали и ценили?
Как сделать лучше себе и другим людям
Как сделать свидание интересным?
Категории:
АрхитектураАстрономияБиологияГеографияГеологияИнформатикаИскусствоИсторияКулинарияКультураМаркетингМатематикаМедицинаМенеджментОхрана трудаПравоПроизводствоПсихологияРелигияСоциологияСпортТехникаФизикаФилософияХимияЭкологияЭкономикаЭлектроника
|
Устройство и принцип действия швейной машины
Все швейные машины делятся на специальные и универсальные. Специальные машины выполняют только одну определенную технологическую операцию: выполнение петель, пришив пуговиц и т. д. На универсальных машинах можно выполнять швы различных видов, строчки разной длины и направления, используя специальные приспособления можно выполнять петли и т. д. Рабочие органы швейной машины. Рабочими органами швейной машины являются: игла, двигатель ткани, лапка, нитепритягиватель, челнок. Работу каждого рабочего органа швейной машины обеспечивает соответствующий механизм. Образование строчки обеспечивается слаженной работой всех механизмов. В их основе, лежат механизмы преобразования вращательного движения в возвратно-поступательное. Такими механизмами преобразования являются: кривошипно-шатунный, эксцентриковый кулачковый.


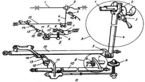
Рис. 1. Кривошипно-шатунный механизм: а — механизм иглы, б — кинематическая схема механизма, 1—маховое колесо, 2— главный вал, 3— кривошип, 4— палец кривошипа, 5—шатун, 5а— верхняя головка шатуна, 56 — нижняя головка шатуна, 6— поводок, 7— игловодитель, 8— прижимной винт, 9— игла. На рисунке 1 показан механизм иглы, в котором применен кривошипно-шатунный механизм. Кривошипом 3 является цилиндрический диск, который жестко закрепляется на главном валу 2 и вращается вместе с ним. На палец кривошипа 4 надет шатун 5, который представляет собой стержень с двумя головками. Верхнюю головку шатуна 5а надевают на палец кривошипа, а нижнюю головку шатуна 5б соединяют с пальцем поводка 6, который играет роль ползуна. Игловодитель 7 вставлен в поводок и закреплен установочным винтом. Игла 9 крепится в игловодителе при помощи прижимного винта 8. Основные звенья кривошипно-шатунного механизма: кривошип, шатун и ползун. Кривошип жестко закреплен на валу, совершает вращательное движение и является ведущим звеном. Шатун является связующей деталью между кривошипом и ползуном, соединение с ними подвижно-шарнирное, он совершает колебательные движения и является передаточным звеном. Ползун совершает возвратно-поступательное движение, которое посредством жесткого разъемного соединения передается игловодителю с иглой, он является ведомым звеном. Механизм двигателя ткани. Механизм двигателя ткани (рис. 2) состоит из трех узлов: узла горизонтального перемещения, узла вертикального перемещения и узлалапки. 
Рис2а Рис. 2. Механизм двигателя ткани: А - эксцентриковый механизм, Б — кулачковый механизм, а — механизм двигателя ткани, б — кинематическая схема механизма: 1— главный вал, 2— эксцентрик, 3— регулятор строчки, 4— шатун-вилка, 5 коромысло, 6— винт, 7—качающийся валик, 8—кулачок, 9—вилка, 10—вал подъема, 11—коромысло, 12—ролик, 13—вилка рычага, 14—зубчатая рейка, 15—вал продвижения. В узле горизонтального перемещения используется эксцентриковый механизм (рис. 2, а), который служит для преобразования вращательного движения в возвратно-поступательное или колебательное. Основным звеном данного механизма является эксцентрик — круглый диск, ось вращения которого не совпадает с его геометрической осью. На рисунке 3 показана общая схема эксцентрикового механизма. При вращении главного вала 1 наиболее утолщенный участок эксцентрика будет перемещаться по окружности по движению часовой стрелки. На рисунке он обращен вниз (I), влево (II), вверх (III) и вправо (IV). Как видно, схема движения эксцентрика сходна со схемой движения кривошипа и его пальца. Шатун 4 и его головка 3, надетая на эксцентрик 2, совершает колебательные движения. Ползун 5 совершает прямолинейные движения вверх и вниз по направляющим 6.
В швейной машине к узлу горизонтального перемещения (рис. 2) относится вал продвижения 15. Коромысло вала 5, соединенное с нижней головкой шатуна-вилки 4, получает движение от главного вала 1 через эксцентрик 2. При вращении главного вала шатун-вилка совершает колебательное движение. Шатун поднимается, и вместе с ним поднимается коромысло 5, поворачивая вал продвижения против часовой стрелки. Рычаг 13, закрепленный на левом конце вала, отклоняется вместе с валом и продвигает зубчатую вилку от работающего. Продольное перемещение рейки 14 регулируется с помощью рычага регулятора строки 3, который соединен с шатуном через шарнирный винт и одетый на него ползун. Ползун, в свою очередь, вставлен в паз рычага регулятора строчки. Опуская или поднимая рычаг, мы изменяем величину поворота шатуна, что приводит к большому повороту вала продвижения, т. е. увеличивается продольное перемещение рейки и, следовательно, длина стежка. Эксцентриковый механизм Эксцентриковый механизм состоит из эксцентрика, шатуна-вилки и коромысла. Эксцентрик жестко закреплен на валу и совершает вращательное движение, является ведущим звеном. Шатун-вилка (как и в кривошипно-шатунном механизме) совершает колебательные движения, соединение эксцентрика с шатуном и шатуна с коромыслом — подвижное. Коромысло жестко закреплено на валу продвижения и совершает колебательные движения, является ведомым звеном. В узле вертикального перемещения применен кулачковый механизм, который служит для преобразования вращательного движения в сложное повторяющееся, совершающееся по определенному замкнутому циклу. Основной деталью данного механизма является кулачок (различают кулачки плоские (дисковые) и цилиндрические). При колебательных движениях (рис. 2, б) качающегося валика 7 кулачок 8 нажимает на рожки вилки 9, которые его охватывают. Вилка поворачивается вместе с валом подъема 10, поднимающим коромысло 11, на конце которого находится ролик 12, вставленный в вилку рычага двигателя ткани 13. При подъеме рычаг давит на верхний рожок вилки и поднимает его вместе с рейкой. Вал подъема получает движение от главного вала и качающегося валика, который, в свою очередь, получает движение от коленчатого вала через шатун. Его конструкция позволяет регулировать высоту подъема рейки в зависимости от толщины стачиваемых тканей
Date: 2015-07-27; view: 1075; Нарушение авторских прав | Понравилась страница? Лайкни для друзей: |
|
|