Главная Случайная страница


Полезное:

Как сделать разговор полезным и приятным Как сделать объемную звезду своими руками Как сделать то, что делать не хочется? Как сделать погремушку Как сделать так чтобы женщины сами знакомились с вами Как сделать идею коммерческой Как сделать хорошую растяжку ног? Как сделать наш разум здоровым? Как сделать, чтобы люди обманывали меньше Вопрос 4. Как сделать так, чтобы вас уважали и ценили? Как сделать лучше себе и другим людям Как сделать свидание интересным?


Категории:

АрхитектураАстрономияБиологияГеографияГеологияИнформатикаИскусствоИсторияКулинарияКультураМаркетингМатематикаМедицинаМенеджментОхрана трудаПравоПроизводствоПсихологияРелигияСоциологияСпортТехникаФизикаФилософияХимияЭкологияЭкономикаЭлектроника






Кафедра Электроснабжения и электротехники. Кафедра Электроснабжения и электротехники

Кафедра Электроснабжения и электротехники

 

СОГЛАСОВАНО УТВЕРЖДАЮ

Гл. специалист предприятия Зав. кафедрой ЭСиЭ

(для которого выполнен А.Н. Макаров

реальный проект (работа)

_____________________ ____________________

подпись, инициалы, фамилия подпись, инициалы, фамилия

 

"___"___________2013г. "___"___________2013г.

 

ПОЯСНИТЕЛЬНАЯ ЗАПИСКА

 

к курсовому проекту (работе) по ___ Применению ЭВМ в энергетике_______

наименование учебной дисциплины

 

на тему:_________ Проектирование, моделирование и анализ _____________

___________________ электронных схем на компьютере ________________

Автор проекта (работы)____Щербаков С.__________________________________

подпись, дата, инициалы, фамилия

 

Специальность ____________100400 - "Электроснабжение"______

номер, наименование

 

Обозначение курсового проекта) _____________________________________

 

Руководитель проекта _________________ _______ Абу-Абед Ф.Н.___

подпись, дата инициалы, фамилия

 

Проект (работа) защищен (а) ___________ Оценка________________

 

Члены комиссии:

______________________ ________________

подпись, дата инициалы, фамилия

 

______________________ ________________

подпись, дата инициалы, фамилия

 

______________________ ________________

подпись, дата инициалы, фамилия

 

 

г. Тверь


 

 

Министерство образования и науки Российской Федерации

Тверской государственный технический университет

 

Кафедра Электроснабжения и электротехники

 

 

ЗАДАНИЕ НА КУРСОВОЙ ПРОЕКТ (РАБОТУ)

 

Студент__Щербаков С. _________ код_№ 09-32_ группа ___ ЭС-41 ________

фамилия, инициалы

1.Тема _______ Проектирование, моделирование и анализ _______________

_________________ электронных схем на компьютере __________________

_________________________________________________________________

2. Срок представления проекта (работы) к защите "____"__________2012г.

3. Исходные данные для проектирования (научного исследования)

__________ вариант №32 ___________________________________________

________________________________________________________________

4. Содержание пояснительной записки курсового проекта (работы)

4.1._Источники вторичного электропитания___________________________

4.2._ Активные фильтры ___________________________________________

4.3._ Усилители мощности __________________________________________

4.4.______________________________________________________________

4.5.______________________________________________________________

4.6.______________________________________________________________

4.7.______________________________________________________________

5. Перечень графического материала: ___ Electronics Workbench 5.12 -

программа для моделирования электронных схем_____

 

Руководитель проекта (работы) ________________ _ Ф.Н. Абу- Абед _

подпись, дата инициалы, фамилия

 

 

Задание принял к исполнению ____________ "_06_"_октября_2012г.

подпись


 

Введение.

Электроника принадлежит к той области естественных наук, в которой

процесс познания требует неразрывной связи теоретического анализа и

экспериментальных исследований. На сегодняшний день существует

реальная и доступная возможность проведения широкого спектра

экспериментальных исследований схем с помощью компьютера. Разработано большое число программ моделирования электронных схем, но большинство из них требуют серьезной предварительной подготовки пользователя и наличия у него специальных знаний. Значительное расширение круга пользователей возможно лишь тогда, когда процесс моделирования будет максимально приближен к реальному эксперименту. В этом случае человек, осуществляя естественную последовательность таких операций, как сборка схемы, подключение к ней измерительных приборов, задание параметров генераторов входных воздействий и установка режимов на панелях

измерительных приборов, получал бы результаты измерений в привычной для него форме.

Система моделирования и анализа электрических схем Electronics

Workbench позволяет практически реализовать идею использования

виртуальной лаборатории на компьютере. Программа Electronics Workbench позволяет моделировать аналоговые, цифровые и цифро-аналоговые схемы большой степени сложности. Имеющиеся в программе библиотеки включают в себя большой набор широко распространенных компонентов (пассивные элементы, транзисторы, источники питания, индикаторы, логические элементы, триггеры, цифровые и аналоговые элементы, специальные комбинационные и последовательные схемы). В программе используется большой набор приборов для проведения измерений: амперметр, вольтметр, осциллограф, мультиметр, Боде-плоттер, функциональный генератор,


генераторов слов, логический анализатор и логический преобразователь. Все приборы изображаются в виде, максимально приближенном к реальному.

В данной курсовой работе, при помощи программы Electronics

Workbench, мы выполним проверку некоторых расчетов и проведем

исследование работы спроектированной схемы ИВП.

I. Источники вторичного электропитания.

Источники вторичного электропитания (ИВП) — электронные

устройства, предназначенные для преобразования энергии первичного

источника электропитания (промышленной сети переменного тока, либо

автономных источников переменного или постоянного тока) в электрическую энергию, значения частоты, уровня и стабильности которой

согласованы с требованиями, предъявляемыми к этим параметрам конкретными электронными устройствами (ЭУ) и системами. Современные ЭУ выполняются с использованием интегральных схем (ИС), требующих для своего питания постоянного напряжения низкого уровня (как правило, ±5... ±15 В). При этом отклонения этого напряжения от заданного значения не должны превышать ± (5...10)%. В ряде случаев, например, при питании прецизионных аналоговых устройств или АЦП и ЦАП, стабильность напряжения питания должна быть существенно выше (0,1...0,01%).

В общем случае ИВП состоит из нескольких функционально законченных блоков, все схемотехническое многообразие которых, как правило, может быть разбито на три основные группы: устройства согласования уровня, частоты и стабильности напряжения (рис.1.1,а).

 

Устройство Согласования уровня
Устройство Согласования частоты
Устройство Согласования стабильности
U вх   220 В 50 Гц
U вых    

 


U вых    
U вх   220 В 50 Гц
Ст
Ф
В
TV
А)

 

 

Б)

 

 

Рис.1.1. Структурные схемы ИВП: а) обобщенная схема, б) схема с входным низкочастотным преобразователем.

 

На рис.1.1, б приведена структурная схема, предназначенная для преобразования напряжения промышленной сети в постоянное напряжение. Она содержит каскадное соединение трансформатора (TV), осуществляющего функцию согласования уровней напряжения; выпрямителя (В), преобразующего напряжение переменного тока в напряжение, содержащее постоянную составляющую (пульсирующее напряжение); сглаживающего фильтра (Ф), предназначенного для стабилизации мгновенного значения пульсирующего напряжения; стабилизатора (Ст), стабилизирующего среднее значение выходного напряжения.

 

ИВП характеризуется рядом электрических параметров:

1. Номинальными уровнями входного Uвх ном и выходного Uвых ном напряжений;

2. Предельными отклонениями входного и выходного напряжений от номинальных значений (относительные изменения dUвх и dUвых). Часто при определении выходного напряжения отдельно задают величину нестабильности от изменения тока нагрузки – dUвых(Iн) и напряжения питания – dUвых(Uвх). Иногда величину dUвых(Uвх) задают коэффициентом стабилизации по напряжению


 

3. Диапазоном изменения выходной мощности PHmax – PHmin. Иногда этот диапазон задается значениями максимального Iвыхmax и минимального Iвыхmin токов нагрузки;

 

4. Предельным уровнем амплитуды переменной составляющей входного Umвх и выходного Umвых напряжений. Иногда эта величина задается в виде коэффициента пульсаций

 

Кп= Umi/ Uном,

 

где Umi – напряжение первой гармоники, Uном – постоянная составляющая.

 

5. Способность ИВП пропускать переменную составляющую входного напряжения задается в виде коэффициента сглаживания

 

Ксгл = КПвх / КПвых.

 

 

Задание

Спроектировать ИВП для преобразования напряжения промышленной сети в постоянное напряжение.

 

Дано:

– параметры напряжения сети Uвх = 220 В, f = 50 Гц, ΔUвх = +15...– 20%;

– однофазная мостовая схема выпрямителя;

– фильтры (C1, L1, L2C2, C3L3C4);

– параметрический стабилизатор напряжения;

– параметры потребителя выходного напряжения:

 

~ RH=400 Ом; ~ КПвх = 0,67;

~ UH [в]=9 В; ~ частота пульсации m = 2;

~ КПвых=0,01.

 

Выполнение

 

 

1. Определим расчетные мощности обмоток трансформатора и коэффициент трансформации n

 

, где

Вт =>

Вт

 

Коэффициент трансформации , где U1=220 В, U2=1,11UН В

 

2. Рассчитаем параметры сглаживающих фильтров (C1, L1, L2С2, С3L3С4)

 

2.1. Емкостной фильтр С1:

 

/ jMVXAAAA//8DAFBLAwQUAAYACAAAACEA6GjezdwAAAAHAQAADwAAAGRycy9kb3ducmV2LnhtbEyP wU7DMBBE70j9B2srcaMOObRNiFO1lSji0qoFcXbjJYmw11HstIGvZxEHuO1oRrNvitXorLhgH1pP Cu5nCQikypuWagWvL493SxAhajLaekIFnxhgVU5uCp0bf6UjXk6xFlxCIdcKmhi7XMpQNeh0mPkO ib133zsdWfa1NL2+crmzMk2SuXS6Jf7Q6A63DVYfp8EpWDz5fbvPxkOKQ7pbH77eNs92p9TtdFw/ gIg4xr8w/OAzOpTMdPYDmSCsgvkizTiqgAew/SvPfGRLkGUh//OX3wAAAP//AwBQSwECLQAUAAYA CAAAACEAtoM4kv4AAADhAQAAEwAAAAAAAAAAAAAAAAAAAAAAW0NvbnRlbnRfVHlwZXNdLnhtbFBL AQItABQABgAIAAAAIQA4/SH/1gAAAJQBAAALAAAAAAAAAAAAAAAAAC8BAABfcmVscy8ucmVsc1BL AQItABQABgAIAAAAIQA19BCQJAIAAHoEAAAOAAAAAAAAAAAAAAAAAC4CAABkcnMvZTJvRG9jLnht bFBLAQItABQABgAIAAAAIQDoaN7N3AAAAAcBAAAPAAAAAAAAAAAAAAAAAH4EAABkcnMvZG93bnJl di54bWxQSwUGAAAAAAQABADzAAAAhwUAAAAA " strokecolor="black [3213]">

Uвх
Uвых
RН
СФ

 

 


 

(Здесь и далее округляем по ряду Е12)

 

LФ
2.2. Индуктивный фильтр L1:

H X8biKwAAAP//AwBQSwMEFAAGAAgAAAAhAD9/VUPfAAAACgEAAA8AAABkcnMvZG93bnJldi54bWxM j01PwzAMhu9I/IfISNxYulLtozSdBhJDXDZtIM5ZY9qKxKmadCv8eow4wNH2o9fPW6xGZ8UJ+9B6 UjCdJCCQKm9aqhW8vjzeLECEqMlo6wkVfGKAVXl5Uejc+DPt8XSIteAQCrlW0MTY5VKGqkGnw8R3 SHx7973Tkce+lqbXZw53VqZJMpNOt8QfGt3hQ4PVx2FwCuZPfttul+MuxSHdrHdfb/fPdqPU9dW4 vgMRcYx/MPzoszqU7HT0A5kgrILZPF0yqiDLMhAM/C6OTE5vM5BlIf9XKL8BAAD//wMAUEsBAi0A FAAGAAgAAAAhALaDOJL+AAAA4QEAABMAAAAAAAAAAAAAAAAAAAAAAFtDb250ZW50X1R5cGVzXS54 bWxQSwECLQAUAAYACAAAACEAOP0h/9YAAACUAQAACwAAAAAAAAAAAAAAAAAvAQAAX3JlbHMvLnJl bHNQSwECLQAUAAYACAAAACEAXOyhVyUCAAB6BAAADgAAAAAAAAAAAAAAAAAuAgAAZHJzL2Uyb0Rv Yy54bWxQSwECLQAUAAYACAAAACEAP39VQ98AAAAKAQAADwAAAAAAAAAAAAAAAAB/BAAAZHJzL2Rv d25yZXYueG1sUEsFBgAAAAAEAAQA8wAAAIsFAAAAAA== " strokecolor="black [3213]">

Uвх
Uвых
RН


 

 


, где

 

2.3. Индуктивно-емкостной (Г-образный) фильтр L2C2:

 

, зададим С2 < С1

 

С1=0,68 мФ => С2=0,47 мФ, далее

LФ
Uвх
Uвых
RН
СФ

 


2.4. Комбинированный (П-образный) фильтр C3L3C4:

LФ
Uвх
Uвых
RН
СФ
i QrE8iXjBBdWL0oF+xG0wjW+giRmOLxU09OIstIOP24SL6TSBcAotCwuztDy6jj2JDHtoHpmzHQ0D 8vcW+mFk4xM2tthEFzvdBuRkomosa1vDrtw4wYns3baJK+L5f0I97cTJbwAAAP//AwBQSwMEFAAG AAgAAAAhALTcTpHdAAAACQEAAA8AAABkcnMvZG93bnJldi54bWxMj8FOwzAMhu9IvENkJG4s3TrK VppOMFGOSKwcOGataQuJUyVZV94ec4KTZf2ffn8udrM1YkIfBkcKlosEBFLj2oE6BW91dbMBEaKm VhtHqOAbA+zKy4tC56070ytOh9gJLqGQawV9jGMuZWh6tDos3IjE2YfzVkdefSdbr89cbo1cJUkm rR6IL/R6xH2PzdfhZBXsq7r2EwZv3vG5Sj9fHtf4NCt1fTU/3IOIOMc/GH71WR1Kdjq6E7VBGAWr zd2aUQ5ueTKQptkWxFFBttyCLAv5/4PyBwAA//8DAFBLAQItABQABgAIAAAAIQC2gziS/gAAAOEB AAATAAAAAAAAAAAAAAAAAAAAAABbQ29udGVudF9UeXBlc10ueG1sUEsBAi0AFAAGAAgAAAAhADj9 If/WAAAAlAEAAAsAAAAAAAAAAAAAAAAALwEAAF9yZWxzLy5yZWxzUEsBAi0AFAAGAAgAAAAhAMN8 ARqFAgAAWwUAAA4AAAAAAAAAAAAAAAAALgIAAGRycy9lMm9Eb2MueG1sUEsBAi0AFAAGAAgAAAAh ALTcTpHdAAAACQEAAA8AAAAAAAAAAAAAAAAA3wQAAGRycy9kb3ducmV2LnhtbFBLBQYAAAAABAAE APMAAADpBQAAAAA= " filled="f" stroked="f" strokeweight=".5pt">
СФ

 


Данный фильтр можно рассмотреть как сочетание фильтров С3 и L3C4, а

Для расчета параметров данного фильтра зададим , а именно

Определим значение C3 для

 

Далее рассчитаем L3C4 для и из полученной величины найдем L3, приняв С43=68 мкФ

 

=>

 

 

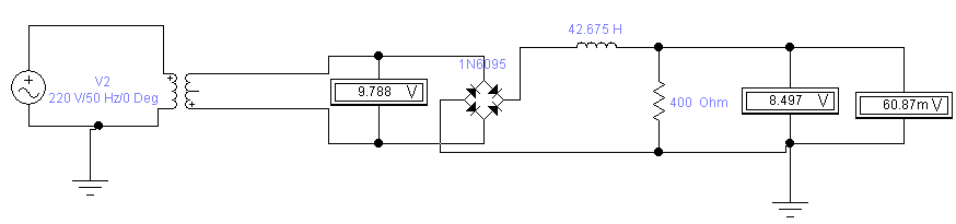
3. Исследуем на компьютере действие всех фильтров

 

Экспериментально проверим результаты расчета фильтров путем определения и сравнения полученного результата с расчетным.

 

 

3.1. Емкостной фильтр С1:

 

 

Удовлетворяет условию КПвых=0,01. Следовательно, расчет фильтра выполнен, верно.

 

3.2 Индуктивный фильтр L1:

 

Удовлетворяет условию КПвых=0,01. Следовательно, расчет фильтра выполнен, верно.

 

 

3.3 Индуктивно-емкостной (Г-образный) фильтр L2C2:

 

 

Удовлетворяет условию КПвых=0,01. Следовательно, расчет фильтра выполнен, верно.

 

 

3.4. Комбинированный (П-образный) фильтр C3L3C4:

 

 

Удовлетворяет условию КПвых=0,01. Следовательно, расчет фильтра выполнен, верно.

 

 

4. Расчет параметрического стабилизатора

4.1 Выбор стабилитрона по справочнику (по необходимым параметрам)

 

 

Выбираем 2С516А

 

параметр значение
Uст ном, В 9,8
Uст min, В  
Uст max, В  
Iст min, мА  
Iст max, мА  

 

Определим

 

4.2 рассчитаем величину балластного сопротивления

 

, где

 

 

4.3 Выберем по справочнику диоды для мостовой схемы выпрямителя по параметрам:

 

Выбираем 2Д504А

 

параметр значение
Uобр доп, В  
Iср, мА  
Uпр, В 1,2

 

 

 

5. Исследование работы спроектированной схемы ИВП.

 

Исследование работы спроектированной схемы ИВП будем проводить при помощи программы Electronics Workbench.

Т.к. в схему введено балластное сопротивление, то необходимо изменить параметры трансформатора для повышения вторичного напряжения

 

 

Для трех значений напряжения сети (220 В, 176 В, 253 В) проведем исследование работы спроектированной схемы ИВП. Оценку работы схемы дадим по коэффициенту стабилизации.

 

Кс > 10

 


 

II. Активные фильтры.

Благодаря тому, что реактивное сопротивление конденсатора, равное

Zс = – j/ωc, зависит от частоты, с помощью конденсаторов и резисторов можно строить частотно-зависимые делители напряжения, которые будут пропускать только сигналы нужной частоты, а все остальные подавлять – пассивные фильтры.

Активными называются фильтры, использующие для формирования частотных характеристик как пассивные, так и активные (усилительные) элементы, что дает возможность усиливать сигнал, лежащий в полосе пропускания.

Активные фильтры классифицируются на фильтры низких частот (ФНЧ), пропускающие сигналы с частотой от f = 0 до некоторой частоты среза f = f0; фильтры высоких частот (ФВЧ), пропускающие сигналы с частотой от f = f0 до f ®µ; полосовые (ПФ), пропускающие сигналы в диапазоне частот от f1 до f2, и режекторные фильтры (РФ), не пропускающие сигналы в узком диапазоне частот от f1 до f2. На частоте среза f0 сигнал уменьшается до 0,7 К0, что соответствует 3 д Б.

Типовые ЛАЧХ перечисленных фильтров приведены на рис.3.

Электрические фильтры аналитически принято описывать передаточными функциями. Передаточные функции простейших фильтров представляют собой уравнения первого порядка, поэтому и фильтры называются фильтрами первого порядка. Коэффициент усиления у них уменьшается с частотой на 20 д Б/дек. Такие фильтры просты, но имеют малую крутизну спада ЛАЧХ, что свидетельствует о плохих избирательных свойствах. Для улучшения избирательности нужно повышать порядок передаточных функций за счет введения дополнительных RC-цепей или последовательного включения идентичных активных фильтров. На практике наиболее часто используют операционные усилители (ОУ) с цепями обратных связей (ОС), работа которых описывается уравнениями второго порядка – фильтры второго порядка. Коэффициент усиления у них уменьшается с частотой на 40 д Б/дек. При необходимости повысить избирательность системы отдельные фильтры второго порядка включают последовательно.

 

Uвых
>
ё
- оу +
Uвх
R1
R2
R3
C1
C2

 


Рис.1 Схема ФНЧ второго порядка

Uвых
ё
Uвх
R1
R2
С3
C1
C2
- оу +

 

 


Рис.2 Схема ФВЧ второго порядка

 

 

 

Рис.3. ЛАЧХ фильтров: а) ФНЧ; б) ФВЧ; в) ПФ; е) РФ

 


 

Задание.

 

Спроектировать и исследовать на компьютере активные фильтры нижних и верхних частот второго порядка с максимально плоской характеристикой.

 

Дано:

- f0=20 кГц – частота среза;

- К0=40 – коэффициент усиления в полосе пропускания;

- – коэффициент затухания;

- n = 40 д Б/дек – наклон ЛАЧХ в полосе ограничения.

 

Выполнение.

 

1. Расчет фильтра низкой частоты (ФНЧ) второго порядка. (рис. 1)

 

1.1 Зададим некоторое значение емкости конденсатора С2= 1800 рФ (не более 2200 pФ.)

 

Найдем значение вспомогательного коэффициента

 

 

 

1.2 Рассчитаем значения всех элементов схемы фильтра C1, R1, R2, R3

 

 

1.3 Проверим значения частоты среза f0 и к0

 

 

Следовательно расчеты верны.

 

 

1.4 рассчитаем коэффициент усиления к0 в децибелах для построения ЛАЧХ

 

 

1.5 определим параметры операционного усилителя

 

 

1.6. Исследуем работу ФНЧ на компьютере.

 

Экспериментальные данные сходны с расчетными в допустимых пределах.

 

 

2. Расчет фильтра высокой частоты (ФВЧ) второго порядка. (рис. 2)

2.1 Зададим некоторое значение емкости конденсаторов С13=С=1800 рФ (не более 2200 pФ.)

 

Найдем значение вспомогательного коэффициента

 

 

2.2 Рассчитаем значения всех элементов схемы фильтра С2, R1, R2

 

 

 

2.3 Проверим значения частоты среза f0 и к0

 

 

Следовательно, расчеты верны.

 

2.4 рассчитаем коэффициент усиления к0 в децибелах для построения ЛАЧХ

 

 

2.5 определим параметры операционного усилителя

 

 

2.6. Исследуем работу ФВЧ на компьютере.

 

Экспериментальные данные сходны с расчетными данными в допустимых пределах.

 

III. Усилители мощности.

 

Под мощным каскадом понимают такой усилительный каскад, для которого задаются нагрузка RH и мощность PH, рассеиваемая в этой нагрузке. Обычно мощность имеет значения от нескольких до десятков-сотен ВТ. Поэтому мощные каскады, как правило, бывают выходными – оконечными. В качестве нагрузки могут выступать различные исполнительные устройства систем управления (например, обмотки реле, электродвигатели).

Мощный выходной каскад, работающий с большими токами и напряжениями, вносит основную часть нелинейных искажений и является главным потребителем энергии. Поэтому при выборе и проектировании выходного каскада основное внимание обращают на возможность получения малых нелинейных искажений и наибольшего кпд.

Усилители мощности могут быть однотактными и двухтактными. Однотактные усилители чаще применяют при относительно малых выходных мощностях (до 3-5 Вт). Как правило, в однотактной схеме транзистор работает в режиме А, в двухтактных схемах – в режимах АВ или В.

Усилители мощности подразделяются на трансформаторные и бестрансформаторные. Несмотря на то, что трансформаторы характеризуются незначительными потерями энергии и позволяют оптимизировать условия работы усилительного элемента, при которых обеспечивается необходимая выходная мощность, высокий кпд и низкий уровень нелинейных искажений, тем не менее они сравнительно редко применяются в транзисторных и особенно в аналоговых микросхемах, так как при их использовании увеличиваются габаритные размеры, масса и стоимость усилителя. Вместе с тем применение в оконечных каскадах глубокой отрицательной обратной связи для улучшения согласования плеч транзисторных двухтактных схем и повышения их линейности привело к использованию в качестве бестрансформаторных оконечных каскадов повторителей напряжения, которые практически вытеснили трансформаторные оконечные каскады.

Все бестрансформаторные двухтактные схемы можно разделить на две группы: с одним или двумя источниками питания и с управлением от однофазного или от парафазного напряжения. При управлении однофазным напряжением каскады реализуются на комплементарных транзисторах (p-n-p и n-p-n типов).

Двухтактный оконечный каскад на комплементарных транзисторах с двумя источниками питания

u eG1sTI/BTsMwEETvSPyDtUjcqNMQaBXiVIjSM6KA1KMbL0nAXke22yZ/z8KlHJ9mNfO2Wo3OiiOG 2HtSMJ9lIJAab3pqFby/bW6WIGLSZLT1hAomjLCqLy8qXRp/olc8blMruIRiqRV0KQ2llLHp0Ok4 8wMSZ58+OJ0YQytN0Ccud1bmWXYvne6JFzo94FOHzff24BRE2z5/TR+TX+cmTOtN3OHLvFDq+mp8 fACRcEznY/jVZ3Wo2WnvD2SisMyLJf+SFOS3IDjP74oCxP6PZV3J//71DwAAAP//AwBQSwECLQAU AAYACAAAACEAtoM4kv4AAADhAQAAEwAAAAAAAAAAAAAAAAAAAAAAW0NvbnRlbnRfVHlwZXNdLnht bFBLAQItABQABgAIAAAAIQA4/SH/1gAAAJQBAAALAAAAAAAAAAAAAAAAAC8BAABfcmVscy8ucmVs c1BLAQItABQABgAIAAAAIQABGgR38AEAAPIDAAAOAAAAAAAAAAAAAAAAAC4CAABkcnMvZTJvRG9j LnhtbFBLAQItABQABgAIAAAAIQASpZyg2gAAAAcBAAAPAAAAAAAAAAAAAAAAAEoEAABkcnMvZG93 bnJldi54bWxQSwUGAAAAAAQABADzAAAAUQUAAAAA " strokecolor="#4579b8 [3044]"/>

С
>
R4
R3
R2
R1
RH
VT
VT
Ek1
Ek2
-
+
-
+
Uвх

 

 


В рассматриваемом каскаде транзисторы включены по схеме с ОК (эмиттерные повторители) режим работы В или АВ. При отсутствии входного сигнала ток в сопротивлении нагрузки Rн практически отсутствует, так как небольшие начальные токи, протекающие через транзисторы VT1 и VT2, взаимно вычитаются. При подаче входного сигнала на базы обоих транзисторов один из транзисторов в зависимости от фазы сигнала закрывается, а открытый транзистор работает как усилительный каскад, собранный по схеме с ОК. Следовательно, выходной сигнал Ukm на сопротивлении нагрузки Rн практически равен входному, а усиление мощности достигается за счет усиления тока Iэm. Во время другого полупериода открытый и закрытый транзисторы меняются местами.

Расчет двухтактного усилителя производят графоаналитическим методом по семействам статических характеристик одного транзистора. При этом рассчитывается одно плечо схемы.

 

Задание.

 

Дано:

- РН= 15 Вт – выходная мощность усилителя

- RH=10 Ом – сопротивление нагрузки

- Kr= 3,0 % - допустимый коэффициент гармоник

- fH=0,05 кГц

- fB=12 кГц – рабочий диапазон частот

- MH=4,5 Дб

- MB= 3,5 Дб – допустимые коэффициенты частотных искажений каскада

- t0ср мах= + 40 0С

- t0ср мин= + 10 0С – высшая и низшая температуры окружающей среды

 

Выполнение

 

1. Определим значение мощности, которую должны выделять транзисторы, а также составляющие коллекторного тока и напряжения.

 

 

2. Выберем напряжение источников питания Ек1к2к

 

, где Uост – напряжение, отсекающее нелинейную часть выходных характеристик транзистора в области малых коллекторных напряжений

 

3. Выберем комплиментарную пару транзисторов по предельным параметрам

, где МВдб=20lgMB=1,497

 

 

KT816B,KT817B

Kpeмниeвыe мeзa-плaнapнo-эпитaкcиaльныe тpaнзиcтopы p-n-p (KT816) и n-p-n (KT817). Пpeднaзнaчeны для paбoты в выxoдныx кacкaдax ycилитeлeй низкoй чacтoты, ключeвыx кacкaдax и дpyrиx yзлax paдиoэлeктpoннoй aппapaтypы шиpoкoгo пpимeнeния, Bыпycкaютcя в плacтмaccoвoм кopпyce c гибкими вывoдaми.

 

Экcплyaтиpyютcя пpи Qoкp oт -60 дo +150 °C. Macca тpaнзиcтopa нe бoлee 0,7г.

 

 


 

Элeктpичecкиe пapaмeтpы и пpeдeльныe знaчeния дoпycтимыx peжимoв paбoты

 

 


 


1.81


 

На семействе выходных характеристик проведем нагрузочную линию (т.к. заданы достаточно жесткие требования к уровню нелинейных искажений, то будем использовать режим АВ, для чего повысим Iок, отсекая нелинейность входной характеристики.) Перемещая параллельно нагрузочную линию выберем окончательно ее положение.(В данном случае КПД каскада упадет)

 

По графикам определим

 

 

 

 

4. Определим параметры входной цепи.

4.1 Рассчитаем ток смещения базы, соответствующий точке О, при

наихудшем транзисторе (bмин=25)

амплитуду переменной составляющей входного тока

4.2 Найдем напряжения Uоб и Uбm по входной характеристике.

4.3 Найдем входное напряжение для схемы с ОК.

4.4 Найдем входную мощность сигнала, требуемую для получения

заданной мощности в нагрузке.

 

 

5. Определим коэффициент усиления по мощности.

Потребляемая каскадом номинальная мощность

, где

=2*19,1*0,62=23,684 Вт

КПД каскада

 

 

6. Рассчитаем сопротивления делителя R1 – R4, задающих исходное состояние транзисторов.

, где

 

 

7. Рассчитаем входное сопротивление каскада с учетом делителя подачи смещения при включении с ОК.

 

8. Определим уровень нелинейных искажений.

 

Для оценки уровня нелинейных искажений используют сквозную динамическую характеристику каскада, которая строится с помощью семейства статических выходных и динамической входной ВАХ транзистора.

На графике семейства статических выходных ВАХ устанавливается зависимость входного тока (тока базы) от выходного (тока коллектора) в точках пересечения семейства статических выходных ВАХ с нагрузочной прямой переменного тока. Затем с помощью динамической входной ВАХ определяются значения входных напряжений по найденным значениям тока базы и вычисляются значения ЭДС генератора, который имеет внутреннее сопротивление Rг

 

 

8.1 Зададим внутреннее сопротивление генератора Rг=257,64 Ом

Определим по графикам необходимые значения и рассчитаем

 

Iб, мА Iк, А Uбэ, В Ег, В
       
  0,37 0,8 2,088
  0,676 0,85 3,426
  0,937 0,875 4,740
  1,152 0,91 6,063
  1,333 0,925 7,366
  1,47 0,94 8,669
  1,61 0,95 9,967
  1,736 0,965 11,271
  1,848 0,97 12,564
  1,9 0,98 13,862
  1,961 0,99 15,160
  2,03   16,458
  2,1 1,015 17,762
  2,16 1,025 19,060
  2,221 1,035 20,358
  2,276 1,04 21,651
  2,333 1,045 22,944
  2,395 1,049 24,237
  2,4 1,051 25,012

 

 

8.2 По сквозной характеристике найдем номинальные токи

 

 

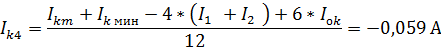
8.3 Рассчитаем коэффициент гармоник двухтактного каскада в режиме АВ с учетом асимметрии плеч.

 

 

8.4 Определим амплитуду гармоник тока коллектора.

 

Правильность вычислений проверим при помощи формулы

2,701»2,7=> вычисления проведены верно.

При помощи, рассчитанных ранее, амплитуд посчитаем коэффициент гармоник при включении транзисторов с общим эмиттером.

но т.к. у нас схема с ОК, то отрицательная обратная связь снизит коэффициент гармоник до:

 

 

Полученный коэффициент гармоник находится в пределах нормы

 

9. Определим значение емкости разделительного конденсатора.

, где МНдб=20lgMН=1,679

 

 

 

10. Определим площадь радиатора, охлаждающего транзистор.

 

 


 

Список литературы:

 

1. Галкин В.И. Полупроводниковые приборы. Справочник. Минск, 1994.

2. Завадский В.А. Компьютерная электроника. – Киев: Выща школа, 1998.

3. Источники питания радиоэлектронной аппаратуры: Справочник / Г.С. Найвельт. – М.: Радио и связь, 1985.

4. Опадчий Ю.Ф. Аналоговая и цифровая электроника. – М.: Горячая линия – Телеком, 2000.

5. Расчет электронных схем. Примеры и задачи / Под ред. Г.И. Изьюровой. – М.: Высшая школа, 1987.

6. Транзисторы средней и большой мощности. Справочник // Под ред. А.В. Голомедова. М.: КУБКа, 1997.

7. Электротехника и электроника в экспериментах и упражнениях. (Практикум на Electronics Workbench). — Москва: Издательство "Додека", 1999.

 

 



<== предыдущая | следующая ==>
Единое информационное пространство | По способу обмена информацией различают устное и письменное деловое общение





Date: 2015-07-27; view: 809; Нарушение авторских прав



mydocx.ru - 2015-2026 year. (1.352 sec.) Все материалы представленные на сайте исключительно с целью ознакомления читателями и не преследуют коммерческих целей или нарушение авторских прав - Пожаловаться на публикацию