Главная Случайная страница


Полезное:

Как сделать разговор полезным и приятным Как сделать объемную звезду своими руками Как сделать то, что делать не хочется? Как сделать погремушку Как сделать так чтобы женщины сами знакомились с вами Как сделать идею коммерческой Как сделать хорошую растяжку ног? Как сделать наш разум здоровым? Как сделать, чтобы люди обманывали меньше Вопрос 4. Как сделать так, чтобы вас уважали и ценили? Как сделать лучше себе и другим людям Как сделать свидание интересным?


Категории:

АрхитектураАстрономияБиологияГеографияГеологияИнформатикаИскусствоИсторияКулинарияКультураМаркетингМатематикаМедицинаМенеджментОхрана трудаПравоПроизводствоПсихологияРелигияСоциологияСпортТехникаФизикаФилософияХимияЭкологияЭкономикаЭлектроника






Протокол випробовування





Робота 31р (8у2)

Релейно-контактні апарати

Мета роботи

1. Вивчити пристрій електромагнітних апаратів і схеми керування магнітних пускачів.

2. Визначити напруги спрацьовування і відпадіння магнітної системи контактора і коефіцієнт повернення.

3. Установити витримку часу теплового реле при різних струмах.

Протокол випробовування

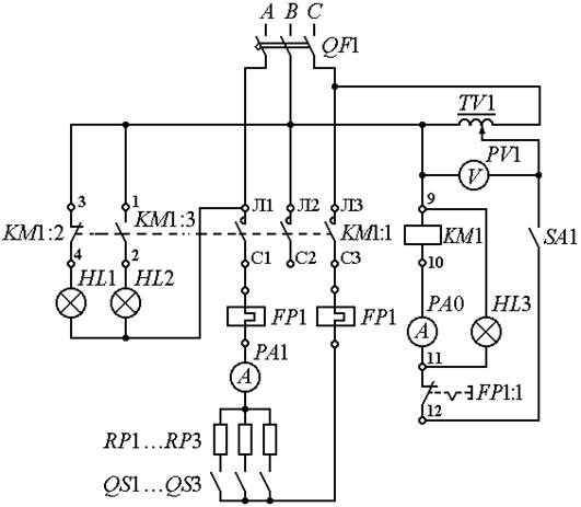
Схема установки

1. Перелік вимірювальних приладів, апаратів і устаткування, використаних при проведені дослідів

№ п/п Найменування Завод-виготовлювач Заводський № Вимірювальні прилади Силове устаткування
Система Клас точності Межі вимірювання Конструкція Тип Потужність, кВт Напруга, В Швидкість обертання, об/хв Конструкція Примітка
                           
                           
                           

 

2. Таблиця спостережень

 

Таблиця 1

№ досліду Напруга на затисках котушки, В Позначення сигнальної лампи
втягування U втяг відпадіння U відп згаслої що світиться
       
       

 

Таблиця 2

№ досліду Номінальна напруга U ном, В Струм котушки при магнітній системі
розімкненій I роз, А замкненій I замк, А
     
     

 

Таблиця 3

№ досліду Струм навантаження I, А Час витримки теплового реле t, c
     
     
     
     
     
     

 

Роботу виконав студент_______________________________ ________201 р.

Роботу зараховано

Керівник занять ______________________________________ _______201 р.

Опрацювання результатів досліду

1. Основні теоретичні залежності, що використовуються при розрахунках

називають коефіцієнтом повернення, де

U втяг = (0,8...0,9) U ном, U від = (0,4...0,5) U ном

 

2. Таблиці з результатами проведених дослідів і розрахунків

 

Таблиця 1

№ пп U втяг, В U відп, В k I відч, А I замк, А Стан магнітної системи
              розімкнений
              замкнений

 

3. Графічні залежності й діаграми

 

 

Примітка. Додаткові графіки і діаграми додаються на окремих аркушах.







Date: 2015-07-27; view: 350; Нарушение авторских прав



mydocx.ru - 2015-2026 year. (0.367 sec.) Все материалы представленные на сайте исключительно с целью ознакомления читателями и не преследуют коммерческих целей или нарушение авторских прав - Пожаловаться на публикацию