Главная Случайная страница


Полезное:

Как сделать разговор полезным и приятным Как сделать объемную звезду своими руками Как сделать то, что делать не хочется? Как сделать погремушку Как сделать так чтобы женщины сами знакомились с вами Как сделать идею коммерческой Как сделать хорошую растяжку ног? Как сделать наш разум здоровым? Как сделать, чтобы люди обманывали меньше Вопрос 4. Как сделать так, чтобы вас уважали и ценили? Как сделать лучше себе и другим людям Как сделать свидание интересным?


Категории:

АрхитектураАстрономияБиологияГеографияГеологияИнформатикаИскусствоИсторияКулинарияКультураМаркетингМатематикаМедицинаМенеджментОхрана трудаПравоПроизводствоПсихологияРелигияСоциологияСпортТехникаФизикаФилософияХимияЭкологияЭкономикаЭлектроника






Проекционное черчение





Методические указания и варианты заданий

для студентов специальности 220301

«Автоматизация технологических процессов и производств»

(очное отделение)

 

 

Стерлитамак 2010

В работе изложены теоретические основы проекционного черчения, даются методические указания по выполнению проекционных чертежей и наглядных изображений (аксонометрии), решена типовая задача с элементами взаимного пересечения поверхностей, приведены варианты индивидуальных заданий.

Методические указания составлены для студентов очной формы обучения специальности 220301 «Автоматизация технологических процессов и производств»

 

 

Составители Валитова Э.Г., ст.преподаватель

Бахонин А.В., канд.техн.наук

 

Рецензент Муравьёва Е.А., канд.техн.наук

 

© Уфимский государственный нефтяной технический университет, 2010

Методические указания предназначены для студентов специальности 220301 «Автоматизация технологических процессов и производств» при выполнении работы по проекционному черчению.

 

1. ЦЕЛЬ И СОДЕРЖАНИЕ ЗАДАНИЯ

 

1.1. Целью данного задания является изучение правил построения проекционного чертежа и получения навыков выполнения чертежей различных деталей.

 

1.2. Содержание задания:

а) по двум неполным проекциям заданной детали построить третью её проекцию, найти линии пересечения поверхностей, ограничивающих деталь, выполнить необходимые разрезы;

б) нанести размеры;

в) оформить чертеж.

Варианты индивидуальных заданий приведены в приложении. Пример выполнения дан в подразделе 3.2.

 

2. ПОРЯДОК ВЫПОЛНЕНИЯ ЗАДАНИЯ

 

2.1. Задачу выполнить на формате А3 согласно ГОСТ 2.301-68. Размеры рамки чертежа и основную надпись выполнить по форме I ГОСТ 2.104-68 с допускаемыми упрощениями для учебных работ.

2.2. Выполнить внутреннюю рамку, выделить место для основной надписи и выбрать расположение изображений, предусматривая рациональное использование поля чертежа.

2.3. Вычертить в тонких линиях две данные проекции детали, построить третью проекцию, предварительно достроив вторую неполную. Найти линии пересечения поверхностей, ограничивающих деталь, определив несколько промежуточных точек. Выполнить разрезы.

2.4. Заполнить основную надпись строчным шрифтом, размера 5 типа Б по ГОСТ 2.304-81. Наименование работы "Проекционное черчение" выполнить строчным шрифтом типа Б размера 7, организации (ГОУ ВПО УГНТУ в г.Стерлитамаке), масштаб и номер группы - прописным шрифтом типа Б размера 7.

 

2.5. Работа, выполненная в тонких линия, должна быть представлена на проверку преподавателю, после чего преподаватель дает разрешение на обводку, расписываясь в графе "Проверил".

2.6. Произвести обводку чертежа согласно ГОСТ 2.303-68. Представить работу для защиты. Защита работы фиксируется подписью преподавателя в графе "Принял" и сопровождается соответствующей оценкой.

 

3. ОБЩИЕ СВЕДЕНИЯ И МЕТОДИЧЕСКИЕ УКАЗАНИЯ К ВЫПОЛНЕНИЮ ЗАДАНИЯ "ПРОЕКЦИОННОЕ ЧЕРЧЕНИЕ"

 

3.1. Способы построения и чтения чертежей основаны на теории курса начертательной геометрии. Изображения предметов выполняют методом прямоугольного проецирования (методом Монжа).

Изображения на чертеже в зависимости от их содержания делят на виды, разрезы, сечения в соответствии с требованиями ГОСТ 2.305-68. Количество видов, разрезов, сечений должно быть наименьшим, но достаточным для полного представления об изображаемом предмете.

Построение недостающих проекций по двум заданным является одной из главных задач проекционного черчения. Прежде чем приступить к решению проекционных задач, необходимо изучить основные положения стандарта ГОСТ 2.305-68, применяемые при проецировании предметов, по рекомендуемой литературе [I, с. 110-122].

 

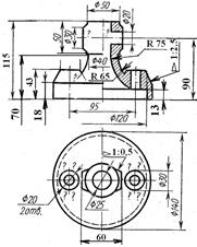
3.2. Проецирование технической детали (рисунок)

По двум неполным проекциям технической детали построить:

1) третью проекцию;

2) найти линии пересечения поверхностей, ограничивающих деталь;

3) выполнить необходимые разрезы.

Из анализа графического условия видно, что деталь техническая состоит из следующих геометрических тел. К цилиндрической поверхности I примыкают слева и справа два плоских элемента П детали в форме параллелепипеда со скругленными углами. Оба этих элемента переходят в цилиндр Ш радиуса 65 мм. У цилиндра I спереди и сзади на высоте 38 мм имеются конические выступы IV со сквозными цилиндрическими отверстиями диаметра 16 мм. Внутри детали выполнен паз V в форме цилиндра радиуса 55 мм. В цилиндре I


выточено цилиндрическое отверстие VI диаметром 72 мм, глубиной 10 мм, и просверлено сквозное цилиндрическое отверстие VII диаметра 30мм. На плоском основании находятся два сквозных отверстия диаметром 12 мм. Деталь имеет две плоскости симметрии - фронтальную и профильную.

Третью проекцию строят по законам проекционной связи. Для этого выбирают положение оси симметрии в удобном месте. Вначале строят третью проекцию цилиндра I, затем плоские элементы II, откладывая в обе стороны от оси по половине их ширины. Высота элементов II проецируется с фронтальной проекции детали. Далее переходят к построению конусов IV, которые спроецируются на профильную плоскость проекций так же, как и на горизонтальную.

Построив третью проекцию, переходят к построению линий пересечения поверхностей I - III, I - IV, V - VII. Начинают с определения опорных (очевидных) точек пересечения 1, 4, 5, 7. Промежуточные точки 2 и 3 строят с помощью фронтальной плоскости Р. Через горизонтальные проекции точек 2 и 3 проводят след Рн. Плоскость Р пересекает конус IV по окружности, а цилиндр I по паре образующих. Радиус окружности измеряют по следу плоскости Р от оси конуса до его очерковой образующей. Строят на фронтальной проекции окружность, на которой в пересечении её с образующей цилиндра, совпадающей с линией связи, и находят фронтальные проекции точек 2 и 3. Профильная проекция линий пересечения конуса IV с цилиндром I строится по двум уже имеющимся проекциям (подробнее смотри в курсе начертательной геометрии). Аналогично с помощью горизонтальней плоскости Q определяется случайная точка 6 пересечения цилиндров I и III, а также линия пересечения цилиндров III и VII.

Закончив построение линий пересечения, выполняют разрезы - половину фронтального и половину профильного, наносят размеры согласно ГОСТ 2.307-68.

 


Контрольные вопросы к защите задания

 

1. Какое изображение принимают на чертеже в качестве главного?

2. Как разделяют изображения на чертеже в зависимости от их содержания?

3. Каковы основания к выбору количества изображений?

4. Какое изображение называется видом?

5. Как располагают основные виды в проекционной связи, и каковы их названия?

6. Какие виды обозначают и подписывают и как?

7. Каков размер буквы, применяемой для обозначения вида?

8. Каковы соотношения размеров стрелок, указывающих направление взгляда?

9. Какие виды называются дополнительными, и какие - местными?

10. Когда дополнительный вид не обозначают?

11. Какое изображение называется разрезом?

12. Как при разрезах указывают положение секущей плоскости?

13. Какой надписью отмечают разрез?

14. Каков размер букв у линии сечения и в надписи, отмечающей разрез?

15. Как разделяются разрезы в зависимости от положения секущей плоскости?

16. Когда вертикальный разрез называется фронтальным и когда - профильным?

17. Где могут быть расположены горизонтальный, фронтальный и профильный разрезы и когда их не обозначают?

18. Как разделяются разрезы в зависимости от числа секущих плоскостей?

19. Как в сложном разрезе проводят линию сечения?

20. Какие разрезы называются ступенчатыми и как их вычерчивают и обозначают?


21. Какие разрезы называются ломаными и как их вычерчивают и обозначают?

22. Когда ломаный разрез может быть помещён на месте соответствующего вида?

23. Какой разрез называется местным и как он выделяется на виде?

24. Что служит разделяющей линией, если соединяют часть вида и часть разреза?

25. Что служит разделяющей линией при соединении половин вида и разреза?

26. Что служит линией раздела, если при соединении половин вида и разреза с осью симметрии совпадает контурная линия?

27. Как показывают в разрезе ребро жёсткости, если секущая плоскость направлена вдоль его длинной стороны?

28. Как в круглом фланце выявляют контур группового отверстия, если оно не попадает в плоскость данного разреза.

29. Какое изображение называется сечением?

30. Как разделяются сечения, не входящие в состав разреза?

31. Каким сечениям отдаётся предпочтение?

32. Какой линией, изображают контур вынесенного сечения и какой линией - контур наложенного сечения?

33. Какие сечения не обозначают и не надписывают?

34. Как при сечении указывают положение секущей плоскости?

35. Какой надписью сопровождают сечение?

36. Как располагают на поле чертежа вынесенное сечение?

37. Какая принята условность для сечения по оси поверхности вращения, ограничивающей отверстие или углубление?

38. Как следует поступать, если сечение получается состоящим из отдельных самостоятельных частей?

39. Как штрихуются различные сечения на чертеже детали?

40. Как располагают на чертеже надписи и буквенные обозначения, относящиеся к изображениям?

41. Что включают в себя общие правила простановки размеров?

 

ЛИТЕРАТУРА

1. Чекмарёв А.А. Инженерная графика. Учеб. для немаш. спец. Вузов. - 2-е изд., испр. - М.: Высш.шк., 1998. - 365 с.: ил.

2. Потёмкин А. Инженерная графика. - М.: Лори. 2004, 492 с.

3. Чекмарёв А.А., Осипов В.К. Справочник по машиностроительному черчению. 7-е изд., стер. - М.: Высш.шк., 2007. - 493 с: ил.

 

СОДЕРЖАНИЕ

 

1. Цель и содержание задания

2. Порядок выполнения задания

3. Общие сведения и методические указания

к выполнению задания «Проекционное черчение»

Литература

Приложение

6

 


Продолжение

 

 


 

 

 

 


Продолжение


Продолжение

 

 

 







Date: 2015-07-27; view: 916; Нарушение авторских прав



mydocx.ru - 2015-2026 year. (0.125 sec.) Все материалы представленные на сайте исключительно с целью ознакомления читателями и не преследуют коммерческих целей или нарушение авторских прав - Пожаловаться на публикацию