Главная Случайная страница


Полезное:

Как сделать разговор полезным и приятным Как сделать объемную звезду своими руками Как сделать то, что делать не хочется? Как сделать погремушку Как сделать так чтобы женщины сами знакомились с вами Как сделать идею коммерческой Как сделать хорошую растяжку ног? Как сделать наш разум здоровым? Как сделать, чтобы люди обманывали меньше Вопрос 4. Как сделать так, чтобы вас уважали и ценили? Как сделать лучше себе и другим людям Как сделать свидание интересным?


Категории:

АрхитектураАстрономияБиологияГеографияГеологияИнформатикаИскусствоИсторияКулинарияКультураМаркетингМатематикаМедицинаМенеджментОхрана трудаПравоПроизводствоПсихологияРелигияСоциологияСпортТехникаФизикаФилософияХимияЭкологияЭкономикаЭлектроника






Определение ПЗУ и ОЗУ

ПРИМЕР РЕШЕНИЯ ЗАДАЧИ

Предположим, что последние цифры номера Вашей зачетной книжки 00. Из табл.1 определяем адреса, покрываемые ПЗУ и ОЗУ:

ПЗУ от 00000Н до 03FFFH;

ОЗУ от 0C0000H до 0FFFFFH.

Шина адреса 20-разрядная, следовательно, адрес памяти записывается на пяти 16-ричных разрядах (один 16-ричный разряд представляется на 4 двоичных). В адресах ОЗУ в этом случае первый 0 пишется для определения C и F как символов числа, а не букв.

Определение емкости ПЗУ и ОЗУ

По полученному диапазону адресов определим емкость ПЗУ и ОЗУ.

Определим количество изменяющихся разрядов и запишем адрес в двоичном коде.

ПЗУ

Начальный адрес: 00000000000000000000в.

Конечный адрес: 00000011111111111111в.

Изменились 14 разрядов, значит, емкость ПЗУ – 214.

Для 8-разрядной шины данных емкость ПЗУ 214* 8:

214 = 214 х 24,

210 = 1К - килобит,

таким образом, емкость ПЗУ равна 16К * 8.

ОЗУ

Начальный адрес: 11000000000000000000в.

Конечный адрес: 11111111111111111111в.

Изменилось 18 разрядов.

Для 8-разрядной шины данных емкость ОЗУ равна:

218 *8,

218 = 210 х 28 = 256К,

таким образом, емкость ОЗУ равна 256К * 8.

 

 

Для изображения схемы необходимо определить емкости микросхем ОЗУ и ПЗУ; структуры ОЗУ и ПЗУ (количество микросхем, способ соединения); общую структуру памяти.

Для варианта 00 ПЗУ имеет емкость 16К * 1 (рис. 8), а ОЗУ - 128К * 8 (рис. 9).

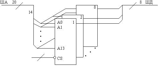
Таким образом, схема ПЗУ имеет 14 адресных входов 16К = 214, один вход/ выход данных и вход CS (выборки кристалла).

Схема ОЗУ имеет 17 адресных входов 128К= 217, 8 входов/выходов данных, входы CS и W/R.

Определение ПЗУ и ОЗУ

 

Структура ПЗУ

Емкость ПЗУ - 16К * 8. Емкость микросхемы 16К * 1, значит, для получения нужной емкости ПЗУ необходимо объединить параллельно по адресным входам и входу CS 8 микросхем, каждая из которых обеспечит один разряд шины данных (рис. 10).

Рис. 10. Структура ПЗУ 16К * 8

Структура ОЗУ

Емкость ОЗУ 256К * 8, емкость микросхемы 128К * 8, значит, для построения такого ОЗУ необходимы 2 микросхемы.

Для построения ОЗУ обратимся к адресам, на которых работает эта память. По заданию изменяются 18 младших разрядов А0 – А17. Для каждой микросхемы могут изменяться лишь 17 адресов А0 – А16. Следовательно, старший разряд определяет направление на микросхему. Если А17 – 0, задействуется первая микросхема ОЗУ, если 1 - вторая.

Рис. 11. Структура ОЗУ 256К * 8

Общая структура памяти (рис.13)

По заданию начальные адреса ПЗУ и ОЗУ следующие:

ПЗУ (00000H - 00000000000000000000),

ОЗУ (0C0000H - 11000000000000000000).

 

По состоянию разрядов: А19, А18 - 00 работает ПЗУ, а по состоянию А19, А18 - 11 работает ОЗУ. С помощью простейшей логики можно построить дешифратор направлений ПЗУ/ОЗУ (рис. 12).

Рис. 12. Дешифратор направлений ПЗУ-ОЗУ

Рис.13. Общая структура проектируемой памяти



<== предыдущая | следующая ==>
Построение графика функции | 





Date: 2015-07-27; view: 2970; Нарушение авторских прав



mydocx.ru - 2015-2026 year. (1.097 sec.) Все материалы представленные на сайте исключительно с целью ознакомления читателями и не преследуют коммерческих целей или нарушение авторских прав - Пожаловаться на публикацию