Главная Случайная страница


Полезное:

Как сделать разговор полезным и приятным Как сделать объемную звезду своими руками Как сделать то, что делать не хочется? Как сделать погремушку Как сделать так чтобы женщины сами знакомились с вами Как сделать идею коммерческой Как сделать хорошую растяжку ног? Как сделать наш разум здоровым? Как сделать, чтобы люди обманывали меньше Вопрос 4. Как сделать так, чтобы вас уважали и ценили? Как сделать лучше себе и другим людям Как сделать свидание интересным?


Категории:

АрхитектураАстрономияБиологияГеографияГеологияИнформатикаИскусствоИсторияКулинарияКультураМаркетингМатематикаМедицинаМенеджментОхрана трудаПравоПроизводствоПсихологияРелигияСоциологияСпортТехникаФизикаФилософияХимияЭкологияЭкономикаЭлектроника






Закон Ома для участка цепи. Сопротивление





955. Определите общее сопротивление цепи, изображенной на рисунке 137.

 

955. Определите общее сопротивление цепи, изображенной на рисунке 138.

 

 

955. Определите общее сопротивление цепи, изображенной на рисунке 139.

 

 

956. Определите сопротивление однородного проволочного каркаса в форме правильного шестиугольника с двумя диагоналями, соединенными в центре (рис. 140). Сопротивление каждой стороны шестиугольника принять равным R.

 

957. Провода соединены по схеме, изображенной на рисунке 141. Сопротивление каждого из проводов равно 1 Ом. Чему равно сопротивление R аб между точками а и б?

 

 

958. Определите сопротивление цепи, изображенной на рисунке 142.

 

 

959. На рисунке 143 показаны два способа включения в цепь реостата. Перечислите особенности работы реостата в каждом случае. Каково максимальное сопротивление каждого участка цепи, если сопротивление каждого резистора равно R?

 

 

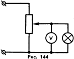
960. На рисунке 144 показан способ включения реостата в цепь как потенциометра. С какой целью прибегают к такому включению?

 

961. На рисунке 145 изображены схемы устройств, называемых ламповыми реостатами. Объясните принцип действия этих реостатов. Есть ли преимущества у какого – либо из приведенных реостатов перед другим? Какие?

 

962. Удлинитель длиной 30 м сделан из медного провода диаметром 1,3 мм. Каково сопротивление удлинителя? Каково падение напряжения на нем, если по нему течет ток 10 А?

963. Определите сопротивление нити лампы (рис. 146). Если вольтметр показывает 50 В, амперметр показывает 0,5 А и внутреннее сопротивление вольтметра равно 40 кОм.

 

 

964. Две дуговые лампы и добавочный резистор соединены последовательно и включены в сеть напряжением 110 В. Найдите сопротивление добавочного резистора, если падение напряжения на каждой лампочке 40 В, а сила тока в цепи 12 А.

 

 

965. К источнику тока напряжением 12 В присоединена линия, питающая две лампы. Схема включения ламп показана на рисунке 147. Сопротивление участков линии R1 = R2 = R3 = R4 = R = 1,5 Ом. Сопротивление каждой лампы 36 Ом. Определите падение напряжения на каждой лампе.

966. Сопротивление одного из двух последовательно включенных проводников в n раз больше сопротивления другого. Во сколько раз изменится сила тока на участке (напряжение постоянно), если эти проводники соединены параллельно?

967. Три одинаковые лампочки соединены по схеме, приведенной на рисунке 148. Как будет изменяться накал каждой из ламп, если эти лампы по одной поочередно выключать? закорачивать? По возможности проверьте ответ на опыте.

 

 

968. В цепь, состоящую из трех ламп, соединенных по схеме, приведенной на рисунке 148, подано напряжение 90 В. Сила тока, потребляемая от источника, равна 0,5 А. Сопротивление одной из ламп разветвленного участка равно сопротивлению лампы, включенную в неразветвленную часть цепи, а сопротивление второй лампы разветвленного участка в 4 раза больше. Найдите сопротивление каждой лампы, напряжение на лампах разветвленного участка и силу тока в них.

969. В цепи, схема которой изображена на рисунке 149, все сопротивления одинаковы и равны 2 Ом. Найдите распределение токов и напряжений.

 

 

970. Имеются источник тока напряжением 6 В, реостат сопротивлением 30 Ом и две лампочки, на которых написано: 3,5 В, 0,35 А и 2,5 В, 0,5 А. как собрать цепь, чтобы лампочки работали в нормальном режиме?

971. Найдите распределение сил токов и напряжений в цепи, схема которой изображена на рисунке 150.

 

 

972. В электрических приборах часто используют мостовые схемы. Они работают по принципу компенсации и позволяют сравнить неизвестные величины с известными (стандартными). Одна из таких схем – мостик Уитстона – показана на рисунке 151. Условие компенсации достигается, когда ток через гальванометр равен нулю. Найдите соотношение между сопротивлениями резисторов при условии компенсации.

973. Определите неизвестное сопротивление в уравновешенной (ток через гальванометр отсутствует) мостовой схеме, изображенной на рисунке 152. Найдите потенциалы точек А и В.

 

 

974. Определите силу тока в цепи с мостом Уитстона, изображенной на рисунке 153, если R1 = 2 Ом, R2 = 1 Ом, R3 = 2 Ом, R4 = 1 Ом, R5 = 1 Ом, ε = 1 В.

 

 







Date: 2015-07-27; view: 2782; Нарушение авторских прав



mydocx.ru - 2015-2026 year. (1.666 sec.) Все материалы представленные на сайте исключительно с целью ознакомления читателями и не преследуют коммерческих целей или нарушение авторских прав - Пожаловаться на публикацию