Главная Случайная страница


Полезное:

Как сделать разговор полезным и приятным Как сделать объемную звезду своими руками Как сделать то, что делать не хочется? Как сделать погремушку Как сделать так чтобы женщины сами знакомились с вами Как сделать идею коммерческой Как сделать хорошую растяжку ног? Как сделать наш разум здоровым? Как сделать, чтобы люди обманывали меньше Вопрос 4. Как сделать так, чтобы вас уважали и ценили? Как сделать лучше себе и другим людям Как сделать свидание интересным?


Категории:

АрхитектураАстрономияБиологияГеографияГеологияИнформатикаИскусствоИсторияКулинарияКультураМаркетингМатематикаМедицинаМенеджментОхрана трудаПравоПроизводствоПсихологияРелигияСоциологияСпортТехникаФизикаФилософияХимияЭкологияЭкономикаЭлектроника






Места для дополнительного крепления и отверстия для штифта






Местоположение бесконтактного датчика.

Точное воспроизведение точки позиционирования благодаря применению электрических датчиков, в тоже время применяется как жесткий упор, так и монтируемый амортизатор.

Защита от загрязнения обеспечивается чехлом: датчик почти полностью исчезает под чехлом.

 

График для поворотного двигателя с жёстким упором.

 

 

 

 

 



 


 

 


 

 

 

 

 

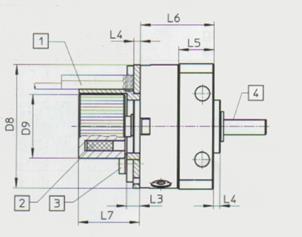
Поворотный двигатель с жёсткими упорами.

1 – датчик

2 – положение магнита

3 – max начальный момент

4 - вал

 

Поворотный двигатель с жёстким упором.

 

 

Поворотный двигатель с жестким упором и фланцевым валом.

 

 

 

 

Для поворотных двигателей типа DSM – от 12 до 40.

 

Поворотный двигатель типа DSM - … и DSM - …- FW c амортизатором.

 

 

Для поворотных двигателей типа DSM – от 12 до 40.







Date: 2015-07-24; view: 258; Нарушение авторских прав



mydocx.ru - 2015-2026 year. (0.099 sec.) Все материалы представленные на сайте исключительно с целью ознакомления читателями и не преследуют коммерческих целей или нарушение авторских прав - Пожаловаться на публикацию