Главная Случайная страница


Полезное:

Как сделать разговор полезным и приятным Как сделать объемную звезду своими руками Как сделать то, что делать не хочется? Как сделать погремушку Как сделать так чтобы женщины сами знакомились с вами Как сделать идею коммерческой Как сделать хорошую растяжку ног? Как сделать наш разум здоровым? Как сделать, чтобы люди обманывали меньше Вопрос 4. Как сделать так, чтобы вас уважали и ценили? Как сделать лучше себе и другим людям Как сделать свидание интересным?


Категории:

АрхитектураАстрономияБиологияГеографияГеологияИнформатикаИскусствоИсторияКулинарияКультураМаркетингМатематикаМедицинаМенеджментОхрана трудаПравоПроизводствоПсихологияРелигияСоциологияСпортТехникаФизикаФилософияХимияЭкологияЭкономикаЭлектроника






Метод свертывания





Этот метод заключается в определении участков, на которых элементы соединены или последовательно, или параллельно и определении общего сопротивления этих участков, согласно законам последовательного или параллельного соединения.

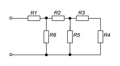
Рассмотрим пример:

соединены последовательно, поэтому можно определить общее сопротивление данного участка и заменить в схеме эти два резистора одним эквивалентным


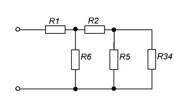
Теперь в схеме видно, что соединены параллельно, найдем сопротивление и заменим в схеме два резистора одним эквивалентным:

В данной схеме соединены последовательно, найдем общее сопротивление и заменим в схеме этот участок одним эквивалентным сопротивлением

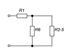
Теперь в схеме , соединены параллельно, это соединение можно заменить одним эквивалентным сопротивлением

Последняя схема представляет собой последовательное соединение сопротивлений , найдем общее сопротивление . Схема принимает вид:

Таким образом мы схему, состоящую из 6 сопротивлений, свернули и получили одно сопротивление эквивалентное первоначальной цепи. Теперь, пользуясь законом Ома для участка цепи, если известно напряжение питания, можно рассчитать другие параметры цепи, т.е. токи и напряжения на каждом резисторе.







Date: 2015-07-24; view: 468; Нарушение авторских прав



mydocx.ru - 2015-2026 year. (2.974 sec.) Все материалы представленные на сайте исключительно с целью ознакомления читателями и не преследуют коммерческих целей или нарушение авторских прав - Пожаловаться на публикацию