Главная Случайная страница


Полезное:

Как сделать разговор полезным и приятным Как сделать объемную звезду своими руками Как сделать то, что делать не хочется? Как сделать погремушку Как сделать так чтобы женщины сами знакомились с вами Как сделать идею коммерческой Как сделать хорошую растяжку ног? Как сделать наш разум здоровым? Как сделать, чтобы люди обманывали меньше Вопрос 4. Как сделать так, чтобы вас уважали и ценили? Как сделать лучше себе и другим людям Как сделать свидание интересным?


Категории:

АрхитектураАстрономияБиологияГеографияГеологияИнформатикаИскусствоИсторияКулинарияКультураМаркетингМатематикаМедицинаМенеджментОхрана трудаПравоПроизводствоПсихологияРелигияСоциологияСпортТехникаФизикаФилософияХимияЭкологияЭкономикаЭлектроника






С помощью вольтметра. Цель работы: определение емкости конденсаторов и проверка законов последовательного и параллельного соединений конденсаторов





Цель работы: определение емкости конденсаторов и проверка законов последовательного и параллельного соединений конденсаторов.

Приборы и оборудование: источник питания, вольтметр, потенциометр (R), эталонный конденсатор (Сэт), исследуемые кон­денсаторы (Сх1 и Сх2), переключатели.

 

Теоретические сведения

 

Опытным путем было установлено, что в природе существует два типа электрических зарядов, условно названных положительными и отрицательны­ми. Одноименные заряды отталкиваются друг от друга, разноименные притя­гиваются.

Р. Милликен доказал, что электрический заряд дискретен, т.е. величина за­ряда любого тела составляет целое число, кратное элементарному электриче­скому заряду е (e=1,6∙10-19 Кл). Электрон и протон являются соответственно носителями элементарных отрицательного и положительного зарядов.

В результате обобщения опытных данных был сформулирован фундамен­тальный закон природы - закон сохранения заряда: алгебраическая сумма элек­трических зарядов любой замкнутой системы (системы, не обменивающейся зарядами с внешними телами) остается неизменной, какие бы процессы ни происходили внутри нее.

Единица электрического заряда, 1 кулон (Кл), - это электрический заряд, проходящий через поперечное сечение проводника при силе тока в 1 А за время, рапное 1с:

1Кл=1 А∙1с.

Закон взаимодействия неподвижных точечных электрических зарядов был открыт Кулоном: сила взаимодействия F двух точечных зарядов прямо пропор­циональна величине зарядов q1 и q2 и обратно пропорциональна квадрату расстояния г между ними:

(1)

где =8,85×10-12 Ф/м - электрическая постоянная; - диэлектрическая проницаемость среды (безразмерная величина).

Напряженность электрического поля в данной точке есть физическая величина, определяемая силой, действующей на единичный положительный заряд, помещенный в эту точку:

. (2)

Направление вектора совпадает с направлением силы, действующей на положительный заряд. Выражение для определения единицы напряжен­ности электрического поля:

(3)

Графически электростатическое поле изображают с помощью линий нап­ряженности (силовых линий), которые проводят так, чтобы касательные к ним в каждой точке пространства совпадали по направлению с вектором напряженно­сти (рис. I).

Величина

называется потоком вектора напряженности через площадку dS. Здесь - вектор, модуль которого равен dS, а направление совпадает с нор­малью n к площадке dS ().

Электростатические поля подчиняются принципу суперпозиции: напря­женность результирующего поля, созданного системой зарядов, равна гео­метрической сумме напряженностей полей, созданных в данной точке каждым из зарядов в отдельности:

(4)

где - напряженность электростатического поля, созданного i-м зарядом.

Рис. 1

 

Теорема Остроградского-Гаусса для электростатического поля в вакууме звучит так: поток вектора напряженности электростатического поля через про­извольную замкнутую поверхность в вакууме равен алгебраической сумме за­ключенных внутри этой поверхности зарядов, деленной на e0:

(5)

Из теоремы Гаусса следует, что напряженность электростатического поля между двумя бесконечными параллельными и разноименно заряженными плоскостями в вакууме будет равна

, (6)

где - поверхностная плотность заряда плоскостей.

Если между заряженными плоскостями находится изолятор с диэлектриче­ской проницаемостью , то напряженность поля внутри него уменьшается в раз (рис. 2):

(7)

Электростатическое поле является полем консервативных сил, т.е. работа, совершаемая силами поля по перемещению электрического заряда из одной точки пространства в другую, не зависит от траектории движения заряда, а оп­ределяется только его начальным и конечным положениями. Для такого рода полей можно ввести понятие потенциальной энергии заряда, численно равной работе, совершаемой силами электростатического поля по перемещению его из данной точки пространства в другую (ту, в которой потенциальная энергия заряда равна нулю).

Рис. 2

 

Как правило, потенциальная энергия заряда, удаленного в бесконечность, считается равной нулю. Поэтому она будет равна

, (8)

где - радиус-вектор; - кулоновская сила; - напряжен­ность электростатического поля; q0 - электрический заряд.

Если заряд q0 перемещается из первой точки во вторую(определяются со­ответственно радиус-векторами и то работу, совершаемую силами по­ля, можно найти как разность работ


A (9)

где и ; и - работы, совершаемые силами поля при пе­ремещении заряда из первой и второй точек в бесконечность.

Потенциал – физическая величина, определяемая работой сил поля по пе­ремещению единичного положительного заряда из данной точки в беско­нечность:

. (10)

Единица потенциала - вольт (В): 1 В - потенциал такой точки поля, в ко­торой заряд в 1Кл обладает потенциальной энергией в 1 Дж:

.

Поскольку , то

(11)

 

 

Отсюда

 

(12)

Зная потенциал в каждой точке пространства можно найти напряженность электростатического поля:

(13)

Знак «минус» указывает на то, что вектор напряженности Ё направлен в сторону убывания потенциала.

Потенциал уединенного проводника прямо пропорционален его заряду;

При этом величину (14)

называют электроемкостью уединенного проводника. Единица электроемкости - фарад (Ф): 1 Ф - емкость такого уединенного проводника, потенциал которо­го изменяется на 1В при сообщении ему заряда в 1Кл, т.е.

. (15)

Для накопления значительных зарядов служат конденсаторы, состоящие из двух проводников (обкладок), разделенных диэлектриком. В зависимости от формы обкладок конденсаторы подразделяются на плоские, цилиндрические и сферические. Под емкостью конденсатора понимается физическая величина, равная отношению накопленного заряда q к разности потенциалов между обкладками:

(16)

где напряжение между обкладками. Плоский конденсатор обладает емкостью

(17)

где - диэлектрическая проницаемость изолятора; - электрическая постоян­ная; S - площадь обкладки; d - расстояние между обкладками.

Для увеличения емкости и варьирования ее возможных значений конден­саторы соединяют в батареи параллельно или последовательно. У параллельно соединенных конденсаторов разность потенциалов на обкладках одинакова и равна см рис. 3.

Рис. 3

 

Если емкости отдельных конденсаторов то их заряды равны со­ответственно

 

(18)

а заряд батареи конденсаторов-

Полная емкость батареи –

, (19)

т.е. при параллельном соединении конденсаторов она равна сумме емкостей от­дельных конденсаторов.

У последовательно соединенных конденсаторов заряды всех обкладок рав­ны по модулю, а разность потенциалов на зажимах батареи, см. рис. 4, равна

. (20)

Причем для любого из рассматриваемых конденсаторов

.

Рис. 4

С другой стороны,

(21)

откуда , (22)

т.е. при последовательном соединении конденсаторов суммируются обратные величины емкостей.

Если дана емкость эталонного конденсатора Сэт, то неизвестную емкость другого конденсатора Сх можно определить следующим образом.

Сначала конденсатор Сэт зарядить от источника постоянного тока (рис.5а). При этом накапливается заряд q. С помощью вольтметра измерить напряже­ние на обкладках конденсатора:

Тогда

.

Отсюда

. (23)

Затем эталонный конденсатор отключить от источника питания и к нему параллельно присоединить конденсатор неизвестной емкости Сх (рис. 5б). Электрический заряд q распределится по конденсаторам Сэт и Сх.

Согласно закону сохранения зарядов в замкнутой системе

(24)

где q1, q2- электрические заряды на конденсаторах Сэт и Сх.

 

Рис. 5, а Рис. 5, б

 

После этого измерить напряжение на обкладках конденсаторов, причем


и .

Отсюда

и . (25)

Поэтому

В результате (26)

 

Порядок выполнения работы

 

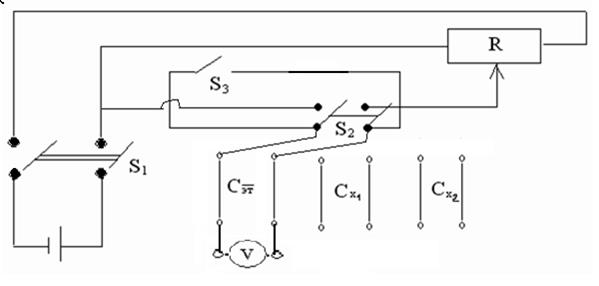
1. Тумблером S1 включить установку собранную по схеме (рис. 6).

2. Переключателем S2 включить напряжение от источника питания на эталонном конденсаторе.

3. Установить движком потенциометра R напряжение U0=(1±0,2) В. Снять показания вольтметра.

4. Переключателем S2 отключить эталонный конденсатор от источника питания.

5. Соединить проводниками Сэт и Сх1 параллельно и снять показания вольтметра U1.

6. Тумблером S3 разрядить конденсаторы.

7. Подавая на эталонный конденсатор напряжение от 1 В до 3 В, провести измерения 3 раза. Данные занести в таблицу.

8. Для каждой пары значений напряжений U0 и U1 найти электроемкость по формуле

.

Затем определить среднюю величину электроемкости Сх1(ср). Результаты вычислений занести в таблицу.

9. По п.п. 3-9 найти электроемкость Сх2.

Таблица

       
U0 U1 Cx1 U0 U2 Cx2 U0 Uпар Cпосл U0 Uпосл Cпар
                       
                       
                       

 

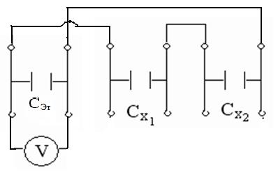
10. Соединить конденсаторы Сх1 и Сх2 последовательно (рис. 7).

11. По п.п. 3-9 найти электроемкость батареи Спосл.

12. Соединить конденсаторы Сх1 и Сх2 параллельно (рис. 8).

13. По п.п. 3-9 найти электроемкость батареи Спар.

По формулам и вычислить емкость батареи последовательно и параллельно соединенных конденсаторов и сравнить результаты с экспериментальными значениями.

Рис. 6

 

Последовательно   Рис. 7

 

Параллельно   Рис. 8

 

=1000 мкФ.

Контрольные вопросы

1. Как взаимодействуют электрические заряды? Закон кулона. Единица электрического заряда в системе СИ.

2. Закон сохранения электрического заряда.

3. Что такое напряженность электрического поля, силовые линии электростатического поля, поток вектора напряженности? В чем состоит принцип суперпозиции электрических полей.

4. Сформулировать теорему Остроградского-Гаусса для электростатического поля в вакууме. Как определяется напряженность электрического поля между двумя бесконечными параллельными и разноименно заряженными плоскостями?

5. Что такое потенциальная энергия электрического заряда, потенциал данной точки электростатического поля? Как найти работу, совершаемую силами поля по перемещению электрического заряда из одной точки в другую? единица потенциала и напряжения в системе СИ.

6. Какова связь между потенциалом и напряженностью электрического поля в данной точке?


7. Чему равна электроемкости уединенного проводника и конденсатора? Единица электроемкости в системе СИ.

8. Рассказать о параллельном и последовательном соединении конденсаторов. Вывести формулы.

 

ЛАБОРАТОРНАЯ РАБОТА 5

 







Date: 2015-07-24; view: 466; Нарушение авторских прав



mydocx.ru - 2015-2026 year. (0.312 sec.) Все материалы представленные на сайте исключительно с целью ознакомления читателями и не преследуют коммерческих целей или нарушение авторских прав - Пожаловаться на публикацию