Главная Случайная страница


Полезное:

Как сделать разговор полезным и приятным Как сделать объемную звезду своими руками Как сделать то, что делать не хочется? Как сделать погремушку Как сделать так чтобы женщины сами знакомились с вами Как сделать идею коммерческой Как сделать хорошую растяжку ног? Как сделать наш разум здоровым? Как сделать, чтобы люди обманывали меньше Вопрос 4. Как сделать так, чтобы вас уважали и ценили? Как сделать лучше себе и другим людям Как сделать свидание интересным?


Категории:

АрхитектураАстрономияБиологияГеографияГеологияИнформатикаИскусствоИсторияКулинарияКультураМаркетингМатематикаМедицинаМенеджментОхрана трудаПравоПроизводствоПсихологияРелигияСоциологияСпортТехникаФизикаФилософияХимияЭкологияЭкономикаЭлектроника






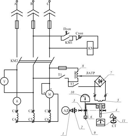
Порядок выполнения работы. 1. По конспекту лекций изучите устройство, принцип действия и характеристики трехфазного асинхронного двигателя





 

1. По конспекту лекций изучите устройство, принцип действия и характеристики трехфазного асинхронного двигателя.

2. Ознакомьтесь с лабораторной установкой, принципиальная электрическая схема которой приведена на рис. 10.2.

При нажатии кнопки «ПУСК» переменное трехфазное напряжение через соответствующие предохранители и замкнутые контакты КМ2 магнитного пускателя КМ поступает к выводам С1, С2 и С3 трехфазной обмотки статора двигателя, соединенной по схеме «звезда». Для измерения необходимых параметров двигателя включены соответственно вольтметр, миллиамперметр и ваттметр.

Вал 1 трехфазного асинхронного двигателя с короткозамкнутым ротором эластичной муфтой 2 соединен с валом 3 измерительно-нагрузочного устройства, состоящего из электромагнитного тормоза и моментомера.

Электромагнитный тормоз состоит из алюминиевого диска 4, жестко закрепленного на валу 3, обмоток возбуждения 5 электромагнитного тормоза, установленных на другом диске 6, которые с помощью подшипника также установлены на валу 3. Обмотки возбуждения 5 подключаются к источнику постоянного напряжения 7, величину которого можно плавно изменять с помощью автотрансформатора 8. Автотрансформатор 8 и выпрямительное устройство 7 включаются соответственно тумблерами Т1 и Т2.

Электромагнитный тормоз предназначен для создания переменной механической нагрузки вала асинхронного двигателя тормозным моментом Мг.

Моментомер конструктивно совмещен с электромагнитным тормозом. К нижней части диска 6 прикреплен груз 9. К верхней части диска 6 прикреплена стрелка, которая при повороте диска 6 перемещается около неподвижной шкалы 10 моментомера. Моментомер предназначен для измерения вращающего момента Мг асинхронного двигателя.

Для измерения частоты вращения вала двигателя n 2 служит строботахометр 11. Он представляет собой ламповый генератор регулируемой частоты, питающий осветительную лампу, и имеющий шкалу, градуированную в числах оборотов в минуту. Частота вращения вала измеряется бесконтактным способом, для чего алюминиевый диск 4 освещается прерывистым светом лампы. Если число оборотов диска (вала двигателя) и число вспышек лампы равны между собой, то диск кажется неподвижным. Если частота вспышек лампы больше или меньше, чем число оборотов диска, то диск представляется наблюдателю вращающимся в ту или иную сторону. Для удобства отсчета на диске наносится точка или черта.

 

 

Рис. 10.2. Схема лабораторной установки

 

Шкала частоты импульсов в приборе имеет три диапазона:
300-1200, 1200-6000, 6000-30000 об/мин. Отсчет следует производить на втором диапазоне. Переход с одного диапазона на другой осуществляется переключателем (справа). Точность измерения ±1 %.

Запишите технические данные приборов, используемых в работе в табл. 10.1.

 

Таблица 10.1

Технические характеристики приборов

Наименование прибора Система прибора Класс точности Пределы измерений Цена деления
         

 

3. Соберите схему для испытания асинхронного двигателя
(см. рис. 10.2) и дайте проверить ее преподавателю.

4. Осуществите запуск электродвигателя, нажав кнопку «ПУСК». При выключенных тумблерах Т1 и Т2 (режим холостого хода) снять показания приборов, включенных в цепь двигателя и записать их в табл. 10.2.

 

Таблица 10.2

Результаты исследований

Опытные данные Расчетные данные
, А , В , Вт , дел. , об/мин , В , Н м , В , % , %
                     
                     
                     
                     
                     
                     
                     

 

Примечание. В табл. 10.2 I1, U1 - линейные ток и напряжение;
Pф - активная мощность одной фазы (показания ваттметра); m - число делений тормоза моментомера.

5. Исследуйте работу двигателя при различной нагрузке. При включении тумблеров Т1 и Т2 электромагнитный тормоз развивает тормозной момент, противодействующий моменту электродвигателя, чем и осуществляет его нагрузку. Плавно с помощью автотрансформатора изменить режим работы тормоза моментомера (от 0 до 12 делений). Данные опыта записать в табл. 10.2.


Измерьте критический момент двигателя Mkp, для этого продолжайте плавно увеличивать нагрузку до тех пор, пока двигатель не остановиться. Максимальное число делений, на которое отклониться стрелка моментомера и будет соответствовать кри­тическому моменту. Запишите величину критического момента в ньютонах под табл. 10.2, в виде примечания.

6. Произведите обработку результатов измерений, используя следующие расчетные формулы:

а) активная мощность, потребляемая электродвигателем

 

;

б) момент, развиваемый двигателем

;

в) полезная мощность двигателя, развиваемая на валу

;

г) частота вращения поля статора

;

где f =50 Гц - частота сети; p=2 - число пар полюсов обмотки статора;

 

д) скольжение

;

 

е) коэффициент полезного действия

;

ж) коэффициент мощности

.

7. Покажите руководителю результаты опытов и расчетов. По указанию руководителя, если не требуется повторение опытов, разберите схему, приведите в порядок рабочее место.

8. Составьте отчет по работе. Отчет должен содержать следующие основные разделы:

- цели работы;

- схему испытаний (рис. 10.2);

- технические характеристики приборов (табл. 10.1);

- таблицу измерений;

- расчетные формулы и таблицу расчетных данных;

- рабочие характеристики двигателя:

;

;

;

;

;

- выводы.

 

КОНТРОЛЬНЫЕ ВОПРОСЫ И ЗАДАНИЯ

 

1. Объясните устройство и принцип действия асинхронного двигателя с короткозамкнутым и фазным роторами.

2. Какие электродвижущие силы индуктируются в обмотках статора и ротора?

3. Объясните, что такое намагничивающие силы обмоток статора и ротора?

4. Постройте векторную диаграмму асинхронного двигателя при нагрузке.

5. Постройте рабочие и механическую характеристики асинхронного двигателя и дайте пояснения к ним.

6. Начертите и объясните схему замещения асинхронного двигателя.

7. Постройте энергетическую диаграмму асинхронного двигателя.

8. Какие существуют методы пуска асинхронных двигателей с короткозамкнутым и фазным роторами?

9. Как регулируется частота вращения асинхронного двигателя?

10. Как осуществляется электрическое торможение асинхронных двигателей.

11. Как изменить направление вращения асинхронного двигателя?

 







Date: 2015-07-24; view: 408; Нарушение авторских прав



mydocx.ru - 2015-2026 year. (0.604 sec.) Все материалы представленные на сайте исключительно с целью ознакомления читателями и не преследуют коммерческих целей или нарушение авторских прав - Пожаловаться на публикацию