Главная Случайная страница


Полезное:

Как сделать разговор полезным и приятным Как сделать объемную звезду своими руками Как сделать то, что делать не хочется? Как сделать погремушку Как сделать так чтобы женщины сами знакомились с вами Как сделать идею коммерческой Как сделать хорошую растяжку ног? Как сделать наш разум здоровым? Как сделать, чтобы люди обманывали меньше Вопрос 4. Как сделать так, чтобы вас уважали и ценили? Как сделать лучше себе и другим людям Как сделать свидание интересным?


Категории:

АрхитектураАстрономияБиологияГеографияГеологияИнформатикаИскусствоИсторияКулинарияКультураМаркетингМатематикаМедицинаМенеджментОхрана трудаПравоПроизводствоПсихологияРелигияСоциологияСпортТехникаФизикаФилософияХимияЭкологияЭкономикаЭлектроника






Анализ исходных данных





Проектируемое приспособление предназначено для закрепления детали «Бракет».

Данные по материалу: Для изготовления детали «Бракет» применяем латунь ЛК. Содержание меди в латунях различных марок составляет 59-90 %, остальное приходится на цинк и другие смеси.

Характеристики материала латуни представлены в следующих таблицах:

 

Таблица 1.1 – Химический состав,%

 

Латунь Марка Cu Легированные элементы Zn Назначение
Кремнистая ЛК 80 3Л       втулки

 

 

Таблица 1.2 – Механические свойства детали.

 

Механические свойства сплава ЛК80-3 при Т=20oС
Прокат σв(МПа) δ5 (%)
сплав твердый 580-650 3-5
сплав мягкий 280-340 53-60

 

Таблица 1.3 – Физические свойства детали.

 

Физические свойства сплава ЛК80-3
T (Град) E 10- 5 (МПа) a 10 6 (1/Град) l (Вт/(м·град)) r (кг/м3) C (Дж/(кг·град)) R 10 9 (Ом·м)
  1.04   87.9      
          401.9  

 

 

 

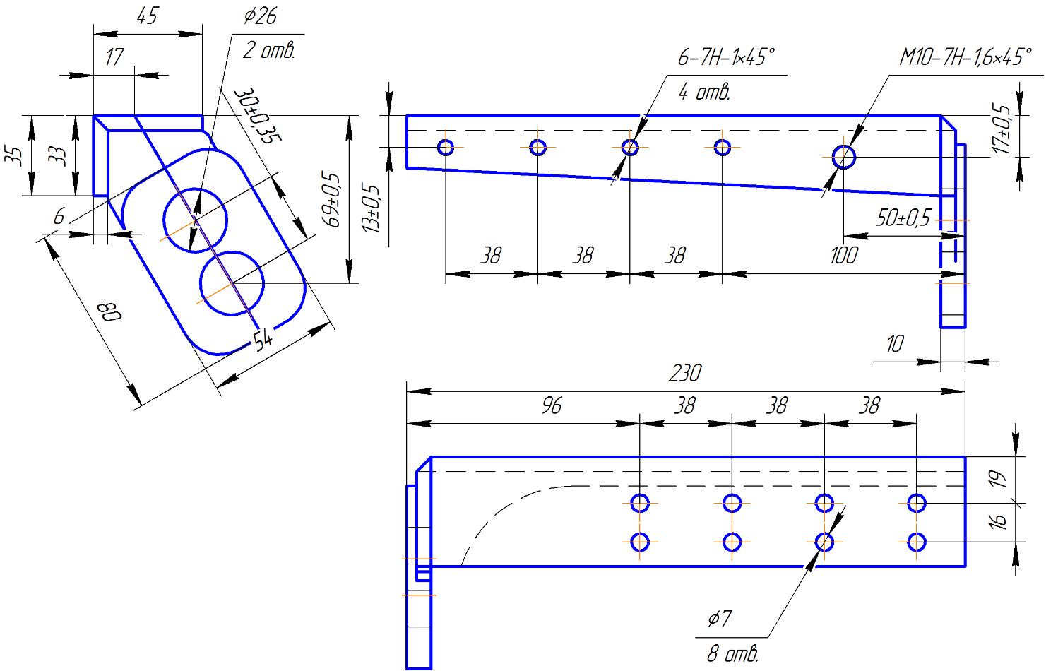
Рисунок 1- Чертеж детали

 

Деталь «Бракет» предназначена для установки щетки в щеткодержатель на конце траверсы.

Деталь плоскостная, в виде угольника с габаритными размерами 230 х 69 х 54 мм, деталь симметричная.

Деталь выполнена по 14 квалитету точности. Величина шероховатости Rz40, Ra 6,3 и Rz80, Ra 12,5.

На боковой поверхности имеются:

4 резьбовых отверстия М6-7Н-1х90⁰ и одно резьбовое отверстие М10-7Н-1,6х90⁰.

На верхней поверхности располагаются 8 сквозных отверстия .

На внутренней стороне детали находится обнижение с закруглением R50.

Разрабатываемое приспособление предназначено для фрезерования торца.

В качестве заготовки принимается литье по выплавляемым моделям.

 

 







Date: 2015-07-24; view: 395; Нарушение авторских прав



mydocx.ru - 2015-2026 year. (0.364 sec.) Все материалы представленные на сайте исключительно с целью ознакомления читателями и не преследуют коммерческих целей или нарушение авторских прав - Пожаловаться на публикацию