Главная Случайная страница


Полезное:

Как сделать разговор полезным и приятным Как сделать объемную звезду своими руками Как сделать то, что делать не хочется? Как сделать погремушку Как сделать так чтобы женщины сами знакомились с вами Как сделать идею коммерческой Как сделать хорошую растяжку ног? Как сделать наш разум здоровым? Как сделать, чтобы люди обманывали меньше Вопрос 4. Как сделать так, чтобы вас уважали и ценили? Как сделать лучше себе и другим людям Как сделать свидание интересным?


Категории:

АрхитектураАстрономияБиологияГеографияГеологияИнформатикаИскусствоИсторияКулинарияКультураМаркетингМатематикаМедицинаМенеджментОхрана трудаПравоПроизводствоПсихологияРелигияСоциологияСпортТехникаФизикаФилософияХимияЭкологияЭкономикаЭлектроника






Настройка схемы для работы в режиме «нормальная эксплуатация





Для того, чтобы приблизить нашу схему к требуемым номинальным параметрам (мощности, напряжения) по участкам схемы с различными видами нагрузки, выполним подбор и установку анцапф для трансформаторов, корректировку сопротивления линии.

Соппротивления линий путём подбора определили:

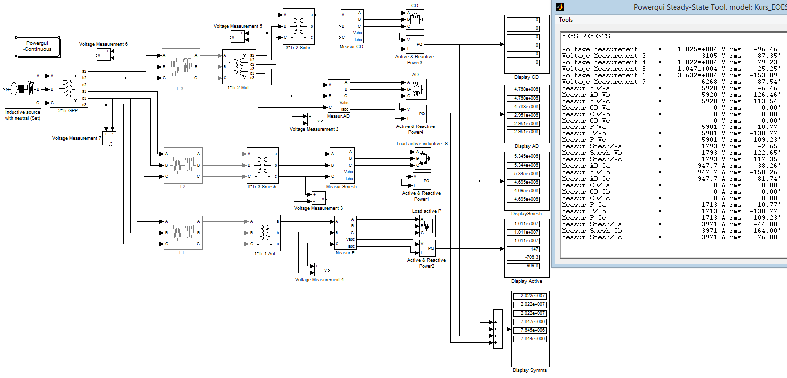
Запустим модель и получаем:

Рис.4 – Вывод данных c блоков измерения схемы виртуальной модели (Simulink) при режиме «нормальная эксплуатация»

 

Таблица 7 – Анализ распределения нагрузки на участках схемы при режиме «нормальная эксплуатация»

№ п/п Тип нагрузки (участок схемы) Коррек-тировка анцап-фами Мощ-ность заданная Мощность из опыта Напряжение заданное Напря-жение из опыта Вывод
% МВт МВт В В
1 Синхронная + 2,5 4,00 3,91   395,2 допустимое отклонение
2 Асинхронная 15,0 14,5 10 500   допустимое отклонение
3 Смешанная - 5,0 16,5 16,1 3 150   допустимое отклонение
4 Активная + 5,0 32,0 30,4 10 500   допустимое отклонение
5 Моторная - 7,5 19,0 18,41 10 500 / 10 500 10 590 / 10 320 допустимое отклонение
6 ГПП + 2,5 67,5 64,86 38 500 / 6 600 36 410 / 6 276 допустимое отклонение

 

 


 


 

 

Рис.5 – Виртуальная модель «Matlab» участка схемы электроснабжения собственных нужд промышленного предприятия (АЭС). Режим работы «нормальная эксплуатация»


3 ОПЫТЫ ДЛЯ РЕЖИМОВ РАБОТЫ ОБОРУДОВАНИЯ «НОРМАЛЬНАЯ ЭКСПЛУАТАЦИЯ», «КОРОТКОЕ ЗАМЫКАНИЕ НА УЧАСТКЕ СХЕМЫ», «РАБОТА С АВАРИНО ОТКЛЮЧЕННЫЙ УЧАСТКОМ СХЕМЫ»

3.1.Опыт для режима работы оборудования «нормальная эксплуатация» (рис.6)

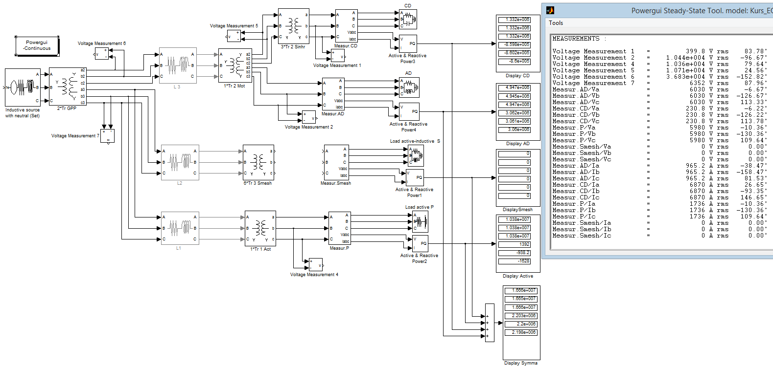
Предварительно с помощью инструмента «Powergui-Continous» вкладка «Steady-State Voltages and currents» снимем параметры по напряжениям и токам с выборкой необходимых позиций (рис.6, 7):

Рис.6 – Вывод данных с « Powergui-Continous» - «Steady-State Voltages and currents»

Рис.7 – Вывод данных с « Powergui-Continous» - «Steady-State Voltages and currents»


 


 

 

Таблица 8 – Режим нормальной эксплуатации

  Ед.изм. La Ls Lcd Lad Tr S Tr P Tr CD Tr M Tr ГПП
Ii эксп. А                 250,5   322,4 250,5 954,2 385,4 322,4  
U2iэксп. В             228,2            
ΔUi В                          
U1iэксп. В                  
U2iрасч. В             244,6            
δu2i %         1,30 1,49 6,70   1,33 3,82   7,74 7,24
P кВт                                
Q кВАР -1,697   -2520,15                          
S кВА                  
U1i /2i пасп. В                                
Kтрансф. о.е.         1,99 0,60 25,00   3,39 3,39   2,79 16,26
Sн кВА                      
Кол-во тр. шт.                      
Kнагр. о.е.         0,89 0,95 0,62   0,87   0,87
Баланс мощностей кВА      

 

 


Примеры расчёта параметров для таблицы 8:

Расчёт коэффициентов трансформации по паспортным данным трансформаторов:

Смешанная нагрузка (ТМ 4 000/10):

Активная нагрузка (ТРДНС 32 000/10):

Моторный участок, синхронная нагрузка (ТМ 2 500/10):

Моторная нагрузка (ТРДНС 25 000/10, выбран под заказ):

Главная понижающая подстанция (ТДТН-40 000/110):

Расчётное напряжение на вторичных обмотках:

Смешанная нагрузка (ТМ 4 000/10):

Активная нагрузка (ТРДНС 32 000/10):


 

Моторный участок, синхронная нагрузка (ТМ 2 500/10):

Моторная нагрузка (ТРДНС 25 000/10, выбран под заказ):

Главная понижающая подстанция (ТДТН-40 000/110):

 

Расчёт падения напряжения на вторичных обмотках:

Смешанная нагрузка (ТМ 4 000/10):

Активная нагрузка (ТРДНС 32 000/10):

Моторный участок, синхронная нагрузка (ТМ 2 500/10):

Моторная нагрузка (ТРДНС 25 000/10, выбран под заказ):

Главная понижающая подстанция (ТДТН-40 000/110):

Расчёт падения напряжения на вторичных обмотках в процентах:

Смешанная нагрузка (ТМ 4 000/10):

Активная нагрузка (ТРДНС 32 000/10):

Моторный участок, синхронная нагрузка (ТМ 2 500/10):

Моторная нагрузка (ТРДНС 25 000/10, выбран под заказ):

Главная понижающая подстанция (ТДТН-40 000/110):

 

Расчёт полных мощностей на участках с различными видами нагрузок:

Смешанная нагрузка:

Активная нагрузка:

 

 

Моторная нагрузка:

Расчёт полных мощностей трансформаторов различных участков нагрузок:

Смешанная нагрузка (ТМ 4 000/10):

Активная нагрузка (ТРДНС 32 000/10):

Моторный участок, синхронная нагрузка (ТМ 2 500/10):

Моторная нагрузка (ТРДНС 25 000/10, выбран под заказ):

Главная понижающая подстанция (ТДТН-40 000/110):


Расчёт коэффициентов нагрузки трансформаторов различных участков схемы:

Смешанная нагрузка (ТМ 4 000/10):

Активная нагрузка (ТРДНС 32 000/10):

Моторный участок, синхронная нагрузка (ТМ 2 500/10):

Моторная нагрузка (ТРДНС 25 000/10, выбран под заказ):

Главная понижающая подстанция (ТДТН-40 000/110):

 

 


 

 

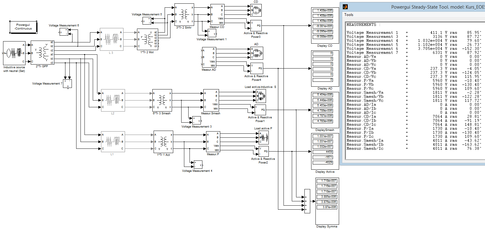
3.2.Опыты для аварийного режима работы «короткое замыкание» (рис.7÷10)

Таблица 9 – Режим «короткое замыкание» для участка с моторной синхронной нагрузкой

  Ед.изм. P S М CD Tr ГПП
I1i/2i/3i эксп. А             565,5     836,4    
U2i/3i эксп. А                  
P кВт         99 558
Q кВАР           64 482
S кВА           118 616
Kнагр. о.е. 0,49 2,46 1,87   1,48
Ii* о.е. 1,49 4,79 4,89 43,59 4,16
                           

 

Примеры расчёта параметров для таблицы 9:

Расчёт полных мощностей трансформаторов:

Смешанная нагрузка (ТМ 4 000/10):

Активная нагрузка (ТРДНС 32 000/10):

Моторный участок, синхронная нагрузка (ТМ 2 500/10):

Моторная нагрузка (ТРДНС 25 000/10, выбран под заказ):

Главная понижающая подстанция (ТДТН-40 000/110):

Расчёт коэффициентов нагрузки трансформаторов различных участков схемы:

Смешанная нагрузка (ТМ 4 000/10):

Активная нагрузка (ТРДНС 32 000/10):

Моторный участок, синхронная нагрузка (ТМ 2 500/10):

Моторная нагрузка (ТРДНС 25 000/10, выбран под заказ):


Главная понижающая подстанция (ТДТН-40 000/110):


Расчёт относительных токов:

Смешанная нагрузка (ТМ 4 000/10):

Активная нагрузка (ТРДНС 32 000/10):

Моторный участок, синхронная нагрузка (ТМ 2 500/10):

Моторная нагрузка (ТРДНС 25 000/10, выбран под заказ):

Главная понижающая подстанция (ТДТН-40 000/110):

Таблица 10 – Режим «короткое замыкание» для участка с моторной асинхронной нагрузкой

  Ед.изм. P S М CD Tr ГПП
I1i/2i/3i эксп. А           94,46   94,46        
U2i/3i эксп. А                  
P кВт         35 912
Q кВАР           11 111
S кВА           37 592
Kнагр. о.е. 0,72 0,68 0,03 0,09 0,47
Ii* о.е. 1,42 4,56 7,22 0,65 5,58
                           

 

Примеры расчёта параметров для таблицы 10:

Расчёт полных мощностей трансформаторов:

Смешанная нагрузка (ТМ 4 000/10):

Активная нагрузка (ТРДНС 32 000/10):

Моторный участок, синхронная нагрузка (ТМ 2 500/10):

Моторная нагрузка (ТРДНС 25 000/10, выбран под заказ):

Главная понижающая подстанция (ТДТН-40 000/110):

Расчёт коэффициентов нагрузки трансформаторов различных участков схемы:

Смешанная нагрузка (ТМ 4 000/10):

Активная нагрузка (ТРДНС 32 000/10):

Моторный участок, синхронная нагрузка (ТМ 2 500/10):

Моторная нагрузка (ТРДНС 25 000/10, выбран под заказ):

Главная понижающая подстанция (ТДТН-40 000/110):

Расчёт относительных токов:

Смешанная нагрузка (ТМ 4 000/10):

Активная нагрузка (ТРДНС 32 000/10):

Моторный участок, синхронная нагрузка (ТМ 2 500/10):

Моторная нагрузка (ТРДНС 25 000/10, выбран под заказ):

Главная понижающая подстанция (ТДТН-40 000/110):


 

Таблица 11 – Режим «короткое замыкание» для участка с активной нагрузкой

  Ед.изм. P S М Tr ГПП
I1i/2i/3i эксп. А         280,3 217,8 829,6   280,3  
U2i/3i эксп. В                
P кВт       26 025
Q кВАР         19 521
S кВА         32 533
Kнагр. о.е.   0,67 0,66 0,41
Ii* о.е.   4,55 0,69 5,68
                       

Примеры расчёта параметров для таблицы 11:


Расчёт полных мощностей трансформаторов:

Смешанная нагрузка (ТМ 4 000/10):

Активная нагрузка (ТРДНС 32 000/10):

Моторная нагрузка (ТРДНС 25 000/10, выбран под заказ):

Главная понижающая подстанция (ТДТН-40 000/110):

Расчёт коэффициентов нагрузки трансформаторов различных участков схемы:

Смешанная нагрузка (ТМ 4 000/10):

Активная нагрузка (ТРДНС 32 000/10):

Моторная нагрузка (ТРДНС 25 000/10, выбран под заказ):

Главная понижающая подстанция (ТДТН-40 000/110):

Расчёт относительных токов:

Смешанная нагрузка (ТМ 4 000/10):

Активная нагрузка (ТРДНС 32 000/10):

Моторная нагрузка (ТРДНС 25 000/10, выбран под заказ):

Главная понижающая подстанция (ТДТН-40 000/110):


 

Таблица 12 – Режим «короткое замыкание» для участка со смешанной нагрузкой

  Ед.изм. P S М Tr ГПП
I1i/2i/3i эксп. А   843,8     163,4   483,6   163,4  
U2i/3i эксп. В                
P кВт       12 076
Q кВАР          
S кВА         12 444
Kнагр. о.е. 0,23 0,00 0,22 0,16
Ii* о.е. 0,63 178,4 0,40 20,55
                       

 

Примеры расчёта параметров для таблицы 12:

Расчёт полных мощностей трансформаторов:

Смешанная нагрузка (ТМ 4 000/10):

Активная нагрузка (ТРДНС 32 000/10):

Моторная нагрузка (ТРДНС 25 000/10, выбран под заказ):

Главная понижающая подстанция (ТДТН-40 000/110):

Расчёт коэффициентов нагрузки трансформаторов различных участков схемы:

Смешанная нагрузка (ТМ 4 000/10):

Активная нагрузка (ТРДНС 32 000/10):

Моторная нагрузка (ТРДНС 25 000/10, выбран под заказ):

Главная понижающая подстанция (ТДТН-40 000/110):

Расчёт относительных токов:

Смешанная нагрузка (ТМ 4 000/10):

Активная нагрузка (ТРДНС 32 000/10):

Моторная нагрузка (ТРДНС 25 000/10, выбран под заказ):

Главная понижающая подстанция (ТДТН-40 000/110):



 

 

Рис.6 – Виртуальная модель «Matlab» участка схемы электроснабжения собственных нужд промышленного предприятия (АЭС). Режим работы «нормальная эксплуатация»

 

Рис. 7 – Виртуальная модель «Matlab» участка схемы электроснабжения собственных нужд промышленного предприятия (АЭС). Режим работы «короткое замыкание» для участка с моторной нагрузкой (синхронная нагрузка)

Рис. 8 – Виртуальная модель «Matlab» участка схемы электроснабжения собственных нужд промышленного предприятия (АЭС). Режим работы «короткое замыкание» для участка с моторной нагрузкой (асинхронная нагрузка)

 

 

Рис. 9 – Виртуальная модель «Matlab» участка схемы электроснабжения собственных нужд промышленного предприятия (АЭС). Режим работы «короткое замыкание» для участка со смешанной нагрузкой

 

 

Рис. 10 – Виртуальная модель «Matlab» участка схемы электроснабжения собственных нужд промышленного предприятия (АЭС). Режим работы «короткое замыкание» для участка с активной нагрузкой

 

 

Рис. 11 – Виртуальная модель «Matlab» участка схемы электроснабжения собственных нужд промышленного предприятия (АЭС). Режим работы «с аварийно отключенным участком» для участка с моторной нагрузкой (синхронная нагрузка)

 

 

Рис. 12 – Виртуальная модель «Matlab» участка схемы электроснабжения собственных нужд промышленного предприятия (АЭС). Режим работы «с аварийно отключенным участком» для участка с моторной нагрузкой (асинхронная нагрузка)

 

 

Рис. 13 – Виртуальная модель «Matlab» участка схемы электроснабжения собственных нужд промышленного предприятия (АЭС). Режим работы «с аварийно отключенным участком» для участка со смешанной нагрузкой

 

 

Рис. 14 – Виртуальная модель «Matlab» участка схемы электроснабжения собственных нужд промышленного предприятия (АЭС). Режим работы «с аварийно отключенным участком» для участка с активной нагрузкой








Date: 2015-07-24; view: 588; Нарушение авторских прав



mydocx.ru - 2015-2026 year. (0.569 sec.) Все материалы представленные на сайте исключительно с целью ознакомления читателями и не преследуют коммерческих целей или нарушение авторских прав - Пожаловаться на публикацию