Главная Случайная страница


Полезное:

Как сделать разговор полезным и приятным Как сделать объемную звезду своими руками Как сделать то, что делать не хочется? Как сделать погремушку Как сделать так чтобы женщины сами знакомились с вами Как сделать идею коммерческой Как сделать хорошую растяжку ног? Как сделать наш разум здоровым? Как сделать, чтобы люди обманывали меньше Вопрос 4. Как сделать так, чтобы вас уважали и ценили? Как сделать лучше себе и другим людям Как сделать свидание интересным?


Категории:

АрхитектураАстрономияБиологияГеографияГеологияИнформатикаИскусствоИсторияКулинарияКультураМаркетингМатематикаМедицинаМенеджментОхрана трудаПравоПроизводствоПсихологияРелигияСоциологияСпортТехникаФизикаФилософияХимияЭкологияЭкономикаЭлектроника






Опыт Франка и Герца





Эксперимент Франка и Герца является прямым подтверждением постулатов Бора о том, что:

1. Атом и атомные системы могут длительно пребывать в определенных стационарных состояниях, в которых, не смотря на происходящие в них движения заряженных частиц, они не излучает и не поглощает энергию. Каждому состоянию соответствует свое дискретное значение энергии.

2. Изменение внутренней энергии атома может происходить лишь при переходе между состояниями и равно разности энергий этих состояний (энергии перехода).

Идея эксперимента состоит в следующем. Исследуя энергию электронов, претерпевших столкновения с атомами, убедиться в том, что электроны могут передавать атомам энергию лишь порциями, равными энергии перехода.

При этом следует различать два типа столкновений: упругие и неупругие. При упругих столкновениях сохраняется суммарная кинетическая энергия сталкивающихся частиц, а изменение кинетической энергии каждой из них зависит от соотношения их масс. Например, при столкновении электрона с покоящимся атомом кинетическая энергия электрона может измениться лишь на величину порядка

, (1)

где m и M – массы электрона и атома соответственно. Внутренние энергии частиц при упругом соударении не меняются.

При неупругом столкновении внутренняя энергия сталкивающихся частиц изменяется на величину, равную изменению кинетических энергий частиц. Например, при неупругом столкновении электрона с атомом атом может перейти из одного энергетического состояния в другое, изменив, таким образом, свою внутреннюю энергию. Изменение кинетической энергии электрона и атома равно энергии перехода:

. (2)

Таким образом, возбуждение атома (увеличение его внутренней энергии) может произойти лишь тогда, когда кинетическая энергия относительного движения электрона и атома будет превышать энергию перехода. В противном случае столкновение будет упругим, а изменение кинетической энергии электрона – ничтожным. При соударении электрона с возбужденным атомом может произойти обратный процесс: атом переходит в состояние с меньшей внутренней энергией, а энергия электрона увеличивается на величину, равную энергии перехода. Такое соударение называется неупругим ударом второго рода.

Вероятность осуществления того или иного изменения состояний при столкновении характеризуется величиной «сечения». Например, если для осуществления некоторого процесса – (возбуждения, ионизации,...) необходимо, чтобы электрон (определенной энергии ) пролетел не дальше от атома, чем на расстоянии r 0, то площадь называют сечением этого процесса (возбуждения, ионизации,...) при энергии .

Таким образом, если в объем, заполненный некоторым газом, влетают электроны с энергией , превышающей энергии перехода в атоме, то после столкновений электроны должны разделиться по энергиям на группы:

1. Электроны, столкнувшиеся с атомами только упруго и почти не потерявшие энергии.

2. Электроны, столкнувшиеся с атомами неупруго, то есть возбудившие атомы на различные энергетические уровни и имеющие энергии

. (3)

– энергия перехода из основного энергетического состояния (при не слишком высоких температурах, согласно распределению Больцмана, почти все атомы находятся в основном состоянии) в энергетическое состояние с номером n.

В эксперименте Франка и Герца [1] наблюдается возбуждение «резонансного» уровня, т.е. самого нижнего из всех возбужденных уровней. Устройство для наблюдения этого явления представляет собой трехэлектродную лампу, заполненную парами исследуемого элемента.


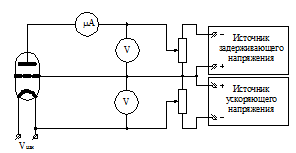
Электрическая схема эксперимента представлена на рис. I.

Рис. 1. Электрическая схема опыта Франка и Герца

Электроны, испущенные катодом, ускоряются электрическим полем между сеткой и катодом и испытывают столкновения с атомами. По мере продвижения от катода к сетке изменяется их энергия, численно равная (в электрон-вольтах) пройденной от катода разности потенциалов (в вольтах) за вычетом энергии, потерянной при столкновениях с атомами. Если потенциал сетки относительно катода не превышает резонансного потенциала атома[1], то нигде в лампе не может происходить неупругих столкновений. Если же между сеткой и анодом создать электрическое поле, задерживающее электроны, то измерение зависимости анодного тока от задерживающего потенциала при постоянном ускоряющем потенциале (характеристика задержки) должно дать результат, изображенный на рис. 2, кривая «а», что соответствует одной группе электронов, сталкивающихся только упруго.


Рис. 2. Кривая задержки (а) и распределение электронов по энергиям (б) в случае упругих столкновений

Дифференцируя кривую «а» (см. [1], § 91), мы получаем распределение электронов по энергиям (кривая «б»), точнее, по составляющей скорости вдоль поля.

В том случае, когда потенциал сетки превышает резонансный, в областях с потенциалом (относительно катода) выше резонансного могут происходить неупругие столкновения, приводящие к появлению группы медленных электронов, отдавших атомам энергию, равную энергии возбуждения резонансного уровня. В этом случае характеристика задержки и распределение электронов по энергиям должны иметь вид, изображенный на рис. 3.

Ширины распределений электронов по энергиям на рис. 2 и 3 зависят от многих факторов: давления и температуры газа, распределения потенциала вдоль катода, геометрии лампы и т.д. Поэтому трудно осуществить условия для достаточно точного определения резонансного потенциала по характеристикам задержки,

Рис. 3. Кривая задержки (а) и распределение электронов по энергиям (б) в случае неупругих столкновений

Лучшие результаты дает измерение анодных характеристик таких ламп, т.е. измерение зависимости анодного тока от ускоряющего потенциала при постоянном задерживающем.

Чтобы не усложнять картину возбуждением более высоких (чем резонансный) возбужденных уровней, потребуем выполнения условия:

, (4)

где l – длина свободного пробега электрона, зависящая от давления; e – напряженность ускоряющего поля; e – заряд электрона; E 1 и E 2 – энергии уровней основного и следующего за ним состояний.


В таких условиях электрон с большой вероятностью должен сталкиваться неупруго сразу по достижении энергии возбуждения резонансного уровня. Анодная характеристика должна иметь вид, изображенный на рис. 4.

Рис. 4. Вид вольтамперной характеристики при неупругих соударениях

Как только потенциал сетки превысит значение, равное резонансному потенциалу[2] в районе сетки появится область неупругих столкновений. Электроны, столкнувшиеся неупруго и потерявшие при этом энергию (почти всю, при условии выполнения соотношения (4)), не преодолеют задерживающий потенциал, вернутся на сетку и не внесут вклада в анодный ток: появится минимум на кривой тока (рис, 4, кривая «а»). В действительности упругие соударения сильно размывают распределение электронов по энергиям, что приводит к неполному исчезновению анодного тока (кривая «б») из-за наличия электронов с энергией ниже энергии возбуждения резонансного уровня, К этому же приводит наличие электронов с энергией выше порога возбуждения из-за нарушения условия (4). В размытии распределения можно убедиться по характеристикам задержки. При дальнейшем повышении ускоряющего потенциала область неупругих столкновений отодвигается к катоду, и, если на оставшемся до сетки пути электроны смогут набрать энергию, достаточную для преодоления задерживающего потенциала, ток снова начнет расти. Как только потенциал сетки превысит значение, равное удвоенному резонансному, картина повторится, появится вторая область неупругих столкновений в районе сетки, второй минимум тока и т.д. (в экспериментах с ртутью, выполненных Франком и Герцем, наблюдалось до пяти минимумов).

При выполнении условия (4) неупругие столкновения происходят не по всему объему лампы, а лишь в областях с потенциалом, кратным резонансному, и имеющих размер вдоль электрического поля порядка длины пробега. Появление каждой новой зоны неупругих столкновений по мере увеличения ускоряющего потенциала сопровождается появлением нового провала тока, глубина которого зависит от самого тока, давления, задерживающего потенциала, сечения возбуждения и т.д. Разность потенциалов между максимумами тока соответствует разности потенциалов между зонами неупругих столкновений, то есть, равна резонансному потенциалу. Отметим (с большой достоверностью можно считать), что нигде в лампе (если выполнено условие (4)) энергия электронов не превышает величины и недостаточна для возбуждения уровней выше резонансного.


Таким образом, задача эксперимента заключается в подборе режима (давление, ток накала, ускоряющий и задерживающий потенциалы), обеспечивающего получение наилучших анодных характеристик и характеристик задержки ламп. Лампы наполнены парами ртути или инертным газом, выбранным для этого эксперимента из-за специфической функции возбуждения[3] резонансного уровня, облегчающей получение зон неупругих столкновений с более четкими границами, а также простоты регулирования давления насыщенных паров ртути путем нагрева.







Date: 2015-07-22; view: 746; Нарушение авторских прав



mydocx.ru - 2015-2026 year. (1.122 sec.) Все материалы представленные на сайте исключительно с целью ознакомления читателями и не преследуют коммерческих целей или нарушение авторских прав - Пожаловаться на публикацию