Главная Случайная страница


Полезное:

Как сделать разговор полезным и приятным Как сделать объемную звезду своими руками Как сделать то, что делать не хочется? Как сделать погремушку Как сделать так чтобы женщины сами знакомились с вами Как сделать идею коммерческой Как сделать хорошую растяжку ног? Как сделать наш разум здоровым? Как сделать, чтобы люди обманывали меньше Вопрос 4. Как сделать так, чтобы вас уважали и ценили? Как сделать лучше себе и другим людям Как сделать свидание интересным?


Категории:

АрхитектураАстрономияБиологияГеографияГеологияИнформатикаИскусствоИсторияКулинарияКультураМаркетингМатематикаМедицинаМенеджментОхрана трудаПравоПроизводствоПсихологияРелигияСоциологияСпортТехникаФизикаФилософияХимияЭкологияЭкономикаЭлектроника






Рылғы және жұмыс





 

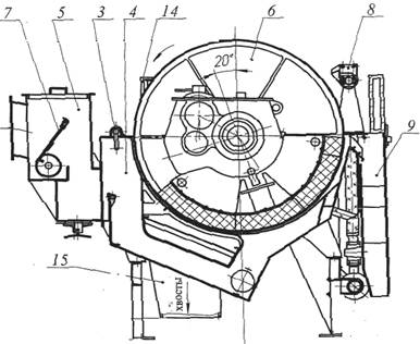
Сепаратор ПБМ-ПП-120/300 өзіне төменгі қоректенумен бір барабанды магнитті сепараторды, барабанның айналуымен жүрісі бойынша материалды сепараторлау, терең емес батумен барабанды жартылай қарсы ағыммен ваннада пульпаның тұрақты деңгейде жұмыс істейтінді ұсынады.

Сепаратор келесі негізгі құрама бөліктерден тұрады: 3 және 4 суретпен сәйкесті: рамалар поз.1, ванналар поз.4, жинағыштан поз. 2 және 3, барабаннан поз.6, шаюдан поз.8, науашалардан поз.9, айналмалы құрылғыдан поз.11, қоршаудан поз.13 және 14, мойынтіректерден поз.12 және 16, қорабтардан поз.5, ағымнан поз.15.

Қораб поз. 5 ваннада поз.4 өз ернемекпен (фланцем) қойылған, бастапқы қоректенуді қабылдау және алдын ала оны (барабанның) ваннасына ұзындығы бойынша тарату үшін қызмет көрсетеді.

Қораб пісірілген жаймалы болаттан тік төртбұрышты сыйымдылықты түрде жасалған, үстінен жабұлы ажырамалы қақпақпен. Қорабтын ұзын бүйірлі қабырғасы көлбеуленген келте құбырмен жіберетін тік төртбұрышты пішімді сепаратордың ваннасына қосу үшін жабдықталған.

Тозудан сақтау үшін түрпілі (абразивными) бөлшектермен қоректендіру қорабтың ішкі беті және ұрғыштан поз. 7 үйкеліске шыдамды резеңкемен қаптамаланған (футерованы).

Қорабтың шетжақ қабырғалары люктармен жабдықталған, қорабты ірі бөлшектерден тазарту және қоректенумен қапылыста еріксіз түскендерді шаю мүмкінді болады.

 

1- рама; 2- жинағыш (коллектор); 11- айналмалы құрылғы;

12- мойынтірек (подшипник); 13 – қоршау; 16- мойынтірек

3- сурет Сепаратор ПБМ-ПП-120/300

 

Ұрғыш поз.7 өзіне қорабта қондырылған болатты жайманы ұсынады.

Ұрғыш қолмен бағдарлаушы бойынша жіберілетін қорабтың саңылауын шамаларды реттеу үшін жылжи алады және сонымен бірге қорабтың ұзындығы бойынша пульпа ағынын бөлу үшін қызмет көрсетеді.

Сепаратордың рамасы поз. 1 швеллерден пісірілген металлконструк-цияны, оған ванна құрастырылған, барабан, қоректену өнімдерді шығару үшін науа және суды тарату жүйені өзіне ұсынады. Жинағыш поз. 2 (коллектор) жалғастықпен және келте құбырмен құбырды өзігне ұсынады. Ол сепаратордың рамасына бекітіледі және су беру үшін шаюға және ваннаның коллерторларына пульпаны сұйықтандыру және магнитті өнімді жуу үшін қызмет көрсетеді. Барабаннан магнитті өнімді шаю суды берумен шаюшыдан поз.8 іске асырылады. Шаюшы мұрындықты астау түрде жасалған, сол бойынша шаюшы су барабанға құйылады.

Астау бойынша шаюды суды беру және бөлу құбырмен қабырғада тесіктер қарастырылған, бағытталған суды жоғары шағылдырғышқа, осы құбырдың үстінде қойылғанмен іске асырылады. Шағылдырғыш алынбалы-мен жасалған, осының арқасында құбырда тесіктерді тазалау үшін кіріс қамтамасыз етіледі. Науаша поз.9 арқалықты рамаға ұзына бойына бекітіледі концентрат үшін және қабылдау үшін қызмет көрсетеді.

Айналмалы құрылғы поз.11 магнитті жүйенің орнықтыру жағдайын реттеу үшін қызмет етеді және рычагтан, теуіштерден реттеуішті гайкадан тұрады. Оның көмегімен магнитті жүйені поз.12 қажетті бұрышқа және керекті жағдайға орнықтыруға болады.

 

3 - жинақтауыш (коллектор); 4 - ванна; 5 - қораб; 6 - барабан;


7- ұрғыш; 8 - шаю; 9 - науа; 14- қоршау; 15 – ағып шығу

4 - сурет Сепаратор ПБМ-ПП-120/300

 

Сепаратордың ваннасы 5 суретпен сәйкесті орындалған және V- бейнелі арна поз.3 сепаратордың қорабынан ваннаның орталық аймағына қабықтан қоректенуді жеткізіп сал үшін. Арна түбімен поз.1 және бөліммен поз.2 орналасқан, қайтарымды магнитті емес өнім. Арнада жинақтауыш (коллектор) поз.4 пульпаны сұйықтандыру үшін суды беру (қажетті жағдайда) орналасқан. Майысқан арнашықпен поз.5 бөлім жабық, сепаратордың барабанымен жұмысшы саңылауды құрастырады.

Магнитті емес өнім өз ағынымен терезе арқылы поз.6 бөлімге түседі, осы жағдайда ваннада пульпаның деңгейі анықталады. Магнитті емес өнім бөлімнен келтеқұбыр арқылы шығарылады, арасымен өтетін ваннаның түбінен. Магнитті өнімнен жүк түсіру орыннан тікелей жақындықта, науашық поз.8 алдында, магнитті өнімді жүкті түсіру үшін қызметшінің алдында барабанмен тасымалданатын магнитті өнімді жууға суды беру камерасы орналасқан.

Камераға су құбыр бойынша поз.11 беріледі.

Сепаратордың рамасына ванна көмегі кезінде уыс (лап) поз.13 және поз.14. орнатылады. Ваннаның конструкциясы қызмет көрсетеді:

- оның ұзындығы бойынша барабан астына қоректенуді берудің бір қалыптылығы;

- қоректенуді сұйықтандыру;

- барабанның айналу бағытына магнитті өнімді еркін жүк түсіруді;

- қайта құю жолдар арқылы еркін өтулердің магнитсіз өнімдің жүк түсіруді есебінде;

- жүк түсірудің алдында магнитті өнімді жуу;

- қоректенуде сепараторда нақтылы көлемді жүктемеде ваннада пульпа-лар деңгейдің тұрақтылығы. Барабан 6 суретпен сәйкестікте жұқа бүйірлі цилиндр (бараба тұрқы) поз.1 екі шет жақты қақпақтармен поз.2 және поз.3 аунақша мойынтіректерде поз.5 айналатын, жылжамайтын осьте шетмойындарда (цапфах) поз.6 ярма магнитті жүйені өзіне ұсынады. Магнитті жүйенің ярма осі ажырамалы мойынтіректерде П- тәріздес тіректі сепаратордың рамасына орнатылған.

Баранның тұрқы және шетжақты қақпақтары магнитті емес материалдан жасалған және сырты резеңкеленген. Барабанның ішінде жетек және магнитті жүйе орналасқан.

Магнитті жүйе негізгі полюстардан тұрады, магнитті блоктардан алынған, барабанның шеңбері бойынша алмасушы полярлықпен және блоктар магниттерді жинақтауыштармен, осылай бағдарланғанмен, өйкені олардың полярлығы негізгі магниттермен түйіндесі бойынша бірдей болу үшін.


 

1- түп; 2 – бөлме; 3 - арна; 4 - жинақтауыш; 5 - науаша (лоток);

6 - терезе; 7- келтеқұбыр; 8 - науаша; 9 - камера; 10- терезе;

11- құбыр; 12 - люк; 13- табан (лапа);

5 - сурет Ванна

Түзететін блоктар сепаратордың жұмысшы саңылауда магнитті өрісті (концетрация) шоғырландыру үшін қызмет көрсетеді. Негізгі полюстар ұстастырмалармен (на ярме) бұғауда бекітілген. Түзететін блоктар негізгі полюстар арасында қойылған.

Магнитті жүйе 4 және 5 суретпен сәйкестікте негізгі және магнитті блоктарды түзететіннен тұрады және үш аймақтарға бөлінген:

- материалды поз. 21 қабылдау аймаққа жоғары алу күштермен, жұмыс істейтін магнитті бөлшектерге.

- магнитті өнімді тасымалдау аймаққа және қайта тазалауға поз.22, барабанға тартылғанды, магнитті флоккулды тиімді ашылуды қамтамасыз ететін және магнитсіз фазаларды толық босатылады.

Осы аймақтың соңында концетратты поз.23 жүктеу аймағы бар, барабанның ұзындығы бойынша концентратты бір қалыпты бөлуін қамтамасыз ететін және үйкелістен тартылған магнитті материалмен барабанның ернеушенің (обечайки) тозуын төмендетуі.

- материалды поз. 24 шығаруға дейін аймақты, Fe маг. қамтамасыз етін шығынды төмендетеді.

Магнитті жүйе жұмыс істеу жағдайда айналмалы құрылғының көмегі кезінде 16º- дан 25º- дейін бұрышқа өрістетілген тік жазықтықтан жүк түсіру жағына сепаратордың магнитті өнімін. Айналмалы құрылғының рычагы және шетмойына поз. 18 магнитті жүйенің осьне шлицті қосылыстың көмегімен бекітіледі.

Шетмойын поз. 18 атмосферамен барабанның ішкі қуысын жалғасты-ратынмен тесік болады. Арна бойынша күшті кабель штепсельді ажырағышпен поз.17 мотор-редуктор қозғалтқыштан өтеді.

 

 

1- барабан тұрқы; 2- қақпақ; 4- люктың қақпағы; 5- мойынтірек;

6 – магнитті жүйе; 7- мотор-редуктор; 8 – шетмойын (цапфа); 9 - стақан;

10 – қаптама (футеровка); 11 - қақпақ; 12 – май сауыт (масленка);13- төлке (втулка); 14 - жартылаймуфта; 15- жарты білік (полый вал); 16 – жең (рукав); 17- айырша кабель; 18 - шетмойын (цапфа); 19 – қаптама (футеровка).


6 – сурет Барабан

 

Баорабанның жетегі 8 суретпен сәйкесте мотор-редуктордан поз. 7 тұрады, сол жарты білік поз.15 арқылы шетмойына поз.18 саңылаумен магнитті жүйемен орнатылған. Шлицті жарты білік жартылай муфтамен поз 14 ілініске кіреді барабанның қақпағына поз. 2 бекітілген.

Шетмойынға мотор - редуктор (кулачков) жұдырықшалар көмегімен және тіректі буртпен мотор-редуктордың артқы қақпаққа өздігінен орталықтанады.

 

21- материалды қабылдау аймақ; 22 – магнитті өнімді қайта тазарту және тасымалдау аймағы; 23- жүк түсіру аймағы; 24 – материалды шығаруға дейін аймағы; 25- майтаянышты шығыңқы нұсқағыш; 26; 27- треуіш

7 - сурет Барабан

Радиалды айналдырудан мотор-редуктор тіректі шығыңқыдан поз.26 корпуста треуіш поз. 27 қондырғымен магнитті жүйені пісірілген ярмаға бекітіледі. Жұмыс істеу процессте мотор редуктор ось бойымен 6 мм дейін араласып кете алады, ал сонымен бірге осьтен 2 - ге дейін бұрышқа шалқу болады.

Мұндай жетектің конструкциясы дәлді жасаулар және құрастыруларды және барабанның мойынтіректерін және мотор-редукторды жүктерден босату керек. Барабанға орнатылған мотор-редукторда майдың деігейін бақылау, ал сонымен қатар құюға және құйылысқа жеңді көмегімен қарау люк поз.4 арқылы қақпақта поз.2 іске асырылады.

Жарты білік поз.8 соңында шыға берісте шлицтер болады, ал қарама-қарсы соңында қақпақпен поз.9 жабық орталықты тесіктермен.

 

1– корпус; 2 – треуішті шығыңқы; 3 – қақпақ; 4 - қылта; 5 – жең;

6 – өткізгіштік; 7– муфта; 8 – жарты білік; 9 – қақпақ;

10 – тістегерішті - білік; 11– тісті доңғалақ; 14 – тығын;

15– мойынтірек; 18 – майкөрсеткіш; 19– электқозғалтқыш.

8 – сурет Мотор-редуктор

Екі сатылы тісті цилиндрлі мотор-редуктор 8 сурет сәйкесті мыналардан тұрады:

- корпустар поз.1, ішінде түзу тісті тістегерішті-білік поз.10 және поз. 12 және тісті доңғалақтар поз.11 және поз.13 орналасқан;

- жарты білікті поз.8;

- қақпақтары поз.3 суармалы қылтамен поз.4;

- өткізгіш поз.6;

- электрқозғалтқыш поз.19;

- серпімді муфта поз.7;

- майкөрсеткіш поз.18;

- жеңді поз.5.

Барабанды сепараторды ПБМ-ПП-120/300 жинақтау үшін берілісті 34,8 санымен мотор-редуктор қолданылады. Мотор-редуктор берілісті 45,04 санымен барабанды сепараторды ПБМ-150/200 жинақтау үшін қлоданы-лады, бірақ тұтынушы тапсырыс бойынша ПБМ-120/300 барабанды сепараторда қойылған болу мүмкін болады.

Барабан оң жақты жетекті орналастырумен (пульпаның жүрісі бойынша) (215-27.00.000) «оң жақты» мотро-редуктормен (916-05.01.0000-01) жинақталады, ал барабан сол жақты жетекті орналасымен (215-27.00.0000-01) «сол жақты» мотор-редуктормен (916-05.01.0000-03) жинақталады.

Схеманың өзгеруі кезінде қондыруды схеманы құрастыруға қарама-қарсы сұрыптау қажет. Майды құю қылта арқылы поз.4 қақпақта поз.3 торлы сүзгімен жүргізіледі. Майдың құйылысы және деңгейді бақылау жең поз.5 арқылы жүргізіледі. Майдың деңгейі барабанның осьнен төмен 120 – дан 130 мм дейін шектерде болу керек.

Жұмыс жағдайларда майлауды тісті доңғалақтарды және мойынтіректі қақпақты поз.3 қамтамасыз ету үшін, мотор-редуктор көлденең орналасқан болуға тиісті.

Сепаратор ПБМ-ПП-120/300 сурет 1 және 2 сәйкесте келесі ретпен жұмыс істейді:

- пульпа түрде жататын сепарация материал табалдырық арқылы сатылы жүктелу қораб поз.5, не қорабтың арқасында ені бойынша бір қалыпты көлкіп ағып жатады;

- көлбеген түтік арқылы түппен арасында арна бойынша пульпа ванна бөлмесі және науамен поз.6 нормалы оның беттіне магнитті барабанның поз.4 астына ваннаға түсіріледі;

- қатты магнитті бөлшектердің магнитті өрістердің әсерінен магнитті өнім жүкті түсіруде жүріс бойынша бағытта айналмалы барабанға бетке тартылады. Шығу кезінде магнитті өрістен аймақты әсерден мотор-редуктордың техникалық сипаттамалары 3-ші кестеде келтірілген, магнитті бөлшектер астау бойынша жүктеуші науаға поз.9 қопарылып түседі;

- магнитті емес өнім бағытта қозғалады, барабанның қарама-қарсы айналуына, терезе арқылы ваннаның науада жүк түсіру бөмге түседі, және келтеқұбыр арқылы ваннаның төменгі бөлімінде жүк түсіп жатады;

- төменгі бөлікте ваннаның шетжақ қабырғаларда дөңгелек люктар поз.8 қақпақтармен ваннаны тазарту және тексеру үшін арналған бар болады;

- шламдалған ваннаны жуу үшін және пульпаларды сұйықтандыру жинақтауыш поз. 3 ескерілген;

- магнитті емес материал (арт жақтары) барабанның қарама-қарсы айналуына бағытта қозғалады, жүк түсіру бөмге түседі және ағымды поз. 15 арқылы түседі;

- люктер арқылы поз.11 3 суретпен сәйкесті төменгі бөлікте ваннаның шетжақ қабырғаларда және кездейсоқ ірі заттардан және шламды тұнбаны оны тексеру жүргізіледі.

 

3- кесте – Мотор-редуктордың техникалық сипаттамалары

 

  Көрсеткіштің атауы Орындау үшін мәндер
916 - 05.01.0000 916 - 05.01.0000-01 916 - 05.01.0000-02 916 -05.01.0000-03
1 Беріліс саны 45.04 34,8 45.04 34.8
2 Электрқозғалтқыш: - түрі - қуат, кВт - кернеу, В   АИР160S8Y3 JM3081 7.5
3 Біліктің шығу айналу жиілігі, айн./мин 16.2   16.2  
4 Біліктің шығуына номилды айналу моменті, Н ·м (кг·м)   4500(450)   3470(347)   4500(450)  
5 Баяу жүрісті білікте номинал радиалды жүктеме, Н (кг)   25000 (2500)
6 Орналасуы бойынша қозғалт-қыштың қатынасы біліктің шығуына құрастыру варианты (біліктің шығу жағын қарау керек)     оң жақ     оң жақ     сол жақ     сол жақ
7 Габаритті өлшемдері, мм: ұзындығы (біліктің шығу бойымен) - ені - биіктігі      
8 Салмағы (майсыз), кг  

 

 







Date: 2015-07-23; view: 1078; Нарушение авторских прав



mydocx.ru - 2015-2026 year. (0.956 sec.) Все материалы представленные на сайте исключительно с целью ознакомления читателями и не преследуют коммерческих целей или нарушение авторских прав - Пожаловаться на публикацию