Главная Случайная страница


Полезное:

Как сделать разговор полезным и приятным Как сделать объемную звезду своими руками Как сделать то, что делать не хочется? Как сделать погремушку Как сделать так чтобы женщины сами знакомились с вами Как сделать идею коммерческой Как сделать хорошую растяжку ног? Как сделать наш разум здоровым? Как сделать, чтобы люди обманывали меньше Вопрос 4. Как сделать так, чтобы вас уважали и ценили? Как сделать лучше себе и другим людям Как сделать свидание интересным?


Категории:

АрхитектураАстрономияБиологияГеографияГеологияИнформатикаИскусствоИсторияКулинарияКультураМаркетингМатематикаМедицинаМенеджментОхрана трудаПравоПроизводствоПсихологияРелигияСоциологияСпортТехникаФизикаФилософияХимияЭкологияЭкономикаЭлектроника






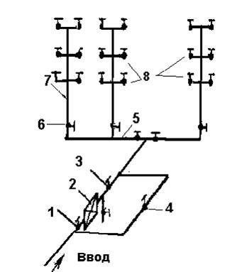
Схема водопроводной сети здания





 

 

В месте присоединения ввода к наружной магистрали устраивают колодец (люк), в котором устанавливается клапан для отключения всей сети в случае аварий. После водомерного узла вода поступает в разводящую магистраль, далее – в стояки и к водоразборным кранам. Внутреннюю водопроводную сеть монтируют из оцинкованных или металлопластиковых труб, соединяемых с помощью резьбовых фасонных элементов – фитингов.

Система канализации. Совокупность инженерных сооружений, служащих для приема сточных вод, их транспортирования, очистки, обеззараживания и сброса в водоемы или на земляные поля называется канализацией. В зависимости от характера загрязнения различают хозяйственно-фекальные, производственные и атмосферные сточные воды. Системы канализации делят на наружные и внутренние. Наружная канализация включает уличную и дворовую сеть, очистные сооружения, насосные станции; внутренняя канализация – сеть отдельных зданий и местные очистные сооружения. Границей между внутренней и наружной канализацией является первый от здания смотровой колодец (люк). Для отвода сточных вод применяются керамические, бетонные, железобетонные, асбоцементные, полиэтиленовые и металлопластиковые трубы. Сток вод в большинстве случаев производится самотеком, так как канализационные трубы имеют уклон. Контроль за работой канализационной сети осуществляют через канализационные колодцы (люки), расположенные через 50 –150 м.

Внутренняя канализация предназначена для приема сточных вод и отведения их за пределы здания. Все санитарные приборы снабжены гидравлическими затворами в виде изогнутой трубки для преграждения попадания газов во внутренние помещения. Очистные сооружения предназначены для очистки сточных вод перед сбрасыванием их в бассейн.

Системы теплоснабжения. Теплоснабжение представляет собой совокупность трех взаимосвязанных процессов: подготовки теплоносителей, транспорта теплоносителей и использования потенциала теплоносителя. В соответствии с этим система теплоснабжения состоит из источника теплоты, трубопроводов, системы теплопотребления с нагревательными приборами. Системы теплоснабжения классифицируют по радиусу действия на местные, центральные и централизованные; по виду теплоносителя – на водяное, паровое, воздушное, панельно-лучистое, электрическое и печное.

Местная система отопления – система, расположенная непосредственно в здании – печи и газовые системы отопления, при этом печи в каждом помещении. Центральной системой отопления называют систему снабжения любого здания, при котором отопление всего здания осуществляется от одного источника, например, от котла, установленного в здании. Централизованная система теплоснабжения – система, в которой от одного источника тепло подается на многие здания (ТЭЦ или районные котельные).

Теплофикацией называется централизованное теплоснабжение на базе комбинированной выработки тепла и электрической энергии (ТЭЦ). Вода от ТЭЦ поступает непосредственно к потребителю с возвратом остывшей воды на ТЭЦ или на промежуточные перегреватели, где горячей водой от ТЭЦ нагревается вода, образующая внутренний контур движения воды в здании.

В Санкт-Петербурге используется водяное отопление, при котором вода при температуре 150 градусов подается на теплоцентры, здесь смешивается с водой, прошедшей через нагревательные приборы до необходимой температуры и поступает снова в нагревательные приборы. В качестве нагревательных приборов используются радиаторы, змеевики, конвекторы (трубы с ромбовидными пластинами).

Отопительные панели делаются с замоноличенными в них змеевиками. Для воздушного отопления используются калориферы и отопительные агрегаты. При электрическом отоплении применяют электрические печи, масляные радиаторы и др. приборы.

 

 







Date: 2015-07-23; view: 502; Нарушение авторских прав



mydocx.ru - 2015-2026 year. (1.296 sec.) Все материалы представленные на сайте исключительно с целью ознакомления читателями и не преследуют коммерческих целей или нарушение авторских прав - Пожаловаться на публикацию