Главная Случайная страница


Полезное:

Как сделать разговор полезным и приятным Как сделать объемную звезду своими руками Как сделать то, что делать не хочется? Как сделать погремушку Как сделать так чтобы женщины сами знакомились с вами Как сделать идею коммерческой Как сделать хорошую растяжку ног? Как сделать наш разум здоровым? Как сделать, чтобы люди обманывали меньше Вопрос 4. Как сделать так, чтобы вас уважали и ценили? Как сделать лучше себе и другим людям Как сделать свидание интересным?


Категории:

АрхитектураАстрономияБиологияГеографияГеологияИнформатикаИскусствоИсторияКулинарияКультураМаркетингМатематикаМедицинаМенеджментОхрана трудаПравоПроизводствоПсихологияРелигияСоциологияСпортТехникаФизикаФилософияХимияЭкологияЭкономикаЭлектроника






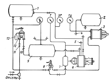
Испытание крана вспомогательного тормоза усл.№254

При сборке крана проверяется:

1. Величины открытия клапанов, которые должны быть: впускного не менее 2 мм и выпускного не менее 3 мм.

2. Величина выхода стержня отключательного клапана из седла, которая должна быть 4 - 4,4 мм. После ремонта и сборки кран вспомогательного тормоза необходимо испытать на стенде. При испытании проверяется.

3. Плотность соединения узлов крана, клапанов и манжет:

3.1. При обмыливании мест соединений узлов крана образование мыльных пузырей не допускается;

3.2. На нижнем атмосферном отверстии крана (при тормозном и поездном положениях ручки

крана) допускается образование мыльного пузыря с удержанием его не менее 5 с;

3.3. На верхнем атмосферном отверстии крана (при торможении автоматическим тормозом и поездном положении ручки крана) и на атмосферных отверстиях упора (при торможении автоматическим тормозом и тормозном положении ручки крана) допускается образование мыльного пузыря с удержанием его не менее 10 с.

4. Работа на торможение и отпуск:

4.1. В тормозных положениях крана вспомогательного тормоза проверяется давление в тормозном цилиндре, которое должно быть в пределах:

- при I ступени 1,0-1,3 кгс/см2;

- при II ступени 1,7-2,0 кгс/см2:

- при III ступени 2,7-3,0 кгс/см2;

- при IV ступени торможения 3,8-4,0 кгс/см2; а на тепловозах ТЭ7 и 2ТЭ ЮЛ при передаточном числе рычажной передачи 10,77- в пределах 5,0-5,2 кгс/см2;

4.2. Ручка управления переведенная с любой ступени торможения в отпускное положение, должна автоматически возвращаться в поездноеположение; при переводе ее из поездного положения в сторону первой ступени торможения на 15-20° давления в тормозном цилиндре не должно быть;

4.3. Во всех тормозных положениях крана при искусственной утечке сжатого воздуха из тормозного цилиндра через отверстие диаметром 2 мм в тормозном цилиндре должноподдерживаться давление с понижением не более чем на 0,3 кгс/см2;

4.4. При переводе ручки крана вспомогательного тормоза из поездного в крайнее тормозное положение время наполнения сжатым воздухом тормозного цилиндра от 0 до 3,5кгс/см2 не должно быть более 4 с; при переводе ручки крана из крайнего тормозного положения в поездное (при заторможенном автоматическом тормозе в отпускное) времявыпуска воздуха из тормозного цилиндра с 3,5 до 0,5 кгс/см2 должно быть более 13 с;

4.5. После полного служебного торможения автоматическим тормозом отпуска поездным положением кран вспомогательного тормоза локомотива должен повышать ипонижать давление в тормозном цилиндре соответственно работе воздухораспределителя (по величине давления) с увеличением времени не более, чем на 5 с;

4.6. После ступени торможения или полного служебного торможения автоматическим тормозом и при искусственной утечке воздуха из тормозного цилиндра через отверстиедиаметром 2 мм в нем должно поддерживаться установившееся давление с понижением не более, чем на 0,3 кгс/см2;

4.7. После ступени торможения автоматическим тормозом и при установившемся давлении в тормозном цилиндре производится полный отпуск краном вспомогательноготормоза, после этого в тормозном цилиндре не должно происходить повышение давления в течение 2 мин;

4.8. После полного служебного торможения автоматическим тормозом остановкой ручки крана в первое отпускное с возвратом во второепоездное положение кран вспомогательного тормоза должен обеспечивать возможность производить ступень отпуска величиной не более 0. 6 кгс/см2.

Кран вспомогательного тормоза локомотива в качестве реле давления проверяется по подпунктам 4.5. - 4.8. при поездном положении ручки крана.



<== предыдущая | следующая ==>
вопросов. Детоксикация - комплекс медицинских мероприятий, направленных на выведение из организма человека | 





Date: 2015-07-23; view: 3993; Нарушение авторских прав



mydocx.ru - 2015-2026 year. (1.094 sec.) Все материалы представленные на сайте исключительно с целью ознакомления читателями и не преследуют коммерческих целей или нарушение авторских прав - Пожаловаться на публикацию