Главная Случайная страница


Полезное:

Как сделать разговор полезным и приятным Как сделать объемную звезду своими руками Как сделать то, что делать не хочется? Как сделать погремушку Как сделать так чтобы женщины сами знакомились с вами Как сделать идею коммерческой Как сделать хорошую растяжку ног? Как сделать наш разум здоровым? Как сделать, чтобы люди обманывали меньше Вопрос 4. Как сделать так, чтобы вас уважали и ценили? Как сделать лучше себе и другим людям Как сделать свидание интересным?


Категории:

АрхитектураАстрономияБиологияГеографияГеологияИнформатикаИскусствоИсторияКулинарияКультураМаркетингМатематикаМедицинаМенеджментОхрана трудаПравоПроизводствоПсихологияРелигияСоциологияСпортТехникаФизикаФилософияХимияЭкологияЭкономикаЭлектроника






Краткая Теория





ЛАБОРАТОРИЯ АТОМНОЙ ФИЗИКИ

ЛАБОРАТОРНАЯ РАБОТА №7

ОПРЕДЕЛЕНИЕ ПОСТОЯННОЙ СТЕФАНА-БОЛЬЦМАНА

Талдыкорган

ЛАБОРАТОРНАЯ РАБОТА №7

ОПРЕДЕЛЕНИЕ ПОСТОЯННОЙ СТЕФАНА-БОЛЬЦМАНА

Цель работы: Ознакомление с явлением теплового излучения, законом Стефана-

Больцмана и работой оптического пирометра

Приборы и принадлежности: Лабораторная установка (ОТТ-7)

Основная задача: Определение постоянной Стефана-Больцмана

 

КРАТКАЯ ТЕОРИЯ

Тепловое излучение - это электромагнитное излучение, возбуждаемое за счет энергии теплового движения атомов и молекул. Оно свойственно всем телам при температурах выше абсолютного нуля. Тепловое излучение нагретых тел имеет непрерывный спектр. Одной из закономерностей, которой должно подчинятся тепловое излучение, является закон Стефана-Больцмана, изучаемый в настоящей работе (1, §§ 1-7). Закон Стефана-Больцмана был получен из анализа экспериментальных данных Стефаном и выведен теоретически – Больцманом: энергетическая интегральная светимость абсолютно черного тела прямо пропорциональна абсолютной температуре в четвертой степени

(1)

где - постоянная Стефана-Больцмана.

Для реальных (нечерных тел)

(2)

где - степень черноты - коэффициент, определяющий поглощательную способность тела. Если излучающее тело окружено средой с температурой то оно будет поглощать энергию, излучаемую самой средой и, следовательно, мощность излучения тела уменьшится и значит

(3)

В данной работе определяется постоянная в законе Стефана-Больцмана. В качестве излучающего тела берут волосок лампочки накаливания . Так как волосок не является абсолютно черным телом, то интегральная светимость его определятся выражением (3), причем для вольфрама, из которого изготавливается волосок, можно принять

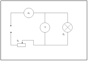
Для нагревания волоска лампочку включают в цепь переменного тока по схеме, изображенной на рисунке - 1. Изменяя реостатом силу тока в лампочке, добиваются различной степени нагретости волоска лампочки. Мощность , затрачиваемуюна поддержание волоска в накаленном состоянии, определяют из показаний амперметра и вольтметра по формуле .

 

 

Рисунок-1

 

Считая, что вся затрачиваемая мощность идет на тепловое излучение, можно выразить энергическую светимость волоска лампочки следующим образом

(4)

где - общая поверхность раскаленной части волоска лампочки. Подставляя в левую часть выражения (3) значение формулы (4) и решая полученное уравнение относительно , найдем

(5)

 

Таким образом, вычисление постоянной Стефана-Больцмана связано с определением силы тока и напряжения на лампочке и температуры волоска лампочки (в качестве можно принять температуру в помещении).

 







Date: 2015-07-22; view: 378; Нарушение авторских прав



mydocx.ru - 2015-2026 year. (1.159 sec.) Все материалы представленные на сайте исключительно с целью ознакомления читателями и не преследуют коммерческих целей или нарушение авторских прав - Пожаловаться на публикацию