Главная Случайная страница


Полезное:

Как сделать разговор полезным и приятным Как сделать объемную звезду своими руками Как сделать то, что делать не хочется? Как сделать погремушку Как сделать так чтобы женщины сами знакомились с вами Как сделать идею коммерческой Как сделать хорошую растяжку ног? Как сделать наш разум здоровым? Как сделать, чтобы люди обманывали меньше Вопрос 4. Как сделать так, чтобы вас уважали и ценили? Как сделать лучше себе и другим людям Как сделать свидание интересным?


Категории:

АрхитектураАстрономияБиологияГеографияГеологияИнформатикаИскусствоИсторияКулинарияКультураМаркетингМатематикаМедицинаМенеджментОхрана трудаПравоПроизводствоПсихологияРелигияСоциологияСпортТехникаФизикаФилософияХимияЭкологияЭкономикаЭлектроника






О зависимых допусках





 

Зависимым называется допуск расположения, величина которого зависит не только от заданного предельного отклонения, но и от действительных размеров рассматриваемых поверхностей.

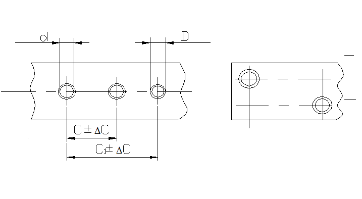
Иначе говоря, зависимые допуски расположения связаны с зазорами между сопрягаемыми поверхностями. Конструктор обязан проставлять на чертеже минимальные значения допусков, соответствующие наименьшим возможным зазорам (см. рис. 5).

 

 


Два отверстия не Одно и более отверстий

связанные базами связанных с базами

Рисунок 5 - Три и более отверстий не связанных с базами

Обозначения отклонения формы и расположения

Поверхностей

 

 

При условном обозначении данные о предельных отклонениях формы и расположения поверхностей указывают в прямоугольной рамке, разделенной на две или три части в которых помещают:

в первой – знак отклонения;

во второй – предельное отклонение в миллиметрах;

в третьей – буквенное обозначение базы или другой поверхности, к

которой относится отклонение расположения; если баз

несколько, то вписывают все их обозначения.

  0,1 А

 

 

Высота рамки должна превышать размер шрифта на 2–3 мм. Пересекать рамку какими-либо линиями не допускается. Рамку располагают горизонтально.

 

 

Допуски метрических резьб

 

Допуски метрических резьб по ГОСТ 16093 – 70 распространяются на метрические резьбы с диаметрами 1 – 600 мм с профилем и основными размерами по ГОСТ 9150 – 59.

Стандарт устанавливает предельные отклонения резьб в посадках скользящих с зазорами.

 







Date: 2015-06-11; view: 400; Нарушение авторских прав



mydocx.ru - 2015-2026 year. (0.701 sec.) Все материалы представленные на сайте исключительно с целью ознакомления читателями и не преследуют коммерческих целей или нарушение авторских прав - Пожаловаться на публикацию