Главная Случайная страница


Полезное:

Как сделать разговор полезным и приятным Как сделать объемную звезду своими руками Как сделать то, что делать не хочется? Как сделать погремушку Как сделать так чтобы женщины сами знакомились с вами Как сделать идею коммерческой Как сделать хорошую растяжку ног? Как сделать наш разум здоровым? Как сделать, чтобы люди обманывали меньше Вопрос 4. Как сделать так, чтобы вас уважали и ценили? Как сделать лучше себе и другим людям Как сделать свидание интересным?


Категории:

АрхитектураАстрономияБиологияГеографияГеологияИнформатикаИскусствоИсторияКулинарияКультураМаркетингМатематикаМедицинаМенеджментОхрана трудаПравоПроизводствоПсихологияРелигияСоциологияСпортТехникаФизикаФилософияХимияЭкологияЭкономикаЭлектроника






Посадки

ЛЕКЦИЯ 2

 

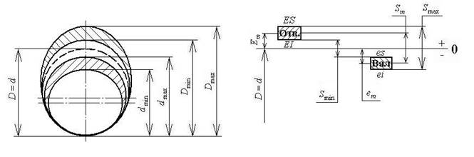
1. Посадка с зазором – посадка, в которой размеры отверстия больше (или равны) размеров вала, и поле допуска отверстия расположено выше поля допуска вала (рис. 6, 7).

Рисунок 6. Схема полей допусков посадки с зазором (при сборке детали неподвижны).

Smax – максимальный зазор;

Smin - минимальный зазор;

Sm – средний зазор;

TS – допуск посадки, характеризует запас при сборке;

Посадка с зазором используется:

1. Для легкой сборки – разборки неподвижных деталей.

2. Для горизонтально перемещающихся или вращающихся деталей при малых скоростях двжения.

 

Схема полей допусков

Рис. 7

 

Вероятность появления Smax и Smin в производстве очень незначительная: 0.3% всех изделий (3 из 1000). Наиболее вероятен зазор Sm.

Примеры расположения полей допусков посадок с зазором (рис.8 а, б, в)

 

а) б) в)

 

Рис. 8

Использование посадок с большим зазором облегчает сборку, но при эксплуатации вызывает биения, нарушение соосности деталей и функционирования всего изделия в целом. Определим величину эксцентриситета е (несоосности) в зависимости от величины зазора посадки. На рис. 9 - размер отверстия, полученный в результате изготовления; - размер вала, полученный в результате изготовления.

Рис. 9

 

 

Величина полученного эксцентриситета е (несоосность в радиусном выражении) равна половине зазора в соединении.

Для сборки худшим условием является минимальный зазор, величина которого равна Smin, тогда эксцентриситет равняется:

е

Для соединения деталей во время работы худшим условием является максимальный зазор, величина которого равна Smax, тогда эксцентриситет равняется:

е

2. Посадка с натягом – посадка, в которой размеры вала больше размеров отверстия (перед сборкой) и поле допуска вала расположено выше поля допуска отверстия (на схеме полей допуска - рис. 10, 11).

ES
EI

 

 

Рис. 10

Рис. 11

Nmax – максимальный натяг

Nmin – минимальный натяг

Nm – средний шаг

Посадка с натягом используется для неподвижных соединений. Сборка производится запрессовкой вала или нагревом охватывающей детали. Возможен комбинированный способ сборки. Детали соосны при эксплуатации.

TN – допуск натяга

Примеры расположения полей допусков посадок с натягом (рис. 12 а, б)

а) б)

Рис. 12

 

3. Переходная посадка – посадка, в которой вероятно появление как зазоров, так и натягов, и поля допусков отверстия и вала перекрываются (рис. 13).

 

Рис. 13

 

Сборка осуществляется в зависимости от действительных размеров деталей.

 

Если - посадка переходная с преобладанием зазора и определяется .

Если - посадка переходная с преобладанием натяга и определяется .

или

или

Допуск переходной посадки

 

 

Переходные посадки обладают хорошей соосностью (центрированием). Могут собираться как вручную, так и с помощью настольных реечных или эксцентриковых настольных прессов, гидравлических или пневматических приспособлений для запрессовки.

Условное обозначение посадок на чертежах:

Ø20

Ø20

Ø20

 

Примеры расположения полей допусков переходных посадок (рис.14 а, б, в).

 

а) б) в)

Рис. 14

Система допусков и посадок гладких цилиндрических соединений (ЕСДП ГЦС)

ГОСТ 25346-82

ГОСТ 25347-82

 

Установлены допуски и посадки для размеров:
- до 1 мм;
- 1 – 500 мм;
- 500 – 3150 мм;

- 3150 – 10000 мм.

Системой допусков и посадок называют совокупность рядов допусков и посадок, закономерно построенную на основе опыта, теоретических и экспериментальных исследований и оформленную в виде стандартов.

ЕСДП даёт возможность стандартизовать режущий и мерительный инструмент, облегчает конструирование, производство и т.п.

Построение квалитетов.

Квалитеты установлены для нормирования уровня точности.

Под квалитетом понимают совокупность допусков, характеризуемых постоянной относительной точностью для всех размерных диапазонов (т.е. точностью изготовления единицы размера 1 мм).

В ЕСДП установлено 19 квалитетов (0,1; 0; 1; 2; …; 17). Чем больше номер квалитета, тем больше допуск, ниже точность изготовления. Для каждого квалитета установлена своя характеристика: число единиц допуска а (безразмерная характеристика). В таблице 1 приведены значения а для 5…17 квалитетов:

Таблица 1


квалитет                          
а                          

 

В основе этой таблицы лежит геометрическая прогрессия со знаменателем q=1,6.

Величина допуска подсчитывается по формуле:

T=a·i, где

a – число единиц допуска, характеризующее квалитет;

i – единица допуска, зависящая от номинального размера детали, [мкм].

Допуски для квалитетов 0,1; 0; 1; 2; 3; 4 определяются по эмпирическим формулам.

Для размеров менее 1 мм допуски по квалитету 14-17 не устанавливаются.

Для построения рядов допусков все размеры разбиты на размерные интервалы (таблица 2): св. 1 до 500 мм Таблица 2

Интервал размеров в мм Значение допусков, мкм, для квалитетов
        [мкм]
До 3        
св. 3 до 6        
св. 6 до 10        
св. 10 до 18        
......          

 

Для всех размеров, объединённых в один интервал значения допусков (для одного квалитета) приняты одинаковыми, так как единица допуска i – одинакова для размеров от 1 до 500 мм:

– поправка на погрешность измерения, где D [мм] – среднее геометрическое из крайних размеров интервала

Пример: для интервала св. 3 до 6 мм

.

Для размеров св. 500 до 10000 мм:

Определим величину допуска T для интервала размеров св. 3 до 6 мм:

для 5 квалитета: ;

для 6 квалитета: (принято 8 мкм);

для 7 квалитета: .

Допуски и отклонения, установленные в ЕСДП относятся к деталям, измеренным при , (нормальные условия).

Для образования поля допуска установлены основные отклонения.

Основное отклонение – это одно из двух предельных отклонений (или верхнее или нижнее), используемое для определения положения поля допуска относительно “0” линии.

Для отверстий – основное отклонение обозначается прописными буквами латинского алфавита от A до Z; для валов – строчными от a до z.

На величину основного отклонения влияет номинальный размер детали.

 

Относительное расположение

основных отклонений отверстия и вала в ЕСДП. ГОСТ 25346-82 (рис.15)

Рис. 15

Абсолютное значение и знак основного отклонения определяются по эмпирическим формулам.

Основные отклонения отверстий равны по величине и противоположны по знаку основным отклонениям валов.

 

Образование полей допусков.

Поле допуска образуется сочетанием основного отклонения с допуском по одному из квалитетов.

Примеры: записать отклонения для полей допусков:

Ø ; Ø ; Ø ; Ø ; Ø ; Ø

1. Ø : ;

Ø .

2. Ø : ;

Ø .

3. Ø : ;

Ø .

4. Ø : ;

Ø .

5. Ø : ;

Ø .

6. Ø : ;

Ø .

Для размеров от 500 до 10000мм установлено сокращенное число полей допусков.

Из рекомендуемых полей допусков выделены предпочтительные поля. Они обеспечивают ≈90% посадок. Это повышает уровень унификации, сокращает номенклатуру режущего и мерительного инструмента. Выделяют их краской или.


В ЕСТД предусмотрены посадки в системе отверстия и системе вала. При необходимости используют комбинированные посадки.

Посадки в системе отверстия – это посадки в которых различные зазоры и натяги получают соединением различных валов с “ основным ” отверстием (EI=0; H).

Рис. 16

По экономическим соображениям допуск отверстия рекомендуется назначать на 1-2 квалитета больше, чем допуск вала (так как трудоёмкость изготовления отверстия больше).

Пример: ; и т.п.

При малых диаметрах (менее 1 мм) – точный вал получить труднее; допуски вала и отверстия устанавливаются одинаковыми.

Посадки с зазором в “системе отверстия”:

Переходные:

– переходные с преобладанием зазора: ; .

– переходные с преобладанием натяга: ; .

Посадки с натягом в “системе отверстия”: .

Посадки в системе вала – это посадки в которых различные зазоры и натяги получаются соединением различных отверстий с “ основным ” валом (es=0; h).

 

Рис. 17

Комбинированный способ (отсутствие отклонений H; h): Ø ; Ø .

Относительная точность:

с 0,1 до 5 кв. – очень высокая точность (малые допуски);

6 – 7(8) кв. – высокая точность (малые допуски), где (8) – для больших размеров;

9 – 10 кв. – нормальная точность (средние допуски);

11 – 12(13) кв. – пониженная точность;

св. 14 кв. – низкая точность.

Примеры посадок:

Ø ; Ø ; Ø – посадки в системе отверстия;

Ø ; Ø – посадки в системе вала.

 

 

Домашнее задание:

 

1. Для Ø20 и квалитета 7 построить таблицу полей допусков для отверстий и валов.

2. Проанализировать: Ø20H7 и Ø20G7 и сравнить Ø20H7 и Ø20f6 (в чём сходство и различие).

 

1. Задание на дом: рассчитать максимальные, минимальные, средние зазоры, допуск посадки:
Ø ; Ø .

Подобрать для поля допуска вала Ø поле допуска отверстия, чтобы была посадка с зазором.

2. То же для посадок с натягом:

Ø .

Подобрать поле допуска отверстия, чтобы была посадка с натягом, если поле допуска вала Ø .

3. То же для переходной посадки:
Ø .

Подобрать поле допуска вала для образования переходной посадки с отверстием Ø .

 



<== предыдущая | следующая ==>
Система обеспечения безопасности пищевых производств | Промышленные выставки XIX в. Я





Date: 2015-06-11; view: 730; Нарушение авторских прав



mydocx.ru - 2015-2026 year. (0.615 sec.) Все материалы представленные на сайте исключительно с целью ознакомления читателями и не преследуют коммерческих целей или нарушение авторских прав - Пожаловаться на публикацию