Главная Случайная страница


Полезное:

Как сделать разговор полезным и приятным Как сделать объемную звезду своими руками Как сделать то, что делать не хочется? Как сделать погремушку Как сделать так чтобы женщины сами знакомились с вами Как сделать идею коммерческой Как сделать хорошую растяжку ног? Как сделать наш разум здоровым? Как сделать, чтобы люди обманывали меньше Вопрос 4. Как сделать так, чтобы вас уважали и ценили? Как сделать лучше себе и другим людям Как сделать свидание интересным?


Категории:

АрхитектураАстрономияБиологияГеографияГеологияИнформатикаИскусствоИсторияКулинарияКультураМаркетингМатематикаМедицинаМенеджментОхрана трудаПравоПроизводствоПсихологияРелигияСоциологияСпортТехникаФизикаФилософияХимияЭкологияЭкономикаЭлектроника






Каркасы одноэтажных промышленных зданий





 

Одноэтажные промышленные каркасные здания могут иметь полный или неполный каркас. В зданиях с полным каркасом все вертикальные нагрузки воспринимают колонны. Наружные стены, являясь ограждающей конструкцией, несут нагрузку только от собственного веса (самонесущие стены).

В зданиях с неполным каркасом колонны крайних (наружных) рядов отсутствуют, наружные стены, являясь одновременно несущими и ограждающими конструкциями, в этом случае воспринимают часть вертикальных нагрузок от покрытия.

Железобетонные или стальные колонны связаны в поперечном направлении балками или фермами покрытий. Образующиеся таким образом рамы каркаса связываются между собой в продольном направлении плитами, прогонами, ветровыми связями, подкрановыми и обвязочными балками.

Колонны каркаса устанавливаются на отдельные сборные железобетонные фундаменты стаканного типа. Такие фундаменты могут быть цельными или составными из отдельных блоков (рис. 4). Сборные фундаменты укладывают по щебеночной или бетонной подготовке толщиной 10 см.

Рис. 4. Сборные железобетонные фундаменты под колонны каркаса здания:

а — одноблочный; б — из нескольких блоков.

 

Для опирания колонны в теле фундаментного блока имеется соответствующее углубление — «стакан». При изготовлении блока фундамента в бетон закладываются петли из круглой стали для захвата фундамента краном при монтаже.

Составной фундамент собирается из железобетонной плиты и железобетонного подколонника стаканного типа. Подколонник укладывают на растворе и скрепляют с плитой путем сварки закладных стальных деталей.

Фундаментные балки служат для передачи нагрузки от наружных и внутренних стен здания на фундаменты, они укладываются на обрезы фундаментов. Фундаментные балки могут быть прямоугольного, трапецеидального и таврового сечения. Чтобы выдержать расположение балок на заданной отметке, их укладывают на бетонные столбики, устанавливаемые на обрезы фундаментов колонн (рис. 5). Верхние грани балок располагают на 5 см ниже уровня пола помещения.

Поверх фундаментных балок укладывают гидроизоляцию из двух слоев рулонного материала на мастике. Зазоры между торцами балок и между балками и колоннами заполняются бетонной смесью. Фундаментные балки с боков и снизу засыпают шлаком, чтобы предотвратить промерзание пола вдоль наружных стен. Снаружи здания вдоль фундаментных балок устраивают отмостку или тротуар.

Колонны одноэтажного здания, закрепленные в фундаментах, вместе с элементами покрытий образуют каркас, способный обеспечить пространственную жесткость и устойчивость здания.

 

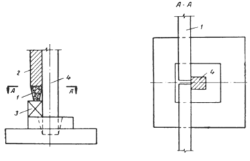
Рис. 5. Опирание фундаментных балок

1 - балка; 2 — стена; 3 — бетонный столбик; 4 — колонна.

 

Сборные железобетонные колонны для зданий без мостовых кранов имеют прямоугольное поперечное сечение, изготовляются по типовым чертежам и применяются при шаге колонн 6—12 м и при пролете здания 12—24 м (рис. 6). В зданиях, оборудованных мостовыми кранами, применяются колонны с консолями. Сечение этих колонн ниже консолей, поддерживающих подкрановую балку, больше, чем сечение надкрановой части, которая несет меньшую нагрузку. Крайние колонны для опирания подкрановой балки имеют одну консоль; средние — две консоли (рис. 6, б).

 

Рис. 6. Сборные железобетонные колонны

а — крайняя и средняя колонны для бескрановых пролетов; б — то же, крайняя и средняя колонны для пролетов с мостовыми кранами; в — то же, двухветвевые ступенчатые колонны.

 

По конструктивному оформлению колонны подразделяются на одноветвевые и двухветвевые. Одноветвевые колонны имеют прямоугольное поперечное сечение, высота их колеблется от 9,4 до 11,8 м. Двухветвевые колонны состоят из двух ветвей сечением 20 X 40 см, соединенных распорками, применяются они в зданиях с пролетами 18 — 24 — 30 м, оборудованных кранами, высота их колеблется от 10,8 до 18м (рис. 6, в).

Применяют также составные колонны, отдельные части которых соединяются до монтажа или монтируются раздельно. Сопряжение колонн с элементами каркаса осуществляется с помощью болтов и сварки стальных закладных деталей с последующим бетонированием (замоноличиванием) узлов соединения.

Колонны имеют стальные закладные детали для крепления ферм или балок покрытия, подкрановых балок, различных технологических устройств, рабочих площадок (рис. 7). В колоннах крайних рядов предусматриваются закладные стальные детали для крепления к ним панелей наружных стен.


 

Рис. 7. Крайняя колонна кранового пролета с закладными деталями:

1 — стальной лист с анкерами для крепления балок покрытия; 2, 3 — то же, для крепления подкрановых балок; 4 — то же, для крепления стеновых панелей.

 

В качестве подкрановых балок применяют железобетонные сборные таврового и двутаврового сечения в основном предварительно напряженные балки (рис. 8). Нижние закладные детали по концам балок привариваются к опорным листам консолей колонн. Сверху балки крепят к колоннам приваркой накладок к закладным деталям балок и колонн. Отдельные балки в стыках соединяются между собой также приваркой к закладным деталям стальной полосы. Зазоры между торцами балок заполняются бетонной смесью.

 

Рис. 8. Подкрановая железобетонная балка:

1 — стальные накладки для крепления балок между собой и к колоннам; 2 — стальная закладная деталь консоли; 3 — то же, балки; 4 — то же, колонны; 5 — заделка бетоном.

Основными несущими конструкциями покрытий одноэтажных промышленных зданий являются в зависимости от величины перекрываемых пролетов — железобетонные крупноразмерные плиты, железобетонные односкатные и двухскатные балки, фермы, арки и пространственные конструкции. Для пролетов 6, 9 и 12 м в качестве несущих конструкций применяют железобетонные плиты (рис. 9).

Для пролетов 12 и 18 м применяют балки с предварительно напряженной арматурой. Для перекрытий пролетов 18—30 м применяют сборные предварительно напряженные железобетонные фермы, состоящие из двух полуферм.

Стены промышленных зданий делятся на несущие, самонесущие и навесные. Несущие стены воспринимают нагрузку от перекрытий; их выполняют из крупных бетонных или кирпичных блоков, из кирпича и мелких камней. Несущие стены применяют при строительстве многоэтажных зданий и одноэтажных зданий малых пролетов. Несущие стены одноэтажных зданий для устойчивости иногда усиливают пилястрами.

 

Рис. 9. Несущие конструкции покрытий:

а — железобетонная ребристая плита; б — типы сборных железобетонных одно- и двухскатных балок.

 

Самонесущие стены опираются на фундаментные балки. Они связываются с каркасом здания гибкими связями, которые представляют собой выпущенные из колонн стальные стержни.

Навесные стены опираются на фундаментные балки и на поэтажно расположенные обвязочные балки каркаса здания. Нагрузка от них через балки передается на колонны.

Высокие стены, кроме собственного веса, воспринимают ветровую нагрузку, для обеспечения их устойчивости устраиваются внутренние пилястры или фахверк, представляющий собой вспомогательный каркас из железобетона, располагаемый между колоннами основного каркаса. Фахверк состоит из стоек и горизонтальных ригелей. Он воспринимает вес стенового заполнения, давление от ветра и передает их на основной каркас.

В промышленном строительстве применяются асбестоцементные утепленные навесные панели, представляющие собой асбестоцементные или деревянные каркасы, оклеенные на эпоксидных смолах гладкими листами асбестоцемента и заполненные минеральной ватой (рис.10).

 

Рис. 10. Стена из легких утепленных асбестоцементных панелей.

 

В складских неотапливаемых помещениях и в цехах с повышенными тепловыделениями применяются кирпичные фахверковые стены толщиной 25 см, стены из неутепленных железобетонных ребристых панелей и профилированных листов алюминия.


Для несущих стен отапливаемых промышленных зданий разной этажности, а также для самонесущих стен одноэтажных зданий используются крупные и мелкие блоки. Крупные блоки изготовляются из шлакобетона» керамзитобетона с облицовочным слоем из декоративного бетона.

В многоэтажных зданиях между стеной и каркасом здания осуществляется еще дополнительная связь в уровне междуэтажных перекрытий. Все металлические крепления бетонируются или покрываются антикоррозийными покрытиями (кузбасслак, битумные мастики).

Крупнопанельные стены для наружных стен промышленных зданий применяют при шаге колонн 6 и 12 м. Размеры таких панелей по ширине и длине: 0,8 X 6; 1,2 X 6; 1,2 X 12; 1,8 X 12 м.

Панели наружных стен устанавливают чаще всего горизонтально с креплением к колоннам каркаса. Нижние панели называются цокольными. Они опираются непосредственно на фундаменты колонн и являются балками-стенками, заменяя собой фундаментные балки (рис. 11). Панели крепятся к колоннам на болтах к закладным частям колонн. Благодаря такому способу крепления в стенах не возникают напряжения в результате температурных деформаций каркаса. Панели-перемычки опираются на стальные опорные столики, приваренные к закладным деталям колонн.

 

Рис. 11. Стены из крупных тяжелых панелей:

1 — цокольные панели; 2 — рядовые панели; 3 — перемычечные панели; 4 — карнизные панели.

 

Покрытия промышленных зданий обычно бывают бесчердачными, утепленными и неутепленными. Неутепленные (холодные) покрытия устраиваются в неотапливаемых зданиях и в зданиях со значительными тепловыделениями. Холодное покрытие состоит из сборных железобетонных панелей или настилов, укладываемых по балкам. Поверхность покрытия выравнивается цементной или асфальтовой стяжкой, по которой наклеивается рулонный гидроизоляционный ковер на битумной мастике.

В утепленном покрытии по железобетонному настилу или панелям укладывается пароизоляционный слой из рулонного материала, затем теплоизоляционный слой из минераловатных или газобетонных плит. По теплоизоляционному слою делают стяжку, по которой наклеивают рулонный гидроизоляционный ковер (рис.12). Если покрытие выполняют из ячеистых армобетонных плит, то надобность в теплоизоляционном слое отпадает.

В местах примыкания кровельного ковра к парапетам его на высоте 25—30 см от кровли заводят под фартук из оцинкованной стали. Фартук крепят к деревянной рейке, которая в свою очередь крепится к деревянным пробкам, заложенным в парапет.

 

Рис.12. Конструкция покрытия:

а — холодного; б — утепленного; 1 — железобетонная панель; 2 — заделка шва цементным раствором; 3 — пароизоляция; 4 — теплоизоляция; 5 — выравнивающий слой; 6 — гидроизоляционный ковер.


 

В местах температурных и осадочных швов несущие конструкции покрытий разрезаются, чтобы обеспечить их независимое взаимное перемещение при осадках здания или при температурных деформациях. По обе стороны шва располагаются основные несущие конструкции покрытия и ограждения. Швы защищены соответствующим образом от попадания в них атмосферных осадков. Вдоль шва с обеих сторон делают кирпичные или бетонные стенки высотой 30 см; между ними укладывают утеплитель и закрывают сверху компенсатором из оцинкованной листовой стали (рис. 13).

 

Рис. 13. Устройство осадочных и температурных швов в покрытиях:

1 — кирпичная стенка; 2 — утеплитель; 3 — верхний компенсатор.

 

В покрытиях промышленных зданий могут размещаться фонари — световые и аэрационные. Первые — для освещения помещения, а вторые — для удаления (при открывании створок) избыточного тепла или вредных газов из производственных помещений. В некоторых случаях фонари устраивают так, что они работают и как световые и как аэрационные (рис. 14).

Рис. 14. Типы фонарей

а — световой; б, в — вентиляционно-световые.

 

Фонари обладают большими недостатками: зимой через фонари уходит много тепла, а летом помещения сильно перегреваются. Фонари быстро загрязняются и как источники естественного освещения малоудовлетворительны; уход за ними зимой затруднен. Во многих случаях, особенно в промышленных зданиях с незначительными тепловыделениями, строят бесфонарные покрытия. Для освещения в таких зданиях применяют лампы дневного света.

Несущие части фонарей выполняют из железобетона — при покрытиях из железобетонных элементов и из стали при покрытиях из стальных конструкций. Покрытие над фонарем делают такое же, как и над всем зданием.

 

Контрольные вопросы:

4. Виды фундаментов под колонны каркаса здания?

5. Как подразделяются колонны по конструктивному оформлению?

6. Что является несущими конструкциями покрытий одноэтажных промышленных зданий?

8.

9. Виды стен промышленных зданий?

10. Устройство осадочных и температурных швов в покрытиях?







Date: 2015-06-11; view: 1572; Нарушение авторских прав



mydocx.ru - 2015-2026 year. (2.745 sec.) Все материалы представленные на сайте исключительно с целью ознакомления читателями и не преследуют коммерческих целей или нарушение авторских прав - Пожаловаться на публикацию